๋ฐ์ํธ
(Young-Ho Park)
1iD
๊น์ํ
(Su-Hyeon Kim)
1iD
์์ฑํ
(Sung-Hun Lim)
โ iD
์ด์ข
ํ
(Jong-Pil Lee)
2
-
(Dept. of Electrical Engineering, Soongsil University, Republic of Korea.)
-
(Dept. of Electrical Semiconductor and Computer Engineering, Jungwon University, Republic
of Korea.)
Copyright ยฉ The Korea Institute for Structural Maintenance and Inspection
Key words
Voltage sag, Protection coordination, Undervoltage relays (UVR), Overcurrent relay (OCR), Superconducting fault current limiter (SFCL), Current Limiting Reactor/Resistor (CLR)
1. ์ ๋ก
ํ๋ ๋ฐฐ์ ๊ณํต์ ๋ค์ํ ๋ถํ์ ๋ณต์กํ ๋คํธ์ํฌ ๊ตฌ์กฐ๋ฅผ ํน์ง์ผ๋ก ํ๋ฉฐ, ๊ทธ์ค์์๋ 6.6 [kV] ๋ฐฐ์ ๊ณํต์ ๋ฏผ๊ฐํ ํ์ ๊ธฐ ๋ถํ๋ฅผ ํฌํจํ ์ฌ๋ฌ ์ค๋น์
์ ๋ ฅ์ ๊ณต๊ธํ ์ ์๋ค. ์ด๋ฌํ ์์คํ
์์ ํ๋์ ํผ๋์ ๊ณ ์ฅ์ด ๋ฐ์ํ๋ฉด ๋์ผ ๋ชจ์ ์ ์ฐ๊ฒฐ๋ ๋ค๋ฅธ ํผ๋์์๋ ์ ์๊ฐํ๊ฐ ๋ฐ์ํ ์ ์๋ค. ์ด๋ฌํ ์ ์
๊ฐํ๋ ํนํ ํ์ ๊ธฐ ๋ถํ๋ฅผ ์ฌ์ฉํ๋ ์ค๋น์์ ์ฌ๊ฐํ ์ํฅ์ ๋ฏธ์น ์ ์์ผ๋ฉฐ ์ ์์ด ๋ถ์กฑํ๋ฉด ์ ๋๊ธฐ๋ ๋์ผํ ๋ถํ๋ฅผ ์ ์งํ๋ ค๋ฉด ์ถฉ๋ถํ ํ ํฌ๊ฐ ํ์ํ๋ฉฐ
์ ์์ด ๋ถ์กฑํ ๊ฒฝ์ฐ ํ ํฌ๊ฐ ๊ฐ์ํ๋ฏ๋ก ์ถ๋ ฅ๋ ์์ฐ์ค๋ฝ๊ฒ ๊ฐ์ํ๋ค. ์ด์ ๋ฐ๋ผ ์ ๋๊ธฐ์ ํจ์จ์ด ๋ฎ์์ง๊ณ , ๊ณผ๋ถํ๋ก ์ธํ ๊ณ ์ฅ์ด ๋ฐ์ํ ์ ์๋ค[1-3]. ๋์๊ฐ ๋ฐ๋ณต์ ์ธ ์ ์ ๋ถ์กฑ์ ์ ๋๊ธฐ ๋ด๋ถ ๋ถํ์ ์ง์์ ์ธ ์คํธ๋ ์ค๋ฅผ ๊ฐํ์ฌ ์ฅ๊ธฐ์ ์ผ๋ก ์๋ช
์ ๋จ์ถํ๋ ์์ธ์ด ๋๋ค. ์ด์ ๋ฐ๋ฅธ ์ ์๊ฐํ๋ก ์ธํ
๋ฌธ์ ๋ฅผ ์ํํ๊ธฐ ์ํด ์ ์ ์ ๊ณ์ ๊ธฐ(Under Voltage Relay, UVR)๊ฐ ๋๋ฆฌ ์ฌ์ฉ๋๊ณ ์๋ค. UVR์ ์ ์๊ฐํ๋ฅผ ๊ฐ์งํ๊ณ ๋ฏผ๊ฐํ ๋ถํ๋ฅผ
๋ณดํธํ๋ ๋ฐ ์ค์ํ ์ญํ ์ ํ์ง๋ง, UVR๊ณผ ๊ณผ์ ๋ฅ ๊ณ์ ๊ธฐ(Over Current Relay, OCR) ๊ฐ์ ํ์กฐ๋ฅผ ์ ์งํ๋ ๊ฒ์ ์ฌ์ ํ ์ค์ํ ๊ณผ์ ๋ค[4].
ํนํ, ์ด์ ๋ ํ๋ฅ๊ธฐ(Superconducting Fault Current Limier, SFCL)๊ฐ ๋์
๋ ๊ณํต์์๋ ๊ณ์ ๊ธฐ์ ๋์ ํน์ฑ์ ๋ณํ๋ฅผ
์ผ์ผํค๋๋ฐ, ์ด๋ SFCL๋ด์ ์ฌ์ฉ๋๋ CLR(Current Limiting Reactor/Resistor,CLR)๊ณผ๋ ๊ด๋ จ์ด ์๋ค [5-6]. CLR ๊ฐ์ด ๊ณผ์ ๋ฅ๋ฅผ ์ผ๋ง๋ ์ ํํ๋๋์ ์ํฅ์ ๋ฏธ์น๋ฏ๋ก ๊ณ ์ฅ์ ๋ก์ ์๋ OCR์ ์ง์ฐ ๋์์ ์ ๋ฐํ ์ ์๋ค. ๊ทธ๋ฟ๋ง ์๋๋ผ SFCL์ด ์ ๋ก์
์ธ์
๋จ์ ์ค์น๋ ๋ ๊ณ ์ฅ์ ๋ชจ์ ์ ์ ์๊ฐํ๋ฅผ ์ต์ ํ๋๋ฐ, ์ด๋ ๊ณง ๊ฑด์ ์ ๋ก์ ์๋ UVR์ ์ค๋ถ ๋์์ ์ ๋ฐํ ์ ์๋ค. ๋ฐ๋ผ์ CLR๊ฐ์ ์ ์ ํ
์ค์ ํ์ง ์์ผ๋ฉด ๊ณ ์ฅ ํผ๋์ ๊ฑด์ ํผ๋ ๋ชจ๋์์ ๋ณดํธ๊ณ์ ๊ธฐ์ ์ค์๋ ๊ฐ๋ฅ์ฑ์ด ๋์์ง๊ณ , ์ด๋ ์์คํ
์์ ์ฑ๊ณผ ์ ๋ขฐ์ฑ์ ์ ํํ ์ ์๋ค[7-11].
๋ณธ ์ฐ๊ตฌ์์๋ SFCL์ CLR๊ฐ๊ณผ ์ข
๋ฅ๋ฅผ ์กฐ์ ํจ์ผ๋ก์จ ๊ณ ์ฅ ์ ๋ฅ ์ ํ๊ณผ ๋ณดํธ๊ณ์ ๊ธฐ์ ๋ฏธ์น๋ ์ํฅ์ ๋ถ์ํ๊ณ ์ ํ๋ค. ์ด๋ฅผ ํตํด ํ์ ๊ธฐ๊ธฐ์ ๋ฏธ์น๋
์ํฅ์ ์ต์ํํ๋ฉฐ, ์์คํ
์ ์ ์ํ๊ฒ ๋ณต๊ตฌํ ๋ฐฉ๋ฒ์ ์ ์ํ๊ณ ์ ํ๋ค.
2. ๋ฐฐ์ ๊ณํต ๋ฐ ํ๋ฅ๊ธฐ ๊ตฌ์ฑ
2.1 ์ ๋์ ๋๊ธฐ ๊ตฌ์ฑ ๋ฐ ๋์ ํน์ฑ
์ ๋์ ๋๊ธฐ์ ์ ๋์ ๋๊ธฐ ์ฐ๊ณ ๋ณ์๊ธฐ์ ์ธ๋ถ์ฌํญ์ ํ 1์, ๊ทธ๋ฆฌ๊ณ ์ ๋์ ๋๊ธฐ์ ๋์ ํน์ฑ์ ๋ํด ๊ทธ๋ฆผ 1์ ๋์ํ์๋ค. ์ ๋์ ๋๊ธฐ์ ์ ์๊ณผ ์ ๋ฅ ๋ฐ ์ถ๋ ฅ์๋์ ํ ํฌ ํน์ฑ์ ๊ทธ๋ฆผ 1์ ๋์ํ์๋ค. ๊ณ ์ฅ์ด ๋ฐ์ํ๋ ๊ฒฝ์ฐ ๊ทธ๋ฆผ 1์ Section 1๊ณผ ๊ฐ์ด ์ ๋์ ๋๊ธฐ ์๋จ์ ์ธ๊ฐ๋๋ ์ ์๊ณผ ์ ๋ฅ๊ฐ ๊ฐ์ํ๋๋ฐ, ์ ์์ ๊ฐ์๋ ๊ณง ์ (1)๊ณผ ๊ฐ์ด ์ ์๋๋ ์ ๊ธฐ์ ํ ํฌ๊ฐ ์ฆ๊ฐ์ ์ผ๋ก ๊ฐ์ํ๋ ๊ฒฐ๊ณผ๋ก ์ด์ด์ง๋ค. ๋ฐ๋ฉด ๊ธฐ๊ณ์ ํ ํฌ๋ ๊ธฐ๊ณ์ ๊ด์ฑ์ผ๋ก ์ธํ์ฌ ๋น๊ต์ ๋๋ฆฌ๊ฒ ๋ฐ์ํ๊ธฐ ๋๋ฌธ์, ๊ทธ๋ฆผ
1์ (b)์ ๋ํ๋ธ ๋ฐ์ ๊ฐ์ด ๊ณ ์ฅ ๋ฐ์ ํ UVR์ด ๋์ํ ๋๊น์ง ์ฒ์ฒํ ๊ฐ์ํ๋ ๋ชจ์ต์ ๋ณผ ์ ์๋ค. ๋ํ, ์ ์์ด ๊ฐ์ํ๋ฉด ์ (2)์ ๊ฐ์ด ์ ๋์ ๋๊ธฐ ํ์ ์์ ํ์ ์๋๊ฐ ๊ฐ์ํ์ฌ ์ฌ๋ฆฝ์ด ์ฆ๊ฐํ๊ฒ ๋๊ณ , ์ด์ ๋ฐ๋ผ ์ (3)๊ณผ๊ฐ์ด ์ ์๋๋ ์ถ๋ ฅ ์๋๊ฐ ๊ฐ์ํ๊ฒ ๋๋ค. UVR์ด ๋์ํ๊ณ EPS๊ฐ ํฌ์
๋ ํ์ธ ๊ทธ๋ฆผ 1์ Section 2๊ตฌ๊ฐ์์๋ ์ ๋์ ๋๊ธฐ ์๋จ์ ์ธ๊ฐ๋๋ ์ ์์ด ํ๋ณต๋๊ธฐ ๋๋ฌธ์, ์ ๊ธฐ์ ํ ํฌ๊ฐ ๋ค์ ์ฆ๊ฐํ๋ค. ์ด์ ๋ฐ๋ผ ๋ค์ ๋๋ฆฐ ๊ฐ์ ์ถ์ธ๋ฅผ
๋ณด์ด๋ ์ถ๋ ฅ ์๋๊ฐ ๊ฐ์๋ฅผ ๋ฉ์ถ๊ฒ ๋๋ค. OCR์ด ๋์ํ์ฌ ๊ณ ์ฅ์ ์์ ํ ์ ๊ฑฐํ ํ์ธ ๊ทธ๋ฆผ 1์ Section 3๊ตฌ๊ฐ์์๋ ์ ๋์ ๋๊ธฐ์ ์ ๋ฅ์ ์ ๊ธฐ์ ํ ํฌ๊ฐ ๊ณ ์ฅ ์ ์ ์์ ์ ์ธ ์์ค์ผ๋ก ๋ณต๊ทํ๋ฉฐ, ์๊ฐ์ด ์ง๋จ์ ๋ฐ๋ผ ๊ธฐ๊ณ์ ํ ํฌ์ ์ ๊ธฐ์ ํ ํฌ๋
์ ์ฐจ ๊ท ํ์ ์ด๋ฃจ๊ฒ ๋๋ค.
ํ 1 ์ ๋์ ๋๊ธฐ์ ์ฐ๊ณ ๋ณ์๊ธฐ ์ธ๋ถ์ฌํญ
Table 1 Specifications of transformer for induction motor and transformer for induction
motor
|
|
|
Value
|
Unit
|
|
Transformer for induction motor (TRIM)
|
Voltage
|
22.9
|
kV
|
|
Capacity
|
500
|
kVA
|
|
Voltage ratio of
primary and
secondary windings
|
6.6 : 0.38
|
kV
|
|
Winding method
|
Delta-Wye
|
-
|
|
Induction
motor (IM)
|
Rated phase voltage
|
380
|
Vrms
|
|
Rated current
|
5
|
Arms
|
|
Base angular frequency
|
60
|
Hz
|
|
Pole number
|
4
|
-
|
๊ทธ๋ฆผ 1. ์ ๋์ ๋๊ธฐ ํน์ฑ (a) ๋ชจํฐ์ ์๊ณผ ๋ชจํฐ์ ๋ฅ (b) ๋ชจํฐ ์ถ๋ ฅ์๋, ๊ธฐ๊ณ์ ํ ํฌ, ์ ๊ธฐ์ ํ ํฌ
Fig. 1. Characteristics of induction motor (a) motor voltage and motor current (b)
motor output speed, mechanical torque and electrical torque
Vs : stator voltage
Rs : stator resistance
Rr : rotor resistance
Xl : stator leakage reactance
s : slip
ns : synchronous speed of magnetic field
n : actual rotor speed
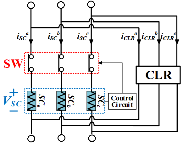
2.2 ํธ๋ฆฌ๊ฑฐํ ํ๋ฅ๊ธฐ ๊ตฌ์ฑ ๋ฐ ๋์ ์๋ฆฌ
๊ณํต์ ์ ์ฉํ SFCL์ ๊ฒฝ์ฐ ํธ๋ฆฌ๊ฑฐํ ํ๋ฅ๊ธฐ๋ฅผ ์ฌ์ฉํ์์ผ๋ฉฐ, ๊ทธ ๊ตฌ์กฐ์ ๊ด๋ จ ํ๋ผ๋ฏธํฐ๋ฅผ ๊ทธ๋ฆผ 2์ ํ 2์ ๊ฐ๊ฐ ๋์ํ์๋ค. ํธ๋ฆฌ๊ฑฐํ ํ๋ฅ๊ธฐ๋ ์ด์ ๋ ์์์ ์ ์์ ์ด์ฉํ์ฌ ๊ตฌ๋ํ๋ ์ค์์น ๋ฐ ์ ์ด ํ๋ก์ CLR๋ก ๊ตฌ์ฑ๋์๋ค. ์ ์์ํ์์ SW๊ฐ ๋ซํ์๊ณ
์ด์ ๋ ์์(HTSC)๊ฐ ์ ์ ํญ์ด๋ฏ๋ก ์๋์ ์ผ๋ก ์ ํญ์ด ํฐ CLR ์ ๋ก๋ก ์ ๋ฅ๊ฐ ํ๋ฅด์ง ์๊ณ ์ด์ ๋์์์ SW๋ฅผ ํตํ์ฌ ๋ถํ์ ๋ฅ๊ฐ ํ๋ฅธ๋ค. ๊ทธ๋ฌ๋
๊ณ ์ฅ์ด ๋ฐ์ํ์ฌ ์์์ ํ๋ฅด๋ ์ ๋ฅ๊ฐ 1.25 [kA] ์ด์์ด ๋ ๊ฒฝ์ฐ, ์ด์ ๋ ์์๊ฐ ํ์นํ๋ฉด์ ์ ํญ์ด ๋ฐ์ํ์ฌ ์์ ์๋จ์ ์ ์์ด ๋ฐ์ํ๊ฒ ๋๋ค.
์ด๋ ์ด์ ๋ ์์ ์๋จ์ ์ ์์ด ์ผ์ ๊ฐ ์ด์์ด ๋๋ฉด ์ ์ดํ๋ก๊ฐ SW์ ๊ฐ๋ฐฉ ์ ํธ๋ฅผ ๋ณด๋ด SW๊ฐ ๊ฐ๋ฐฉ๋๋ฉฐ, ์ด์ ๋ฐ๋ผ ๊ณ ์ฅ์ ๋ฅ๋ CLR์ ํตํด์๋ง ํ๋ฅด๊ฒ
๋๋ฉด์ ์ด์ ๋ ์์๋ ๊ณ ์ฅ์ ๋ฅ๋ก๋ถํฐ ๋ถ๋ฆฌ๋๋ค. ์ด๋ฅผ ํตํด ํธ๋ฆฌ๊ฑฐํ SFCL์ ๊ณ ์ฅ์ ๊ณ ์ฅ์ ๋ฅ๋ฅผ ํจ๊ณผ์ ์ผ๋ก ์ ํํ๋ฉฐ ๊ณํต์ ์์ ์ฑ๊ณผ ๋ณดํธ ์ฑ๋ฅ์ ํฅ์ํ
์ ์๋ค.
ํ 2 ํธ๋ฆฌ๊ฑฐํ ํ๋ฅ๊ธฐ ํ๋ผ๋ฏธํฐ
Table 2 Parameters of trigger-type SFCL
|
Parameters
|
Value
|
Unit
|
|
VSET
|
1.5
|
kVrms
|
|
ISET
|
1.2
|
kArms
|
|
Maximum resistance of the HTSC element (Rn)
|
5
|
ฮฉ
|
|
Critical current
|
1.25
|
kA
|
๊ทธ๋ฆผ 2. ํธ๋ฆฌ๊ฑฐํ ํ๋ฅ๊ธฐ ๊ตฌ์กฐ
Fig. 2. Configuration of trigger-type SFCL
2.3 OCR ๋ฐ UVR์ ๋์ ํน์ฑ
๋
ผ๋ฌธ์์ ๋ชจ๋ธ๋งํ OCR์ ๊ฒฝ์ฐ ๋ฐํ์ ํน์ฑ์ด๋ฉฐ UVR์ ์ญ ๋ฐํ์ ํน์ฑ์ผ๋ก ์ค์ ํ์๋ค. OCR ๋์์๊ฐ์ ์์์ ์(4), (5)์ ๋ํ๋์ผ๋ฉฐ, OCR์ ํ๋ผ๋ฏธํฐ๋ ํ 3์ ๋์ํ์๋ค. TD(Time Delay)๋ ๋ฐํ์ ํน์ฑ๊ฐ์ด๋ฉฐ ๊ฐ์ด ์ปค์ง์๋ก OCR์ ๋์์๊ฐ์ด ์ง์ฐ๋๋ค. M์ ๋์ ์ง์ ๊ฐ์ผ๋ก, ๊ณ์ธก ์ ๋ฅ IOCR์
ํฝ์
์ ๋ฅ Ipickup์ผ๋ก ๋๋ ๊ฐ์ด๋ฉฐ ํฝ์
์ ๋ฅ๋ ๋์ฒด๋ก ์ ์์ ๋ฅ์ 1.5๋ฐฐ์ ๊ฐ์ผ๋ก ์ ์ ํ๋ค. M ๊ฐ์ด 1 ๋ฏธ๋ง์ผ ๊ฒฝ์ฐ OCR์ ํธ๋ฆฝ ์ ํธ๋ฅผ
์ ๋ถํ์ง ์์ผ๋ฉฐ, ๊ณ ์ฅ ๋ฐ์ ํ M๊ฐ์ด 1 ์ด์์ผ๋ก ์ฆ๊ฐํ ๋ INTOCR์ ๊ฐ์ด ๋์ ๋๊ธฐ ์์ํ๋ค๊ฐ 1์ ๋๋ฌํ๋ฉด ํธ๋ฆฝ ์ ํธ๋ฅผ ๋ด๋ณด๋ธ๋ค.
ํ 3 OCR ๋์ ํ๋ผ๋ฏธํฐ
Table 3 Operational parameters of OCR
|
TD
|
A
|
B
|
P
|
|
0.05
|
39.85
|
1.084
|
1.95
|
UVR์ ๊ฒฝ์ฐ ํ 4์ ํ๋ผ๋ฏธํฐ๋ฅผ UVR์ ๋์์๊ฐ์ ์์์ ์ (7), (8)์ ๋์ํ๊ณ ์์ผ๋ฉฐ, M์ ๋์ ์ง์ ๊ฐ์ผ๋ก ๊ณ์ธก ์ ์ VUVR์ ํฝ์
์ ์ Vpickup์ผ๋ก ๋๋ ๊ฐ์ด๋ค. ํฝ์
์ ์์ ๋์ฒด๋ก ์ ์ ์ ์์ 0.8๋ฐฐ์
๊ฐ์ผ๋ก ์ ์ ํ๋ค. M ๊ฐ์ด 1 ์ด๊ณผ์ผ ๊ฒฝ์ฐ OCR์ ํธ๋ฆฝ ์ ํธ๋ฅผ ์ ๋ถํ์ง ์์ผ๋ฉฐ, ๊ณ ์ฅ ๋ฐ์ ํ M ๊ฐ์ด 1 ์ดํ๋ก ๊ฐ์ํ ๋ INTUVR์ ๊ฐ์ด
๋์ ๋๊ธฐ ์์ํ๋ค๊ฐ 1์ ๋๋ฌํ๋ฉด ํธ๋ฆฝ์ ํธ๋ฅผ ๋ด๋ณด๋ธ๋ค.
ํ 4 UVR ๋์ ํ๋ผ๋ฏธํฐ
Table 4 Operational parameters of UVR
3. SFCL์ CLR๊ฐ์ ๋ฐ๋ฅธ OCR๊ณผ UVR์ ๋ณดํธํ์กฐ ๋ถ์
3.1 SFCL์ ์ฉ์ด OCR ๋ฐ UVR์ ๋ณดํธํ์กฐ ์ํฅ
ํค๋ฅดํํธํ์ ์ ์ ๋ฒ์น(KVL)๊ณผ ์ํผ๋์ค ๋ถ๋ฐฐ ๋ฒ์น์ ๋ฐ๋ฅด๋ฉด, ์ ์ ์ํผ๋์ค, ๋ณ์๊ธฐ ์ํผ๋์ค, ๊ทธ๋ฆฌ๊ณ ์ ๋ก ์ํผ๋์ค๊ฐ ์ง๋ ฌ๋ก ์ฐ๊ฒฐ๋์ด ์๋ค๊ณ ๊ฐ์ ํ
์ ์๋ค. ๊ณ ์ฅ์ด ๋ฐ์ํ๋ฉด ๊ณ ์ฅ์ ์ผ๋ก ์ ๋ฅ๊ฐ ์ ์
๋๋ฉด์ ๋ชจ์ ์ ์ ์์ด ๊ฐ์ํ๋ฉฐ, ์ด๋ฌํ ์ ์๊ฐํ๋ ์ธ์ ํ ์ ๋ก์ ๋ถํ์ ์ ์ ์ ํ์์ ์ด๋ํ๊ฒ ๋๋ค.
์ด๋, ๋ชจ์ ์ ์๊ณผ ๊ณ ์ฅ์ ๋ก์ ์ ๋ฅ๋ ๊ฐ๊ฐ ์ (10), (11)๊ณผ๊ฐ์ด ํํํ ์ ์๋ค.
ํนํ, SFCL์ ์ ๋ก์ ์ถ๋ ฅ๋จ์ ์ค์นํ๋ฉด, ์ (10)์ ๋ฐ๋ผ ๋ชจ์ ์ ์์์ ๋ถ๋ชจ์ ๋ถ์์ ZSFCLํญ์ด ์ถ๊ฐ๋๋ฉฐ, ์ด๋ฅผ ํตํด ๋ชจ์ ์ ์ ์์ ์ (12)๋ก ์ฌ๊ตฌ์ฑํ ์ ์๋ค. ์ด๋ฌํ ๋ณํ๋ฅผ ํตํด ๊ณ ์ฅ ๋ฐ์์ ๋ชจ์ ์์์ ์ ์๊ฐํ๊ฐ ํจ๊ณผ์ ์ผ๋ก ์ํ๋ ์ ์์์ ํ์ธํ ์ ์๋ค.
๊ทธ๋ฆผ 3์ OCR ๋ฐ UVR ๋์ ํน์ฑ๊ณก์ ์ ๋์ํ์๋ค. ์ ์ฒจ์ โw/oโ๋ โwithoutโ์ ์ฝ์๋ก SFCL์ด ์ ์ฉ๋์ง ์์ ๊ณํต์์ OCR๊ณผ UVR์
๋์ ํน์ฑ์ ์๋ฏธํ๋ค. ๋ณธ ๋
ผ๋ฌธ์์๋ ๊ฑด์ ์ ๋ก์์๋ ํ์ ๊ธฐ ๋ถํ๊ฐ ๋ถ์กฑ ์ ์ ์ํฉ์ ์ต๋ํ ๊ฒช์ง ์๋ ๊ฒ์ ๋ชฉ์ ์ผ๋ก ํ๊ณ ์์ผ๋ฏ๋ก, ๊ฑด์ ์ ๋ก์ ๊ณ์ ๊ธฐ๋ฅผ
๋น ๋ฅด๊ฒ ๋์์ํค๊ธฐ ์ํด UVR์ TD๋ฅผ OCR์ TD๋ณด๋ค ์๊ฒ ์ค์ ํ์๋ค. ๊ทธ๋ฆผ 4์ ๊ฐ์ด SFCL์ด ์ฐ๊ณ๊ฐ ๋์์๋๋ ๋์ผํ ๋์ ํํ๋ฅผ ๋ณด์ฌ์ผ ํ๋ค. SFCL์ด ์๋ ์ค์ผ ๋ ZSFCL ๊ฐ์ด ์ฆ๊ฐํ๋ฉด, ๊ณ ์ฅ์ ์ผ๋ก ํ๋ฅด๋ ์ ๋ฅ๊ฐ
์ค์ด๋ ๋ค. ๋ํ SFCL์ด ๊ณ ์ฅ ์ ๋ฅ๋ฅผ ์ ํํ๋ฉฐ ๋ชจ์ ์ ์์ ๊ฐํ๋ฅผ ์ต์ ํ๋ฏ๋ก UVR์ ๋์์ด ์ง์ฐ๋๋ฉฐ ์ ํ๋ ๊ณ ์ฅ ์ ๋ฅ๊ฐ ์ฌ์ ํ OCR์ ์๊ณ๊ฐ์
์ฌ์ ํ ์ด๊ณผํ์ฌ OCR์ด ๋ ๋น ๋ฅด๊ฒ ๋์ํ๋ ๊ฒฝ์ฐ๊ฐ ๋ฐ์ํ๋ค. ์ด๋ฅผ ๋ฐฉ์งํ๊ธฐ ์ํด ์ ์ ํ CLR ๊ฐ์ ์ ์ ํ๋ ๊ฒ์ด ์ค์ํ๋ค.
๊ทธ๋ฆผ 3. OCR๊ณผ UVR ๋์ ํน์ฑ๊ณก์
Fig. 3. Operational characteristic curves of the OCR and UVR
3.2 SFCL์ CLR๊ฐ์ ๋ฐ๋ฅธ OCR ๋ฐ UVR ๋ณดํธํ์กฐ ์ํฅ
ํธ๋ฆฌ๊ฑฐํ SFCL ๋ด์์ CLR์ ์ด์ ๋ ์์ ํ์น ํ ์ ๋ฅ๊ฐ CLR๋ก ์ฐํํ๋ฉด์, ๊ณ ์ฅ์ ๋ฅ๋ก๋ถํฐ ์ด์ ๋ ์์์ ๋ถ๋ด์ ๋์ด๋๊ณผ ๋์์ ๊ณ ์ฅ์ ๋ฅ๋ฅผ
์ ํํ๋ ์ญํ ์ ์ํํ๋ค. CLR์ ํฌ๊ฒ ์ ํญ์ฑ ๊ทธ๋ฆฌ๊ณ ์ ๋์ฑ์ผ๋ก ๊ตฌ๋ถ๋๋ฉฐ, ๊ฐ๊ฐ์ ๋ฌผ๋ฆฌ์ ํน์ฑ๊ณผ ๋์ ๋ฐฉ์์ด ๋ค๋ฅด๋ค. ์ฆ, ์ (10)๊ณผ ์ (11)์ ZSFCL์ ํฌํจ๋์ด ์ ์๋๋ CLR์ ์ํผ๋์ค์ ๋ฐ๋ผ ํน์ฑ์ด ๋ฌ๋ผ์ง๋ค๊ณ ํ ์ ์๋ค. ์ ํญ์ฑ CLR์ด ํฌ์
๋ ๋ ๊ณ ์ฅ์ ๋ฅ์ ํฌ๊ธฐ๋ง์ ์ ํํ์ง๋ง,
์ ๋์ฑ CLR์ ๊ฒฝ์ฐ์๋ ๊ฐ์์ค๋ ์ ์
๋๋ ๊ณ ์ฅ์ ๋ฅ์ ํ๋ฆ์ ์ต์ ํ ์ ์๋ค. ๋ํ ์ ํญ์ฑ CLR๋ฅผ ์ ์ฉํ ๋ ์ ๋ ฅ์์ค์ด ์ผ์ด๋์ง๋ง, ์ ๋์ฑ CLR์
์ ๋ ฅ์์ค์ด ์ผ์ด๋์ง ์๋๋ค๋ ์ ์์๋ ์ฐจ์ด๊ฐ ์๋ค. ๋๋ถ์ด ๋ฐฐ์ ๊ณํต์ ์ ์ฉ๋๋ ์ ๋ก ์ํผ๋์ค๊ฐ R๋ณด๋ค L ๊ฐ์ด ํฌ๊ธฐ ๋๋ฌธ์, ์ ํญ์ฑ CLR๋ณด๋ค ์ ๋์ฑ
CLR์ ์ ์ฉํ์์ ๋ ๊ณ ์ฅ์ ๋ฅ์ ํฌ๊ธฐ๋ฅผ ๊ฐ์์ํฌ ๋ฟ๋ง ์๋๋ผ ์์๊น์ง ์ง์ฐ์ํค๋ฉด์ ์ ์ฒด์ ๋ก์์ ๋ ํฐ ์ ์๊ฐํ๋ฅผ ์ ๋ฐํ๋ค. ๋ฐ๋ผ์ ๊ฐ์ ์ํผ๋์ค๋ผ๊ณ
ํ๋ค๋ฉด, ์ ํญ์ฑ๋ณด๋ค ์ ๋์ฑ CLR์ ์ ์ฉํ์์ ๋ ๊ณ ์ฅ์ ๋ฅ๋ ๋ ์ ํ๋๋ฉด์, ๋ชจ์ ์ ์ ์๊ฐํ๊ฐ ๋ ๋ฐ์ํ๋ฏ๋ก ๊ทธ๋ฆผ 4์์ UVR์ ๋์์๊ฐ์ธ TUVR์ ๋ ์๋น๊ธฐ๊ณ OCR์ ๋์์๊ฐ์ธ TOCR์ ์ง์ฐ๋๋ค.
4. ๊ฒฐ๊ณผ ๋ฐ ๋ถ์
4์ฅ 1์ ๋ถํฐ 3์ ๊น์ง 3์ ์ง๋ฝ์ฌ๊ณ ๋ฅผ ๊ธฐ๋ฐ์ผ๋ก OCR๊ณผ UVR์ ๋ณดํธ ํ์กฐ๋ฅผ ๋ถ์ํ์์ผ๋ฉฐ, ํนํ CLR ์ ํ๊ณผ ์ํผ๋์ค ํฌ๊ธฐ๊ฐ ๋์ ํน์ฑ์ ๋ฏธ์น๋
์ํฅ์ ์ค์ ์ ์ผ๋ก ์ดํด๋ณด์๋ค. 4์ฅ 1์ ์ ๊ฒฝ์ฐ, ๋ชจ์ ๋ฐฐ์ ๊ณํต์ ๊ตฌ์ฑ์ ๋ํด ๋ํ๋ธ๋ค. 4์ฅ 2์ ์ ๊ฒฝ์ฐ, SFCL๋ด CLR์ ๋์ผํ ์ํผ๋์ค๊ฐ์
์ง๋ ์ ํญ์ฑ CLR๊ณผ ์ ๋์ฑ CLR๋ก ์ ์ฉํ ๊ฒฝ์ฐ๋ก ๋๋์ด ์งํํจ์ผ๋ก์จ, CLR์ ์ข
๋ฅ๊ฐ ๋ณดํธํ์กฐ ๋์์ ๋ผ์น๋ ์ํฅ์ ๋ถ์ํ๋ค. 3์ ์ ๊ฒฝ์ฐ ์ ํญ์ฑ
๋ฐ ์ ๋์ฑ CLR์ ํฌ๊ธฐ๋ฅผ ๋ณ๊ฒฝํ์ฌ ์งํํ๊ณ , 4์ฅ 4์ ์์๋ CLR์ ํฌ๊ธฐ๋ฅผ ๋งค์ฐ ์๊ฒ ์ค์ ํ์ฌ ์งํํจ์ผ๋ก์จ CLR์ ํฌ๊ธฐ๊ฐ OCR๊ณผ UVR์ ๋ณดํธํ์กฐ
๋์์ ๋ผ์น๋ ์ํฅ์ ๋ํด ์์๋ณธ๋ค.
4.1 ๋ชจ์ ๋ฐฐ์ ๊ณํต ๊ตฌ์ฑ
๋ณธ ๋
ผ๋ฌธ์ ์ ์ฉํ ๋ฐฐ์ ๊ณํต์ ๋จ์ ๋์ ๊ณํต ๊ตฌ์ฑ์์๋ฅผ ๊ทธ๋ฆผ 4๊ณผ ํ 5์, ๋น์ ์ ์ ๋ฐ ๋น์ ์ ์ ๋ณ์๊ธฐ์ ์ธ๋ถ ์ฌํญ์ ๋ํด ํ 6์ ๋์ํ์๋ค. ๊ณํต์ ์ฃผ์ ์๊ณผ ์ฃผ๋ณ์๊ธฐ(Main Transformer, MTR), ๊ทธ๋ฆฌ๊ณ ๋น์ ์ ์ ๋ฐ ๋น์ ์ ์์ฉ ๋ณ์๊ธฐ (Transformer
for Emergency Power Source)์ ๋ชจ์ ์์ ์ธ์ถ๋๋ ๋ ๊ฐ์ ๋ํ ์ ๋ก๋ก ๊ตฌ์ฑ๋๋ค. ๋ณธ ์ฐ๊ตฌ์์๋ ๊ณ์ ๊ธฐ์ ๋์์ ๋ถ์ํ๊ธฐ ์ํ์ฌ
์ข์ธก์ OCR์ด ์ฐ๊ณ๋ ๊ณ ์ฅ์ ๋ก์ ์ฐ์ธก์ UVR์ด ์ฐ๊ณ๋ ๊ฑด์ ์ ๋ก๋ฅผ ๊ตฌ์ฑํ์๋ค.
๊ณ ์ฅ์ 3์ ์ง๋ฝ ๊ณ ์ฅ(Triple Line-to-Ground Fault, TLGF)์ผ๋ก ์ค์ ํ๊ณ SW Fault๋ฅผ 12์ด ์์ ์์ ๋ซ์์ผ๋ก์จ ์๊ตฌ๊ณ ์ฅ์
๋ฐ์์ํฌ ์ ์๋๋ก ๊ตฌ์ฑํ์๋ค. SFCL์ ์ ๋ก์ ์ธ์ถ ๋จ์ ์ ์ฉ๋์์ ๋ ๋ชจ์ ์ ์ ์๊ฐํ์ ์ํฅ์ ๋ฏธ์น๋ฉฐ, ๋ณธ ๋
ผ๋ฌธ์์๋ SFCL์ CLR์ด ๋ชจ์ ์
์ ์์ ์ด์ฉํ์ฌ ์๋ํ๋ ์ ์ ๊ณ์ ๊ธฐ์ ๋ฏธ์น๋ ์ํฅ์ ๋ถ์ํ๊ณ ์ SFCL์ ๊ณ ์ฅ์ ๋ก์ ์ธ์ถ ๋จ์ ์ ์ฉํ์๋ค. ๋ํ ๊ฑด์ ์ ๋ก์ ์๋ ์ ๋์ ๋๊ธฐ ๋ถํ๋ฅผ
์ ์๊ฐํ๋ก๋ถํฐ ๋ณดํธํ๊ธฐ ์ํ์ฌ ๊ฑด์ ์ ๋ก์ ์ธ์ถ ๋จ์ UVR์ ์ ์ฉํ์๋ค. ๊ฑด์ ์ ๋ก์ ๊ณ ์ฅ์ ๋ก ๋ชจ๋ ๊ธธ์ด๋ 6km๋ก ์ค์ ํ์์ผ๋ฉฐ, ๋ ์ ๋ก ๋ชจ๋ 0.0015+j0.01
[MVA]์ ๋ถํ๋ฅผ 3km ๊ฐ๊ฒฉ์ผ๋ก ์ ๋ก ์ค๊ฐ ๋จ๊ณผ ๋ง๋จ์ ๋ฐฐ์นํ์๋ค. ๋ํ ๊ฑด์ ์ ๋ก์๋ ๋ณธ ๋
ผ๋ฌธ์์ ์ฃผ ๋ณดํธ ๋์์ผ๋ก ๊ฐ์ฃผํ๋ ์ ๋์ ๋๊ธฐ๋ฅผ ๋ถํ๊ฐ
์ค์น๋ ์ง์ ๊ณผ ๋์ผํ๊ฒ 3km, 6km ์ง์ ์ ์ถ๊ฐํ์๋ค.
๊ทธ๋ฆผ 4. ๋ฐฐ์ ๊ณํต ๋จ์ ๋
Fig. 4. Single line diagram of power distribution system
ํ 5 ๋ฐฐ์ ๊ณํต ๊ตฌ์ฑ์์ ์ธ๋ถ์ฌํญ
Table 5 Specifications of power distribution system
|
|
|
Value
|
Unit
|
|
Main
Transformer (MTR)
|
Capacity
|
10
|
MVA
|
|
Winding method
|
Wye-Delta
|
-
|
|
Voltage ratio of primary and
secondary windings
|
22.9 : 6.6
|
kV
|
|
Line
Impedance
|
Z11, Z12, Z13, Z14
|
1.86+j4.42
|
%ฮฉ/km
|
|
Load
|
Load11, Load12,
Load21, Load22
|
0.0015+j0.01
|
MVA
|
ํ 6 ๋น์์ ์์ฉ ๋ณ์๊ธฐ ์ธ๋ถ์ฌํญ
Table 6 Specifications of transformer for emergency power source
|
|
|
Value
|
Unit
|
|
Transformer for emergency power source (TREPS)
|
Capacity
|
4.08
|
MVA
|
|
Winding method
|
Wye-Delta
|
-
|
|
Voltage ratio of
primary and
secondary Windings
|
22.9 : 6.6
|
kV
|
4.2 CLR์ ์ํผ๋์ค ํฌ๊ธฐ๊ฐ 0.3์ธ ๊ฒฝ์ฐ ๋ณดํธํ์กฐ ํน์ฑ๋ถ์
OCR์ ํฝ์
์ ๋ฅ์ ๊ฒฝ์ฐ ํ์์ CB1์ ๋ฅ์ RMS ๊ฐ์ธ ์ฝ 0.81 [kA]์ 1.5๋ฐฐ๋ฅผ ๊ณฑํ์ฌ 1.21 [kA]๋ก ์ ์ ํ์๋ค. UVR์ ํฝ์
์ ์์ ๊ฒฝ์ฐ SFCL์ด ์ ์ฉ๋์ง ์์ ๊ณํต์์ ํ์์ ๋ชจ์ ์ ์์ RMS ๊ฐ์ธ 2.21 [kV]์ 90%๋ฅผ ์ ์ฉํ์ฌ 1.98 [kV]๋ก ์ค์ ํ์๋ค.
์ด ์ ์์ ๋ ๊ฐ์ง ์ฌ๋ก์ ๋ํด SFCL ๋ฏธ์ ์ฉ์์ ๋น๊ตํ์ฌ OCR๊ณผ UVR์ ๋ฏธ์น๋ ์ํฅ์ ๋ถ์ํ๋ค.
๊ฐ ์ผ์ด์ค์ ๊ดํ ๊ฒฐ๊ณผ๋ฅผ ์ดํด๋ณด๊ธฐ ์ ํ๋ฅ๊ธฐ๋ฅผ ์ ์ฉํ์ง ์์์ ๊ฒฝ์ฐ์ธ ๊ทธ๋ฆผ 5์ ์๋ซ์ฒจ์ without์ ํํ์ ๋ํด ์ดํด๋ณด๋ฉด, ๋ชจ์ ์ ์์ด 2.21 [kV]์์ 12 [s] ์์ ์ ๋ฐ์ํ๋ ๊ณ ์ฅ์ ์ํด UVR ํฝ์๊ฐ ์ดํ์ธ
1.37 [kV]๊น์ง ๊ฐ์ํจ์ ๋ฐ๋ผ UVR์ด ๊ณ ์ฅ๋ฐ์ 430 [ms]์ดํ ๋์ํ์๋ค. ๋ํ ํ์์ CB1์ ๋ฅ๊ฐ ์ฝ 0.81 [kA]์ด๋ค๊ฐ ๊ณ ์ฅ ๋ฐ์
ํ OCR ํฝ์
์ ๋ฅ๊ฐ ์ด์์ธ 2.08 [kA]๊น์ง ์ฆ๊ฐํ์ฌ ๊ณ ์ฅ๋ฐ์ 520 [ms] ์ดํ ๋์ํ์๋ค.
โข Case A : ์ํผ๋์ค์ ํฌ๊ธฐ๊ฐ 0.3์ธ ์ ๋์ฑ CLR๋ก๋ง ๊ตฌ์ฑ๋ SFCL์ ์ ์ฉํ ๊ฒฝ์ฐ
โข Case B : ์ํผ๋์ค์ ํฌ๊ธฐ๊ฐ 0.3์ธ ์ ํญ์ฑ CLR๋ก๋ง ๊ตฌ์ฑ๋ SFCL์ ์ ์ฉํ ๊ฒฝ์ฐ
๊ทธ๋ฆผ 5. ์ํผ๋์ค์ ํฌ๊ธฐ๊ฐ 0.3์ธ ์ ๋์ฑ CLR๋ก ๊ตฌ์ฑ๋ SFCL์ ์ ์ฉํ case A์ ํํ (a) SFCL์ ์ฉ์์ ๋ฏธ์ ์ฉ์ UVR์ธก ์ ์,
M๊ณผ INT๊ฐ (b) SFCL์ ์ฉ์์ ๋ฏธ์ ์ฉ์ OCR์ธก ์ ๋ฅ, M๊ณผ INT๊ฐ (c) SFCL๋ด ์ด์ ๋์์์ CLR์ ํ๋ฅด๋ ์ ๋ฅ
Fig. 5. Waveforms of case A where inductive CLR with impedance of 0.3 is applied to
power distribution system (a) voltage, M, and INT values of UVR with and without SFCL
application (b) current, M, and INT values of OCR with and without SFCL application
(c) currents of superconducting element and CLR In SFCL
๊ทธ๋ฆผ 5(a)์ ๋ณด๋ ๋ด์๊ฐ์ด ํ์์ ๋ชจ์ ์ ์์ด ์ฝ 2.21 [kV]์์ 12 [s] ์์ ์ ๋ฐ์ํ๋ ๊ณ ์ฅ์ ์ํด ์ ์๊ฐํ๊ฐ ๋ฐ์ํ์ฌ 1.56 [kV]๊น์ง ๊ฐ์ํจ์
๋ฐ๋ผ UVR์ ํฝ์
์ ์ ์๋๋ก ๋จ์ด์ก๋ค. ์ด์ ๋ฐ๋ผ ๊ณ ์ฅ ๋ฐ์ 600 [ms] ํ UVR์ด ๋์ ํ์ฌ ๊ณ ์ฅ ๊ตฌ๊ฐ๊ณผ ๋ถ๋ฆฌํ์ฌ ๋น์ ์ ์์ผ๋ก๋ถํฐ ์ ์
์ ์์ ๊ณต๊ธ๋ฐ์๋ค. ์ด๋ SFCL ๋ฏธ์ ์ฉ์์ ๋์์๊ฐ์ธ 430 [ms]๋ณด๋ค 170 [ms] ์ง์ฐ๋์๋ค. ๊ทธ๋ฆผ 5(b)๋ฅผ ๋ณด๋ฉด ํ์์ CB1์ ๋ฅ๊ฐ ์ฝ 0.81 [kA]์์ ๊ณ ์ฅ ๋ฐ์ ํ 1.71 [kA]๊น์ง ์ฆ๊ฐํจ์ ๋ฐ๋ผ OCR ํฝ์
์ ๋ฅ ์ด์์ผ๋ก ์ฆ๊ฐํ์ฌ 780
[ms] ํ OCR์ด ๋์ ํ ๊ณ ์ฅ ๊ตฌ๊ฐ์ผ๋ก๋ถํฐ ๋ณดํธ ๋์์ธ ํ์ ๊ธฐ ๋ถํ๋ฅผ ๋ถ๋ฆฌํ์๋ค. ์ด๋ SFCL ๋ฏธ์ ์ฉ ์์ ๋์์๊ฐ์ธ 520 [ms]๋ณด๋ค 260
[ms] ์ง์ฐ๋์๋ค. ๋ํ ๊ทธ๋ฆผ 5(c)๋ฅผ ํตํด, SFCL์ ์ด์ ๋์์๊ฐ ๊ณ ์ฅ ๋ฐ์ 3 [ms] ์ดํ ํ๋ก๋ก๋ถํฐ ๋ถ๋ฆฌ๋๋ฉด์ CLR๋ก๋ง ์ ๋ฅ๊ฐ ํ๋ฅด๋ฉด์ ํ๋ฅ ํจ๊ณผ๊ฐ ๋ฐ์ํ๊ณ ์์์ ์ ์
์๋ค.
case B์ ๊ฒฐ๊ณผ๋ฅผ ๋ํ๋ด๋ ๊ทธ๋ฆผ 6(a)์ ๋ณด๋ ๋ด์๊ฐ์ด ํ์์ ๋ชจ์ ์ ์์ด ์ฝ 2.21 [kV]์์ ๊ณ ์ฅ ๋ฐ์ ์ ์ ์๊ฐํ๊ฐ ๋ฐ์ํ์ฌ 1.56 [kV]๊น์ง ๊ฐ์ํจ์ ๋ฐ๋ผ UVR์ ํฝ์
์ ์ ์๋๋ก ๋จ์ด์ง๋ค. ์ด์ ๋ฐ๋ผ ๊ณ ์ฅ ๋ฐ์ 600 [ms] ํ UVR์ด ๋์ํ๋ฉฐ ์ด๋ ๊ณ ์ฅ ๊ตฌ๊ฐ๊ณผ ๋ถ๋ฆฌํ์ฌ ๋น์ ์ ์์ผ๋ก๋ถํฐ ์ ์ ์ ์์ ๊ณต๊ธ๋ฐ์๋ค.
์ด๋ SFCL ๋ฏธ์ ์ฉ ์์ ๋์์๊ฐ๋ณด๋ค 170 [ms] ์ง์ฐ๋์๋ค. ๊ทธ๋ฆผ 6(b)๋ฅผ ๋ณด๋ฉด ํ์์ CB1 ์ ๋ฅ๊ฐ ์ฝ 0.81 [kA]์์ ๊ณ ์ฅ ๋ฐ์ ์ 1.93[kA] ๊น์ง ์ฆ๊ฐํจ์ ๋ฐ๋ผ OCR ํฝ์
์ ๋ฅ ์ด์์ผ๋ก ์ฆ๊ฐํ์ฌ 650
[ms] ํ OCR์ด ๋์ํ์ฌ ๊ณ ์ฅ ๊ตฌ๊ฐ์ผ๋ก๋ถํฐ ๋ณดํธ๋์์ธ ํ์ ๊ธฐ ๋ถํ๋ฅผ ๋ถ๋ฆฌํ์๋ค. ์ด๋ SFCL ๋ฏธ์ ์ฉ ์์ ๋์์๊ฐ๋ณด๋ค 130 [ms] ์ง์ฐ๋์๋ค.
case A์ B๋ฅผ ๋น๊ตํ์์ ๋, ๊ฐ์ 0.3 [$ohm$]์ ์ํผ๋์ค๋ฅผ ๊ฐ์ง๋ CLR์ ๊ฒฝ์ฐ UVR์ ๋์์๊ฐ์ ์ ์ฌํ์ง๋ง, OCR ๋์์๊ฐ์
๊ฒฝ์ฐ ์ ๋์ฑ CLR์ ์ ์ฉํ์์ ๋ ํ๋ฅํจ๊ณผ๊ฐ ๋ ํฌ๊ฒ ๋ํ๋ ๋์์๊ฐ์ด ๋์ฑ ์ง์ฐ๋จ์ ์ ์ ์๋ค.
๊ทธ๋ฆผ 6. ์ํผ๋์ค์ ํฌ๊ธฐ๊ฐ 0.3์ธ ์ ํญ์ฑ CLR๋ก ๊ตฌ์ฑ๋ SFCL์ ์ ์ฉํ case B์ ํํ (a) SFCL์ ์ฉ์์ ๋ฏธ์ ์ฉ์ UVR์ธก ์ ์,
M๊ณผ INT๊ฐ (b) SFCL์ ์ฉ์์ ๋ฏธ์ ์ฉ์ OCR์ธก ์ ๋ฅ, M๊ณผ INT๊ฐ (c) SFCL๋ด ์ด์ ๋์์์ CLR์ ํ๋ฅด๋ ์ ๋ฅ
Fig. 6. Waveforms in case B where resistive CLR with impedance of 0.3 is applied to
power distribution system (a) voltage, M, and INT values of UVR with and without SFCL
application (b) current, M, and INT values of OCR with and without SFCL application
(c) currents of superconducting element and CLR in SFCL
4.3 CLR์ ์ํผ๋์ค ํฌ๊ธฐ๊ฐ 0.6์ธ ๊ฒฝ์ฐ ๋ณดํธํ์กฐ ํน์ฑ๋ถ์
4.2์ ์์๋ ์์ ๋ถ์ํ case A์ case B์ ๋ํ์ฌ ๊ฐ๊ฐ CLR์ ํฌ๊ธฐ๋ฅผ 0.6 [$ohm$]์ผ๋ก ์ฆ๊ฐ์์ผ case C์ case D๋ฅผ
์งํํจ์ผ๋ก์จ, ์ ๋์ฑ CLR๊ณผ ์ ํญ์ฑ CLR ๊ฐ๊ฐ์ ๋ํ์ฌ CLR์ ํฌ๊ธฐ์ ๋ณดํธํ์กฐ ํน์ฑ์ ๋ถ์ํ๋ค.
โข Case C : ์ํผ๋์ค์ ํฌ๊ธฐ๊ฐ 0.6์ธ ์ ๋์ฑ CLR๋ก๋ง ๊ตฌ์ฑ๋ SFCL์ ์ ์ฉํ ๊ฒฝ์ฐ
โข Case D : ์ํผ๋์ค์ ํฌ๊ธฐ๊ฐ 0.6์ธ ์ ํญ์ฑ CLR๋ก๋ง ๊ตฌ์ฑ๋ SFCL์ ์ ์ฉํ ๊ฒฝ์ฐ
๊ทธ๋ฆผ 7(a)์ ๋ณด๋ ๋ด์๊ฐ์ด ํ์์ ๋ชจ์ ์ ์์ด ์ฝ 2.21 [kV] ์์ ๊ณ ์ฅ ๋ฐ์์ ์ ์๊ฐํ๊ฐ ๋ฐ์ํ์ฌ 1.74 [kV]๊น์ง ๊ฐ์ํจ์ ๋ฐ๋ผ UVR์ ํฝ์
์ ์ ์๋๋ก ๋จ์ด์ก๋ค. ์ด์ ๋ฐ๋ผ ๊ณ ์ฅ ๋ฐ์ 980 [ms] ํ์ UVR์ด ๋์ ํ ๊ณ ์ฅ ๊ตฌ๊ฐ๊ณผ ๋ถ๋ฆฌํ์ฌ ๋น์ ์ ์์ผ๋ก๋ถํฐ ์ ์ ์ ์์ ๊ณต๊ธ๋ฐ์๋ค.
์ด๋ case A์์ 600 [ms]์๋ UVR์ ๋์์๊ฐ๋ณด๋ค 380 [ms] ์ง์ฐ๋์๋ค. ๋ํ ๊ทธ๋ฆผ 7(b)๋ฅผ ๋ณด๋ฉด ํ์์ CB1 ์ ๋ฅ๊ฐ ์ฝ 0.81 [kA]์ด๋ค๊ฐ ๊ณ ์ฅ ๋ฐ์ ์ 1.44 [kA]๊น์ง ์ฆ๊ฐํจ์ ๋ฐ๋ผ OCR ํฝ์
์ ๋ฅ ์ด์์ผ๋ก ์ฆ๊ฐํ์ฌ 1280
[ms] ํ์ OCR์ด ๋์ ํ ๊ณ ์ฅ๊ตฌ๊ฐ์ผ๋ก๋ถํฐ ๋ณดํธ ๋์์ธ ํ์ ๊ธฐ ๋ถํ๋ฅผ ๋ถ๋ฆฌํ์๋ค. ์ด๋ case A์์ 780 [ms]์๋ OCR์ ๋์์๊ฐ๋ณด๋ค
500 [ms] ์ง์ฐ๋์์์ ์ ์ ์๋ค.
๊ทธ๋ฆผ 7. ์ํผ๋์ค์ ํฌ๊ธฐ๊ฐ 0.6์ธ ์ ๋์ฑ CLR๋ก ๊ตฌ์ฑ๋ SFCL์ ์ ์ฉํ case C์ ํํ (a) SFCL์ ์ฉ์์ ๋ฏธ์ ์ฉ์ UVR์ธก ์ ์,
M๊ณผ INT๊ฐ (b) SFCL์ ์ฉ์์ ๋ฏธ์ ์ฉ์ OCR์ธก ์ ๋ฅ, M๊ณผ INT๊ฐ (c) SFCL๋ด ์ด์ ๋์์์ CLR์ ํ๋ฅด๋ ์ ๋ฅ
Fig. 7. Waveforms in case C where inductive CLR with impedance of 0.6 is applied to
power distribution system (a) voltage, M, and INT values of UVR with and without SFCL
application (b) current, M, and INT values of OCR with and without SFCL application
(c) currents of superconducting element and CLR in SFCL
๊ทธ๋ฆผ 8์ ๋ํ๋ธ case D์ ๊ฒฝ์ฐ, ํ์์ ๋ชจ์ ์ ์์ด ์ฝ 2.21 [kV]์์ ๊ณ ์ฅ ๋ฐ์์ ์ ์์ด 1.82 [kV]๊น์ง, ๊ฐ์ํ์๋ค. ๋ํ ๊ทธ๋ฆผ 8(b)์ ๋ณด๋ ๋ด์๊ฐ์ด ํ์์ ๊ณ ์ฅ์ ๋ฅ๊ฐ ์ฝ 0.81[kA]์ด๋ค๊ฐ ๊ณ ์ฅ ๋ฐ์์ 1.75[kA]๊น์ง ์ฆ๊ฐํจ์ ๋ฐ๋ผ ๊ณ ์ฅ ๋ฐ์ 860 [ms] ํ์ OCR์ด
๋์ํ์๋ค. ์ด๋ SFCL ๋ฏธ์ ์ฉ์์ ๋์์๊ฐ๋ณด๋ค 330 [ms] ์ง์ฐ๋๋ค. ์ด์ ๋ฐ๋ผ INTUVR์ด ๋์ ๋๋ค๊ฐ 1์ ๋๋ฌํ๊ธฐ ์ , OCR์ด ๊ณ ์ฅ
๋ฐ์ 860 [ms] ํ์ ๋์ํ์ฌ ๊ณ ์ฅ์ด ์ ๊ฑฐ๋จ์ผ๋ก์จ ๋์ ์ด ์ค๋จ๋์ด UVR์ด ๋์ํ์ง ๋ชปํ์๋ค.
๊ทธ๋ฆผ 8. ์ํผ๋์ค์ ํฌ๊ธฐ๊ฐ 0.6์ธ ์ ํญ์ฑ CLR๋ก ๊ตฌ์ฑ๋ SFCL์ ์ ์ฉํ case D์ ํํ (a) SFCL์ ์ฉ์์ ๋ฏธ์ ์ฉ์ UVR์ธก ์ ์,
M๊ณผ INT๊ฐ (b) SFCL์ ์ฉ์์ ๋ฏธ์ ์ฉ์ OCR์ธก ์ ๋ฅ, M๊ณผ INT๊ฐ (c) SFCL๋ด ์ด์ ๋์์์ CLR์ ํ๋ฅด๋ ์ ๋ฅ
Fig. 8. Waveforms in case D where resistive CLR with impedance of 0.6 is applied to
power distribution system (a) voltage, M, and INT values of UVR with and without SFCL
application (b) current, M, and INT values of OCR with and without SFCL application
(c) currents of superconducting element and CLR in SFCL
์ฆ, case B์์ ๊ณ ์ฅ ๋ฐ์ 600 [ms] ํ ๋์ํ์๋ UVR๊ณผ ๋ฌ๋ฆฌ, case D์์์ ๊ฐ์ด ์ ํญ์ฑ CLR์ ํฌ๊ธฐ๋ฅผ ์ ํฉํ์ง ์๊ฒ ํค์ธ ๋
OCR์ ๋์์ด ์ง์ฐ๋๋ฉด์ ๊ฑด์ ์ ๋ก๊ฐ ๋ถ์กฑ์ ์ ์ํฉ์ ๊ธธ๊ฒ ๋
ธ์ถ๋ ์ ์์์ ์๋ฏธํ๋ค. ๋ํ UVR์ด ๋์ํ์ง ์์ ๋น์ ์ ์์ด ์ฐ๊ฒฐ๋์ง ์๋๋ค๋ฉด,
์ ๋์ ๋๊ธฐ ์ฝ์ผ์๋ ๋ถ์์ ํ ์ ์์ด ์ธ๊ฐ๋ ์ ์์ผ๋ฉฐ ์ด๋ ์ฝ์ผ์ ๊ณผ์ด ๋ฐ ์ ์ฐ ์์์ ์ ๋ฐํ ๊ฐ๋ฅ์ฑ์ด ์๋ค. ์ด๋ฅผ ํตํด case A์ C, case
B์ D์ ๋น๊ต๋ฅผ ๋ฐํ์ผ๋ก ๊ฐ์ ์ํผ๋์ค๋ฅผ ์ง๋๋๋ผ๋ ์ ๋์ฑ CLR์ด ํ๋ฅํจ๊ณผ๋ ๋ ํฌ๋ ์ ์๊ฐํ ๋ณด์ํจ๊ณผ๋ ์ ํญ์ฑ CLR๋ณด๋ค ์์ ๊ฒ์ ํ์ธํ ์
์์ผ๋ฉฐ ์ ์ ํ CLR ๊ฐ ์ ์ ์ผ๋ก ์ค๋์์ ๋ฐฉ์งํด์ผ ํ๋ค.
4.4 CLR์ ์ํผ๋์ค ํฌ๊ธฐ๊ฐ ๋งค์ฐ ์์ ๊ฒฝ์ฐ ๋ณดํธํ์กฐ ํน์ฑ๋ถ์
๊ทธ๋ฆผ 9(a)์ ๋ณด๋ ๋ด์๊ฐ์ด ํ์์ ๋ชจ์ ์ ์์ด ์ฝ 2.21 [kV]์์ 12 [s] ์์ ์ ๋ฐ์ํ๋ ๊ณ ์ฅ์ ์ํด ์ ์๊ฐํ๊ฐ ๋ฐ์ํ์ฌ UVR ํฝ์๊ฐ ์ดํ์ธ 1.32
[kV]๊น์ง ๊ฐ์ํ์๋ค. ์ด์ ๋ฐ๋ผ ๊ณ ์ฅ ๋ฐ์ 417 [ms] ํ UVR์ด ๋์ํ์๋ค. ์ด๋ SFCL ๋ฏธ์ ์ฉ ์์ ๋์์๊ฐ์ธ 430 [ms]์ ์ ์ฌํ๋ค.
๊ทธ๋ฆผ 9(b)๋ฅผ ๋ณด๋ฉด ํ์์ CB1์ ๋ฅ๊ฐ ์ฝ 0.81 [kA]์ด๋ค๊ฐ ๊ณ ์ฅ ๋ฐ์ ํ OCR ํฝ์
์ ๋ฅซ๊ฐ ์ด์์ธ 2.18 [kA]๊น์ง ์ฆ๊ฐํ์ฌ 523 [ms] ํ
OCR์ด ๋์ํ์ฌ ๊ณ ์ฅ ๊ตฌ๊ฐ์ผ๋ก๋ถํฐ ๋ณดํธ ๋์์ธ ํ์ ๊ธฐ ๋ถํ๋ฅผ ๋ถ๋ฆฌํ์๋ค. ์ด๋ SFCL ๋ฏธ์ ์ฉ์์ ๋์์๊ฐ์ธ 520 [ms]์ ์ ์ฌํ๋ค. ์ด์ฒ๋ผ
ํ๋ฅ๊ธฐ์ CLR ๊ฐ์ด ๋๋ฌด ๋ฎ์ ์ ์ ํ์ง ๋ชปํ ๊ฒฝ์ฐ ์ ์๊ฐํ ๋ฐ ๊ณ ์ฅ์ ๋ฅ ์ ํํจ๊ณผ๋ฅผ ๋ณผ ์ ์๋ ์ฌ๋ก๊ฐ ๋ฐ์ํ ์ ์๋ค.
๊ทธ๋ฆผ 9. ์ํผ๋์ค์ ํฌ๊ธฐ๊ฐ ๋งค์ฐ์์ CLR๋ก ๊ตฌ์ฑ๋ SFCL SFCL์ ์ ์ฉํ ํํ (a) SFCL์ ์ฉ์์ ๋ฏธ์ ์ฉ์ UVR์ธก ์ ์, M๊ณผ INT๊ฐ
(b) SFCL์ ์ฉ์์ ๋ฏธ์ ์ฉ์ OCR์ธก ์ ๋ฅ, M๊ณผ INT๊ฐ (c) SFCL๋ด ์ด์ ๋์์์ CLR์ ํ๋ฅด๋ ์ ๋ฅ
Fig. 9. Waveforms where resistive CLR with a very small impedance is applied to power
distribution system (a) voltage, M, and INT values of UVR with and without SFCL application
(b) current, M, and INT values of OCR with and without SFCL application (c) currents
of superconducting element and CLR in SFCL
๊ทธ๋ฆผ 5๋ถํฐ ๊ทธ๋ฆผ 9๊น์ง์ ๊ฒฐ๊ณผ๋ฅผ ํ ๋๋ก, ํธ๋ฆฌ๊ฑฐํ ํ๋ฅ๊ธฐ์ ํธ๋ฆฌ๊ฑฐํ ํ๋ฅ๊ธฐ์ CLR๊ฐ์ด ๋๋ฌด ์์ผ๋ฉด ๋จ๋ฝ ์ ๋ฅ ์ ํ ํจ๊ณผ๊ฐ ๋ถ์กฑํ๊ณ , ๋๋ฌด ํฌ๋ฉด ๊ณ ์ฅ์ ์ ์๊ฐํ๊ฐ ํฌ๊ฒ
๋ฐ์ํ๋ฏ๋ก ํ๋ฅ๊ธฐ ๋ท๋จ์ ์ฐ๊ฒฐ๋ ๊ณํต์ ์ฑ๋ฅ์ด ์ ํ๋ ์ ์์์ ํ์ธํ์๋ค.
๋ง์ง๋ง์ผ๋ก ํ 7์ OCR ๋ฐ UVR์ ๋์์๊ฐ๊ณผ ํ์กฐ ์๊ฐ์ ๋ํ๋ด๋ฉฐ ์ ๋์ฑ CLR๋ก ๊ตฌ์ฑ๋ SFCL์ ์ ์ฉํ๋ฉด ํ์กฐ ์๊ฐ์ด CLR์ ํฌ๊ธฐ๊ฐ ์ปค์ง์๋ก ์ฆ๊ฐํ๊ณ ์ ํญ์ฑ
CLR๋ก ๊ตฌ์ฑ๋ SFCL์ ์ ์ฉํ๋ฉด ํ์กฐ ์๊ฐ์ด ๊ฐ์ํ๋. ์ผ์ ๊ฐ ์ด์ ์ฆ๊ฐํ๋ฉด UVR์ด ๋์ํ์ง ์๋ ์ค๋์์ด ๋ฐ์ํ๋ค.
ํ 7 OCR ๋ฐ UVR์ ๋์์๊ฐ๊ณผ ํ์กฐ์๊ฐ ์ฐจ
Table 7 Operating time and protection coordination interval between OCR and UVR
|
|
UVR [ms]
|
OCR [ms]
|
CTI
|
|
case w/o
|
430
|
520
|
90
|
|
case A
|
600
|
780
|
180
|
|
case B
|
600
|
650
|
50
|
|
case C
|
980
|
1280
|
300
|
|
case D
|
X
|
860
|
-
|
5. ๊ฒฐ ๋ก
๋ณธ ์ฐ๊ตฌ์์๋ SFCL์ ์ ์ฉํ ๋ฐฐ์ ๊ณํต์์ OCR๊ณผ UVR ๊ฐ์ ๋ณดํธ ํ์กฐ ํน์ฑ์ ๋ถ์ํ๊ณ , SFCL๋ด CLR์ ์ข
๋ฅ๋ ํฌ๊ธฐ๊ฐ ๊ณ์ ๊ธฐ์ ๋์์
๋ฏธ์น๋ ์ํฅ์ ๋ถ์ํ๊ณ ์ ํ์๋ค. ์ด๋ฅผ ์ํด ๋ค์ํ ํฌ๊ธฐ์ ์ ๋์ฑ, ์ ํญ์ฑ CLR์ ๋ฐ๋ฅธ ์ฌ๋ฌ ์ฌ๋ก๋ฅผ PSCAD/EMTDC๋ฅผ ํตํด ๋น๊ตํ์๋ค.
๋ถ์ ๊ฒฐ๊ณผ, ์ ๋์ฑ CLR์ ๊ณผ๋ ์ํ์์ ์ ๋ฅ ์์น์ ํจ๊ณผ์ ์ผ๋ก ์ต์ ํ๋ ๋ฐ ์ ๋ฆฌํ๋ฉฐ, ์ ํญ์ฑ CLR์ ์์ ์ ์ธ ์ ์ ๋ณด์์ ์ ๊ณตํ๋ ์ฅ์ ์ด ์์์
ํ์ธํ์๋ค. ๋ํ CLR๊ฐ์ ์ ์ ํ๊ฒ ์ ์ ํ ๊ฒฝ์ฐ ๊ณ์ ๊ธฐ ๊ฐ์ ๋ณดํธ ํ์กฐ๋ฅผ ๊ฐ์ ํ๊ณ , ์๋น๋จ์ด ํ์๋ก ํ๋ ์ ๋ ฅ์์๋ฅผ ๊ณต๊ธํ ์ ์์ผ๋ฏ๋ก ๋ฐฐ์ ๊ณํต์
์ ๋ขฐ์ฑ์ ํฅ์ ํ ์ ์์์ ์ ์ํ์๋ค. ๊ทธ๋ฌ๋ CLR์ ๊ฐ์ ์ ์ ํ๊ฒ ์ ์ ํ์ง ์์ ๋ SFCL์ ์ค์นํ์์์๋ ํ๋ฅํจ๊ณผ๋ฅผ ๋ณด์ง ๋ชปํ๊ฑฐ๋, UVR์
์ค๋ถ๋์ ์ ๋ฐํ ์ ์์์ ๊ฒ์ฆํ์๋ค.
๋ฐ๋ผ์ ๋ณธ ๋
ผ๋ฌธ์ ๊ฒฐ๊ณผ๋, SFCL์ ์ ๋ ฅ๊ณํต์ ์ค์นํ ๊ฒฝ์ฐ ์ ์ ํ ํ๋ฅํจ๊ณผ๋ฅผ ๋ณด๋ฉด์๋ UVR์ ์ค๋ถ๋์์ ์ ๋ฐํ์ง ์๊ธฐ ์ํด์ SFCL์ CLR๊ฐ์
์ด๋ป๊ฒ ์ ์ ํ์ฌ์ผ ํ๋์ง์ ๋ํ ๊ธฐ์ค์ผ๋ก ํ์ฉ๋ ์ ์์ ๊ฒ์ผ๋ก ๊ธฐ๋๋๋ค. ์ถํ, ๋ณธ ๋
ผ๋ฌธ์ ์ ์ฉํ ๊ณํต ์ด์ธ์๋ ๋ง๋จ์ ๋ถ์ฐ์ ์์ด ์ฐ๊ณ๋ ๊ณํต ํน์
๋ค์ํ ๋ถํ๊ฐ ์ฐ๊ณ๋ ๊ณํต์์์ CLR๊ฐ ์ ์ ์ ๊ดํ ์ฐ๊ตฌ๋ฅผ ์งํํ ์์ ์ด๋ค.
Acknowledgements
This work was supported by Korea Institute for Advancement of Technology (KIAT) grant
funded by Korea Government (MOTIE) (P0017033, The Competency Development Program
for Industry Specialist)
References
Jong-Gyeum KIM and Dong-Ju LEE, โResearch on Power Factor Compensation and Self-excitation
Phenomenon of Induction Motors,โ Journal of Electrical Engineering & Technology, pp.
1-8, 2024. DOI:10.1007/s42835-024-02099-w

Shaikh, Shoaib, et al., โProtection system design of induction motor for industries,โ
Modelling and Simulation in Engineering, pp. 1~13, 2022. DOI:10.1155/2022/7423018

Colak, et al., โOn line protection systems for induction motors,โ Energy Conversion
and Management, vol. 46, issue 17, pp. 2773-2786, 2005. DOI:doi.org/10.1016/j.enconman.2005.01.008

Chen, et al., โDesign of undervoltage relay setting for an industrial plant with cogeneration
units to enhance power quality of critical loads,โ IEEE Transactions on Industry Applications,
vol. 44, issue 4, pp. 1295-1302, 2008. DOI:10.1109/TIA.2008.926057

O. B. Hyun et al., โIntroduction of a hybrid SFCL in KEPCO grid and local points at
issue,โ IEEE Trans. Appl. Supercond., vol. 19, no. 3, pp. 1946โ1949, 2009. DOI:10.1109/TASC.2009.2018256

O. B. Hyun et al., โLong-term operation and fault tests of a 22.9 kV hybrid SFCL in
the KEPCO test grid,โ IEEE transactions on applied superconductivity, vol. 21, issue
3, pp. 2131-2134, 2010. DOI:10.1109/TASC.2010.2089587

Sung-Hun Lim and Seung-Taek Lim, โAnalysis on coordination of over-current relay using
voltage component in a power distribution system with a SFCL,โ IEEE Transactions on
Applied Superconductivity, vol. 29, issue 5, pp. 1-5, 2019. DOI:10.1109/TASC.2019.2904668

Sung-Hun Lim and Seung-Taek Lim, โAnalysis on coordination of over-current relay using
voltage component in a power distribution system with a SFCL,โ IEEE Trans. Appl. Supercond.,
vol. 29, no. 5, pp. 1โ5, 2019. DOI:10.1109/TASC.2019.2904668

Sung-Hun Lim and Seung-Taek Lim, โCurrent limiting and recovery characteristics of
a trigger-type SFCL using double quench,โ IEEE Transactions on Applied Superconductivity,
vol. 28, issue 3, pp. 1-5, 2018. DOI:10.1109/TASC.2018.2799199

Jong-Soo Choi, et al., โAnalysis on Current Limiting and Recovery Characteristics
of a Trigger Type SFCL as the Composition of the Contact,โ Journal of the Korean Institute
of Illuminating and Electrical Installation Engineers, vol. 24, issue 9, pp. 159-164,
2010. DOI:10.5207/JIEIE.2010.24.9.159

Myong-Hyon Kim and Jin-Seok Kim, โA Study on the Voltage Compensation Effect of Superconducting
Fault Current Limiters of Non-Fault Lines When Fault Occurs in the Power Distribution
System,โ ISSN 1229-800X [Print]/ISSN 2586-7792 [Online]mThe Transactions of the Korean
Institute of Electrical Engineers, vol. 72P, no. 4, pp. 256-261, 2023. DOI:10.5370/KIEEP.2023.72.4.256

์ ์์๊ฐ
He received B.S. degree from Andong Univ., Korea in 2023. Currently, he is in M.S.
degree from Dept. of Electrical Engineering from Soongsil Univ., Korea.
She received B.S. degree from Soongsil Univ., Korea in 2024. Currently, she is in
M.S. degree from Dept. of Electrical Engineering from Soongsil Univ., Korea.
He received B.S., M.S., and Ph.D. degrees from Chonbuk National Univ., Korea in 1996,
1998, and 2003, respectively. Currently, he is a professor in the Dept. of Electrical
Engineering at Soongsil Univ., Korea.
He received the Ph.D. in electric engineering from Kwangwoon University, Republic
of Korea, in 2004. He is currently professor in the Dept. of Electrical Semiconductor
and Computer Engineering at Jungwon Univ., Korea.