박이형
(Yi-Hyeong Park)
1iD
이현용
(HyunYong Lee)
2iD
강창묵
(Chang Mook Kang)
†iD
-
(Dept. of Electrical Engineering, Hanyang University, Republic of Korea.)
-
(Electronics and Telecommunications Research Institute(ETRI), Republic of Korea.)
Copyright © The Korea Institute for Structural Maintenance and Inspection
Key words
Positional Encoding, Transformers, Fault Detection, Generative Adversarial Network, Signal Data Augmentation, Power Factor Correction
1. 서 론
전력 시스템에서의 PFC(Power Factor Correction) 회로는 역률을 보정하여 효율적인 전력 사용을 가능하게 하는 핵심 요소이다.
이는 전력 품질을 개선하고 시스템의 안정성을 확보하는 역할을 한다. 하지만 PFC 회로에서 발생되는 고장은 전력 계통의 신뢰성을 저하시킬 수 있으며
더 나아가 설비의 수명 단축 및 에너지 손실을 초래하는 주요 원인 중 하나이다. PFC 회로의 고장은 주로 부품 열화, 과전압 및 과전류, 스위칭
소자의 결함, 전자기 간섭 등 다양한 요인에 의해 발생될 수 있다. 이는 전력 시스템의 정상적인 동작을 방해하며, 더 나아가 심각한 경우에는 과부하로
인한 영구적인 시스템 손상을 초래할 수도 있다[1-6].
PFC 회로의 고장은 크게 능동형 PFC 회로와 수동형 PFC 회로의 고장으로 구분할 수 있다. 능동형 PFC 회로의 대표적인 고장 유형으로는 스위칭
소자 손상, 필터 회로 결함, 컨트롤러 오작동 등이 있으며, 수동형 PFC 회로에서는 인덕터 및 커패시터 고장, 배선 손실, 저주파 필터 고장 등이
주요한 원인으로 작용한다. 이와 같이 PFC 회로에서 발생하는 고장은 전력 품질 저하 및 장비 보호 회로의 비정상적인 동작을 초래할 수 있기 때문에
정확한 고장 진단과 신속한 대응이 필수적이다.
PFC 회로의 고장 데이터는 전력 계통의 이상 감지 및 예측 모델 개발에 필수적인 정보로 활용된다[7-8]. 실계통에서 PFC 회로의 고장 데이터 수집은 고장 상태의 발생이 필연적이다. 하지만 비용 및 시간적인 이유로 인해 고장 상태에서의 데이터를 확보하는
것이 어려운 실정이다. 이로 인해 연구 및 운영 단계에서 충분한 고장 데이터를 확보하는 것이 쉽지 않다. 이러한 문제를 해결하기 위해 기존 연구에서는
실제 PFC 회로의 고장을 모의할 수 있는 시뮬레이션 기법을 활용하여 데이터를 생성하고 다양한 고장 시나리오 분석을 진행하였다.
하지만 시뮬레이션을 통해 생성된 고장 데이터는 실제 PFC 회로에서 발생하는 고장 데이터와 차이가 존재할 수 있으며, 이러한 차이로 인해 실제 시스템에
적용 가능한 고장 진단 및 예측 모델 개발에는 한계가 따른다. 이를 해결하기 위해 최근 연구에서는 시뮬레이션 데이터에 실제 환경 특성을 반영할 수
있는 데이터 증강 기법을 적용하는 시도가 이루어졌다. 대표적인 방법으로는 잡음 추가, 비선형 변환, 데이터 혼합 기법 등이 있으며, 이를 통해 생성된
데이터는 고장 진단 모델의 강건성을 평가하는 데 활용되었다.
하지만 단순한 잡음 추가 방식은 PFC 회로의 복잡한 고장 패턴을 충분히 반영하지 못한다. 이를 위해 보다 정교한 데이터 증강 기법이 요구된다. 이에
따라 최근 연구에서는 GAN(Generative Adversarial Network) 기반의 고장 패턴 분석 및 데이터 생성 기법을 적용하는 방향으로
발전하고 있으며, 이를 통해 보다 현실적인 고장 데이터를 확보하고 진단 모델의 성능을 개선하는 연구가 활발히 진행되고 있다[9-16].
하지만 기존 데이터 증강 방식은 PFC 고장의 복잡한 시계열 패턴과 비선형적 특성을 충분히 반영하지 못한다는 한계가 있다. 전력 계통의 고장 데이터는
단순한 신호 패턴을 가지지 않고 비정상적인 스위칭 특성, 비선형적 신호 왜곡 등의 특징을 포함하고 있어, 보다 정밀한 데이터 생성 기법이 필요하다.
이를 해결하기 위해 본 연구에서는 Positional Encoding(P.E.) Transformer 기반 GAN을 사용하여 시계열 패턴을 더욱 반영할
수 있는 PFC 고장 데이터를 생성하는 방법을 제안한다. Transformer 기반 GAN은 기존 CNN이나 RNN 기반 모델과 달리, 멀리 떨어진
데이터 간의 관계를 효과적으로 학습할 수 있는 장점을 가지고 있다. 또한 Multi-Head Self Attention 메커니즘을 통해 PFC 고장
데이터의 복잡한 패턴을 보다 정확하게 학습할 수 있다. 기존 Transformer 모델은 시계열 데이터의 순차적 특성을 명시적으로 반영하지 않기 때문에,
본 연구에서는 P.E.를 적용한 Transformer 기반 GAN을 실험적으로 검증하였다. P.E.는 입력 데이터의 시간적 순서를 보존하면서 Transformer가
시계열적 종속성을 학습할 수 있도록 돕는 역할을 하며, 이를 통해 PFC 고장 데이터의 패턴을 보다 효과적으로 학습하고 생성하는 것을 가능하게 하였다.
본 연구에서는 P. E. Transformer 기반 GAN을 활용하여 PFC 회로의 다양한 고장 패턴을 보다 현실적으로 생성하고, 이를 바탕으로 고장
진단 모델의 성능을 향상시키는 증강 방법을 고안하는 것을 목표로 한다. 이를 통해 기존 시뮬레이션 기반 고장 진단 기법의 한계를 극복하고, 실제 전력
계통에서 발생할 수 있는 복잡한 고장 상황을 보다 효과적으로 예측할 수 있을 것으로 기대된다.
2. 이론적 배경
2.1 Generative Adversarial Network
생성적 적대 신경망(Generative Adversarial Network, GAN)[17]은 두 개의 신경망(Neural Network), 생성자(Generator, 𝐺)와 판별자(Discriminator, 𝐷)가 경쟁하며 학습하는
모델이다. 생성자(𝐺)는 임의의 노이즈 𝑧∼𝑝𝑧(𝑧)를 입력받아 가짜 데이터 𝐺(𝑧)를 생성하며, 이를 실제 데이터처럼 보이게 만들려고
한다. 판별자 𝐷는 입력된 데이터 𝑥가 실제 데이터 𝑥∼𝑝𝑑𝑎𝑡𝑎(𝑥)인지, 생성자가 만든 가짜 데이터 𝐺(𝑧)인지를 판별하는
역할을 한다. GAN의 목표는 생성자가 판별자를 속일 수 있을 정도로 진짜 같은 데이터를 생성하도록 학습하는 것이다. 이 과정은 두 네트워크가 서로
적대적으로 학습하는 형태로, 다음과 같은 손실 함수 𝑉(𝐺,𝐷)를 사용하여 최적화된다.
판별자(𝐷)는 실제 데이터일 확률을 높이고, 생성자는 판별자가 가짜 데이터를 진짜로 인식하도록 학습한다. 훈련 초기에는 생성자가 생성하는 데이터가
매우 허술하지만, 판별자가 이를 쉽게 구별하기 때문에 빠르게 개선된다. 반복적인 학습 과정을 거치면 생성자는 점점 더 사실적인 데이터를 만들고, 판별자는
이를 구별하기 어렵게 된다.
그림 1. GAN 구조 모식도
Fig. 1. GAN structure architecture
2.2 Transformer
Transformer는 자연어 처리(NLP)와 이미지 처리 분야에서 널리 사용되는 신경망 모델이다[18]. 기존 RNN(Recurrent Neural Network)이나 LSTM(Long Short-Term Memory)과 달리, Transformer는
순차적인 계산 없이 병렬 연산이 가능하여 학습 속도가 빠르다. 모델의 핵심은 Self-Attention 메커니즘으로, 입력 문장에서 각 단어가 문장의
다른 단어들과 얼마나 관련이 있는지를 계산하여 가중치를 부여한다. Self-Attention은 Query 𝑄, Key 𝐾, Value 𝑉 행렬을
사용하여 가중치를 계산한다. Multi-Head Attention은 여러 개의 Self-Attention을 병렬로 수행하여 더 다양한 관계를 학습할
수 있도록 한다. Transformer는 Encoder와 Decoder로 구성되며, Encoder는 입력을 이해하고 Decoder는 이를 기반으로
새로운 출력을 생성한다. 이후 P.E.를 추가하여 단어 순서 정보를 보존하며, 이는 사인 및 코사인 함수를 이용하여 계산된다.
2.3 Positional Encoding
위치 엔코딩(Positional Encoding, P.E.)은 Transformer 모델이 주로 사용되는 LLM(Large Language Model)에서
단어의 순서 정보를 반영하기 위해 사용하는 기법이다. RNN이나 LSTM과 달리 Transformer는 입력 데이터를 한 번에 처리하기 때문에, 단어의
위치 정보를 직접적으로 알 수 없다. 이를 해결하기 위해 각 단어의 위치를 나타내는 벡터를 추가하는데, 이를 Positional Encoding이라고
한다. Positional Encoding은 사인(Sine)과 코사인(Cosine) 함수를 사용하여 계산된다. 사인과 코사인 함수의 주기를 활용하면,
단어 간 상대적 위치 정보를 효과적으로 반영할 수 있다. 이 벡터는 단어 임베딩 벡터에 직접 더해져 모델이 위치 정보를 학습할 수 있도록 도와준다.
위치 엔코딩 방식은 하드코딩된 규칙이 아니라 연속적인 값을 사용하므로, 길이가 다른 문장에서도 일반화가 가능하다.
2.4 Max-Mean Discrepancy
Max-Mean Discrepancy (MMD, 최대-평균 거리)는 두 개의 확률 분포 간의 차이를 측정하는 방법으로, 특히 확률 분포가 주어진 샘플
데이터로만 표현될 때 유용하다[19]. MMD는 두 확률 분포 𝑃와 𝑄가 얼마나 다른지를 커널 함수를 이용해 측정하는 거리(metric)이다. 즉, 두 데이터 집합이 같은 분포에서
나왔는지를 비교하는 비모수적 방법이다. 두 확률 분포 𝑃와 𝑄가 주어졌을 때, MMD는 다음과 같이 정의된다.
해당 (2)의 수식에서 $E_{x\sim P}[f(x)]$는 확률 분포 𝑃에 대해 함수 𝑓(𝑥) 의 기댓값을, $E_{y\sim Q}[f(y)]$는 확률
분포 𝑄에 대해 함수 𝑓(𝑦) 의 기댓값을 나타낸다.
2.5 Synthetic Minority Over-sampling Technique
Synthetic Minority Over-sampling Technique(SMOTE)는 불균형한 데이터셋에서 소수 클래스의 데이터를 생성하여 균형을
맞추는 오버샘플링 기법이다[20]. 일반적인 오버샘플링 방법인 단순 복제와 달리, SMOTE는 기존 소수 클래스 샘플을 이용해 새로운 합성 데이터를 생성한다. 기본 원리는K-nearest
neighbors algorithm 알고리즘을 활용하여, 그림 2와 같이 각 소수 클래스 샘플 주변의 데이터를 참조해 새로운 데이터를 Interpolation하는 방식이다. 새로운 샘플 𝑥𝑛𝑒𝑤는 두 샘플
𝑥𝑖와 𝑥𝑛사이에서 무작위 가중치를 적용하여 생성된다.
그림 2. SMOTE 증강 방식
Fig. 2. SMOTE Augmentation Method
그림 3. Transformers 기반 증강 흐름도
Fig. 3. Augmentation Flowchart based on Transformers
이러한 방식으로 생성된 샘플들은 기존 데이터의 분포를 유지하면서도 단순한 복제보다 일반화 성능이 향상될 수 있다. 부족한 데이터셋에 대해 증강이 필요할
때 사용되는 고전적인 방법이다. 본 논문에서는 정상 데이터는 많으나 고장 데이터는 부족한 점에 주목하여 고장 데이터를 증강하기 위해 고전 알고리즘인
SMOTE 알고리즘을 사용하여 비교하였다.
3. PFC 스위칭 소자 고장신호 데이터 증강을 위한 Positional Encoding 기반 Transformer GAN
3.1 Positional Encoding 기반 Transformer GAN
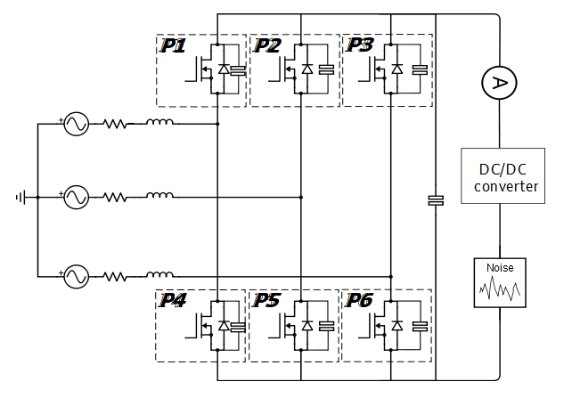
본 연구에서는 PFC의 스위칭 소자단의 고장 데이터를 효과적으로 생성하고 분석하기 위해 그림 3과 같이 Transformers기반의 GAN을 활용한 데이터 증강 기법을 제안한다. 데이터 수집 과정에서 PSIM을 이용하여 데이터 수집을 진행하였으며,
그림 3의 PSIM 토폴로지는 그림 5와 같다. 데이터 전처리 과정에서는 RobustScaler를 적용하여 데이터 분포를 정규화한다. 이후 이상치에 대한 의존을 줄이기 위해 Isolation
Forest(Contamination = 0.01)를 사용하여 1%에 해당하는 이상값을 제거한다. 이후, GAN의 생성자(G)는 입력으로 랜덤 노이즈를
받아들여 고장 데이터를 생성하는 역할을 수행한다. 생성자는 선형 변환(input_dim=64)을 거친 후, P.E.와 Transformer Encoder(2
layers, 4 heads) 구조를 통해 데이터를 학습하는 과정을 거친다. 변환된 데이터는 다시 선형 변환을 거쳐 최종적인 가짜 데이터로 출력된다.
판별자(D)는 입력 데이터(Real or Fake data)에 대해 선형 변환(input_dim=64)을 수행한 후, Transformer Encoder(2
layers, 4 heads)를 통해 특징을 추출한다. 이후 최종적으로 선형 변환(output_dim=1)과 Sigmoid 함수를 적용하여 입력 데이터가
실제 데이터인지 가짜 데이터인지 판별한다. 학습이 진행됨에 따라 생성자는 더욱 실제와 유사한 데이터를 생성하도록 최적화된다. 본 GAN은 개별 고장
class별 전류 데이터 100개를 5배로 증강하여 500개로 만들어 정상 데이터 500개와 동일한 수로 증강하는 과정을 거친다.
P.E.는 Transformer 기반의 생성 모델에서 위치 정보를 효과적으로 반영하기 위한 기법이다. Positional Encoding은 입력 데이터의
위치 정보를 엔코딩하여 모델이 순서 정보를 학습할 수 있도록 돕는다[21-22]. 먼저, 입력으로 주어진 데이터의 최대 길이(max_len=100)와 모델 차원(d_model=100)에 따라 크기가 (max_len, d_model)인
영행렬을 생성한다. max_len과 d_model은 입력 데이터의 차원에 비례하는데, 고장 케이스 별 100개이기 때문이다. 이후, 각 위치 인덱스를
배열로 변환한다. 이후, 위치 정보와 주파수 스케일링 값을 이용해 각 위치에 대한 사인과 코사인값을 계산하여 최종적으로 Encoded Output을
생성한다. 사인 함수는 짝수 차원 인덱스에, 코사인 함수는 홀수 차원 인덱스에 적용되어 순차적인 위치 정보를 반영할 수 있다. 이를 통해 Positional
Encoding은 Transformer 기반 모델이 입력 데이터의 순서를 명시적으로 인식할 수 있도록 하여 학습 성능을 향상시킬 수 있을 것이다.
그림 4. 위치 엔코딩 구조도
Fig. 4. Positional Encoding Structure
4. 실험 결과
4.1 PSIM기반 시뮬레이터 정상 / 고장 데이터 생성
커스텀 GAN 신경망 모델의 학습 데이터셋으로 사용되는 데이터는 PowerSIM(PSIM) 시뮬레이터를 활용하여 생성하였다. 토폴로지는 그림 5와 같이 구성하여 구동 및 데이터 수집을 진행하였다. 본 실험에서는 32KHz에서 구동되며, n-ch MOSFET 소자를 가진 능동형 PFC를 상정하였다.
또한 스위칭 소자별 고장 상태(개방 / 단락 고장)에 대해 데이터 수집을 위해 표 1과 같이 구성하여 실험하였다. 고장데이터는 고장 후 1주기를 상정하여 수집하였다. 고장데이터의 경우 320(Hz)마다 한번씩 전류계를 통해 수집하여
총 100개를, 정상 데이터의 경우 64(Hz)마다 한번씩 수집되게 하여 총 500개를 수집하였다. 정상의 경우 1번, 고장의 경우 6(P1 ~ P6,
총 6가지) x 2(개방 / 단락, 총 2가지)의 경우를 고려하여 총 13번의 시뮬레이터를 구동하였으며, 고장 진단의 목적성을 위해 추후 나올 13개의
분류 Class로 이용되었다.
표 1 PSIM 시뮬레이터 설정 파라미터
Table 1 PSIM simulator setting Parameter
|
고장 유형
|
개방(Open), 단락(Short)
|
|
고장 지점(P = Point)
|
P1 ~ P6
|
|
샘플링 주파수
|
32,000 (Hz)
|
|
데이터 수집 주기(고장)
|
320 (Hz)
|
|
데이터 수집 주기(정상)
|
64 (Hz)
|
그림 5. PSIM PFC 토폴로지
Fig. 5. PSIM PFC Topology
4.2 Transformer GAN기반 고장데이터 생성 및 타 모델과의 비교
SMOTE를 통한 증강, P.E. 유무를 달리하여 Transformer GAN을 통한 증강에 대해 차이를 비교하였다. 표 2와 같이 Transformer를 통한 증강 시 파라미터를 세팅하였다. Epochs의 경우 여러번의 실험을 통해 10000번 정도의 반복이 적절한 것으로
판단되어 10000번을 진행하였다. 추후 실험의 재구현성 구현을 위해 Pytorch를 사용하며 Random State(Seed)를 42로 고정하여
재구현이 가능하도록 하였다.
표 2 증강 시 Transformer 파라미터 세팅
Table 2 Setting Parameter at Augmentation
|
Epochs
|
10000
|
|
Random State(Seed)
|
42
|
4.3 t-SNE 기반 증강데이터 평가
본 연구에서는 다양한 데이터 증강 및 표현 학습 기법이 데이터의 분포에 미치는 영향을 분석하기 위해 t-SNE(t-distributed Stochastic
Neighbor Embedding)를 이용하여 데이터 시각화를 수행하였다. 그림 6은 SMOTE, Transformer, 그리고 Transformer+P.E.를 적용한 후의 데이터 분포를 각각 나타낸다. SMOTE를 이용한 데이터
증강 결과를 2차원 t-SNE 기법으로 시각화한 것으로, 데이터가 전체적으로 혼합되어 있으며 클래스 간의 명확한 경계가 부족한 것을 확인할 수 있다.
이는 SMOTE가 기존 데이터의 구조를 유지하면서 단순한 선형 보간을 통해 데이터를 생성하기 때문에, 고차원 공간에서의 복잡한 분포를 충분히 반영하지
못하는 한계를 보인다. Transformer 구조를 적용하면 고차원 분포가 반영되어 데이터가 보다 구조적으로 정리되고 클래스별 클러스터가 형성된다.
특히 t-SNE 상에서 각 Fault Type이 응집된 채 충분한 간격을 유지하여 시각적으로 뚜렷한 경계를 보이는데, 이는 Self-Attention이
고장 신호의 상관관계를 학습해 핵심 패턴은 보존하고 잡음은 억제했기 때문이다. Transformer에 P.E.를 추가하면 위치 정보까지 학습되어 군집화가
한층 명확해지고 각 클래스가 더욱 뚜렷하게 구별된다. 반면 SMOTE 보간 데이터는 선형 보간 특성상 클래스 경계가 겹쳐져 클러스터 응집도와 분리도가
모두 낮아, 후속 분류기의 오분류 위험이 크다. 이는 실험에서도 확인된다.
그림 6. t-SNE 분석을 통한 (a) SMOTE, (b) Transformer GAN, (c) Transformer + Positional Encoding
방식 비교
Fig. 6. (a) SMOTE, (b) Transformer GAN, (c) Transformer + Positional Encoding Method
Compare using t-SNE Analyzing
4.4 MMD 기반 증강데이터 평가
그림 7은 데이터 분포에 미치는 영향을 분석하기 위해 MMD 지표를 그래프로 나타낸 결과이다. MMD 지표는 두 데이터 분포 간의 차이를 측정하는 거리 기반
척도로, 값이 작을수록 원본 데이터와 증강 데이터 간의 분포 차이가 작음을 의미한다. 각각의 MMD 값을 비교하였을 때, SMOTE 기반 증강 기법은
데이터 분포를 정확하게 보존하는 데 한계가 있는 반면(Average MMD = 3.140), Transformer 기반 접근 방식은 데이터의 분포를
보다 효과적으로 학습한다(Average MMD = 2.818). 특히 Positional Encoding을 추가할 경우 더욱 정밀한 데이터 생성을
가능하게 함을 확인할 수 있었다(Average MMD = 2.792).
그림 7. MMD 분석을 통한 (a) SMOTE, (b) Transformer GAN, (c) Transformer+Positional Encoding
방식 비교
Fig. 7. (a) SMOTE, (b) Transformer GAN, (c) Transformer+Positional Encoding Method
Compare using MMD Analyzing
4.5 lazypredict 기반 증강데이터 평가
앞선 t-SNE, MMD 기반 분석만으로는 실제로 분류가 잘 진행되는지 알기 어렵다. 이에 추가로 lazypredict라는 다양한 머신러닝 테스트
라이브러리를 사용하여 분류가 잘 진행된 머신러닝 상위 5개 기법에 대해 테스트를 진행하였다. 그림 8은 SMOTE, Transformer, 그리고 Transformer +P.E.를 적용한 데이터에 대해 lazypredict라는 라이브러리를 사용하여
총 31개의 머신러닝 모델의 F1-score를 비교하였다.
그림 8. lazypredict를 사용한 상위 5개 머신러닝 모델 비교 및 평균 (a) SMOTE, (b) Transformer GAN, (c) Transformer+Positional
Encoding
Fig. 8. Top 5 M/L model compare and average using lazypredict (a) SMOTE, (b) Transformer
GAN, (c) Transformer+Positional Encoding
이터에 대해 lazypredict라는 라이브러리를 사용하여 총 31개의 머신러닝 모델의 F1-score를 비교하였다.
그림 8은 상위 5개 모델에 대해 F1-score를 비교하교 평균을 낸 결과이다. 첫 번째 그래프에서 보이듯이, SMOTE 적용 시 클래스 간 성능 편차가
크며, 평균 F1-score가 상대적으로 낮다. 두 번째 그래프에서 Transformer 적용 시 전반적으로 F1-score가 향상되었으며, 클래스
간 균형도 개선됨을 확인할 수 있다. 세 번째 그래프에서는 Transformer+P.E.를 적용한 경우 평균 F1-score가 가장 높으며, 모든
클래스에서 고른 성능을 보이면서 가장 효과적인 데이터 증강 기법임을 확인하였다. Transformer 구조를 적용한 경우 SMOTE 방식과 비교하여
평균 0.3의 F1 score 향상을, Positional Encoding 기반 Transformer를 적용하였을 경우 단순 Transformer
F1 score와 비교하면 평균 0.074의 개선이 있었다.
5. 결 론
본 연구에서는 PFC 회로의 복잡한 비선형 고장 특성과 시계열적 특성을 보다 정밀하게 반영하기 위해, Positional Encoding을 적용한
Transformer 기반 GAN을 활용한 데이터 증강 기법을 제안하였다. 이는 기존의 RNN이나 LSTM 기반 모델과 달리 멀리 떨어진 시점 간의
상호 의존성을 효과적으로 학습할 수 있는 장점을 가지며, 멀티 헤드 자기 주의 메커니즘을 통해 전력 계통에서 발생할 수 있는 다양한 형태의 고장 신호를
현실적으로 재현할 수 있도록 돕는다. 특히 Positional Encoding의 도입으로 Transformer 모델이 시계열 데이터의 순차적 특성을
유지하면서도 비선형적 분포를 세밀하게 반영하도록 하였으며, 이를 통해 과거 단순 잡음 추가 방식이나 전통적 신호 변환 기법의 한계를 보완할 수 있음을
보였다.
본 연구의 결과는 시뮬레이션 기반으로 확보된 PFC 고장 데이터를 실제 계통 환경에서의 다양한 잡음 및 변동성을 보다 효율적으로 반영할 수 있는 가능성을
제시한다. 따라서 제안된 방법론을 활용하면 복잡한 고장 데이터를 필요로 하는 전력 계통 감시 및 예측 모델의 성능을 한층 높일 수 있으며, 다양한
부품 열화 상황이나 비정상 스위칭 조건에서의 고장 패턴을 학습하여 보다 견고한 진단 시스템을 구축할 수 있을 것으로 기대된다. 또한 본 연구는 PFC
회로에 국한되지 않고, 전력전자 분야 내 타 회로나 다른 에너지 변환 시스템에서도 확대 적용함으로써 고장 진단 모델의 보편적 성능 개선에 기여할 수
있다.
그리고 생성된 고장 데이터가 실제 계통에서 발생할 수 있는 확률 분포와 어떠한 차이를 보이는지 정량적으로 분석하고, 해당 데이터가 진단 모델의 예측
성능에 어떤 영향을 미치는지 설명가능성 측면에서 검토해야 한다. 이를 위해 생성 모델의 내적 메커니즘을 해석할 수 있는 방법(예: Attention
가중치 시각화, 특성 중요도 분석 등)을 적용함으로써 모델의 투명성을 높이고, 산업 현장에서의 신뢰도를 제고할 수 있을 것이다. 또한 전력 계통은
부하 특성 변화, 설비 교체, 계절적 변동성 등에 따라 계속해서 운영 환경이 달라진다. 이러한 동적 환경에서 고장 데이터를 실시간으로 반영할 수 있도록,
온라인 학습이나 continuous learning 기법[23]을 Transformer 기반 모델에 결합하는 연구가 필요하다. 이를 통해 빠르게 변화하는 계통 특성을 따라잡아 이상 신호를 조기에 감지하고 즉각적인
대응 전략을 마련할 수 있다. 향후에는 다양한 실계통 데이터 및 복합 고장 시나리오를 고려한 확장 연구를 통해, 전력 계통 전반에서의 예측 및 진단
성능을 한층 더 향상시키고 산업 현장에서의 신뢰도를 높이는 방향으로 발전시켜 나갈 수 있을 것이다.
향후 연구에서는 Variational Autoencoder, Diffusion Model 등 다른 유형의 생성 기반 증강 기법과의 비교 실험도 고려함으로써,
본 연구의 결과를 보다 일반화하고 확장할 수 있을 것으로 기대된다. 다만, 본 연구는 Transformer 구조 내 positional encoding의
효과와 시계열 고장 데이터에 대한 재현 능력에 초점을 맞춘 만큼, 기존 기법 대비 해석 가능성과 모델 구조의 실용성 측면에서 관련 깊은 가능성을 제시하고자
하였다.
Acknowledgements
This work was partly supported by Korea Institute of Energy Technology Evaluation
and Planning (KETEP) grant funded by the Korea government (MOTIE) (No.RS-2023-00281219,
Development of safety operation technology in AC/DC hybrid distribution network),
Institute of Information & communications Technology Planning & Evaluation (IITP)
grant funded by the Korea government(MSIT) (No. RS-2020-II201373, Artificial Intelligence
Graduate School Program(Hanyang University)) and Korea Evaluation Institute of Industrial
Technology (KEIT) grant funded by the Korea government (MOTIE) (No. 20020741)
References
Gaona-C´ardenas. L.-F, V´azquez-Nava. N, Ru´ız-Mart´ınez. O.-F, Espinosa-Calder´on.
A, Barranco-Guti´errez. A.-I and Rodr´ıguez-Licea. M.-A, “An Overview on Fault Management
for Electric Vehicle Onboard Chargers,” Electronics 2022, 11, 1107, 2022. DOI:10.3390/electronics11071107

Pham. T. T. L., Richardeau. F. and Gateau. G., “Diagnosis strategies and reconfiguration
of a 5-level double-boost PFC with fault-tolerant capability,” IEEE International
Symposium on Industrial Electronics, pp. 1857-1862, 2011. DOI:10.1109/ISIE.2011.5984440

Li, G., Yang, D., Zhou, B., Liu, Y. F. and Zhang, H. “A topology-reconfigurable fault-tolerant
two-and-single stage AC–DC converter for high reliability applications,” IEEE Transactions
on Industrial Electronics, vol. 70, no. 4, pp. 3708-3716, 2022. DOI:10.1109/TIE.2022.3174236

Liu, C., Yang, Z., Xiang, G. and Yu, Y. “A statistical feature-based anomaly detection
method for pfc using canonical correlation analysis,” IEEE Transactions on Instrumentation
and Measurement, vol. 71, pp. 1-11, 2022. DOI:10.1109/TIM.2022.3210944

Hu, K., Meng, X., Liu, Z., Xu, J., Lin, G. and Tong, L. “Flux-based open-switch fault
diagnosis and fault tolerance for IM drives with predictive torque/flux control,”
IEEE Transactions on Transportation Electrification, vol. 8, no. 4, pp. 4595-4606,
2022. DOI:10.1109/TTE.2022.3161988

Liao, J., Qin, Z., Purgat, P., Zhou, N., Wang, Q. and Bauer, P., “Fault protection
and coordinated controls of power flow controller in a flexible DC grid,” In 2021
IEEE 19th International Power Electronics and Motion Control Conference (PEMC), pp.
893-898, 2021. DOI:10.1109/PEMC48073.2021.9432559

Kherif, O., Benmahamed, Y., Teguar, M., Boubakeur, A. and Ghoneim, S. S., “Accuracy
improvement of power transformer faults diagnostic using KNN classifier with decision
tree principle,” IEEE Access, vol. 9, pp. 81693-81701, 2021. DOI: 10.1109/ACCESS.2021.3086135

Haeri, H., Sarfarazi, V. and Fatehi Marji, M. “Numerical simulation of the interaction
between normal fault and bedding planes using PFC,” Iranian Journal of Science and
Technology, Transactions of Civil Engineering, vol. 45, pp. 573-588, 2021. DOI:10.1007/s40996-020-00558-8

Kyeong-Yeong Lee, Se-Heon Lim, Tae-Geun Kim, Kyung-Min Song and Sung-Guk Yoon, “GAN-Based
Data Augmentation Technique for Various Transmission Line Fault Data,” The Transactions
of the Korean Institute of Electrical Engineers, vol. 73, no. 8, pp.1318-1326, 2024.
DOI:10.5370/KIEE.2024.73.8.1318

Luo, W., Yang, W., He, J., Huang, H., Chi, H., Wu, J. and Shen, Y. “Fault diagnosis
method based on two-stage GAN for data imbalance,” IEEE Sensors Journal, vol. 22,
Issue 22, pp. 21961-21973, 2022. DOI:10.1109/JSEN.2022.3211021

Ren, Z., Zhu, Y., Liu, Z. and Feng, K. “Few-shot GAN: Improving the performance of
intelligent fault diagnosis in severe data imbalance,” IEEE Transactions on instrumentation
and measurement, vol. 72, pp. 1-14, 2023. DOI:10.1109/TIM.2023.3271746

Yang, J., Liu, J., Xie, J., Wang, C. and Ding, T., “Conditional GAN and 2-D CNN for
bearing fault diagnosis with small samples,” IEEE Transactions on Instrumentation
and Measurement, vol. 70, pp. 1-12, 2021. DOI:10.1109/TIM.2021.3119135

Li, W., Liu, D., Li, Y., Hou, M., Liu, J., Zhao, Z. and Deng, W. “Fault diagnosis
using variational autoencoder GAN and focal loss CNN under unbalanced data,” Structural
Health Monitoring, vol. 24, Issue 3, 2024. DOI:10.1177/14759217241254121

Gao, H., Zhang, X., Gao, X., Li, F. and Han, H. “ICoT-GAN: Integrated convolutional
transformer GAN for rolling bearings fault diagnosis under limited data condition,”
IEEE Transactions on Instrumentation and Measurement, vol. 72, pp. 1-14, 2023. DOI:10.1109/TIM.2023.3271729

Du, Z., Chen, K., Chen, S., He, J., Zhu, X. and Jin, X. “Deep learning GAN-based data
generation and fault diagnosis in the data center HVAC system,” Energy and Buildings,
vol. 289, 113072, 2023. DOI:10.1016/j.enbuild.2023.113072

Liu, J., Zhang, C. and Jiang, X. “Imbalanced fault diagnosis of rolling bearing using
improved MsR-GAN and feature enhancement-driven CapsNet,” Mechanical Systems and Signal
Processing, vol. 168, 108664, 2022. DOI:10.1016/j.ymssp.2021.108664

Goodfellow. I, Pouget-Abadie. J, Mirza. M, Xu. B, Warde-Farley. D, Ozair. S, Aaron.
C and Bengio, Y., “Generative adversarial nets,” Advances in neural information processing
systems, vol. 27, 2014. DOI:10.48550/arXiv.1406.2661

Ashish Vaswani, Noam Shazeer, Niki Parmar, Jakob Uszkoreit, Llion Jones, Aidan N.
Gomez, Lukasz Kaiser and Illia Polosukhin, “Attention Is All You Need,” Advances in
neural information processing systems, vol. 30, 2017. DOI:10.48550/arXiv.1706.03762

Li, W., Chen, J., Wang, Z., Shen, Z., Ma, C. and Cui, X., “Ifl-gan: Improved federated
learning generative adversarial network with maximum mean discrepancy model aggregation,”
IEEE Transactions on Neural Networks and Learning Systems, vol. 34, no. 12, pp. 10502-10515,
2022. DOI:10.1109/TNNLS.2022.3167482

Pradipta, G. A., Wardoyo, R., Musdholifah, A., Sanjaya, I. N. H. and Ismail, M., “SMOTE
for handling imbalanced data problem: A review,” Sixth international conference on
informatics and computing (ICIC), IEEE, pp. 1-8, 2021. DOI:10.1109/ICIC54025.2021.9632912

Kazemnejad, A., Padhi, I., Natesan Ramamurthy, K., Das, P. and Reddy, S., “The impact
of positional encoding on length generalization in transformers,” Advances in Neural
Information Processing Systems, vol. 36, pp. 24892-24928, 2023. DOI:10.48550/arXiv.2305.19466

Chu, X., Tian, Z., Zhang, B., Wang, X. and Shen, C., “Conditional positional encodings
for vision transformers,” arXiv preprint arXiv:2102.10882, 2021. DOI:10.48550/arXiv.2102.10882

Chen, Y., Liu, S. and Wang, X., “Learning continuous image representation with local
implicit image function,” In Proceedings of the IEEE/CVF conference on computer vision
and pattern recognition, pp. 8628-8638, 2021. DOI:10.48550/arXiv.2012.09161

저자소개
He received the B.S degree in Computer Science from Bachelor’s Degree Examination
for Self-Education. And he received the B.S degree in Embedded System engineering
from Incheon National University. He is pursing M.S degree in the Hanyang University.
His research interest include intelligent automation, signal pattern recognition.
He received the B.S. degree in computer science from Chonnam National University,
South Korea, in 2003, and the M.S. and Ph.D. degrees in computer science from Gwangju
Institute of Science and Technology, South Korea, in 2005 and 2010, respectively.
He is currently a Principal Researcher with the Electronics and Telecommunications
Research Institute (ETRI). His research interests include diagnosis, anomaly detection,
deep learning, and uncertainty.
He received the B.S and Ph.D degrees in Electrical Engineering from Hanyang University,
Seoul, South Korea, in 2012 and 2018 respectively. He was a Senior Engineer with Agency
for Defense Development, Daejeon, Korea, from 2018 to 2019. He is currently an Associate
Professor with the Department of Electric Engineering, Incheon National University,Incheon,
South Korea. His research interest include linear system, optimal control, autonomous
vehicle, robot and artifcial intelligent.