권구민
(Gu-Min Kwon)
1iD
신정훈
(Jeong-Hoon Shin)
1iD
권혁일
(Hyuk-Il Kwon)
2iD
오승찬
(Seung-Chan Oh)
1iD
구현근
(Hyun-Keun Ku)
†iD
-
(KEPCO Research Institute, Republic of Korea.)
-
(Hyosung Heavy Industries Corporation, Republic of Korea.)
Copyright © The Korea Institute for Structural Maintenance and Inspection
Key words
LCC HVDC, Operating range, Short Circuit Ratio, Fundamental Frequency Temporary Overvoltage, Unit Interaction Factor, , Reliability Analysis
1. 서 론
전 세계적인 전기화 흐름과 인공지능(AI, Artificial Intelligence) 산업을 선두로 전력수요가 급격히 증가하며 안정적 전력 공급을
위한 전력계통 인프라의 중요성이 더욱 부각 되고 있다. 동시에 기후환경 이슈로 인해 기존 석탄 화력 발전기를 대신하여 대규모 신재생 발전원의 개발과
연계가 추진되고 있으나 재생에너지가 갖는 태생적 한계와 다양한 사회적 수용성으로 인해 수요 중심지에서 여전히 멀리 떨어진 곳을 중심으로 설치 및 운영되고
있다. 이러한 신규 발전력을 수요 중심지로 수송하기 위해 고압직류전송(HVDC, High Voltage Direct Current) 기술이 지속적으로
주목 받으며 발전되고 있다[1].
HVDC는 장거리 송전, 해저 케이블, 대용량 전력 전송에 적합한 대안으로, 전력 손실을 최소화하고 계통 안정성을 향상시키며 AC 계통의 유연성을
제공한다. 이러한 장점을 바탕으로 국내에서도 1998년 제주 #1 HVDC 운전을 시작으로 활발한 운영이 이루어지고 있으며, 신규 선로 건설도 지속적으로
추진되고 있다. 하지만 장기송변전설비계획 수립 및 사업 초기 설계단계부터 상업운전까지 현실적인 여건을 고려하면 5년 이상이라는 긴 시간이 소요되므로
실제 운영환경은 설계 초기 때와는 다소 다르다[2]. 따라서, 실제 운영 단계에서는 인근 계통의 운영 상황(고장, 수요변동, 휴전 등)을 고려한 HVDC 운전가능 영역 검토가 필요하다[3-4].
HVDC의 운전 영역을 평가함에 있어 과거 선행연구에서는 특정 요소만을 고려한 사례가 대부분이었다[5]. 그러나, 전류형 HVDC는 설비의 제어·보호 특성으로 인해 주변 AC 계통의 영향을 많이 받기 때문에 다양한 요소를 종합적으로 고려한 운전 영역
평가가 필수적이다. 하나의 단편적인 요소로 HVDC의 운전점을 결정할 경우, 실제 운영 중에 다른 제약 요소로 결국 전송량이 제한되거나 계통에 예기치
못한 악영향을 줄 수 있기 때문이다.
따라서, 본 논문에서는 전류형 HVDC 시스템의 운전 영역 평가 방법론을 제안하고 이를 종합적으로 고려한 안정 운전 영역 검토 사례를 소개하고자 한다.
이를 위해 3GW급 전류형 HVDC를 포함한 모의 계통을 구성하였으며 인근 계통 상정고장을 고려한 운전 영역 검토 결과를 기술하였다.
2. 전류형 HVDC 운전 영역 평가 기술
본 장에서는 국내 전력계통에서 운영 및 건설이 확대되고 있는 대용량 전류형 HVDC를 대상으로, 연계 계통의 환경에 따라 달라지는 전류형 HVDC의
안정 운전 영역을 분석해야 하는 필요성과 각 분석 기법의 이론적 배경을 서술한다.
주요 평가 요소로는 HVDC의 제어 특성에 영향을 줄 수 있는 SCR(Short Circuit Ratio), 연계 AC 설비의 제약을 결정하는 FFTOV(Fundamental
Frequency Temporary Overvoltage), UIF(Unit Interaction Factor), 전력 계통의 신뢰도와 관련된 Reliability
등이 있으며, 이러한 개별 분석 결과를 포괄적으로 검토하여 공통의 운전 영역을 결정한다[6-8].
각 평가 항목에 대한 자세한 설명은 세부 절에서 다루며 전류형 HVDC의 안정 운전 영역 평가 시 필요한 검토 절차는 그림 1과 같다.
그림 1. HVDC 최적 운전 가능 영역 산정 절차
Fig. 1. Procedure for screening the optimal operating range of HVDC
2.1 SCR (Short Cirtcuit Ratio, 계통 강건도)
SCR은 전력 계통의 강건도를 간략히 가늠할 수 있는 지수로 널리 활용된다. 전력 계통의 단락용량과 연계되는 HVDC 정격 용량의 상관관계를 정량적으로
계산하며 통상 설비 계획 시 SCR > 3을 안정한 접속 모선의 기준으로 사용하며 전력전자 기반 설비의 정상 동작을 위해 필요한 SCR을 분석할 때는
설비 설계 단계에서 제작사에서 검토한 기준값을 고려하기도 한다.
그림 2. HVDC를 포함하는 등가 AC 전력 계통 구성도
Fig. 2. Equivalent AC power system configuration including HVDC
SCR 지수는 사용 용도와 목적에 따라 다양하게 파생되나 본 논문에서는 SCR만 고려한다. SCR을 이해하기 위한 등가 AC 전력계통과 전류형 HVDC에
대한 구성도는 그림 2와 같다.
전력계통의 단락용량(SCL, Short Circuit Level)은 식 (1)과 같이 계산되며, SCR은 이로부터 식 (2)를 통해 산출된다.
2.2 FFTOV (Fundamental Frequency Temporary Overvoltage, 상용주파수 일시 과전압)
FFTOV는 전력 계통의 기본주파수에서 단시간에 일시적으로 발생하는 과전압이다[9-11]. 전류형 HVDC는 통상 정격 전력의 50~60%의 무효전력 보상이 필요하고 접속 모선의 전압 유지를 위해 대용량의 용량성 AC 필터가 함께 운영된다.
하지만 접속 모선 인근의 심각한 외란이나 DC 송전선을 포함하는 설비 내부 고장으로 인해 순간적인 HVDC Block 동작 시에 용량성 AC 필터가
같이 개방되는데 필터 차단기의 물리적인 차단시간의 존재로 AC 필터의 개방 전 과전압이 발생할 수 있고 이로 인해 컨버터 변압기 1차측 AC 설비의
절연파괴와 같은 손상을 유발할 수 있어 설계 시 적절한 검토가 필요하다. 통상 AC 전력 계통의 피뢰기 사양 등에 의해 결정되며 1.3~1.4 pu
수준의 값을 가지고 그림 3과 같이 표현 가능하다.
그림 3. FFTOV 검토를 위한 AC 전력 계통 구성
Fig. 3. AC power system configuration for FFTOV review
간혹 실무 현장에서 FFTOV와 TOV(Transient Over Votlage)를 혼용하는 사례가 있는데, TOV는 차단기를 포함하는 설비의 정격,
용량 검토를 위해 Lighting과 Switching Surge와 같은 수 $\mu s$ 시간영역의 동작을 이해하기 위함이며 두 지표의 차이를 비교하면
표 1과 같다. 일정 기준을 초과하는 FFTOV 값에 노출되어 운전되는 HVDC 설비는 지속적이고 안정적인 설비 운전에 지장을 주기 때문에 전력계통의 변화나
HVDC 운전량에 따라 사전 분석을 통해 적정 운전 범위 내에서 동작하도록 해야 한다.
표 1 FFTOV와 TOV 특성 비교
Table 1 Comparison of FFTOV and TOV characteristics
|
구분
|
FFTOV
|
TOV
|
|
시간영역
|
수십 msec ~ 수 sec
|
수 msec 이하
|
|
발생원인
|
• HVDC Block
• AC 고장
• 설비 가압
|
• Lightning Surge
• Switching Surge
|
|
분석 도구
|
TSA (예: PSS/E)
|
EMT (예: PSCAD)
|
2.3 UIF(Unit Interaction Factor)
UIF는 발전기 연계 모선에서 HVDC와의 상호 영향 발생 가능성을 수치화하여 분석하는 지수이다[12-13]. 일반적으로 HVDC의 정류기 측 인근에 운전되는 발전기의 고유 진동 주파수의 상호작용으로 인해 비틀림 공진 발생 가능성을 스크리닝하고 상세 검토를
위한 시나리오 구축에 활용되며 HVDC의 정격 용량과 연계된 전력 계통의 단락용량 관점에서 정량적으로 나타낸 값이다. 이를 분석하기 위해서는 일부
사례이긴 하나 다수의 송전선로 상정고장 등 매우 심각한 송전선로 고장을 고려하기도 한다. 통용되는 기준값은 0.1을 경계로 매우 보수적으로 선정된
값을 사용한다. 다만, 이때 UIF 지수가 기준값을 초과함이 무조건적인 발전기 상호유발을 일으키는 것이 아니라 발생 가능성이 있음을 의미하며, HVDC의
설계 단계에서 PSCAD/EMTDC와 같은 정밀한 환경에서의 상세 스터디 수행을 위한 시나리오의 선정을 위해 활용된다. UIF의 검토를 위한 간략한
구성과 계산식을 그림 4와 식 (3)에서 보여준다.
그림 4. UIF 검토를 위한 AC 전력 계통 구성
Fig. 4. AC power system configuration for UIF review
2.4 Reliability (신뢰도)
Reliablity는 전력 계통의 안정도 유지 기준을 HVDC를 포함한 운전 시 만족여부에 대해 분석한다. 다양한 운영 조건에서 ‘전력계통 신뢰도
및 전기 품질 유지기준’에 의거 HVDC 연계 모선의 전압 및 선로 부하량을 일정한 기준 내로 유지 됨을 분석하며 345kV 이상의 설비들에 대한
기준값은 ‘전압 기준[pu] : 0.95 ≤ V ≤ 1.05’, ‘선로 과부하 기준[%] : 평상 시 100%, 고장 시 120%’ 준용하고 있다.
선로 과부하와 전압변동은 HVDC 전송량에 따라 많은 영향을 받기에 안정적인 운전 영역 산정을 위해서는 필수적인 분석이다.
3. 사례연구
3.1 시나리오 구성
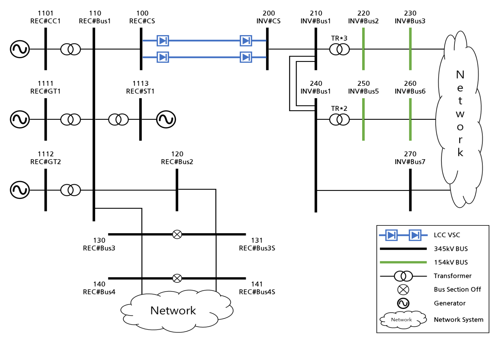
본 장에서는 전류형 HVDC가 포함된 모의 계통을 그림 5와 같이 구성하고 제2장에서 제안한 4가지 평가 방법론을 적용한 운전영역 평가 사례에 대해 소개한다. 정격 용량 3GW 전류형 HVDC는 정류기 측
단락용량 14,800MVA, 인버터 측 13,300MVA 으로 연계하여 실제와 유사한 형태의 계통을 구성하였다.
시뮬레이션은 HVDC 전송량을 5% 단위로 증가시키며 PSS/E 프로그램으로 해석하였으며, 모의 계통에서 고려한 주요 상정고장 목록은 표 2에 나타내었다. 이밖에 개별 분석에 적용된 기준값과 추가 정보는 각 절에서 자세히 기술한다.
표 2 상정고장 목록
Table 2 Contingency List
|
번호
|
상정고장명
|
전압
|
지역
|
|
1
|
110-120 1 line
|
345
|
REC*
|
|
2
|
110-130 1 line
|
|
3
|
130-140, 131-141 2 line
|
|
4
|
210-220 1 Transformer
|
345, 154
|
INV*
|
|
5
|
240-250 1 Transformer
|
|
6
|
240-270 1 line
|
345
|
* REC : Rectifier 정류기 측 (AC→DC)
* INV : Inverter 인버터 측 (DC→AC)
그림 5. 사례 연구를 위한 모의 계통 구성도
Fig. 5. Simulated system configuration for case study
3.2 SCR 분석 결과
SCR은 전력 계통의 강건도를 확인할 수 있는 기본적인 지표이다. 앞서 소개한 식 (2)와 같이, 전송량이 증가할수록 SCR이 감소하는 것을 표 3을 통해 확인할 수 있으며 특히 정류기 측 인근 계통 고장(1∼3번)과 인버터 측(4~6번) 고장으로 인한 선로개방 시, 계통 단락용량 감소로 각
단의 SCR이 크게 감소하는 것을 확인할 수 있다.
표 3 SCR 분석 결과
Table 3 SCR analysis resutls
|
상정고장 번호
|
HVDC 전송량
|
|
10%
|
50%
|
100%
|
|
REC
|
INV
|
REC
|
INV
|
REC
|
INV
|
|
Base Case
|
49.17
|
44.62
|
9.83
|
8.92
|
4.92
|
4.46
|
|
1
|
34.78
|
44.52
|
6.96
|
8.90
|
3.48
|
4.45
|
|
2
|
34.13
|
44.52
|
6.83
|
8.90
|
3.41
|
4.45
|
|
3
|
34.79
|
44.15
|
6.96
|
8.83
|
3.48
|
4.41
|
|
4
|
48.96
|
20.23
|
9.79
|
4.05
|
4.90
|
2.02
|
|
5
|
49.16
|
44.20
|
9.83
|
8.84
|
4.92
|
4.42
|
|
6
|
49.16
|
43.47
|
9.83
|
8.69
|
4.92
|
4.35
|
그림 6. SCR 검토에 기반한 HVDC 운전 가능 영역 (정류기 측)
Fig. 6. HVDC operating range based on SCR review (Rectifier Side)
그림 7을 통해 상정고장 4번 케이스가 인버터 측 계통 강건도에 가장 큰 영향을 주는 고장으로 65% 이상 전송량 구간에서는 기준값으로 가정한 “SCR>3”
이 위반됨을 확인하였다. 전류형 HVDC의 정류기 측과 인버터 측 양단의 상정고장 분석결과를 종합하여 그림 8과 같이 안정 운영 영역을 표현하였다.
그림 7. SCR 검토에 기반한 HVDC 운전 가능 영역 (인버터 측)
Fig. 7. HVDC operating range based on SCR review (Inverter Side)
그림 8. SCR 검토에 기반한 HVDC 운전 가능 영역 (종합)
Fig. 8. HVDC Operating Range Based on SCR Review
3.3 FFTOV 분석 결과
FFTOV는 HVDC가 연계된 모선의 순간적인 과전압을 검토하여 계통, 설비 모두 악영향을 끼칠 수 있는지 평가하는 분석이다. 분석 방법은 PSS/E
모의계통에서 HVDC 전송량을 5% 단위로 증가시켜 가며, 해당 운전점에서 무효전력 보상량에 따른 AC 필터를 투입한다. 이후 HVDC Block
시 컨버터 모선에서 발생하는 순간 과전압의 크기를 계산하였으며, 그 결과는 표 4와 같다.
표 4 FFTOV 분석 결과
Table 4 FFTOV analysis results
|
상정고장 번호
|
HVDC 전송량
|
|
10%
|
50%
|
100%
|
|
REC
|
INV
|
REC
|
INV
|
REC
|
INV
|
|
Base Case
|
1.06
|
1.05
|
1.13
|
1.12
|
1.23
|
1.23
|
|
1
|
1.07
|
1.05
|
1.17
|
1.11
|
1.32
|
1.23
|
|
2
|
1.06
|
1.05
|
1.16
|
1.12
|
1.3
|
1.23
|
|
3
|
1.06
|
1.05
|
1.16
|
1.11
|
1.3
|
1.22
|
|
4
|
1.05
|
1.05
|
1.12
|
1.19
|
1.23
|
1.44
|
|
5
|
1.06
|
1.05
|
1.13
|
1.12
|
1.23
|
1.23
|
|
6
|
1.06
|
1.06
|
1.13
|
1.12
|
1.23
|
1.24
|
전류형 HVDC는 전송량 증가에 따라 무효전력 소모량이 증가하는데, 이를 보상하기 위해 투입되는 필터량이 늘어난다. 따라서 운전점이 증가할수록 HVDC
Block 시, 투입되어 있는 AC 필터에 의해 순간 과전압도 증가하는 경향을 그림 9를 통해 확인할 수 있다. 기준값은 국내의 AC 피뢰기 상용 주파 과전압 배수인 1.35[pu]로 적용해 이보다 큰 값일 때 안정 운영이 어려울 것으로
판단하고 정류기 측과 인버터 측의 검토 결과를 종합하여 그림 10에 운전 가능 영역을 도시하였다.
SCR 검토와 유사하게 인버터 측 4번 상정 고장 시 기준값을 위반하여 85%까지 운전 가능 영역이 산정되었다. 이는 345kV 계통분리로 인해 154kV
계통 연계로 인버터 측 전압이 취약해 지기 때문이며 이러한 경우 단기적으로는 인근의 추가 발전기를 기동하는 등의 운영 방안의 수립과 장기적으로는 동기조상기와
같은 전압 보상 설비 및 신규 송전선로의 연계 등의 설비보강을 통해 HVDC 안정 운전 영역을 증가시킬 수 있다.
그림 9. HVDC 전송량별 FFTOV 분석 결과 (인버터 측)
Fig. 9. Analysis Results of FFTOV by HVDC Operating Range (Inverter Side)
그림 10. FFTOV 검토에 기반한 HVDC 운전 가능 영역 (종합)
Fig. 10. HVDC operating range based on FFTOV review
3.4 UIF 분석 결과
발전기는 단지 단위로 건설되어 단지 내 발전기별 다양한 조합을 통해 전력을 생산하며 UIF 분석을 위해서는 이러한 다양한 조합과 HVDC 연계 모선
인근의 송전선로 상정고장, 그리고 HVDC의 운전량을 함께 고려해야 하므로 검토 시나리오 케이스가 매우 많아질 수 있다. 또한 HVDC는 양단이 전기적으로
분리되어 있으므로 양단 모두 발전기 그룹을 구성하여 분석해야 하나 본 논문에서는 인버터 측 인근에는 발전기가 없도록 구성하고 표 5와 같이 정류기 측에 대해서만 검토하였다.
표 5 발전기 그룹 구성
Table 5 Generator group configuration
|
그룹 번호
|
모선 번호
|
대상 발전기
|
|
1
|
1101
|
REC#CC1
|
|
2
|
1111
|
REC#GT1
|
|
3
|
1112
|
REC#GT2
|
|
4
|
1111
|
REC#GT1
|
|
1113
|
REC#ST1
|
|
5
|
1112
|
REC#GT2
|
|
1113
|
REC#ST1
|
상정고장별 UIF 최대값은 표 6과 같으며, 이를 전송구간별 운전 가능 영역으로 그림 11에 나타내었다. 45% 이상 전송 구간에서는 UIF 지수가 기준치 0.1 이상이 되어 운전 영역이 제한됨을 확인할 수 있는데, 이는 앞서 소개한 식
(3)을 통해 알 수 있듯이 정류기 측 연계 모선에서 상정고장이 발생할 경우 단락용량의 감소와 상대적인 HVDC 운전량 증가로 UIF 지수가 증가한 결과로
판단된다. 이러한 상호 영향 가능성을 해소하기 위한 방안으로, 정류기 연계 모선 인근 발전기의 추가 기동과 같은 단기적 조치 또는 송·변전 설비 보강을
통한 계통 강건도 향상을 고려할 수 있다.
인버터 측에서 분석한 검토 결과는 표 6에 제시된 것과 같이 UIF 지수가 거의 0으로 이는 전기적으로 양단이 분리되어 있다는 것을 의미한다.
표 6 UIF 분석 결과
Table 6 UIF analysis results
|
상정고장 번호
|
HVDC 전송량
|
|
10%
|
50%
|
100%
|
|
REC
|
INV
|
REC
|
INV
|
REC
|
INV
|
|
Base Case
|
0.01
|
0
|
0.05
|
0
|
0.10
|
0
|
|
1
|
0.02
|
0
|
0.11
|
0
|
0.21
|
0
|
|
2
|
0.02
|
0
|
0.11
|
0
|
0.22
|
0
|
|
3
|
0.02
|
0
|
0.11
|
0
|
0.22
|
0
|
|
4
|
0.01
|
0
|
0.05
|
0
|
0.10
|
0
|
|
5
|
0.01
|
0
|
0.05
|
0
|
0.10
|
0
|
|
6
|
0.01
|
0
|
0.05
|
0
|
0.10
|
0
|
그림 11. UIF 검토에 기반한 운전 가능 영역
Fig. 11. HVDC operating range based on UIF review
3.5 Reliability 분석 결과
본 절에서는 전력 계통이 정상 시 및 상정 고상 시 모두 안정적으로 운영되기 위해 요구되는 「전력계통 신뢰도 및 전기 품질 유지기준」의 만족 여부를
검토하며 345kV 설비의 과전압과 과부하 관점에서, ‘전압 기준[pu] : 0.95 ≤ V ≤ 1.05’, ‘선로 과부하 기준[%] : 평상시 100%,
고장 시 120% 이내’로 적용하여, 해당 범위를 벗어났을 때 위반으로 판단하였다. Reliability 분석 결과도 UIF 분석과 마찬가지로 상정고장별
모선과 선로에 대해 모두 분석되기에 검토의 경우의 수가 매우 많다. 이에 상정고장별 각 선로 부하의 최대값과 모선전압의 최대 또는 최소값을 추출하여
표 7, 8에 제시하였으며 이를 종합한 운전 가능 영역은 그림 12에 나타내었다.
표 7 Reliability - Voltage 분석 결과
Table 7 Reliability – voltage analysis results
|
상정고장 번호
|
HVDC 전송량
|
|
80%
|
85%
|
100%
|
|
Base Case
|
1.0455
|
1.0452
|
1.0439
|
|
1
|
1.0455
|
1.0451
|
1.0438
|
|
2
|
1.0456
|
1.0450
|
1.0437
|
|
3
|
1.0475
|
1.0473
|
1.0461
|
|
4
|
1.0418
|
발산
|
발산
|
|
5
|
1.0453
|
1.0449
|
1.0437
|
|
6
|
1.0448
|
1.0445
|
1.0433
|
표 8 Reliability - Overload 분석 결과
Table 8 Reliability – overload analysis results
|
상정고장 번호
|
HVDC 전송량
|
|
80%
|
85%
|
100%
|
|
Base Case
|
63.83
|
63.83
|
66.57
|
|
1
|
73.93
|
80.82
|
101.77
|
|
2
|
93.41
|
101.01
|
121.85
|
|
3
|
63.84
|
63.83
|
66.89
|
|
4
|
64.34
|
발산
|
발산
|
|
5
|
63.83
|
63.83
|
73.79
|
|
6
|
63.82
|
63.82
|
69.47
|
그림 12. Reliability 검토에 기반한 운전 가능 영역
Fig. 12. HVDC Operating Range Based on Reliability Review
과전압 분석 결과 인버터 측 4번 상정 고장에 의해 10~80%까지의 운전 가능 영역이 산정되며 이는 HVDC의 높은 전송량이 345kV 1회선으로만
전달되다가 해당 선로 고장 시 순간적으로 전력을 전환해 줄 대안 경로가 부족하여 시뮬레이션이 수렴하지 못함을 의미한다. 실제 계통 운영 상황에서는
단기적으로 HVDC 긴급 출력 저감(Run-back)과 같은 부가 기능을 통해 고장 시 순간적으로 운전량을 조절함으로써 해소가 가능하다.
과부하 측면에서는 2번 상정 고장 시 95% 이상 전송량 구간에서 120%를 초과하는 과부하가 발생한다. 이는 높은 HVDC 전송량 구간에서 인입선로(정류기
측)의 조류량이 높아지는데, 이때 정류기 측 선로 중 일부에 고장이 발생함에 따라 인근 선로에 과부하가 발생하는 것으로 해석할 수 있다. 이러한 과부하
해소를 위해서는 모선 분리 등의 운영 방안과 위에서와 같이 HVDC의 긴급 출력 저감 기능을 활용하여 95% 이하의 안정 운전이 가능하다.
4. 결 론
본 논문에서는 전류형 HVDC의 안정 운전 영역 산정을 위한 평가 요소를 제시하고, 모의 계통 적용을 통해 각 요소에 대한 검토 결과를 분석하였다.
각 평가 요소의 세부 분석 결과를 종합하여 도출한 최종 운전 가능 영역은 10~45%로 그림 13에 나타내었으며, HVDC의 정격용량에 비해 다소 제한된 운전 범위가 도출되었다.
그림 13. HVDC 종합 운전 가능 영역
Fig. 13. Consolidated operating range of HVDC
그러나 앞서 서술한 것과 같이 이러한 검토 방식은 스크리닝 관점에서 빠르게 운전 영역을 평가하는 데 목적이 있으며, 실제 문제가 발생할 수 있는지에
대한 여부는 위반되는 영역에서의 상세 검토를 통해 판단하는 것이 바람직하다.
본 연구 결과는 계획단계에서는 전력 설비의 효과적인 운전을 위한 적절한 설비보강 계획 수립에 활용될 수 있다. 또한 운영 단계에서는 계획단계에서 고려된
계통환경과 달리 지연되거나 변경된 계통 조건하에서도 안정적이고 효율적인 운전이 가능하도록 운전 전략을 수립하는데 활용될 수 있다. 결과적으로 설비,
계통 신뢰도, 제어 성능 등 다양한 관점을 종합적으로 분석하여 산정된 운전 가능 영역은 예기치 못한 계통 운영 상황에서도 HVDC의 안정적인 운전을
보장함으로써 전력계통 계획과 운영에 기여할 것으로 기대된다.
Acknowledgements
본 과제(결과물)는 2025년도 교육부 및 전라남도의 재원으로 전라남도RISE센터의 지원을 받아 수행된 지역혁신중심 대학지원체계(RISE)의 결과입니다.(2025-RISE-14-001)
본 연구는 산업통상자원부(MOTIE)와 한국에너지기술평가원(KETEP)의 지원을 받아 수행한 연구 과제입니다. (No. 2410012285(02315150))
References
Y. S. Lim, “Current status of HVDC in Korea and application of BTB HVDC in future
power systems,” J. Electr. World Monthly Mag., no. 474, pp. 44-48, Jun. 2016.

“11th transmission and substation system plan,” Available: https://tinyurl.com/22nsyyks(accessed
Aug. 20, 2025).

S.-Y. Lee and M.-H. Yoon, “A study on the operation strategies of multi-infeed HVDC
system in Jeju Island power system,” J. Korean Inst. Electr. Eng., vol. 66, no. 12,
pp. 1675-1681, 2017.

EPRI, “High voltage direct current handbook,” 1st ed., 1994.

B Franken, G Andersson, “Analysis of HVDC converters connected to weak AC systems,”
IEEE Transactions on Power Systems, vol. 5, no. 1, pp. 235-242, 1990.

ALSTOM Grid, HVDC for beginners and beyond, Company Booklet, 2009.

P. Kundur, Power system stability and control, McGraw-Hill, pp. 463, 1994.

B. Ko, S. Jung, J. Song, J. Lee, Y. Kim and D. Jeon, “Development of HVDC model for
electromagnetic transient analysis,” J. Korean Inst. Electr. Eng., vol. 68, no. 3,
pp. 383-392, 2019.

A. O. Akinrinde, A. Smith and T. Brown, “Investigation and analysis of temporary overvoltages
caused by filter banks at onshore wind farm substation,” Int. J. Renew. Energy Res.,
vol. 7, no. 2, 2017.

C. Zhou, Y. Liu and X. Wang, “A study of temporary overvoltage at HVDC rectifier stations,”
Proc. IEEE Conf., Canada, 2011.

IEC 60071-1, “Insulation coordination – Part 1: Definitions, principles and rules,”
International Electrotechnical Commission, pp. 67, 2006.

EPRI, “Torsional interaction between electrical network phenomena and turbine-generator
shafts,” Technical Report, 2006.

Manitoba HVDC Research Centre, “Sub-synchronous oscillations – An introduction,” 2016.

저자소개
He received the B.S. degree in Electrical Engineering from Sungkyunkwan University,
and M.S. degree in Electrical Engineering and Computer Science from Seoul National
University, Seoul, Korea, in 2013. He is currently a Senior Researcher at the Research
Institute of Korea Electric Power Corporation (KEPCO), Daejeon, Korea.
He received his B.S., M.S., and Ph.D. degrees in Electrical Engineering from Kyungpook
National University, Daegu, Korea, in 1993, 1995, and 2006, respectively. Since 1995,
he has been with Korea Electric Power Corporation Research Institute (KEPRI), the
research institute of Korea Electric Power Corporation. He is currently a Chief
Researcher and leads the Power System Research Laboratory in KEPRI. From March 2003
to February 2004, he was a Visiting Scholar in EPRI(Electric Power Research Institute),
Palo Alto, CA, USA. His research interests include IBR integration into power systems,
wide area monitoring, protection and control systems based on synchro-phasor data,
real-time digital simulations, and dynamic stability studies.
He received his B.S. and M.S. degrees in Electrical Engineering from Daegu Catholic
University, Gyeongsan, Korea, in 2018 and 2021, respectively. Currently, he is an
Engineer at the FACTS & HVDC System Design Team of Hyosung Heavy Industries Corporation,
Anyang, Korea. His engineering interests include STATCOM control and power systems
analysis.
He received his B.S. and Ph.D. degrees in Electrical Engineering from Korea University,
Seoul, Korea, in 2011 and 2018, respectively. Currently, he is a Senior Researcher
at the Research Institute of Korea Electric Power Corporation (KEPCO), Daejeon, Korea.
His research interests include power systems analysis transmission hosting capacity,
and HVDC operation strategy.
He received his B.S. and Ph.D. degrees in Electrical Engineering from Pusan National
University, Busan, Korea, in 2009 and 2016, respectively. From 2016 to 2025, he worked
at the headquarter and the Research Institute of Korea Electric Power Corporation
(KEPCO). He is currently an Assistant Professor in the Department of Electrical Engineering
at Mokpo National University. His research interests include analysis and operation
of power electronic facilities in power systems, including HVDC, FACTS, and renewable
energy integration.