남주현
(Ju Hyeon Nam)
1iD
정강률
(Gang-Youl Jeong)
†iD
-
(Department of Electrical and Robot Engineering, Soonchunhyang University, Republic
of Korea)
Copyright © The Korea Institute for Structural Maintenance and Inspection
Key words
Dual-transformer, LC or LLC series resonant circuit, Resonant inductance and capacitor, PFM control
1. 서 론
최근 신재생에너지 산업이 빠르게 성장하면서, 이에 효과적으로 대응할 수 있는 에너지시스템의 구축과 전력변환장비의 성능 향상이 중요한 과제로 부상하고
있다[1]. 통상적으로 신재생에너지원은 외부 환경 요인에 따라 출력 변동이 크기 때문에, 안정적인 전력 공급을 위해 전력변환 기술이 필수적으로 요구된다[2,3]. 이러한 기술적 요구는 전기자동차, 에너지저장시스템(ESS) 등 다양한 산업응용 분야에서도 공통적으로 나타나며, 고효율, 고신뢰성, 고전력밀도는
물론, 넓은 입력전압 범위를 지원할 수 있는 컨버터에 대한 수요 또한 산업계 전반에서 지속적으로 증가하고 있다[4,5].
펄스주파수변조(PFM; Pulse Frequency Modulation) 방식의 LLC(인덕터–인덕터–커패시터) 공진컨버터는 구조가 간단하면서도 높은
효율, 우수한 신뢰성, 높은 전력밀도 등의 장점을 갖추고 있어 다양한 산업응용 분야에서 널리 사용되고 있다[6]. 그러나 LLC 컨버터는 넓은 입력전압 범위에서 동작할 경우, 제어방식의 특성상 스위칭주파수가 크게 변동하는 경향이 있다. 특히 높은 입력전압에서
동작할 때에는 공진주파수를 초과하는 영역에서 작동할 가능성이 높으며, 이 영역에서는 이득 곡선의 기울기가 완만하여 동작점이 오른쪽으로 크게 이동하게
된다. 이러한 특성으로 인해 전통적인 LLC 컨버터는 상대적으로 좁은 이득 범위에서만 안정적인 동작이 가능하며, 넓은 입력전압 범위에서는 안정성이
저하되는 한계가 있다.
LLC 컨버터의 이러한 한계를 극복하기 위하여 다양한 선행 연구가 수행되었다. [7,8]에서는 컨버터 1차측에 보조 공진커패시터와 추가 스위치를 도입하여 공진주파수를 조절하는 방식을 제안하였으나, 설계상 동작범위가 제한적이어서, 넓은
입력전압 범위를 지원하기에는 어려움이 있었다. [9]에서는 2차측 풀브리지 정류기의 한 레그(leg)를 동기정류기로 대체하고 단락회로(short circuit) 시간 비율을 조절하여 출력이득을 향상시키고자
하였다. 하지만 이 방식은 공진요소의 설계를 단순화할 수 있는 장점이 있긴 했으나, 단락시간이 길어짐에 따라 1차측 순환손실이 증가하는 문제가 발생하였다.
[10]은 LLC 컨버터와 부스트 컨버터를 결합한 토폴로지로 전력밀도의 향상을 시도하였지만, 동작주파수의 범위가 좁아 전력밀도 개선 효과에 한계가 있었다.
[11]에서는 풀브리지 LLC 회로와 3레벨 LLC 회로 간의 모드스위칭을 통해 입력전압 범위를 확장하고자 하였으나, 각 스위치 소자 간의 전압강하가 서로
달라 전체 효율이 저하되고 스위치 개수가 증가함에 따라 제작비용이 증가하는 문제가 있었다. [12]에서는 낮은 전압이득이 요구되는 상황에서 양방향 스위치를 활용해 공진탱크의 입력전압을 절반으로 줄이는 토폴로지를 제안하였다. 그러나 이 방식 역시
스위치 개수가 많아져 회로 구조가 복잡해지고 제작비용이 증가하는 문제를 동반하였다. 마지막으로 [13]에서는 2개의 하프브리지를 직렬로 구성하여 입력전압 범위를 2배로 확장하는 3레벨 LLC 컨버터를 제안하였으나, 스위칭타이밍 또는 변압기 권선비의
불일치로 인해 입력단 커패시터에 전압 불균형이 발생하는 문제가 있었다.
본 논문에서는 넓은 입력전압 범위를 가지면서도 높은 효율로 동작하는 듀얼변압기(dual-transformer) 공진컨버터를 제안하고자 한다. 제안하는
컨버터는 듀얼변압기 구조로부터 기인하는 등가 직렬 공진인덕턴스와 공진커패시터에 의한 LC 또는 LLC 직렬 공진회로를 이용하여 고효율을 달성한다.
듀얼변압기는 2개의 센터탭 방식 변압기로 구성되며, 각 변압기의 1차권선은 서로 직렬연결하고 두 2차권선은 각각 서로 병렬연결하는 방식으로 구현된다.
이러한 구조는 1차측 유효 입력저항을 증가시키고 2차측 권선저항을 감소시켜, 전력변환 효율을 높이며 고전압 직류입력에 유리하게 한다. 또한 각 변압기의
두 2차권선을 각 코어상에서 반대 순서로 교차 권선하고 배치하여 두 변압기가 상호 유기적으로 동작하도록 한다. 그리하여 해당 동작모드의 공진인덕턴스를
실효적으로 동일하게 함으로써 2차전류의 크기 균형을 맞추어 컨버터의 안정적인 동작을 도모한다. 본 논문에서는 먼저, 제안하는 컨버터의 동작원리를 동작모드별로
설명하고, 그후 듀얼변압기의 권선 및 구성 방식과 그 효과를 간략히 소개한다. 그리고 컨버터의 동작원리와 기본파근사화방식(FHA; First Harmonic
Approximation)에 기반한 프로토타입의 설계예시를 제시하고, 마지막으로, 실험결과를 통하여 제안한 컨버터의 우수한 동작 특성을 검증한다.
2. 제안한 컨버터의 동작원리
그림 1은 제안한 컨버터의 전력회로이다. 이 전력회로에서 $V_{i}$는 직류 입력전압이고, $S_{1}$과 $S_{2}$는 1차 하프브리지 MOSFET
전력반도체스위치(스위치)이며, $D_{1}$~$D_{4}$는 2차 센터탭 전파 정류다이오드이다. $T_{1}$과 $T_{2}$는 1차 권선수와 2차
권선수가 각각 $N_{p1}=N_{p2}=N_{p}$와 $N_{s1}=N_{s2}=N_{s3}=N_{s4}= N_{s}$이고 권선비가 $n=N_{p}/N_{s}$인
센터탭 방식 절연변압기이다. 또한 $T_{1}$과 $T_{2}$는, 1차권선은 서로 직렬연결하고 두 2차권선은 각각을 서로 병렬
그림 1. 제안한 컨버터의 전력회로
Fig. 1. The power circuit of proposed converter
연결하여, 듀얼변압기를 형성한다. 듀얼변압기 내의 자화인덕턴스 $L_{m1}$과 $L_{m2}$, 1차 누설인덕턴스 $L_{kp1}$과 $L_{kp2}$,
그리고 2차 누설인덕턴스 $L_{ks1}$~$L_{ks4}$는 공진커패시터 $C_{r}$과 더불어 LC 또는 LLC 등가 직렬공진 회로를 형성한다.
이를 이용하여 제안한 컨버터는 1차 하프브리지 스위치를 영전압스위칭(ZVS; Zero Voltage Switching)하고 2차 정류다이오드를 영전류스위칭(ZCS;
Zero Current Switching)함으로써 스위칭손실을 감소시킨다. 제안한 컨버터는 PFM 방식으로 출력전압을 제어한다.
2.1 동작모드 분석
이 절에서는 편의상, 제안한 컨버터의 동작을 1차 하프브리지 스위치 $S_{1}$, $S_{2}$와 2차 정류다이오드 $D_{1}$~$D_{4}$의
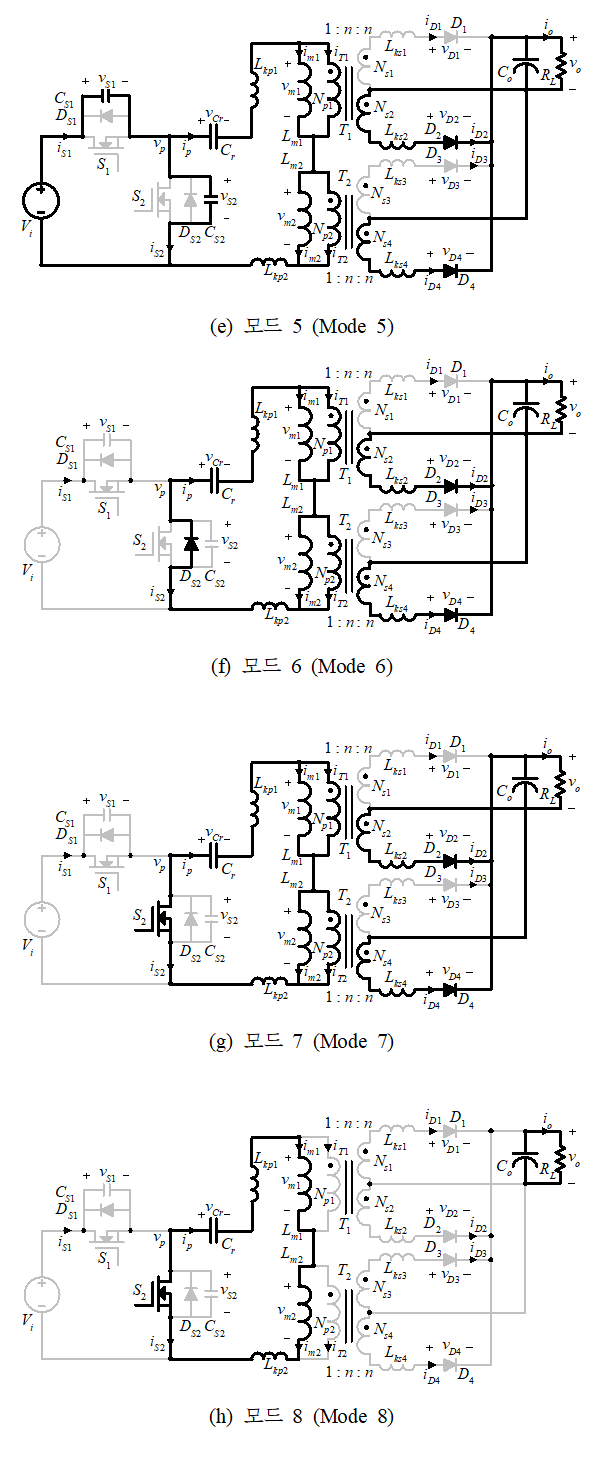
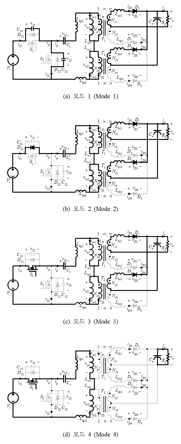
도통 또는 차단 상태에 따라 8개의 동작모드로 구분하여 설명한다. 그림 2는 제안한 컨버터의 전력회로 주요부의 이론적 동작파형을 보이고, 그림 3은 각 동작모드의 등가회로를 보인다. 그림 3에서 짙게 표시한 부분은 전류가 도통하는 부분이고, 옅게 표시한 부분은 전류가 차단된 부분을 나타낸다. 본 해석에서 제안한 컨버터는 정상상태에서 동작하고
있으며, 출력커패시턴스 $C_{o}$는 출력전압이 $v_{o}=V_{o}$로 일정하다고 할 만큼 매우 크다고 가정한다.
그림 2. 제안한 컨버터의 전력회로 주요부의 이론적 동작파형
Fig. 2. The theoretical operating waveforms of the key parts of the power circuit
of proposed converter
그림 3. 각 동작모드의 등가회로
Fig. 3. The equivalent circuits of each operating mode
제안한 컨버터는 모드 1전인 시간 $t=t_{0}$ 이전에, 스위치 $S_{2}$는 턴온상태이고, 1차전류 $i_{p}$는 듀얼변압기 $T_{1}$과
$T_{2}$의 각 자화전류 $i_{m1}$ 및 $i_{m2}$와 같으며($i_{p}= i_{m1}=i_{m2}$), 정류다이오드 $D_{1}$~$D_{4}$는
모두 턴오프상태이다. 즉 제안한 컨버터는 모드 1 이전에 바로 전 스위칭주기의 마지막 동작모드로 동작하고 있었다고 가정한다.
• 모드 1($t=t_{0}\sim t_{1}$) : 그림 3(a)의 이 모드는, 시간 $t=t_{0}$에서 스위치 $S_{2}$를 턴오프하며 시작된다. 그러면 정류다이오드 $D_{1}$과 $D_{3}$가 턴온하여
도통상태가 된다. 이때 듀얼변압기 $T_{1}$과 $T_{2}$의 각 1차전압은 모두 $v_{m1}=v_{m2}\approx n V_{o}$가 되며,
스위치 $S_{1}$과 $S_{2}$의 각 출력커패시턴스 $C_{S1}$과 $C_{S2}$($C_{S1}=C_{S2}=C_{oss}$)는 다음과 같은
등가 직렬 공진인덕턴스 $L_{r1}$과 공진커패시터 $C_{r}$과 더불어 공진상태가 된다.
여기서 $L_{k1}$=$L_{kp1}+ n^{2}L_{ks1}$과 $L_{k2}$=$L_{kp2}+ n^{2}L_{ks3}$는 각각 듀얼변압기 $T_{1}$과
$T_{2}$의 1차측에서 바라본 등가 유효 누설인덕턴스이고, $L_{kp1}$=$L_{kp2}$=$L_{kp}$는 각 변압기의 1차 누설인덕턴스이다.
1차전류 $i_{p}$는 $C_{S1}$과 $C_{S2}$를 각각 방전하고 충전하며, 각 변압기의 자화전류 $i_{m1}$과 $i_{m2}$는 다음과
같이 표현된다.
여기서 $L_{m}$=$L_{m1}$=$L_{m2}$이며, $i_{m1}(t_{0})$=$i_{m2}(t_{0})$는 시간 $t$=$t_{0}$에서의
듀얼변압기의 자화전류이다. 이때 1차전류는 $i_{p}$>$i_{m1}$=$i_{m2}$이므로, 2차권선 전류 $i_{D1}$과 $i_{D3}$는
다음과 같이 흐른다.
시간 $t$=$t_{1}$에서 스위치 $S_{1}$의 전압은 $v_{S1}$=0으로 방전되고, 스위치 $S_{2}$의 전압은 $v_{S2}$=$V_{i}$로
충전된다.
• 모드 2($t=t_{1}\sim t_{2}$) : 그림 3(b)의 이 모드는, 시간 $t$=$t_{1}$에서 2차 정류다이오드 $D_{1}$과 $D_{3}$는 도통상태이며, 스위치 $S_{1}$의 전압이 $v_{S1}$=0이므로
스위치 $S_{1}$의 역병렬다이오드 $D_{S1}$이 턴온된다. 이때 듀얼변압기 $T_{1}$과 $T_{2}$의 각 1차전압은 모두 $v_{m1}$=$v_{m2}$$\approx
n V_{o}$이며, 자화전류 $i_{m1}$과 $i_{m2}$는 $n V_{o}/L_{m}$의 기울기로 계속 선형 증가한다. 전압 $V_{i}-2n
V_{o}$가 $L_{r1}$-$C_{r}$의 등가 직렬 공진회로망에 인가된다. 이때 이 회로는 공진주파수 $f_{r1}= 1/(2\pi\sqrt{L_{r1}C_{r}})$로
LC 직렬 공진한다. 이 모드에서는 1차전류가 $i_{p}>0$이 되기 전, 즉 시간 $t=t_{2}$에서 $S_{1}$을 턴온하여 $S_{1}$의
ZVS를 달성한다.
• 모드 3($t=t_{2}\sim t_{3}$) : 그림 3(c)의 이 모드는, 시간 $t=t_{2}$에서 스위치 $S_{1}$이 ZVS로 턴온하면서 시작된다. 공진회로망 $L_{r1}$-$C_{r}$이 공진주파수
$f_{r1}$으로 직렬 공진한다. 1차전류 $i_{p}$는 음(-)에서 양(+)의 값으로 변하며 다음과 같이 흐른다.
여기서 $Z_{r1}=\sqrt{L_{r1}/C_{r}}$과 $\omega_{r1}= 1/\sqrt{L_{r1}C_{r}}$은 각각 이 모드의 특성임피던스와
공진각주파수이고, $v_{Cr}(t_{2})$와 $i_{p}(t_{2})$는 각각 시간 $t=t_{2}$에서의 공진커패시터 전압과 1차전류이다. 그리고
1차전류 $i_{p}$에 의해 공진커패시터 전압 $v_{Cr}$은 다음과 같이 계산된다.
또한 각 변압기의 자화전류 $i_{m1}$과 $i_{m2}$는 다음과 같은 기울기로 계속 선형 증가한다.
여기서 각 변압기의 자화인덕턴스는 $L_{m1}$=$L_{m2}$=$L_{m}$이다.
이때 1차전류가 $i_{p}$>$i_{m1}$=$i_{m2}$이므로, 2차 정류다이오드 $D_{1}$과 $D_{3}$는 계속 도통상태로 식 (3)과 같은 2차전류 $i_{D1}$과 $i_{D3}$를 각각 흘린다. 그리고 시간 $t=t_{3}$에서 1차전류가 $i_{p}$=$i_{m1}$=$i_{m2}$가
되면, 듀얼변압기의 각 2차전류가 $i_{D1}$=$i_{D3}$=0이 되어 $D_{1}$과 $D_{3}$가 ZCS로 턴오프한다.
• 모드 4($t=t_{3}\sim t_{4}$) : 그림 3(d)의 이 모드는, 시간 $t=t_{3}$에서 2차 정류다이오드 $D_{1}$과 $D_{3}$가 턴오프하며 시작된다. 그러면 듀얼변압기의 구조로 인하여
다음과 같은 등가 직렬 공진인덕턴스 $L_{r2}$가 형성된다.
여기서 $L_{kp1}=L_{kp2}=L_{kp}$와 $L_{m1}=L_{m2}=L_{m}$은 각각 듀얼변압기 1차측의 누설인덕턴스와 자화인덕턴스이다.
그리고 입력전압 $V_{i}$가 $L_{r2}$-$C_{r}$의 등가 직렬 공진회로망에 인가되며, 이 회로는 LLC 직렬 공진한다. 이때 1차전류
$i_{p}$와 공진커패시터 전압 $v_{Cr}$은 다음의 식과 같이 각각 계산된다.
여기서 $Z_{r2}=\sqrt{L_{r2}/C_{r}}$와 $\omega_{r2}= 1/\sqrt{L_{r2}C_{r}}$은 각각 이 모드의 특성임피던스와
공진각주파수이며, $v_{Cr}(t_{3})$와 $i_{p}(t_{3})$는 각각 시간 $t=t_{3}$에서의 공진커패시터 전압과 1차전류이다. 시간
$t=t_{4}$에서 스위치 $S_{1}$을 턴오프한다.
• 모드 5($t=t_{4}\sim t_{5}$) : 그림 3(e)의 이 모드에서는, 시간 $t$=$t_{4}$에서 스위치 $S_{1}$이 턴오프하면, 1차전류는 $i_{p}$<$i_{m1}$=$i_{m2}$이므로,
2차 정류다이오드 $D_{2}$와 $D_{4}$가 턴온하여 다음과 같은 2차전류를 각각 흘린다.
또한 1차전류 $i_{p}$는 하프브리지 스위치의 각 출력커패시턴스 $C_{S1}$과 $C_{S2}$의 전압 $v_{S1}$과 $v_{S2}$를 다음과
같이 각각 충/방전한다.
여기서 $i_{p}(t_{4})$는 시간 $t$=$t_{4}$에서의 1차전류이다.
이때 듀얼변압기의 각 1차전압은 $v_{m1}$=$v_{m2}$$\approx - n V_{o}$이며, 자화전류 $i_{m1}$과 $i_{m2}$는
$-n V_{o}/ L_{m}$의 기울기로 선형 감소한다. 그리하여 시간 $t=t_{5}$에서 각 스위치 $S_{1}$과 $S_{2}$의 전압은 각각
$v_{S1}$=$V_{i}$와 $v_{S2}$=0이 된다.
• 모드 6($t=t_{5}\sim t_{6}$) : 그림 3(f)의 이 모드에서는, 1차전류가 $i_{p}$>0이고 스위치 $S_{2}$의 전압이 $v_{S2}$=0이므로, 역병렬다이오드 $D_{S2}$가 턴온하여
도통하며, 2차 정류다이오드 $D_{2}$와 $D_{4}$는 여전히 도통상태이다. 그리고 듀얼변압기의 각 1차전압은 $v_{m1}$=$v_{m2}$$\approx$$-n
V_{o}$가 되어, 각 자화전류 $i_{m1}$과 $i_{m2}$는 $-n V_{o}/ L_{m}$의 기울기로 선형 감소한다. 다음과 같은 등가
직렬 공진인덕턴스 $L_{r3}$와 공진커패시터 $C_{r}$이 직렬 공진하며, 1차전류 $i_{p}$는 감소한다.
여기서 $L_{k3}$=$L_{kp1}+ n^{2}L_{ks2}$와 $L_{k4}$=$L_{kp2}+ n^{2}L_{ks4}$는 각각 변압기 $T_{1}$과
$T_{2}$의 1차측에서 바라본 등가 유효 누설인덕턴스이고, $L_{kp1}$=$L_{kp2}$=$L_{kp}$는 각 변압기의 1차 누설인덕턴스이다.
1차전류가 $i_{p}<0$이 되기 전인 시간 $t=t_{6}$에서 $S_{2}$를 턴온하여 $S_{2}$의 ZVS를 달성한다.
• 모드 7($t=t_{6}\sim t_{7}$) : 그림 3(g)의 이 모드는, 시간 $t=t_{6}$에서 스위치 $S_{2}$가 ZVS로 턴온하면서 시작한다. $2n V_{o}- v_{Cr}$의 전압이 $L_{r3}$-$C_{r}$의
등가 직렬 공진회로망에 인가되고, 이 회로는 모드 3의 동작처럼 LC 직렬 공진한다. 이때 1차전류 $i_{p}$와 공진커패시터 전압 $v_{Cr}$은
각각 다음과 같이 계산된다.
여기서 $Z_{r3}=\sqrt{L_{r3}/C_{r}}$와 $\omega_{r3}= 1/\sqrt{L_{r3}C_{r}}$은 각각 이 모드의 특성임피던스와
공진각주파수이며, $v_{Cr}(t_{6})$와 $i_{p}(t_{6})$는 각각 시간 $t=t_{6}$에서의 공진커패시터 전압과 1차전류이다. 그리고
각 변압기의 자화전류는 다음과 같이 계속 선형 감소한다.
여기서 $L_{m}= L_{m1}=L_{m2}$이며 $i_{m1}(t_{6})= i_{m2}(t_{6})$는 시간 $t=t_{6}$에서의 듀얼변압기
$T_{1}$과 $T_{2}$의 자화전류이다. 이때 1차전류가 $i_{p}< i_{m1}= i_{m2}$이므로, 정류다이오드 $D_{2}$와 $D_{4}$는
계속 도통하여 식 (10)과 같은 2차전류 $i_{D2}$와 $i_{D4}$를 각각 흘린다. 시간 $t=t_{7}$에서 1차전류가 $i_{p}$=$i_{m1}$=$i_{m2}$가
되어 정류다이오드 $D_{2}$와 $D_{4}$가 ZCS 턴오프된다.
• 모드 8($t=t_{7}\sim t_{0}'$) : 그림 3(h)의 이 모드에서는, 시간 $t=t_{7}$에서 1차전류가 $i_{p}= i_{m1}=$$i_{m2}$가 되고 이때 2차 정류다이오드 $D_{1}\sim
D_{4}$는 모두 턴오프 상태가 된다. 그러면 모드 4와 유사하게 식 (7)의 등가 직렬 공진인덕턴스 $L_{r2}$와 공진커패시터 $C_{r}$이 공진각주파수 $\omega_{r2}$로 LLC 등가 직렬공진한다. 시간 $t=t_{0}'$에서
스위치 $S_{2}$를 턴오프하면, 이 모드와 전체 한 스위칭주기 동작이 모두 종료된다. 그다음, 컨버터는 모드 1로 되돌아가서 다음 스위칭주기 동작을
반복한다.
2.2 제안한 컨버터의 듀얼변압기
그림 4(a)는 센터탭 형태의 주변압기를 1개만 사용하는 전통적인 LLC 컨버터의 전력회로를 보이고, 그림 4(b)는 이 컨버터에 자주 활용되는 센터탭 변압기의 물리적 구조를 개념 단면도로 나타내고 있으며 변압기 회로에서 이에 대응하는 권선도 함께 보여준다. 여기서
$L_{ksn}$은 공칭 2차 누설인덕턴스이고 $\Delta L_{ks}$는 권선의 코어와의 이격거리에 따른 2차 누설인덕턴스 변동분이다. 그림 4(b)의 변압기 구조에서는, 우선 컨버터에서 공진인덕턴스로 이용하는 누설인덕턴스의 크기가 작은 값으로 제한된다. 그래서 때로 별도의 공진인덕턴스를 추가하여
이용하기도 한다. 또한 이러한 구조에서는, 각 2차권선의 코어로부터의 이격거리 차이로 인해, LC 등가 직렬공진 회로 동작모드에서 공진인덕턴스로 이용하는,
변압기 1차측에서 바라본 각 등가 누설인덕턴스 $L_{kp}+n^{2}L_{ks1}$과 $L_{kp}+n^{2}L_{ks2}$ 사이에, 다음과 같은
크기 차이 $|\Delta L_{r}|$이 불가피하게 발생하게 된다.
따라서 필요한 공진주파수의 구현이 매우 제한적이고, 각 LC 등가 직렬공진 회로 동작모드 간 특성임피던스와 공진각주파수가 모두 불일치하게 되어, 변압기
1차전류의 양(+)과 음(-) 부분의 절대값이 서로 달라지게 되며, 이에 따라 2차 정류다이오드 전류의 크기 차이도 발생하게 된다.
그러나 제안한 컨버터는 2개의 센터탭 변압기를 유기적으로 이용하는 듀얼변압기 구조를 적용함으로써 이러한 문제를 극복한다. 먼저, 그림 4(c)의 구조에서 보는 것처럼, 격벽이 있는 변압기 보빈을 이용하여 누설인덕턴스의 크기를 적절한 크기로 구현한다. 뿐 아니라, 각 변압기의 두 2차권선을
코어상에서 반대 순서로 각각 교차 권선 및 배치하며, 그림 1의 회로에서 보듯이, 변압기의 1차권선은 서로 직렬연결하고 2차권선은
그림 4. 전통적 LLC 컨버터와 제안한 컨버터의 변압기 구조 비교
Fig. 4. The comparison of the transformer structures between the conventional LLC
converter and the proposed converter
서로 병렬연결한다. 그림 4(c)에서 $L_{ks1n}$=$L_{ks2n}$=$L_{ksn}$은 각 변압기의 2차측 공칭 누설인덕턴스이며, $\Delta L_{ks}$는 권선의 코어와의
이격거리에 따른 2차 누설인덕턴스 변동분이다. 그러면 제안한 컨버터에서 공진인덕턴스의 일부로 이용되는 변압기 2차측의 누설인덕턴스가 해당 동작모드별(모드
4와 8을 제외한 나머지 모드)로 각각 서로 엇갈려 적용되므로, 식 (1)과 (13)의 등가 직렬 공진인덕턴스 $L_{r1}$과 $L_{r3}$가 모든 해당 모드에서 다음과 같이 동일한 값으로 수월하게 적용될 수 있다.
여기서 $L_{kp1}= L_{kp2}=L_{kp}$는 각 변압기의 1차 누설인덕턴스이고, $L_{k}= L_{k1}=L_{k2}= L_{k3}=L_{k4}=L_{kp}+
n^{2}L_{ksn}$은 각 해당 모드의 각 변압기의 1차측에서 바라본 등가 누설인덕턴스이다. 이렇게 하면, 1차전류의 양(+)과 음(-) 구간의
절대값과 공진각주파수가 각 해당 모드 간 각각 같아지고, 2차 정류다이오드의 전류도 각각 서로 같은 크기로 흐르게 된다.
그리고 다음은 그림 4(a)의 전통적인 LLC 컨버터의 1차측으로 반영된 교류 등가 부하저항 식이다.
그러나 제안한 컨버터는 1차권선과 2차권선이 각각 서로 직렬과 병렬 형태로 연결된 듀얼변압기 구조를 이용하여, 전통적인 컨버터 구조에 비해 1차측으로
반영된 교류 등가 부하저항을 2배 증가시켜($2R_{L}'$) 유효 입력저항을 증가시키고 2차권선의 권선저항을 낮춤으로써 컨버터의 효율을 더욱 향상시킨다.
뿐 아니라, 이러한 구조를 이용하면, 듀얼변압기의 각 1차권선에 입력전압이 나누어 걸리게 되므로, 높은 직류전압의 입력이 수월하게 되어 입력전압의
범위를 넓게 할 수 있는 장점도 생긴다.
3. 제안한 컨버터 프로토타입의 설계예시
제안한 컨버터 프로토타입의 주요 설계사양은 표 1과 같다. 제안한 컨버터의 직류 입력전압은 가변 출력전압 전단조정기(pre-regulator)인 역률개선회로(PFC; Power Factor Correction)로부터
공급된다.
표 1 제안한 컨버터 프로토타입의 주요 설계사양
Table 1 The key design specifications of the proposed converter prototype
|
항 목
|
수 치
|
|
직류 입력전압 범위($V_{i}^{\min}$~$V_{i}^{\max}$)
|
250~380[V]
|
|
공칭 입력전압 $V_{i}^{nom}$
|
310[V]
|
|
PFC 교류 입력전원 주파수($f_{l i n e}$)
|
60[Hz]
|
|
직류 출력전압($V_{o}$)
|
37[V]
|
|
최대 출력전력($P_{o,\: \max}$)
|
400[W]
|
먼저, 컨버터가 최대 출력전력 $P_{o,\: \max}$=400[W]를 출력할 수 있게 하기 위하여, 설계 효율을 고려한 최대 입력전력 $P_{i,\:
\max}$를 계산한다. 통상적으로, 저전압 출력 응용에서는 설계 효율을 $\eta$=0.88~0.92 정도로 선정하고 고전압 응용에서는 $\eta$=0.92~0.96
정도로 선정한다[14]. 본 설계사양의 출력전압은 $V_{o}$=37[V]로 상대적으로 저전압 출력 응용에 해당되나, 제안한 컨버터의 듀얼변압기 구조와 이를 이용한 LLC
컨버터의 효율 특성을 고려하여 설계효율을 $\eta$=0.96으로 두어 최대 입력전력 $P_{i,\: \max}$를 다음과 같이 계산한다.
제안한 컨버터의 입력전압은 전단조정기인 PFC의 출력전압이나 그 교류 입력전압이 60[Hz]의 라인주파수 전원으로부터 인가되므로, 홀드업(hold-up)
시간을 고려하기 위한 직류 링크 벌크 커패시턴스 $C_{DC}$를 계산한다.
여기서 $T_{HU}$=16.67[ms]는 홀드업 시간으로, PFC 교류 입력전원의 정현파 주기이다. 그리하여 직류 링크 벌크 커패시턴스는 계산된
값에 2배 정도의 여유(margin)를 가지는 상용커패시턴스 값인 $C_{DC}$=330[μF]/450[V]를 적용한다
통상적으로, LLC 컨버터는 스위칭주파수의 변동을 최소화하기 위하여 직렬 공진주파수의 근처에서 동작한다. 따라서 하프브리지 LLC 컨버터는 정상상태
조건에서 FHA를 이용하여 수학적으로 간단하고 빠른 분석이 가능하다[15]. 그림 5는 제안한 컨버터의 FHA 등가회로 모델이다. 여기서 $V_{fi}$는 입력전압의 기본파 성분이고, $V_{fo}$는 변압기 1차측의 기본파 성분이며,
$R_{eo}=R_{L}'$는 변압기 1차측으로 반영된 등가 부하저항이다. 그림 5로부터 기본파 교류 등가 입출력 전압전달비 또는 전압이득 $M_{g,\: AC}$는 다음과 같이 계산된다.
여기서 $X_{Lm}$=$\omega L_{m}$, $X_{Lr}$=$\omega L_{r}$=$\omega(2L_{k})$=$\omega(L_{k1}+L_{k2})$=$\omega(L_{k3}+L_{k4})$
및 $X_{Cr}$=$1/(\omega C_{r})$은 각각 해당 인덕턴스 $L_{m}$, $L_{r}$=$L_{r1}$=$L_{r3}$ 및 커패시턴스
$C_{r}$의 리액턴스 값이다. 또한 이와 유사한 방식으로, 식 (22)로부터 제안한 컨버터의 직류 전압이득 $M_{g,\: DC}$를 다음과 같이 구할 수 있다.
그림 5. 제안한 컨버터의 FHA 등가회로 모델
Fig. 5. The FHA equivalent circuit model of the proposed converter
여기서 $L_{n}=(2L_{m}/ L_{r})= L_{m}/(L_{r}/ 2)= L_{m}/ L_{k}$은 각 변압기 $T_{1}$ 또는 $T_{2}$의
1차측에서 바라본 등가 누설인덕턴스 $L_{k}$에 대한 자화인덕턴스 $L_{m}$의 정규화 인덕턴스비이고, $f_{n}= f_{s}/ f_{r}$는
공진주파수 $f_{r}= 1/(2\pi\sqrt{2L_{k}C_{r}})$에 대한 스위칭주파수 $f_{s}$의 정규화 주파수비이며, $Q_{e}$=$Z_{r}/(2R_{eo})$=$(\sqrt{2L_{k}/C_{r}})/(2R_{eo})$은
양호도(Quality Factor)이다.
FHA 모델을 이용한 본 설계에서는, 먼저 다음의 식을 이용하여 최대 직류 전압이득 $M_{g,\: DC}^{\max}$를 구한다.
여기서 최소 직류 전압이득은 $M_{g,\: DC}^{\min}$=1.1~1.2로 두는데, 이것은 컨버터의 기준 출력전압을 안정적으로 출력할 수 있게
하는 통상적 설정치이다[14].
그리고 최소 직류 입력전압 $V_{i}^{\min}$과 직류 출력전압 $V_{o}$ 및 직류 전압이득 $M_{g,\: DC}$를 이용하여, 다음의
식에 의해 각 변압기의 권선비 $n$을 계산한다.
여기서 직류 전압이득은 식 (24)에서 계산한 $M_{g,\: DC}$=$M_{g,\: DC}^{\max}$로 두며, $V_{o}$는 설계사양의 출력전압이고, $V_{F}$=0.98[V]는
2차 정류다이오드의 최대 순방향 전압강하이다. 그런데 실제 변압기를 제작함에 있어, 1차/2차 권선수는 각각 정수여야만 하므로, 계산된 식 (25)의 권선비를 정확하게 구현할 수가 없다. 따라서 권선비를 실제 구현 가능한 값인 $n$=$N_{p}/ N_{s}$=28/10=2.8로 수정한다. 그리하여
식 (24)의 최대 직류 전압이득 $M_{g,\: DC}^{\max}$는 수정된 권선비 $n$과 최저 직류 입력전압 $V_{i}^{\min}$에 의해 다음의
식과 같이 다시 계산된다.
그림 6. 각 정규화 인덕턴스비 Ln에 따라 표시한 양호도 Qe에 대한 첨두 전압전달 이득 Mgpk의 변화 그래프
Fig. 6. Variation graph of peak voltage gain Mgpk with quality factor Qe for each
normalized inductance ratio Ln
그림 6은 각 정규화 인덕턴스비 $L_{n}$에 따라 양호도 $Q_{e}$에 대한 첨두 전압전달 이득(Peak Gain) $M_{g}^{pk}$의 변화를
표시한 그래프이다. 컨버터 회로 설계에 있어, 실제 전압이득은 타당한 정규화 인덕턴스비 $L_{n}$에 대해 $M_{g}> M_{g,\: DC}^{\max}$여야
하며, 이때 컨버터는 유도성(inductive) 영역에서 동작한다. 그러므로 이러한 조건과 컨버터의 최대 출력전력 $P_{o,\: \max}$시의
과도상태 및 안정적인 ZVS 조건을 고려하여, 그림 6으로부터, 정규화 인덕턴스비로 $L_{n}$=5를 선정하고 이를 기반으로, 식 (24)의 설계값에 대해 약간의 여유를 둔 전압이득으로 $M_{g}$=1.8을 선정하며 양호도로 $Q_{e}$=0.2를 선정한다. 그러면 이에 근거하여 각
공진요소의 값을 계산할 수 있다.
그래서 최대 등가 부하저항 $R_{eo}$와 특성임피던스 $Z_{r}$은 그림 5 및 식 (19)와 (23)으로부터 각각 다음과 같이 계산된다.
그리고 공진인덕턴스 $L_{r}$은 제안한 컨버터의 듀얼변압기 구조를 고려하여, 공진주파수를 $f_{r}$=50[kHz]로 선택하고 식 (28)의 특성임피던스 $Z_{r}$의 계산값과 식 그리고 공진주파수 식 $f_{r}$=$1/(2\pi\sqrt{L_{r}C_{r}})$에 의하여, 다음과
같이 구한다.
이렇게 하여 듀얼변압기 $T_{1}$과 $T_{2}$, 각각의 1차측에서 바라본 등가 누설인덕턴스는 $L_{k}$=$L_{r}/2$=57.5[μH]로
계산되며, 각 변압기의 자화인덕턴스는 그림 6으로부터 선정한 정규화 인덕턴스비 $L_{n}$=5에 의하여 $L_{m}$=$L_{n}\cdot L_{k}$=5×57.5=287.5[μH]로 계산된다.
이렇게 설계된 각 인덕턴스 요소는, 이에 적합한 변압기 코어와 보빈을 선정하고 앞서 계산하여 정한 권선비 $n$=$N_{p}/ N_{s}$=28/10=2.8로
각 변압기를 권선한 후, 변압기 코어에 공극(air-gap)을 적절하게 삽입하고 조정하여 구현한다. 그리하여 실제로 구현된 각 인덕턴스 요소는 $L_{k}$=58[μH],
$L_{m}$=288[μH], $L_{n}$≒4.97이었다.
그다음 공진커패시턴스 $C_{r}$은 공진인덕턴스 값의 실제 구현값인 $L_{r}$=$2L_{k}$=116[μH]와 공진주파수 식 $f_{r}$=$1/(2\pi\sqrt{L_{r}C_{r}})$에
의하여 다음의 식으로 구한다.
그리하여 공진커패시턴스를 상용커패시턴스 값인 $C_{r}$=100[nF]으로 선정한다. 그러면, 실제 구현된 프로토타입의 공진주파수는 $f_{r}$=47[kHz]
정도로 수정된다.
그림 7은 최종적으로 선정하여 프로토타입에 적용된 회로 파라미터를 토대로, 정규화 주파수비 $f_{n}$에 대한 컨버터의 실제 전압이득 $M_{g}$의 변화를
각 부하별로 표시한 그래프이다. 이 그래프로부터, 적용된 프로토타입 회로 파라미터가 전압전달 이득의 최소, 최대 설계치를 잘 만족함을 확인할 수 있다.
그림 7. 프로토타입 회로 파라미터 기반의 정규화 주파수비 fn 대비 실제 전압이득 Mg의 각 부하별 표시 그래프
Fig. 7. Graph of actual voltage gain Mg versus normalized frequency fn for each load
based on the prototype circuit parameters
4. 실험 결과
위 3절에서 설계하여 선정된 주요 회로 파라미터로 제안한 컨버터의 프로토타입을 제작하고 실험하였다. 표 2는 프로토타입에 이용된 주요 회로 파라미터와 부품의 목록을 정리한 것이다. 프로토타입의 제어기로는 NXP사의 TEA1610을 사용하였다.
표 2 프로토타입의 선정 주요 회로 파라미터 및 부품 목록
Table 2 Main circuit parameters and component list of the prototype
|
항 목
|
수 치
|
|
변압기 권선비 $N_{p}/N_{s}$
|
28/10
|
|
변압기 코어, 보빈
|
ER3542
|
|
자화인덕턴스 $L_{m}$
|
288[μH]
|
|
1차측 등가 누설인덕턴스 $L_{k}$
|
58[μH]
|
|
공진 커패시턴스 $C_{r}$
|
100[nF]
|
|
1차 MOSFET $S_{1}$, $S_{2}$
|
K3934
|
|
2차 정류다이오드 $D_{1}$~$D_{4}$
|
D10LC20U
|
|
직류 입력단 커패시턴스 $C_{DC}$
|
330[μF]/450[V]
|
그림 8은 제안한 컨버터의 입력전압이 공칭 직류 입력전압인 $V_{i}= V_{i}^{nom}$=310[V]로 인가되고 출력전력이 최대 출력전력 $P_{o}=P_{o,\:
\max}$=400[W]일 때의 1차전류 $i_{p}$, 1차 하프브리지 스위치전압 $v_{S1}$, $v_{S2}$ 및 게이트신호 $v_{GS1}$,
$v_{GS2}$ 그리고 출력전압 $v_{o}$의 실험파형을 보인다. 이 파형으로부터 제안한 컨버터는 공칭 조건에서 각 스위치를 정확하게 구동하여
출력전압을 안정적으로 정확하게 제어함을 확인할 수 있다.
그림 8. 공칭 입력전압과 최대 출력전력 시 제안한 컨버터의 1차전류, 스위치전압, 게이트신호 및 출력전압의 실험파형
Fig. 8. Experimental waveforms of the primary current, switch voltage and gate signal,
and output voltage of the proposed converter under nominal input voltage and maximum
output power conditions
그림 9는 출력전력이 최대이고 입력전압이 최소 또는 최대로 인가될 때의 1차전류 $i_{p}$, 1차 하프브리지 스위치전압 $v_{S1}$, $v_{S2}$,
2차 정류다이오드 전류 $i_{D1}$, $i_{D4}$ 및 출력전압 $v_{o}$의 실험파형을 각각 보인다. 이로부터, 제안한 컨버터가 최대 출력전력
시 넓은 범위의 입력전압에 대해, 각 2차 정류다이오드 전류를 같은 크기로 균형적으로 흘리며, 출력전압도 정확하게 제어함을 확인할 수 있다.
그림 9. 최소 또는 최대 입력전압 조건에서 최대 출력전력 시 컨버터 주요부의 전압, 전류 실험파형
Fig. 9. Experimental waveforms of voltages and currents at key parts of the converter
at maximum output power under minimum or maximum input voltage conditions
그림 10은 공칭 직류 입력전압 조건에서 출력전력의 변화에 따른 1차전류 $i_{p}$, 1차 하프브리지 스위치전압 $v_{S1}$, $v_{S2}$, 2차
정류다이오드 전류 $i_{D2}$, $i_{D3}$ 및 출력전압 $v_{o}$의 실험파형을 보인다. 이로부터, 제안한 컨버터는 출력전력의 변화 시에도
출력전압을 정확하게 제어하며 각 2차 정류다이오드 전류도 같은 크기로 균형적으로 잘 흘리고 있음을 확인할 수 있다. 그러므로 그림 9와 10의 실험파형에서, 각 2차 정류다이오드 전류 간의 최대 오차 비율은 약 5[%] 정도의 작은 오차로 확인되며, 이로부터, 듀얼변압기의 구조적
효과가 각 경우에 있어, 동일하게 잘 적용됨을 확인할 수 있다.
또한 그림 8에서 10의 실험파형으로부터, 제안한 컨버터의 실제 동작이 2절에서 설명한 동작원리 및 그림 2의 이론적 동작파형과 잘 일치함을 확인할 수 있으며, 최대 출력전력 기준, 동작주파수의 변동범위가 약 22[kHz] 정도로 넓게 변동함에도 불구하고
제안한 컨버터가 안정적으로 양호하게 동작함을 확인할 수 있다.
그림 10. 공칭 직류 입력전압(Vi=Vinom) 인가 조건에서 출력전력 변화 시의 컨버터 주요부의 전압, 전류 파형
Fig. 10. Experimental waveforms of voltages and currents at key parts of the converter
under variation of output power at nominal DC input voltage (Vi=Vinom)
그림 11은 대표적으로 두 가지 조건에서, 제안한 컨버터의 효율을 측정한 결과를 나타낸 것으로, (a)는 최대 출력전력인 $P_{o}$=$P_{o,\: \max}$=400[W]를
출력하는 상태에서 입력전압을 변화시킨 경우이고, (b)는 입력전압으로 공칭전압인 $V_{i}$=$V_{i}^{nom}$=310[V]를 인가한 상태에서
출력전력을 변화시킨 경우이다. 측정결과를 통해 제안한 컨버터는 전반적으로 설계된 효율과 유사한 수준의 고효율 특성을 보이며, 동일한 전력용량으로 저전압
출력을 제공하는 기존 방식의 컨버터[16]보다도 효율이 부하별로 약 1~3[%] 정도 더 높은 90~95.5[%]의 고효율 특성을 보임을 확인할 수 있다.
그림 11. 제안한 컨버터의 효율 그래프
Fig. 11. Efficiency graph of the proposed converter
5. 결 론
본 논문에서는 넓은 입력전압 범위를 갖는 고효율 듀얼변압기 공진컨버터를 제안하였다. 제안한 컨버터는 듀얼변압기의 등가 직렬 공진인덕턴스와 공진커패시터에
의해 형성되는 LC 또는 LLC 직렬 공진회로를 이용하여 고효율을 달성한다. 듀얼변압기는 2개의 센터탭 방식 변압기로 구성되며, 두 변압기의 1차
권선은 서로 직렬연결하고 두 2차 권선은 서로 병렬연결하는 구조로 구현된다. 이를 통해 1차측의 유효 입력저항과 2차측의 권선저항을 각각 증가시키고
감소시켜, 전력변환 효율을 향상시키며 고전압 직류입력에 유리하게 한다. 또한 각 변압기의 두 2차권선을 코어 상에서 서로 반대 순서로 권선하고 배치함으로써
두 변압기가 서로 유기적으로 동작하도록 한다. 그리하여 해당 동작모드의 1차측 공진인덕턴스를 실효적으로 동일하게 함으로써 2차전류 크기의 불균형을
최소화하여 컨버터를 보다 안정적으로 동작하게 한다. 본 논문에서는 먼저, 제안한 컨버터의 동작원리를 동작모드별로 구분하여 설명하고, 듀얼변압기의 권선
및 구현 방법과 그 효용성을 간략하게 소개하였다. 그리고 제안한 컨버터의 동작원리와 FHA 설계방식에 기반한 프로토타입의 설계예를 제시하고, 이에
따라 제작된 프로토타입의 실험결과를 통해 제안한 컨버터의 우수한 동작특성을 입증하였다.
Acknowledgements
This paper was supported by 2025 Sabbatical Year of Soonchunhyang University.
References
V. Karthikeyan, S. Kumaravel and G. Gurukumar, “High Step-Up Gain DC–DC Converter
With Switched Capacitor and Regenerative Boost Configuration for Solar PV Applications,”
IEEE Trans. on Circuits and Systems II: Express Briefs, vol. 66, no. 12, pp. 2022-2026
Dec. 2019.DOI:10.1109/TCSII.2019.2892144

C. H. Chang, E. C. Chang and H. L. Cheng, “A High-Efficiency Solar Array Simulator
Implemented by an LLC Resonant DC–DC Converter,” IEEE Trans. on Power Electronics,
vol. 28, no. 6, pp. 3039-3046, June 2013.DOI:10.1109/TPEL.2012.2205273

S. M. Tayebi, H. Hu, S. Abdel-Rahman and I. Batarseh, “Dual-Input Single-Resonant
Tank LLC Converter with Phase Shift Control for PV Applications,” in IEEE Trans. on
Industry Applications, vol. 55, no. 2, pp. 1729-1739, Mar./Apr. 2019.DOI:10.1109/TIA.2018.2883015

X. Jin, X. Zhou, W. Wang, Z. Ma, J Xu and Z. Lu, “A Half-Bridge LLC Converter for
Wide Input Voltage Range Applications,” 2018 IEEE Inter. Power Elec. and Appl. Conf.
and Expo.(PEAC), pp. 1-5, 2018.DOI:10.1109/PEAC.2018.8590334

M. Lordoğlu, U. Polat, K. Ortikltilü and D. Yildirim, “Half-Bridge LLC Resonant Converter
Design for High Voltage Battery to Low Voltage Battery Conversion in Electric Vehicles,”
2021 13th Inter. Conf. on Elec. and Elec. Eng.(ELECO), pp. 565-569, 2021.DOI:10.23919/ELECO54474.2021.9677760

B. Yang, F. C. Lee, A. J. Zhang and G. Huang, “LLC resonant converter for front end
DC/DC conversion,” 17th Annual IEEE Applied Power Elect. Conf. and Expo.(APEC), pp.
1108-1112, 2002.DOI:10.1109/APEC.2002.989382

Z. Hu, .Y. Qiu, Y. F. Liu and P. C. Sen, “A Control Strategy and Design Method for
Interleaved LLC Converters Operating at Variable Switching Frequency,” IEEE Trans.
on Power Elec. vol. 29, no. 8, pp. 4426-4437, Aug. 2014.DOI:10.1109/TPEL.2014.2300165

J. B. Lee, J. K. Kim, J. I. Baek, J. H. Kim and G. W. Moon, “Resonant Capacitor On/Off
Control of Half-Bridge LLC Converter for High-Efficiency Server Power Supply,” IEEE
Trans. on Ind. Elec., vol. 63, no. 9, pp. 5410-5415, Sep. 2016.DOI:10.1109/TIE.2016.2558481

J. W. Kim and G. W. Moon, “A New LLC Series Resonant Converter with a Narrow Switching
Frequency Variation and Reduced Conduction Losses,” IEEE Trans. on Power Elec., vol.
29, no. 8, pp. 4278-4287, Aug. 2014.DOI:10.1109/TPEL.2013.2285733

J. Y. Lee, Y. S. Jeong and B. M. Han, “An Isolated DC/DC Converter Using High-Frequency
Unregulated LLC Resonant Converter for Fuel Cell Applications,” IEEE Trans. Ind. Elec.,
vol. 58, no. 7, pp. 2926-2934, Jul. 2011.DOI:10.1109/TIE.2010.2076311

H. Qiu and F. Zhang, “Optimization Research on Hybrid Control of Composite Three-level
LLC Based on PLECS,” 2021 IEEE Conference on Telecommunications, Optics and Computer
Science (TOCS), pp. 520-525, 2021.DOI:10.1109/TOCS53301.2021.9688766

X. Sun, X. Li, Y. Shen, B. Wang and X. Guo, “Dual-Bridge LLC Resonant Converter With
Fixed- Frequency PWM Control for Wide Input Applications,” IEEE Trans. Power Elec.,
vol. 32, no. 1, pp. 69-80, Jan. 2017.DOI:10.1109/TPEL.2016.2530748

S. M. S. I. Shakib and S. Mekhilef, “A Frequency Adaptive Phase Shift Modulation Control
Based LLC Series Resonant Converter for Wide Input Voltage Applications,” IEEE Trans.
Power Elec., vol. 32, no. 11, pp. 8360-8370, Nov. 2017.DOI:10.1109/TPEL.2016.2643006

www.fairchildsemi.com, AN-4151, “Half-Bridge LLC Resonant Converter Design Using FSFR-Series
Fairchild Power Switch (FPSTM),” Fairchild Semicon. Corp. Appl. Note, pp. 1-17, 2022.

N. Yildiran, “Design Methodology and Implementation of Half-Bridge LLC Converter,”
Proc. of the 2nd Inter. Conf. on Elec. Comm. and Comp. Eng.(ICECCE), pp. 1-6, 2020.DOI:10.1109/ICECCE49384.2020.9179322

Y. C. Chen, T. J. Liang, W. J. Tseng, J. Y. Lee and L. S. Yang, “Design and Implementation
of LLC Resonant Converter with High Efficiency at Light Load Condition,” The 2nd Inter.
Sym. on Power Elec. for Dist. Gene. Sys. (PEDG), pp. 538-541, 2010.DOI:10.1109/PEDG.2010.5545835

저자소개
He received the B.S. degree in Electronics and Information Engineering and the M.S.
degree in Electrical and Robot Engineering from Soonchunhyang University, Asan, Republic
of Korea, in 2023 and 2025, respectively.
He received the M.S. and Ph.D. degrees in Electronic and Electrical Engineering from
Pohang University of Science and Technology (POSTECH), Pohang, Republic of Korea,
in 1999 and 2002, respectively. He is currently a Professor with the Department of
Electronics and Information Engineering, Soonchunhyang University, Asan, Republic
of Korea.