์ ์ธ๋ณต
(In-Bok Jung)
1iD
์ต์นํธ
(Seung Ho Choi)
โ iD
-
(Dept. of Railway Electrical Signaling Engineering, Graduate School of Railway, Seoul
National University of Science and Technology, Republic of Korea. E-mail : ikojino@nate.com)
Copyright ยฉ The Korean Institute of Electrical Engineers
Key Words
Railway Signaling, Impedance Bond, Condition Monitoring, Artificial Intelligence (AI), Simulation
1. ์ ๋ก
์ ๊ธฐ์ฒ ๋ ์์คํ
์์ ์ํผ๋์ค ๋ณธ๋๋ ์ ๋ ฅ ๊ณต๊ธ๊ณผ ์ ํธ ์ ์ก์ด ๋์ผํ ๋ ์ผ์ ์ฌ์ฉํ๋ ํ๊ฒฝ์์ ํต์ฌ์ ์ธ ๊ธฐ๋ฅ์ ๋ด๋นํ๋ค. ์ด์ฐจ์ ๊ฒฌ์ธ ์ ๋ฅ๋ ์๋ฐฑ ์ํ์ด์
์ด๋ฅด๋ฉฐ ๋ ๋ ์ผ์ ํตํด ๊ทํํ๋ค. ๋ง์ฝ ์ด ์ ๋ฅ๊ฐ ์ ํธํ๋ก์ ์ง์ ๊ฐ์ญํ๋ฉด ์ด์ฐจ ๊ฒ์ง์ ์ ์ด ๊ธฐ๋ฅ์ด ์ ์์ ์ผ๋ก ๋์ํ์ง ๋ชปํ๋ค. ์ด๋ฅผ ๋ฐฉ์งํ๊ธฐ ์ํด
์ํผ๋์ค ๋ณธ๋๋ ๋ ์ผ๊ณผ ๋ณ๋ ฌ๋ก ์ฐ๊ฒฐ๋์ด 60 Hz์ ์ ๋ ฅ ์ฃผํ์์์๋ ๋ฎ์ ์ํผ๋์ค๋ฅผ ์ ๊ณตํ์ฌ ๊ท์ ์ ๋ฅ๊ฐ ์ํํ ํ๋ฅด๋๋ก ํ๋ฉฐ, 1,700 Hz์
์ ํธ ์ฃผํ์์์๋ ๋์ ์ํผ๋์ค๋ฅผ ํ์ฑํ์ฌ ๊ถค๋ํ๋ก์ ์ ํธํ๋ก๊ฐ ์ํธ ๊ฐ์ญ ์์ด ๋
๋ฆฝ์ ์ผ๋ก ์ด์ฉ๋๋๋ก ํ๋ค. ์ํผ๋์ค ๋ณธ๋๋ ์์ ํ ์ ํธ ์ด์๊ณผ ์์ ์ ์ธ
์ ๋ ฅ ์ ์ก์ ๋์์ ๋ณด์ฅํ๋ ํ์ ์ฅ์น๋ผ ํ ์ ์๋ค[1][2].
์ํผ๋์ค ๋ณธ๋๋ ์ ๋ก ๋ณ์ ์ค์น๋๋ ๋งํผ ๋ค์ํ ์ดํ ๋ฐ ์ฌ๋ฌ ๊ณ ์ฅ ์์ธ์ ๋
ธ์ถ๋ ์ ์๋ค. ์ ์๋ถ์ ์ฒด๊ฒฐ ์ด์, ๊ถ์ ๋จ๋ฝ, ์ ์ฐ ํ๊ดด, ์ธ๋ถ ํ๊ฒฝ
๋ฐ ๋ด๋ถ ๋ฐ์ด ๋ฑ์ ์ํด ์ ๊ธฐ์ ํน์ฑ์ด ๋ณํ์ฌ ๊ถค๋ํ๋ก์ ์ ์์ ์ธ ๋์์ ๋ฐฉํดํ ์ ์๋ค. ์ด๋ฌํ ์ด์ ํ์์ ๊ถค๋ํ๋ก์์ ์ํผ๋์ค์ ๋ถ์ผ์น๋ ์ ์
๊ฐํ, ์ ๋ฅ ๋ถํํ ๋ฐ ์ฃผํ์ ์๊ณก ๋ฑ์ผ๋ก ๋ํ๋๋ฉฐ, ๊ฒฝ์ฐ์ ๋ฐ๋ผ์๋ ๊ถค๋ ์ ์ ๊ฒ์ง ์ค๋ฅ๋ ์ ํธ ์ค๋์, ์ด์ฐจ ์ง์ฐ ๋ฑ์ ์์ธ์ด ๋์ด ์์ ์ฌ๊ณ ๋ก
์ด์ด์ง ์ ์๋ค[1][3].
๊ธฐ์กด์ ์ํผ๋์ค ๋ณธ๋ ์ ๊ฒ ๋ฐฉ์์ ์ฃผ๋ก ์ฃผ๊ธฐ์ ์ธ ์ ๊ฒ์ผ๋ก ์ก์ ํ์ธ๊ณผ ์ ์ฐ ์ ํญ ์ธก์ ๋ฐ ์ ์ ๋ฒ์ ๊ธฐ์ค ์ ๋ฅยท์ ์ ๊ฐ์ ๋์ถํ๋ ์ถ์ ๋ฐฉ์์ ์์กดํ๋ค.
์ด๋ฌํ ์ ๊ฒ ๋ฐฉ์์ ํ์ฅ ์ ๊ทผ์ฑ, ์ธ๋ ฅ ์์กด๋, ๋น์ฉ ๋ฌธ์ ๋ฑ์ ํ๊ณ๋ฅผ ๊ฐ์ง๋ฉฐ ์ง๋์ด๋ ์จ๋, ์ต๊ธฐ ๊ฐ์ ๋ณตํฉ์ ํ๊ฒฝ ์์ธ์ผ๋ก ์ธก์ ์ค์ฐจ๋ ๊ฒ์ถ ๊ฒฐ๊ณผ์
๋ถํ์ค์ฑ์ด ๋ฐ์ํ๋ค. ๋ํ ์ ๊ฒ ์ฃผ๊ธฐ ์ฌ์ด์ ๋๋ฐ ์ด์์ด ๋ฐ์ํ ๊ฒฝ์ฐ ์ ์ง๋ณด์ ์์ ์ด ์ง์ฐ๋๊ฑฐ๋ ๊ณ ์ฅ ์ง๋จ์ด ๋ฆ์ด์ง ์ ์๋ค[1].
์ต๊ทผ์๋ ์ฌ๋ฌ ๋ถ์ผ์์ ์ธ๊ณต์ง๋ฅ(Artificial Intelligence, AI)์ ๊ธฐ๋ฐ์ผ๋ก ํ๋ ์ํ ๋ชจ๋ํฐ๋ง์ด ํ๋ฐํ ์ฐ๊ตฌยท์ ์ฉ๋๊ณ ์๋ค. AI๋
๋ค์ํ ๋ค๋ณ๋ ์ผ์ ๋ฐ์ดํฐ๋ฅผ ๋ถ์ํ์ฌ ์ ์ ๋ฒ์ ๊ธฐ๋ฐ ๊ฐ์ ๋ฐฉ์๋ณด๋ค ๋์ ์ ํ๋์ ์ ๋ขฐ๋๋ฅผ ์ ๊ณตํ ์ ์๋ค. ๋ํ ๋น์ ํ์ ์ด์ ํจํด์ ์๋์ผ๋ก ํ์ตํ
์ ์๋ค๋ ์ ์์ ์ฒ ๋ ์ ํธ ๋ฐ ์ ๋ ฅ ์ค๋น ๊ฐ์ ์ง๋จ ๋ถ์ผ์์๋ ์ ์ฉ ๊ฐ๋ฅ์ฑ์ด ๋๋ค[4][5][6]. ์ฒ ๋ ์์คํ
์ ์ ์, ์ ๋ฅ, ์ฃผํ์, ์จ๋์ฐจ(ฮT) ๊ฐ์ ์๊ณ์ด ๋ฐ์ดํฐ์ ์ ํฉํ ๊ธฐ๋ฒ์ ์ ์ฉํ๋ฉด ํจ๊ณผ์ ์ด๊ณ ์์ธก ๊ฐ๋ฅํ ๋ชจ๋ธ์ ์์ฑํ ์ ์๋ค.
๋ณธ ์ฐ๊ตฌ๋ ์ํผ๋์ค ๋ณธ๋์ ์ ์ ๋ฐ ๋น์ ์ ์ํ๋ฅผ ์๋ฎฌ๋ ์ด์
์ผ๋ก ์ฌํํ๊ณ , ์ด๋ฅผ ํ์ต ๊ฐ๋ฅํ ์ ํธ ๋ฐ์ดํฐ๋ก ๊ตฌ์ฑํ์ฌ ์ธ๊ณต์ง๋ฅ ๊ธฐ๋ฐ ๋ชจ๋ํฐ๋ง ๊ธฐ๋ฒ์
์ ์ฉ ๊ฐ๋ฅ์ฑ์ ๊ฒํ ํ๋ ๊ฒ์ ๋ชฉ์ ์ผ๋ก ํ๋ค. ์ด๋ฅผ ํตํด ํฅํ ์ฒ ๋ ์ ํธ ์ค๋น์ ์ง๋ฅํ ์ง๋จ ๋ฐ ์๋ฐฉ ์ ์ง ๊ด๋ฆฌ ์ฒด๊ณ ๊ตฌ์ถ์ ๊ธฐ์ด ์๋ฃ๋ก ํ์ฉ๋ ์
์์ ๊ฒ์ด๋ค.
2. ์ฒ ๋ ์ ํธ์ฉ ์ํผ๋์ค ๋ณธ๋
2.1 ์ํผ๋์ค ๋ณธ๋์ ๊ตฌ์กฐ์ ๊ธฐ๋ฅ
์ํผ๋์ค ๋ณธ๋๋ ์ ๊ธฐ์ฒ ๋์ ๊ถค๋ํ๋ก์ ์ค์น๋๋ ์ฅ์น๋ก์ ๊ฒฌ์ธ ์ ๋ฅ์ ์ ํธ ์ ๋ฅ๊ฐ ๊ณต์ ๋ ๋ ์ผ์์ ๋ ์ฑ๋ถ์ ํจ๊ณผ์ ์ผ๋ก ๋ถ๋ฆฌํ๋ค[1][2]. ์ํผ๋์ค ๋ณธ๋๋ ํฌ๊ฒ ๋ํ ์ฒ ์ฌ๊ณผ ๊ถ์ ์ผ๋ก ์ด๋ฃจ์ด์ ธ ์๋ ๋ณ์๊ธฐํ ๊ตฌ์กฐ๋ก ๋ ๊ฐ์ ๋ ์ผ ๋จ์์ ์ค์ ๊ท์ ๋จ์๋ฅผ ๊ฐ๋๋ค[2][3].
์ด์ฐจ ์ดํ ์ ์ฌ์ฉ๋๋ 60 Hz์ ์ ๋ ฅ ์ฃผํ์์์๋ ๋ฎ์ ์ํผ๋์ค๋ฅผ ์ ๊ณตํ์ฌ ์๋ฐฑ A์ ์ด๋ฅด๋ ๊ท์ ์ ๋ฅ๊ฐ ์์ค ์์ด ํ๋ฅด๋๋ก ํ๋ค. ๋ฐ๋ฉด ๊ถค๋ํ๋ก์์
์ฌ์ฉ๋๋ 1,700 Hz, 2,100 Hz ๋ฑ ์ ํธ ์ฃผํ์ ๋์ญ์์๋ ์๋์ ์ผ๋ก ๋์ ์ํผ๋์ค๋ฅผ ํ์ฑํ์ฌ ์ ํธ ์ ๋ฅ๊ฐ ์ ํธ ๋ฃจํ๋ฅผ ์ด๋ฃจ๋ ๋ ์ผ๋ก ํ๋ฌ๋ค์ด๊ฐ๋
๊ฒ์ ์ฐจ๋จํ๋ค. ์ด๋ฌํ ํน์ฑ์ผ๋ก ์ ๋ ฅํ๋ก์ ์ ํธํ๋ก๋ฅผ ํจ๊ณผ์ ์ผ๋ก ๋ถ๋ฆฌํ์ฌ ์์ ์ ์ธ ๊ถค๋ํ๋ก ๋์์ ๋ณด์ฅํ ์ ์๋ค[1][2][3].
์ํผ๋์ค ๋ณธ๋๋ ์ฒ ์ฌ, ๊ถ์ , ๋จ์๋ถ ๊ทธ๋ฆฌ๊ณ ์ธํจ์ผ๋ก ๊ตฌ์ฑ๋์ด ์๋ค. ์ฒ ์ฌ์ ์ฃผํ์์ ๋ฐ๋ผ ์ ํ์ ์ผ๋ก ์ํผ๋์ค๋ฅผ ํ์ฑํ์ฌ ์ ๋ ฅ ๋ฐ ์ ํธ ์ ๋ฅ์ ํ๋ฆ์
์ ์ดํ๊ณ , ๊ถ์ ์ ๋ ์ผ๊ณผ ๋ณ๋ ฌ๋ก ์ฐ๊ฒฐ๋์ด ์ ์ฒด ์ฃผํ์ ์๋ต ํน์ฑ์ ๊ฒฐ์ ํ๋ค. ๋จ์๋ถ๋ ๋ ๋ ์ผ๊ณผ ์ค์ ๊ท์ ์ผ์ด๋ธ์ ์ฐ๊ฒฐํ์ฌ ๊ฒฌ์ธ ์ ๋ฅ์ ๊ทํ ๊ฒฝ๋ก๋ฅผ
์ ๊ณตํ๋ค. ์ธํจ์ ์ธ๋ถ ์ถฉ๊ฒฉ๊ณผ ์ง๋, ์ต๊ธฐ, ์จ๋ ๋ณํ ๋ฑ ํ๊ฒฝ์ ์์ธ์ผ๋ก๋ถํฐ ๋ด๋ถ ๋ถํ์ ๋ณดํธํ๋ค[1][2].
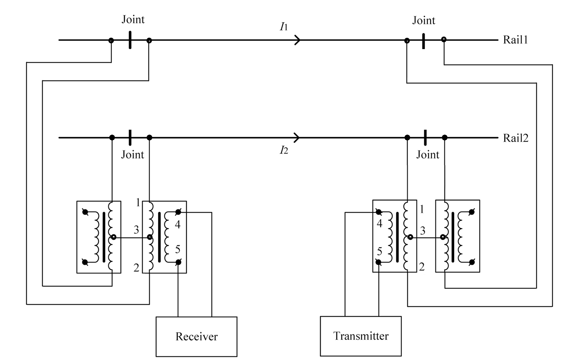
๊ทธ๋ฆผ 1์ ๊ถค๋ํ๋ก ๊ฐ๋ต๋๋ฅผ ๋ํ๋ธ ๊ฒ์ผ๋ก ๊ท์ ์ ๋ฅ์ ์ ํธ ์ ๋ฅ๋ฅผ ๊ตฌ๋ถํ๋ ๊ตฌ์ฑ์ ํ์ธํ ์ ์๋ค. ์ด๋ฅผ ํตํด ์ํผ๋์ค ๋ณธ๋๋ ๊ถค๋ํ๋ก์์ ๊ท์ ์ ๋ฅ๋ฅผ
ํจ์จ์ ์ผ๋ก ์ฒ๋ฆฌํ๊ณ , ์ ํธ ์ฃผํ์์ ๋
๋ฆฝ์ฑ์ ์ ์งํ๋๋ก ํ๋ ํต์ฌ ์ฅ์น์์ ์ ์ ์๋ค[2][3].
๊ทธ๋ฆผ 1. ๊ถค๋ํ๋ก ๊ฐ๋ต๋
Fig. 1. Schematic diagram of a track circuit
2.2 ์ํผ๋์ค ๋ณธ๋ ๊ณ ์ฅ์ ํ
์ํผ๋์ค ๋ณธ๋๋ ์ธ๋ถ ํ๊ฒฝ ๋ฐ ๋ถํ์ ๋ฐ๋ผ ๋ค์ํ ๊ณ ์ฅ์ด ๋ฐ์ํ ์ ์๋ค. ๊ฐ์ฅ ๋ํ์ ์ธ ๊ณ ์ฅ ์ค ํ๋๋ ์ ๋ฅ ๋ถํํ์ผ๋ก, ๊ถ์ ์ดํ, ์ ์ ๋ถ๋
๋ฐ ๋จ์๋ถ ๋ถ์ ๋ฑ์ ์์ธ์ผ๋ก ์ธํด ์์ธก ๋ ์ผ ์ฌ์ด์ ์ ๋ฅ ๋ถ๋ฐฐ ๋์นญ์ด ๊นจ์ง๊ณ , ํน์ ๋ ์ผ์ ์ ๋ฅ๊ฐ ๊ณผ๋ํ๊ฒ ์ง์ค๋๋ ํ์์ด ๋ฐ์ํ๋ค. ์ด๋ฌํ ๋ถ๊ท ํ์
๊ถค๋ํ๋ก์ ๊ฐ์ง ์ ํ๋๋ฅผ ์ ํ์์ผ ์ ํธํ๋ก์ ๋น์ ์์ ์ธ ๋์ ๋๋ ์ด์ฐจ ๊ฒ์ง ์ค๋ฅ๋ก ์ด์ด์ง ์ ์๋ค[1][3].
๋ค๋ฅธ ๊ณ ์ฅ ์์ธ์ผ๋ก ๊ณผ์ด์ด ์๋ค. ์ฅ์๊ฐ ๊ณ ๋ถํ ์ดํ์ด๋ ์ฌ๋ฆ์ฒ ๊ณ ์จ ํ๊ฒฝ์์๋ ์ํผ๋์ค ๋ณธ๋ ๋ด๋ถ ์จ๋๊ฐ ์์นํ๋ฉด์ ์ ์ฐ ์ฌ๋ฃ ๋ฑ์ ์ดํ๊ฐ ๊ฐ์ํ๋์ด
์๋ช
์ด ๋จ์ถ๋ ์ ์๋ค. ๋ถํ์ ์๊ณ ์จ๋๋ฅผ ๋์ด์๊ฒ ๋๋ฉด ์ ์ฐ ํ๊ดด๊ฐ ๋ฐ์ํ ์ ์์ผ๋ฉฐ, ์ด๋ ๊ฒฌ์ธ ์ ๋ฅ๋ฟ๋ง ์๋๋ผ ์ ํธ ์ ๋ฅ ์ ๋ฌ์๋ ์ฌ๊ฐํ ์ํฅ์
๋ฏธ์น๋ค[1][7].
๋ํ ์ธ๋ถ ์ถฉ๊ฒฉ, ๊ธฐ๊ณ์ ์ง๋ ๋ฐ ๋ถ์ ๋ฑ์ ๋จ์ ์ ์ฃผ์ ์์ธ์ผ๋ก ์์ฉํ๋ค. ๋จ์ ์ ๊ถค๋ํ๋ก์ ์ฐ์์ฑ์ ๋์ด ์ ํธ ๊ฐ์ ๊ธฐ๋ฅ์ด ์์ค๋์ด ์ด์ฐจ ์ ์ด
์์คํ
์ ์์ ์ฑ์ ์ง์ ์ ์ธ ์ํฅ์ ์ค๋ค. ๋ฐ๋ฉด ๊ณผ๋ํ ์ ๋ฅ๋ ์ ์ฐ ํ๊ดด๋ก ๋ฐ์ํ ๋จ๋ฝ์ ์ ๋ฅ์ ๊ธ์์น๊ณผ ์ ์ ๊ฐํ๋ฅผ ์ ๋ฐํ๋ฉฐ, ๊ฒฝ์ฐ์ ๋ฐ๋ผ ์ํผ๋์ค
๋ณธ๋ ์ฝ์ผ ๋๋ ์ธํจ์ด ์์๋ ์ ์๋ค[2][3][7].
์ํผ๋์ค ๋ณธ๋์ ๊ณ ์ฅ์ ๋จ์ํ ๋ด๋ถ์ ๋ฌธ์ ๋ฅผ ๋์ด ์ ํธ ์๊ณก, ์ ์ด ์ฅ์ ๋ฐ ์ฅ์น ์์ ๋ฑ ์ฒ ๋ ์์คํ
์ ๋ฐ์ ์ํฅ์ ๋ฏธ์น ์ ์๋ค. ๋ฐ๋ผ์ ๊ณ ์ฅ
์ ํ๋ณ ์์ธ๊ณผ ์ํฅ ๋ฐ ๊ฒ์ถ ์งํ๋ฅผ ๋ช
ํํ ์ ์ํ๊ณ ํ์ง ๊ฐ๋ฅํ ๋ชจ๋ํฐ๋ง ์ฒด๊ณ๋ก ์ฐ๊ฒฐํ๋ ๊ฒ์ด ์ค์ํ๋ค[1][3].
ํ 1์ ์ํผ๋์ค ๋ณธ๋์ ๊ณ ์ฅ ์ ํ๊ณผ ์์ธ, ์ํฅ ๋ฐ ๊ฒ์ถ ์งํ๋ฅผ ์ ๋ฆฌํ ๊ฒ์ด๋ค. ์ด๋ฌํ ์งํ๋ค์ ์ดํ 3.2์ ์์ ์ ์ํ๋ ์๋ฎฌ๋ ์ด์
ํ๋ผ๋ฏธํฐ ์กฐ๊ฑด(์ ์,
์ ๋ฅ, ์ฃผํ์, ์จ๋์ฐจ(ฮT)) ์ค์ ์ ๊ทผ๊ฑฐ๋ก ํ์ฉ๋๋ค[1][3][7].
ํ 1. ์ํผ๋์ค ๋ณธ๋์ ๊ณ ์ฅ ์ ํ๊ณผ ์ํฅ
Table 1. Fault types, causes, impacts, and detection indicators of impedance bonds
|
๊ณ ์ฅ์ ํ
|
์ฃผ์ ์์ธ
|
์์คํ
์ ๋ฏธ์น๋ ์ํฅ
|
๊ฒ์ถ ์งํ
|
|
์ ๋ฅ ๋ถํํ
|
๊ถ์ ์ดํ, ์ ์ ๋ถ๋
|
์ ํธ ์๊ณก,
๋ ์ผ ์ ๋ฅ ์ง์ค
|
์ ๋ฅ
๋ถ๊ท ํ(%)
|
|
๊ณผ์ด
|
๊ณผ๋ถํ, ์ ์ฐ ์ดํ
|
์ ์ฐ ํ๊ดด,
์๋ช
๋จ์ถ
|
์จ๋(โ)
|
๋จ์
(Open Fault)
|
์ธ๋ถ ์ถฉ๊ฒฉ, ๋ถ์,
๊ธฐ๊ณ์ ์ง๋
|
์ ํธํ๋ก ๋จ์ ,
๊ฐ์ ๋ถ๋ฅ
|
์ ๋ฅ/์ ์ ๋ถ์ฐ์
|
๋จ๋ฝ
(Short Fault)
|
์ ์ฐ ํ๊ดด, ๊ณผ๋ ์ ๋ฅ
|
์ ํธ ์๊ณก, ์ฅ์น
๋ฐ ํ๋ก ์์
|
์ ๋ฅ ๊ธ์์น,
์ ์ ๊ฐํ
|
2.3 ๊ธฐ์กด ์ํผ๋์ค ๋ณธ๋ ๋ชจ๋ํฐ๋ง์ ํ๊ณ์ ๊ฐ์ ๋ฐฉ์
๊ธฐ์กด ์ํผ๋์ค ๋ณธ๋ ์ํ๋ฅผ ํ๋จํ๋ ๋ฐฉ๋ฒ์ ์ ๊ธฐ ์ ๊ฒ์ ๊ธฐ๋ฐํ ๊ธฐ์ค๊ฐ ์ธก์ ๋ฐฉ์์ด๋ค. ์ ๊ฒ ์ฃผ๊ธฐ์ ๋ง์ถ์ด ์ํผ๋์ค ๋ณธ๋๊ฐ ์ค์น๋ ์ ๋ก ๋ณ์ ๊ทผ๋ฌด์๊ฐ
ํฌ์
๋๊ณ ์ ๋ฅยท์ ์ยท์จ๋ ๋ฑ์ ์ธก์ ํ๊ฑฐ๋ ์ธ๊ด ํ์ธํ๋ ํํ๋ก ์งํ๋์๋ค. ์ด๋ฌํ ๋ฐฉ์์ ํ์ฌ ์ํ๋ฅผ ์ ์ฑ์ ์ผ๋ก ํ์
ํ๋ ๋ฐ์๋ ํจ๊ณผ์ ์ด์ง๋ง, ์ด์ฉ
์ค ๋ฐ์ํ ์ ์๋ ์ฅ์ ๋ฅผ ์์ธกํ์ฌ ์กฐ์นํ๊ฑฐ๋ ์ ๊ฒ ์ฃผ๊ธฐ ์ฌ์ด์ ์งํ๋๋ ๊ธ์ํ ์ดํ ๋ฑ์ ํ์
ํ๋ ๋ฐ์๋ ํ๊ณ๊ฐ ์๋ค. ํนํ ๊ณ ์์ฒ ๋์ ๊ฐ์ ๊ณ ๋ถํ
์ดํ์ด ๋น๋ฒํ ํ๊ฒฝ์์๋ ๋จ๊ธฐ๊ฐ ๋ด ๊ธ๊ฒฉํ ์ฑ๋ฅ ์ ํ๊ฐ ๋ฐ์ํ ์ ์๊ณ , ์ด๋ ์ด์ฐจ ์ดํ ์ฐจ์ง๊ณผ ์์ ์ฌ๊ณ ๋ก ์ด์ด์ง ์ ์๋ค[1][3][7].
๊ธฐ์ค๊ฐ ๊ธฐ๋ฐ์ ์ ๊ฒ ๋ฐฉ์์ ์ ๋ฅยท์ ์ยท์จ๋ ๋ฑ์ด ์ผ์ ํ ์๊ณ์น๋ฅผ ๋ฒ์ด๋ ๋๋ง ์ด์์ผ๋ก ๊ตฌ๋ถํ๊ธฐ ๋๋ฌธ์ ํ๋จ์ด ๋ช
ํํ๋ค๋ ์ฅ์ ์ด ์์ง๋ง, ๋ฒ์ ๋ด์์
๋ฐ์ํ๋ ๋ฏธ์ธํ ๋ณํ๋ฅผ ๊ฐ์งํ๊ธฐ ์ด๋ ต๋ค. ๋ฐ์ดํฐ์ ์ฐ์์ ์ถ์ธ๋ ๋ณตํฉ์ ํจํด์ ์ธ์ํ์ง ๋ชปํด ์ ์ฌ์ ์ดํ๋ฅผ ์กฐ๊ธฐ์ ํ์งํ ์ ์๋ ํ๊ณ๊ฐ ์๋ค. ์๋ฅผ
๋ค์ด ์ ๋ฅ ๋ถํํ์ด ์ฆ๊ฐํ๊ณ ์จ๋ ์์น์ด ์์ํ ๋ํ๋๋ ์ํฉ์ด๋ผ๋, ๊ฐ๋ณ ์งํ๊ฐ ๋ฒ์์ ๋จธ๋ฌด๋ ํ ์ด์์ผ๋ก ์ธ์๋์ง ์๋๋ค[1].
๋ฐ๋ผ์ ๊ธฐ์กด ๋ฐฉ์์ ๋จ์ํ๊ณ ์ค์ฉ์ ์ธ ์ฅ์ ์ ๊ฐ์ง์ง๋ง, ๊ณ ์ํ๋ ํ๋ ์ฒ ๋ ์์คํ
์์ ์๊ตฌ๋๋ ์ค์๊ฐ ๊ฐ์์ ์์ธก ์ ๋น ๊ธฐ๋ฅ์ ์ถฉ์กฑํ๊ธฐ ์ด๋ ต๋ค. ์ ๊ธฐ
์ ๊ฒ์์ ์ ์ ํ์ ์ ๋ฐ๋๋ผ๋ ์ดํ๊ฐ ๋์ ๋์ด ์๊ธฐ์น ๋ชปํ ์ฅ์ ๊ฐ ๋ฐ์ํ ์ ์๊ณ , ์ด ๊ฒฝ์ฐ ์ฌ์ ์๋ฐฉ๋ณด๋ค๋ ์ฌํ ๋์์ ๊ทธ์น ์ ์๋ค[1][7].
์ด๋ฌํ ์ด์ ๋ก ์ฒ ๋ ์์คํ
์์ ์ํผ๋์ค ๋ณธ๋์ ๊ฐ์ด ์ด์ฐจ ์ดํ์ ์์ ์ฑ๊ณผ ์ง์ ์ฐ๊ด๋ ํต์ฌ ์ฅ์น์๋ ๋จ์ํ ์ธก์ ๊ฐ ๋น๊ต ๋ฐฉ์ ๋์ , ๋ค์ํ ์ผ์ฑ ๋ฐ์ดํฐ๋ฅผ
์ข
ํฉ์ ์ผ๋ก ๋ถ์ํ์ฌ ๋ณตํฉ ํจํด์ ์ธ์ํ๊ณ ์์ธกํ ์ ์๋ ์ง๋ฅํ ๋ชจ๋ํฐ๋ง ์ฒด๊ณ์ ๊ตฌ์ถ์ด ํ์ํ๋ค[4][5].
3. AI ๊ธฐ๋ฐ ์ํผ๋์ค ๋ณธ๋ ๋ชจ๋ํฐ๋ง
3.1 AI ๊ธฐ๋ฐ ๋ชจ๋ํฐ๋ง
์ต๊ทผ ์ค๋น ๋ถ์ผ์์ AI๋ฅผ ํ์ฉํ ๋ชจ๋ํฐ๋ง ์ฐ๊ตฌ๊ฐ ์งํ๋๊ณ ์๋ค. ๊ธฐ์กด์ ์ฃผ๊ธฐ์ ์ ๊ฒ์ด๋ ์ ์ ๋ฒ์ ๊ธฐ๋ฐ ๋ฐฉ์์ผ๋ก๋ ์๊ฐ์ ์ผ๋ก ๋ฐ์ํ๋ ์ด์ ์ ํธ๋
๋น์ ํ์ ์ด๊ณ ๋ณตํฉ์ ์ธ ํจํด์ ํ์ง๊ฐ ์ ํ์ ์ด๊ธฐ ๋๋ฌธ์, ๋ค์ํ ์ผ์ฑ ๋ฐ์ดํฐ์ AI ํ์ต ๊ธฐ๋ฒ์ ๊ฒฐํฉํ์ฌ ์กฐ๊ธฐ ๊ณ ์ฅ ํ์ง์ ์์ธก ์ ๋น๋ก ํ์ฅํ๋ ค๋ ์ฐ๊ตฌ๊ฐ
์งํ๋๊ณ ์๋ค[4][5].
์ ๋ ฅ ์ค๋น ๋ถ์ผ ์ค ๋ณ์๊ธฐ๋ฅผ ๋์์ผ๋ก ํ ์ฐ๊ตฌ์์๋ ์ด์ฉ ์ค ๋ฐ์ํ๋ ๋ถ๋ถ ๋ฐฉ์ ์ ํธ ๊ฒ์ถ, ์ฉ์กด๊ฐ์ค ๋ถ์, ๊ถ์ ์จ๋ ๋ฐ ์ง๋ ๋ฐ์ดํฐ ๋ฑ์ ํ์ฉํ์ฌ
๋ณ์๊ธฐ์ ์ ์ฐ ์ดํ ์ํ๋ฅผ ํ์
ํ๊ฑฐ๋ ๊ณ ์ฅ ๋ฐ์ ๊ฐ๋ฅ์ฑ์ ์์ธกํ๋ ๋ฐฉ๋ฒ์ด ์ ์๋์๋ค. CNN(Convolutional Neural Network)๊ณผ
LSTM(Long Short-Term Memory) ๊ฐ์ ํ์ต ๊ธฐ๋ฒ์ ๋น์ ํ์ ์ด๊ณ ์๊ณ์ด์ ์ธ ํน์ฑ์ ๊ฐ์ง ๋ฐ์ดํฐ๋ฅผ ํจ์จ์ ์ผ๋ก ์ฒ๋ฆฌํ ์ ์์ด์ ๊ธฐ์กด์
๊ธฐ์ค๊ฐ ๊ธฐ๋ฐ ๋ฐฉ์๋ณด๋ค ๋์ ์ ํ๋๋ก ๊ณ ์ฅ ๊ฒ์ถ์ด ๊ฐ๋ฅํจ์ ๋ณด์๋ค. ๋จ์ํ ์ด์ ํ์ง๋ฅผ ๋์ด ์ดํ ์งํ๋ฅ ๋ถ์๊ณผ ์์ฌ ์๋ช
์์ธก์ผ๋ก ํ์ฅ๋์ด ๊ณ ์ฅ ์๋ฐฉ
์ ๋น์ ๊ธฐ๋ฐ์ด ๋๊ณ ์๋ค[4][5].
์ฐจ๋จ๊ธฐ์ ์ก์ ์ ๋ถ์ผ์์๋ AI ๊ธฐ๋ฐ ๋ชจ๋ํฐ๋ง ์ฐ๊ตฌ๊ฐ ์งํ๋๊ณ ์๋ค. ์ฐจ๋จ๊ธฐ์ ๊ฒฝ์ฐ ๊ฐํ ์ ๋ฐ์ํ๋ ํํ๊ณผ ๊ธฐ๊ณ์ ์ง๋ ๋ฐ์ดํฐ๋ฅผ ๋ถ์ํ์ฌ ์ ์ ์ดํ
๋ฐ ์ด์ ๋์์ ์กฐ๊ธฐ์ ๊ฒ์ถํ์๊ณ , ์ก์ ์ ์์๋ ์ ๋ฅ ๊ณผ๋ถํ, ์จ๋ ์์น, ์ ๋ก ์ฒ์ง ๋ฑ์ ๋ฐ์ดํฐ๋ฅผ ๊ธฐ๋ฐ์ผ๋ก ๊ธฐํ ์กฐ๊ฑด ๋ฐ ๋ถํ ์ํ์ ๋ฐ๋ฅธ ์ฅ์ ๋ฅผ
์์ธกํ๋ ์ฐ๊ตฌ๊ฐ ์ํ๋์๋ค. ์ด๋ฌํ ์ฐ๊ตฌ๋ค์ AI๋ฅผ ์ ์ฉํ ์ ๋ ฅ ์ค๋น์์ ๋จ์ ๊ฒฝ๋ณด ๋ฐฉ์๋ณด๋ค ๋ณตํฉ์ ์ธ ์ด์ ํจํด์ ํ์ตํ์ฌ ๋์ ์ ํ๋์ ์ ๋ขฐ๋๋ฅผ
ํ๋ณดํ ์ ์์์ ๋ณด์ฌ์ค๋ค[4][5].
์ฒ ๋ ๋ถ์ผ์์๋ AI ์ ์ฉ์ด ์ ์ฐจ ํ๋๋๊ณ ์๋ค. ๊ถค๋ํ๋ก ์ ํธ๋ฅผ ์๊ฐ-์ฃผํ์ ์ด๋ฏธ์ง๋ก ๋ณํํด CNN์ผ๋ก ๊ณ ์ฅ์ ๋ถ๋ฅํ ์ฐ๊ตฌ๊ฐ ์ํ๋์๋ค. ์ด๋ฌํ
์๋๋ ์ฒ ๋ ์ค๋น์์๋ AI๋ฅผ ํ์ฉํ ์ค์๊ฐ ๋ชจ๋ํฐ๋ง๊ณผ ์์ธก ์ ๋น ์ฒด๊ณ ๊ตฌ์ถ์ด ๊ฐ๋ฅํจ์ ์
์ฆํ ์ฌ๋ก๋ก ํ๊ฐํ ์ ์๋ค[6][8].
์ด๋ฌํ ์ฐ๊ตฌ ๊ฒฐ๊ณผ๋ฅผ ํตํด ์ํผ๋์ค ๋ณธ๋ ๋ชจ๋ํฐ๋ง์๋ ๋น์ ํ ์๊ณ์ด ๋ฐ์ดํฐ๋ฅผ ์ฒ๋ฆฌํ๋ ๋ฐ ๊ฐ์ ์ ๊ฐ์ง๋ CNN๊ณผ LSTM์ด ์ ํฉํ๋ค๋ ๊ทผ๊ฑฐ๋ฅผ ํ์ธํ
์ ์๋ค. CNN์ ์๊ณ์ด ์ ํธ์์ ๊ตญ์์ ์ธ ํน์ง์ ์ถ์ถํ๋ ๋ฐ ํจ๊ณผ์ ์ด๊ณ , LSTM์ ์๊ฐ์ ์์กด์ฑ์ ๋ฐ์ํ์ฌ ์ฅ๊ธฐ์ ๋ณํ ํ์ต์ ์ ๋ฆฌํ๋ค. MLP(Multilayer
Perceptron)๋ ๋จ์ํ ๊ตฌ์กฐ์ ๊ธฐ์ค ์ฑ๋ฅ ๊ธฐ๋ฒ์ผ๋ก, CNN๊ณผ LSTM์ ์ฑ๋ฅ์ ๊ฒ์ฆํ๊ธฐ ์ํ ๋์กฐ๊ตฐ ์ญํ ๋ก ํ์ฉํ๋ค[6][8-12].
ํ 2๋ ์ ๋ ฅ ๋ฐ ์ฒ ๋ ๋ถ์ผ์์ ์ํ๋ AI ๋ชจ๋ํฐ๋ง ์ฐ๊ตฌ ๋ํฅ์ผ๋ก, ์ ์ฉ ๋ถ์ผ๋ณ ์ฃผ์ ์ผ์ฑ ๋ฐ์ดํฐ์ ์ ์ฉ๋ ํ์ต ๊ธฐ๋ฒ, ์ฑ๊ณผ ๋ฐ ํน์ง์ ๋น๊ตํ ํ์ด๋ค.
์ด๋ฅผ ํตํด ๋ณธ ์ฐ๊ตฌ ๋์์ธ ์ํผ๋์ค ๋ณธ๋์๋ AI ๊ธฐ๋ฐ ๋ชจ๋ํฐ๋ง ์ ๊ทผ์ด ๊ธฐ์ ์ ์ผ๋ก ์ถฉ๋ถํ ๊ฐ๋ฅํ๋ค[4][5][6][8].
ํ 2. AI ๊ธฐ๋ฐ ๋ชจ๋ํฐ๋ง ์ฐ๊ตฌ ๋ํฅ ์์ฝ
Table 2. Summary of AI-based monitoring research trends in power and railway systems
|
์ ์ฉ๋ถ์ผ
|
์ฃผ์ ์ผ์ฑ ๋ฐ์ดํฐ
|
ํ์ต ๊ธฐ๋ฒ
|
ํน์ง ๋ฐ ์ฑ๊ณผ
|
|
๋ณ์๊ธฐ
|
๋ถ๋ถ ๋ฐฉ์ , DGA, ์จ๋, ์ง๋
|
CNN, LSTM
|
์ ์ฐ ์ดํ ๊ฒ์ถ,
๊ณ ์ฅ ์์ธก, ์๋ช
์ถ์
|
|
์ฐจ๋จ๊ธฐ
|
์ ๋ฅ ํํ, ์ง๋ ๋ฐ์ดํฐ
|
๋จธ์ ๋ฌ๋, CNN
|
๊ฐํ ๋์ ์ด์
ํ์ง, ๊ธฐ๊ณ์ ์ดํ ๊ฒ์ถ
|
|
์ก์ ์
|
์ ๋ฅ, ์จ๋, ์ ๋ก ์ฒ์ง
|
๋ฅ๋ฌ๋, ํ๊ท๋ถ์
|
๊ณผ๋ถํ ๋ฐ ๊ธฐํ
๋ณํ ๋ฐ๋ฅธ ์ฌ๊ณ ์์ธก
|
|
๊ถค๋ํ๋ก
|
์ํผ๋์ค ๋ณํ, ์ ๋ฅ ํํ
|
๋จธ์ ๋ฌ๋,
CNN,
LSTM
|
๋จ์ ยท๋จ๋ฝ ์กฐ๊ธฐ
๊ฒ์ถ, ์ด์ ํจํด ํ์ต
|
3.2 ์ํผ๋์ค ๋ณธ๋ ๋ชจ๋ํฐ๋ง Parameters ์ ์
์ํผ๋์ค ๋ณธ๋์ ์ํ๋ฅผ ์ ๋ฐํ๊ฒ ๊ฐ์ํ๊ธฐ ์ํด์๋ ์ฃผ์ ํ๋ผ๋ฏธํฐ๋ฅผ ๋ช
ํํ ์ ์ํ ํ์๊ฐ ์๋ค. ์์ ์ฐ๊ตฌ์์ ์ ์๋ ์ฃผ์ ์ด์ ์งํ๊ฐ ์ ์ ๊ฐํ,
์ ๋ฅ ๋ถํํ, ์ ํธ ๊ฐ์ , ์จ๋ ์์น ๋ฑ์ผ๋ก ๋ํ๋๋ ๋งํผ, ์ํผ๋์ค ๋ณธ๋์ ์ ๊ธฐ์ ยท์ด์ ํน์ฑ์ ๋ํํ๋ ๋ณ์๋ก์ ์ ์ยท์ ๋ฅยท์ฃผํ์ยท์จ๋๋ฅผ ํต์ฌ ์งํ๋ก
์ ์ ํ๋ค[1][3][7][8]. ์ ์ ์ํ์ ๋น์ ์ ์ํ๋ฅผ ๊ตฌ๋ถํ์ฌ ํ์ตํ ์ ์๋๋ก ๊ฐ๊ฐ์ ์กฐ๊ฑด์ ์ค์ ํ๊ณ , ์๋ฎฌ๋ ์ด์
์ ํตํด ์ค์ ์ด์ฉ ํ๊ฒฝ์ ๋ณํ๋ฅผ ์ฌํํ ์ ์๋๋ก ๊ตฌ์ฑํ๋ค.
์ ์์ ๊ฒฝ์ฐ ๊ถค๋ํ๋ก ์ ํธ ์ถ๋ ฅ์ AC 20 V์ด์ง๋ง, ์ ๋ก ๊ฑฐ๋ฆฌยท์ ํญยท๊ฒฐ์ ์์ค ๋ฑ์ ์ํฅ์ผ๋ก ์ํผ๋์ค ๋ณธ๋์ ๊ฑธ๋ฆฌ๋ ์ ์์ AC 4~6 V ์์ค์ด
๋๋ค. ์ ์ ์ํ์์๋ ํํ์ด ์์ ์ ์ผ๋ก ์ ์ง๋๋ฉฐ, ๋น์ ์ ์ํ์์๋ ์๊ฐ์ ์ธ ์ ์ ํ๊ฐ์ด๋ ์์น์ด ๋ฐ์ํ๋๋ก ํ์ฌ ์ ์ ๋ถ๋์ด๋ ๋จ๋ฝ ๋ฑ ์ ์ ๋ณ๋
์ด์ ์ํ๋ฅผ ๋ชจ์ฌํ๋ค[1][3].
์ ๋ฅ๋ ์ค์ ์ดํ์์ ์๋ฐฑ A ๋จ์๋ก ํ๋ฅด๋ฉฐ, ๊ณ ์์ฒ ๋ ๊ตฌ๊ฐ์์๋ 400~800 A ์์ค์ด๋ค. ๋ณธ ์ฐ๊ตฌ์์๋ ๋ํ๊ฐ์ผ๋ก 500 A๋ฅผ ์ ํ๋ค. ์ ์
์ํ์์๋ ์์ ์ ์ธ ์ ๋ฅ ํ๋ฆ์ด ์ ์ง๋๋๋ก ํ์๊ณ , ๋น์ ์ ์ํ์์๋ ๊ธ๊ฒฉํ ๋ณ๋์ ๋ชจ์ฌํ์ฌ ๋จ์ ยท์ ์ ๋ถ๋ยท์ ์ฐ ์ดํ ๋ฑ์ ์ด์ ์ํ๋ฅผ ์ฌํํ๋ค[3][7].
์ฃผํ์๋ ๊ถค๋ํ๋ก์์ ์ฌ์ฉ๋๋ ๋ค์ํ ์ฃผํ์ ์ค ๊ตญ๋ด ์ฒ ๋ ๊ถค๋ํ๋ก์ ํ์ค ์ฃผํ์ ์ค ํ๋์ด๋ฉฐ ์ ํธ ๊ตฌ๊ฐ ๋ถ๋ฆฌ์ ๊ถค๋ ์ ์ ๊ฒ์ง์ ์ฌ์ฉ๋๋ 1,700
Hz๋ฅผ ์ค์ฌ ์ฃผํ์๋ก ์ ํํ๋ค[2][3]. ์ ์ ์ํ์์๋ FFT ๋ถ์์์ 1,700 Hz ์ฑ๋ถ์ ์งํญ์ด ์์ ์ ์ผ๋ก ์ ์ง๋์๊ณ , ๋น์ ์ ์ํ์์๋ ๊ณผ๋ํ๊ฒ ๊ฐ์ํ๊ฑฐ๋ ์ฆํญ๋์ด ์ ํธ ๊ฐ์
๋๋ ์ธ๋ ๊ฐ์ญ์ ๋ชจ์ฌํ๋ค.
์จ๋๋ ์ ๋๊ฐ ๋์ ๋ด๋ถ์ ์ธ๋ถ์ ์จ๋์ฐจ(ฮT)๋ฅผ ์งํ๋ก ํ์ตํ ์ ์๋๋ก ํ๋ค. ์ผ๋ฐ์ ์ธ ํ๊ฒฝ์์ ์ํผ๋์ค ๋ณธ๋๋ ๊ถ์ ๋ฐ์ด๋ก ๋ด๋ถ ์จ๋๊ฐ ์ธ๋ถ๋ณด๋ค
๋์ ฮT๊ฐ ์ฝ 5 โ ์์ค์์ ์ ์ง๋๋ค. ๊ทธ๋ฌ๋ ๋น์ ์ ์ํ์์๋ ฮT๊ฐ ๊ธ๊ฒฉํ ์์นํ๋๋ก ํ์ฌ ์ ์ฐ ์ดํ, ๊ณผ๋ถํ, ๋๊ฐ ๋ถ๋ ๋ฑ ์จ๋ ๊ด๋ จ ์ด์์ด
๋ฐ์๋๋๋ก ํ๋ค[7].
๋ค ์ข
๋ฅ์ ํ๋ผ๋ฏธํฐ๋ฅผ ์ ์ํ๊ณ ์ค์ ์ด์ฉ ํ๊ฒฝ์์ ๋ฐ์ํ ์ ์๋ ๋ถํ์ค์ฑ์ ๋ฐ์ํ์ฌ, ์ธ๊ณต์ง๋ฅ ํ์ต์ฉ ๋ฐ์ดํฐ๋ฅผ ํ์ค์ฑ ์๊ฒ ๊ตฌ์ฑํ๋ค. ๊ฐ ํ๋ผ๋ฏธํฐ์
์ธก์ ์์น์ ์ ์ยท๋น์ ์ ์กฐ๊ฑด์ ํ 3๊ณผ ๊ทธ๋ฆผ 2์ ์ ๋ฆฌํ๋ค.
ํ 3. ์๋ฎฌ๋ ์ด์
์ผ์ฑ ํ๋ผ๋ฏธํฐ ์กฐ๊ฑด
Table 3. Simulation sensing parameter conditions for impedance bond monitoring
|
ํ๋ผ๋ฏธํฐ
|
์ ์์กฐ๊ฑด
|
๋น์ ์์กฐ๊ฑด
|
|
์ ์
|
4.24 V
|
์๊ฐ ์ ์ ๊ฐํยท์์น
|
|
์ ๋ฅ
|
500 A
|
์ ๋ฅ ๊ฐํยท์์น
|
|
์ฃผํ์
|
1,700 Hz
|
์ธ๋ ๋ฐ ์ ํธ ์ฐจ๋จ
|
|
์จ๋
|
๋ด๋ถ-์ธ๋ถ ์จ๋ ํธ์ฐจ 5 โ
|
ฮT ๊ธ์์น
|
๊ทธ๋ฆผ 2. ์ํผ๋์ค ๋ณธ๋ ํ๋ผ๋ฏธํฐ ์ธก์ ์์น(์ฌ๊ตฌ์ฑ:[2])
Fig. 2. Measurement Locations of Impedance Bond Parameters(Adapted from[2])
3.3 ์ํผ๋์ค ๋ณธ๋ ํ์ต ๋ชจ๋ธ
์ํผ๋์ค ๋ณธ๋์ ์๊ณ์ด ๊ธฐ๋ฐ ๋ฐ์ดํฐ ํน์ฑ๊ณผ ๋ค์ํ ํ์ต ๊ตฌ์กฐ ๊ฐ ์ฐจ์ด๋ฅผ ๋น๊ตํ๋ฉฐ ์ ์ ๋ฐ ๋น์ ์ ์ํ๋ฅผ ํ์ตํ๊ธฐ ์ํด ๋ค ์ข
๋ฅ์ ์ธ๊ณต์ง๋ฅ ๋ชจ๋ธ์ ์ ์ ํ๋ค.
์ ์ ๋ ๋ชจ๋ธ์ CNN, LSTM, MLP, ๊ทธ๋ฆฌ๊ณ CNN๊ณผ LSTM์ ๊ฒฐํฉํ ํ์ด๋ธ๋ฆฌ๋ ๊ตฌ์กฐ(CNN-LSTM)์ด๋ค. ๊ฐ ๋ชจ๋ธ์ ๋์ผํ ๋ฐ์ดํฐ๋ก ํ์ตํ์์ผ๋ฉฐ,
๊ตฌ์กฐ์ ํน์ฑยท์ฐ์ฐ ํจ์จยท์์ธก ์ ํ๋๋ฅผ ๋น๊ตํ๋ค.
CNN์ ์๊ณ์ด ๋ฐ์ดํฐ์์ ๊ตญ์์ ํน์ง์ ๊ตฌ๋ถํ์ฌ ํ์ตํ๋ ๋ฐ ํจ๊ณผ์ ์ด๋ค[9]. ์ ์ยท์ ๋ฅยท์ฃผํ์ยท์จ๋์ ๊ฐ์ ์ ํธ์์ ๋ฐ์ํ๋ ๋จ๊ธฐ์ ์ด์ ํจํด ๊ฐ์ง์ ์ ํฉํ๋ฉฐ, ํฉ์ฑ๊ณฑ๊ณผ ํ๋ง ์ฐ์ฐ์ ํตํด ์ฃผ์ ์ ๋ณด๋ฅผ ๋ณด์ ํ๋ฉด์ ๋ถํ์ํ
์ก์์ ์ ๊ฑฐํ๊ณ ๊ณ์ฐ ํจ์จ์ ๋์ธ๋ค. ๋ฐ๋ฉด LSTM์ ๊ฒ์ดํธ ๊ตฌ์กฐ๋ฅผ ๊ธฐ๋ฐ์ผ๋ก ์๊ฐ ์ถ์ ์ฅ๊ธฐ ์์กด์ฑ์ ๋ฐ์ํ ์ ์์ด ์ ๋ฅ ๋ถํํ์ด๋ ์ง์์ ์ธ ๋น์ ์์
์จ๋ ์์น์ฒ๋ผ ์ ์ง์ ์ด์ ์ํ๋ฅผ ํ์งํ๋ ๋ฐ ๊ฐ์ ์ ๊ฐ๋๋ค[10]. MLP๋ ๊ธฐ๋ณธ์ ์ธ ๋ค์ธต ์ ๊ฒฝ๋ง ๊ตฌ์กฐ๋ก ํ์ต ์๋๊ฐ ๋น ๋ฅด๊ณ ๊ตฌํ์ด ๋จ์ํ์ง๋ง, ๋ณต์กํ ์๊ณ์ด ํจํด์ ์ถฉ๋ถํ ๋ฐ์ํ๊ธฐ ์ด๋ ต๊ธฐ ๋๋ฌธ์ ์ฃผ๋ก ์ฑ๋ฅ ๋น๊ต๋ฅผ
์ํ ๊ธฐ์ค์ (baseline) ๋ชจ๋ธ๋ก ํ์ฉ๋๋ค[11]. CNN๊ณผ LSTM์ ๊ฒฐํฉํ ํ์ด๋ธ๋ฆฌ๋ ๋ชจ๋ธ์ CNN์ผ๋ก ๋จ๊ธฐ์ ์ธ ํน์ง์ ์ถ์ถํ๊ณ , LSTM์ผ๋ก ์ฅ๊ธฐ์ ๋ณํ๋ฅผ ํ์ตํ๋ฉฐ, ๋ณตํฉ์ ์ธ ์ด์ ํจํด์ ๋์์
ํ์งํ ์ ์๋ ์ฅ์ ์ด ์๋ค[12]. ์ด ์กฐํฉ์ ์๊ณ์ด ๋ฐ์ดํฐ์ ์ง์ญ์ฑ๊ณผ ์๊ฐ์ ์ฐ์์ฑ์ ๋ชจ๋ ๊ณ ๋ คํ ์ ์์ด, ์ฒ ๋ ์ ํธ ๋ฐ ์ ๋ ฅ ์์คํ
๊ณผ ๊ฐ์ด ์ฐ์์ ์ด์์ ๋ค๋ฃจ๋ ํ๊ฒฝ์ ์ ํฉํ
๊ฒ์ผ๋ก ์์๋๋ค. ํ 4๋ ๊ฐ ๋ชจ๋ธ์ ๊ตฌ์กฐ์ ํน์ฑ๊ณผ ์ฅ๋จ์ ์ ์์ฝํ ๊ฒ์ด๋ค.
ํ 4. ์ ์ฉ๋ ์ธ๊ณต์ง๋ฅ ๋ชจ๋ธ์ ํน์ง
Table 4. Characteristics of applied AI models
|
๋ชจ๋ธ
|
ํน์ง
|
์ฅ์
|
ํ๊ณ
|
|
CNN
|
1D-ํฉ์ฑ๊ณฑ ์ฐ์ฐ, ์ง์ญ์ ํน์ง ์ถ์ถ
|
์ด์ ์ ํธ ๊ฒ์ถ, ์ฐ์ฐ ํจ์จ ๋์
|
์ฅ๊ธฐ์ ์๊ฐ ์์กด์ฑ ๋ฐ์ ์ ํ
|
|
LSTM
|
๊ฒ์ดํธ ๊ตฌ์กฐ๋ฅผ ํตํ ์ฅ๊ธฐ ์์กด์ฑ ํ์ต
|
์๊ณ์ด ๋ฐ์ดํฐ์ ์ฅ๊ธฐ ํจํด ๋ฐ์ ๊ฐ๋ฅ
|
์ฐ์ฐ๋ ๊ณผ๋ค, ํ์ต ์๋ ์ ํ
|
|
MLP
|
๊ธฐ๋ณธ์ ์ธ ๋ค์ธต ์ ๊ฒฝ๋ง ๊ตฌ์กฐ
|
๊ตฌํ์ด ๋จ์, ๊ธฐ์ค ์ฑ๋ฅ ํ์ธ ์ฉ์ด
|
๋ณต์กํ ์๊ณ์ด ํจํด ํ์ต ํ๊ณ
|
|
CNN-LSTM
|
CNN ํน์ง ์ถ์ถ๊ณผ LSTM ์๊ณ์ด ํ์ต ๊ฒฐํฉ
|
๋จ๊ธฐ ํจํด๊ณผ ์ฅ๊ธฐ ์์กด์ฑ์ ๋์์ ํ์ต ๊ฐ๋ฅ
|
๋ณต์กํ ๊ตฌ์กฐ, ํ์ต ์๊ฐ ์ฆ๊ฐ
|
3.4 ๋ฐ์ดํฐ ๊ตฌ์ฑ ๋ฐ ํ์ต ํ๊ฒฝ
์ธ๊ณต์ง๋ฅ ํ์ต์ ํตํ ์ํผ๋์ค ๋ณธ๋ ๋ชจ๋ํฐ๋ง ๋ฐ์ดํฐ ์์ฑ์๋ MATLAB Simulink ๊ธฐ๋ฐ ์๋ฎฌ๋ ์ด์
์ด ํ์ฉ๋์๋ค[14]. ์ ์ ๋ฐ์ดํฐ 200์ธํธ์ ๋น์ ์ ๋ฐ์ดํฐ 200์ธํธ๋ก ์ด 400์ธํธ์ด๋ฉฐ, ๊ฐ ์ธํธ๋ ์ ์ยท์ ๋ฅยท์ฃผํ์ยท์จ๋์ ๋ค ๊ฐ์ง ํ๋ผ๋ฏธํฐ๋ก ๊ตฌ์ฑ๋์๋ค. ๋ฐ์ดํฐ๋
์ค์ ์ด์ฉ ํ๊ฒฝ์์ ๋ฐ์ํ ์ ์๋ ๋
ธ์ด์ฆ์ ์ํ ๋ณ๋์ ๋ชจ์ฌํ์ฌ ํ์ฅ ๋ฐ์ดํฐ์ ์ ์ฌํ ํน์ฑ์ ๊ฐ๋๋ก ์ค๊ณํ๋ค.
์ ์ฒ๋ฆฌ ๋จ๊ณ์์๋ ๋ชจ๋ ํ๋ผ๋ฏธํฐ๋ฅผ Min-Max ์ ๊ทํ(0~1)๋ก ์ค์ผ์ผ๋งํ์ฌ, ์๋ฐฑ A์ ์ ๋ฅ, ์ V์ ์ ์, ์์ญ โ์ ์จ๋์ ์์ฒ Hz์ ์ฃผํ์์
๊ฐ์ด ๋จ์ ์ฐจ์ด์ ์ํ ํ์ต ๋ถ๊ท ํ์ ๋ฐฉ์งํ๋ค. ๋ฐ์ดํฐ๋ ์๊ณ์ด ๊ตฌ์กฐ๊ฐ ์ ์ง๋ ์ ์๋๋ก ๊ท ์ผํ ์ํ๋ง ๊ฐ๊ฒฉ๊ณผ ์์ฐจ์ ๋ฐฐ์น ๋ฐฉ์์ ์ ์ฉํ๋ค.
๋ฐ์ดํฐ๋ ํ์ตยท๊ฒ์ฆยทํ
์คํธ์ ์ธ ๊ตฌ๊ฐ์ผ๋ก ๊ตฌ๋ถํ์ฌ ์ฌ์ฉ๋์๋ค. ๋จผ์ ๋ฐ์ดํฐ์ 70%๋ ํ์ต์ฉ์ผ๋ก ์ฌ์ฉํ์ฌ ๋ชจ๋ธ ๊ฐ์ค์น ์ต์ ํ์ ํ์ฉํ๊ณ , 15%๋
๊ฒ์ฆ์ ํ ๋นํ์ฌ ํ์ต๋ ๋ชจ๋ธ์ ์ฑ๋ฅ ํ๊ฐ์ ๊ณผ์ ํฉ ๋ฐฉ์ง๋ฅผ ์ง์ํ ์ ์๋๋ก ํ๋ค. ๋ง์ง๋ง์ผ๋ก ๋๋จธ์ง 15%๋ ํ
์คํธ์ ์ฌ์ฉํ์ฌ ์ต์ข
์ฑ๋ฅ์ ๊ฐ๊ด์ ์ผ๋ก
ํ๊ฐํ๋ค.
AI ํ์ต์๋ Python ๊ธฐ๋ฐ ๋ฅ๋ฌ๋ ํ๋ ์์ํฌ์ธ TensorFlow์ Keras๋ฅผ ์ ์ฉํ๋ค. ํ์ต ์๊ฐ ํ๊ฐ๋ฅผ ์ํด ํ๋์จ์ด ํ๊ฒฝ์ Intel
i7-13700H CPU์ NVIDIA RTX 4060 Laptop GPU๊ฐ ํ์ฌ๋ ๋์ผํ ์์คํ
ํ๊ฒฝ์์ ์คํ์ ์ํํ๋ค. ์์คํ
ํ๊ฒฝ์ ๋๊ท๋ชจ
์๊ณ์ด ๋ฐ์ดํฐ ์ฒ๋ฆฌ๋ฅผ ์ํ ์ถฉ๋ถํ ์ฐ์ฐ ์ฑ๋ฅ์ ์ ๊ณตํ์ฌ ๋ชจ๋ธ ๊ฐ ๋น๊ต์ ์ผ๊ด๋ ๊ฒฐ๊ณผ ํ๋ณด์ ์ ํฉํ๋ค. ์ต์ ํ ์๊ณ ๋ฆฌ์ฆ์ผ๋ก Gradient ํ๊ท ๊ณผ Gradient
์ ๊ณฑ ํ๊ท ์ ๋์์ ์ถ์ ํ๋ Adam Optimizer๋ฅผ ์ฌ์ฉํ์์ผ๋ฉฐ[13], ์์ธก๊ณผ ์ค์ ์ ๋ต ์ฌ์ด์ ์ฐจ์ด๋ฅผ ๋ํ๋ด๋ ์์ค ํจ์๋ ์ ์ยท๋น์ ์ ๊ตฌ๋ถ ๊ฐ์ ์ด์ง ๋ถ๋ฅ์ ์ ํฉํ Binary Cross-Entropy๋ฅผ ์ ์ฉํ๋ค.
๊ธฐ์กด ์๊ณ์ด ์ง๋จ ์ฐ๊ตฌ์์ ์ผ๋ฐ์ ์ผ๋ก ํ์ฉ๋๋ ๊ธฐ์ค์ ์ฐธ๊ณ ํ์ฌ ํ์ต ํ์ Epoch๋ 50์ผ๋ก ์ค์ ํ๋ค[6][8][12]. ํ ๋ฒ์ ํ์ตํ๋ ๋ฐ์ดํฐ ๊ฐ์์ธ Batch size๋ 32๋ก ์ค์ ํ์๋๋ฐ, ์ด๋ Gradient ์์ ์ฑ๊ณผ GPU ๋ฉ๋ชจ๋ฆฌ ํจ์จ ๊ท ํ์ผ๋ก ์ฐ์ํ ๊ตฌ๊ฐ์ธ
16~64์ ์ค๊ฐ๊ฐ์ผ๋ก ์ค์ ํ๋ค[6][8]. ๋ ๊ฐ์ ๋์ผํ๊ฒ ์ค์ ํ์ฌ ํ์ต ์์ ์ฑ๊ณผ ๋ชจ๋ธ ๊ฐ ๊ณต์ ํ ๋น๊ต๋ฅผ ๋ณด์ฅํ๋๋ก ํ๋ค. ๋ํ Early Stopping๊ณผ ReduceLROnPlateau(ํ์ต๋ฅ
๊ฐ์) ๊ธฐ๋ฒ์ ๋ณํ ์ ์ฉํ์ฌ ๋ถํ์ํ ์ฐ์ฐ์ ์ค์ด๊ณ ํ์ต ์๋ ด ์์ ์ฑ๊ณผ ์ต์ ์ฑ๋ฅ ํ๋ณด๋ฅผ ๋์์ ๋ฌ์ฑํ๋ค[15][16].
ํ 5๋ ๋ฐ์ดํฐ ๋ถํ ๋ฐฉ์๊ณผ ํ์ต ํ๊ฒฝ์ ์์ฝํ ๊ฒ์ผ๋ก, ๋ค์ํ ๋ชจ๋ธ์ ์ฑ๋ฅ์ ๊ณต์ ํ๊ฒ ๋น๊ตํ ์ ์๋ ์กฐ๊ฑด์ผ๋ก ๊ตฌ์ฑํ์์ผ๋ฉฐ, ์๋ฎฌ๋ ์ด์
๊ธฐ๋ฐ ๋ฐ์ดํฐ๋ฅผ
ํ์ฉํ์ฌ ์ธ๊ณต์ง๋ฅ ๋ชจ๋ํฐ๋ง ๊ธฐ๋ฒ์ ํ๋น์ฑ๊ณผ ์ฌํ ๊ฐ๋ฅ์ฑ์ ๊ฒ์ฆํ ์ ์๋๋ก ํ๋ค.
ํ 5. ๋ฐ์ดํฐ์
๋ถํ ๋ฐ ํ์ต ํ๊ฒฝ ์์ฝ
Table 5. Dataset partitioning and training environment summary
|
ํญ๋ชฉ
|
๋ด์ฉ
|
|
๋ฐ์ดํฐ ๊ท๋ชจ
|
์ด 400์ธํธ(์ ์ 200, ๋น์ ์ 200)
|
|
๋ฐ์ดํฐ ๋ถํ
|
ํ์ต 70%, ๊ฒ์ฆ 15%, ํ
์คํธ 15%
|
|
์ ์ฒ๋ฆฌ ๋ฐฉ์
|
Min-Max ์ ๊ทํ(0~1๋ฒ์)
|
|
ํ์ต ํ๊ฒฝ
|
Intel i7-13700H CPU, NVIDIA RTX 4060 Laptop GPU
|
|
ํ๋ ์์ํฌ
|
Python, TensorFlow, Keras
|
|
ํ์ต ํ๋ผ๋ฏธํฐ
|
Epoch 50, Batch size 32, Adam ์ตํฐ๋ง์ด์ , Binary Cross-Entropy ์์ค ํจ์
|
|
๋ณด์กฐ ๊ธฐ๋ฒ
|
Early Stopping, ReduceLROnPlateau
|
4. ์๋ฎฌ๋ ์ด์
๊ฒฐ๊ณผ ๋ฐ ๋ถ์
4.1 ์ํผ๋์ค ๋ณธ๋ ๋ชจ๋ํฐ๋ง ๋ฐ์ดํฐ ๋ชจ๋ธ๋ง
๋ณธ ์ฐ๊ตฌ์์๋ ์ํผ๋์ค ๋ณธ๋์ ์ ์ ๋ฐ ๋น์ ์ ์ํ๋ฅผ ๋ชจ์ฌํ๊ธฐ ์ํด MATLAB Simulink๋ฅผ ๊ธฐ๋ฐ์ผ๋ก ๊ทธ๋ฆผ 3๊ณผ ๊ฐ์ด ์๋ฎฌ๋ ์ด์
๋ชจ๋ธ์ ๊ตฌ์ฑํ๋ค. ํ๋์ ๋ชจ๋ธ์์ ์ ์ยท์ ๋ฅยท์ฃผํ์ยท์จ๋ ๋ค ๊ฐ์ง ํ๋ผ๋ฏธํฐ๋ฅผ ๋์์ ์ธก์ ํ ์ ์๋๋ก ์ค๊ณํ์์ผ๋ฉฐ, ์ ์ ์ํ์
๋น์ ์ ์ํ ๊ฐ๊ฐ 200์ธํธ์ฉ ์ด 400์ธํธ์ ๋ฐ์ดํฐ๋ฅผ ์์ฑํ๋ค. ๋น์ ์ ์ํ์์๋ ํ๋ผ๋ฏธํฐ๋น 50๊ฐ์ ๊ณ ์ฅ ์ํ๋ฅผ ์ ์ฉํ์ฌ ๋ค์ํ ์ด์ ์กฐ๊ฑด์ ๋ฐ์ํ๋ค.
์ ์ ์ํ์์ ๋ชจ๋ ํ๋ผ๋ฏธํฐ๋ ์์ ์ ์ผ๋ก ์ ์ง๋๋๋ก ๊ตฌ์ฑํ์๊ณ , ๋น์ ์ ์ํ์์๋ ์ค์ ์ด์ฉ ํ๊ฒฝ์ ๊ณ ์ฅ ํ์์ ๋ฐ์ํ๋ค. ์ ์์ ์๊ฐ์ ์ธ ๊ฐํ ๋๋
์์น, ์ ๋ฅ์ ๊ธ๊ฒฉํ ์ฆ๊ฐ, ์ฃผํ์๋ FFT ๋ถ์์ 1,700 Hz ์ฑ๋ถ์ ๊ฐ์ ๋๋ ์ฆํญ, ๋ด๋ถ-์ธ๋ถ ์จ๋์ฐจ(ฮT) ์์น ๋ฑ์ ํํ๋ก ๋ชจ๋ธ๋งํ๋ค.
๊ทธ๋ฆผ 4๋ ์ ์์์ ์ ์ ์ํ์ธ ๊ฒฝ์ฐ์ ๋น์ ์ ์ํ์์ ์๊ฐ ์ ์ ๊ฐํ๊ฐ ๋ํ๋๋ ํํ์ ๋น๊ตํ๋ค. ๊ทธ๋ฆผ 5๋ ์ ๋ฅ ํํ์ผ๋ก ์ ์ ์ํ์์๋ ์ฝ 500 A๊ฐ ์ ์ง๋๋๋ก ํ์๊ณ ๋น์ ์ ์ํ์์๋ ์ ๋ฅ๊ฐ ๊ธ์์น๋๋๋ก ํ๋ค. ๊ทธ๋ฆผ 6์ ์ฃผํ์ ์์ญ์ผ๋ก ์ ์ ์ํ์์ FFT๋ฅผ ๊ฑฐ์น 1,700 Hz ์ฑ๋ถ์ด ์์ ์ ์ผ๋ก ์ ์ง๋์๊ณ ๋น์ ์ ์ํ์์๋ ์ ํธ๊ฐ ํฌ๊ฒ ๊ฐ์ ๋์๋ค. ๊ทธ๋ฆผ 7์ ์จ๋์ฐจ(ฮT)์์๋ ์ ์ ์ํ๊ฐ ์ฝ 5 โ ์์ค์ผ๋ก ์ ์ง๋๊ณ ๋น์ ์ ์ํ์์๋ ์ ์ง์ ๋๋ ๊ธ๊ฒฉํ ์์น์ด ๋ฐ์ํ๋๋ก ํ๋ค.
์ด์ ๊ฐ์ด ์๋ฎฌ๋ ์ด์
์ผ๋ก ์์ฑ๋ ํํ ๋ฐ์ดํฐ๋ ์ ์๊ณผ ๋น์ ์ ์ํ๋ฅผ ๋ช
ํํ ๊ตฌ๋ถํ ์ ์๋ ํน์ฑ์ ๋ณด์์ผ๋ฉฐ, ์ธ๊ณต์ง๋ฅ ํ์ต์ ํ์ฉํ๊ธฐ์ ์ ํฉํ ๊ณ ํ์ง
๋ฐ์ดํฐ์์ ํ์ธํ๋ค.
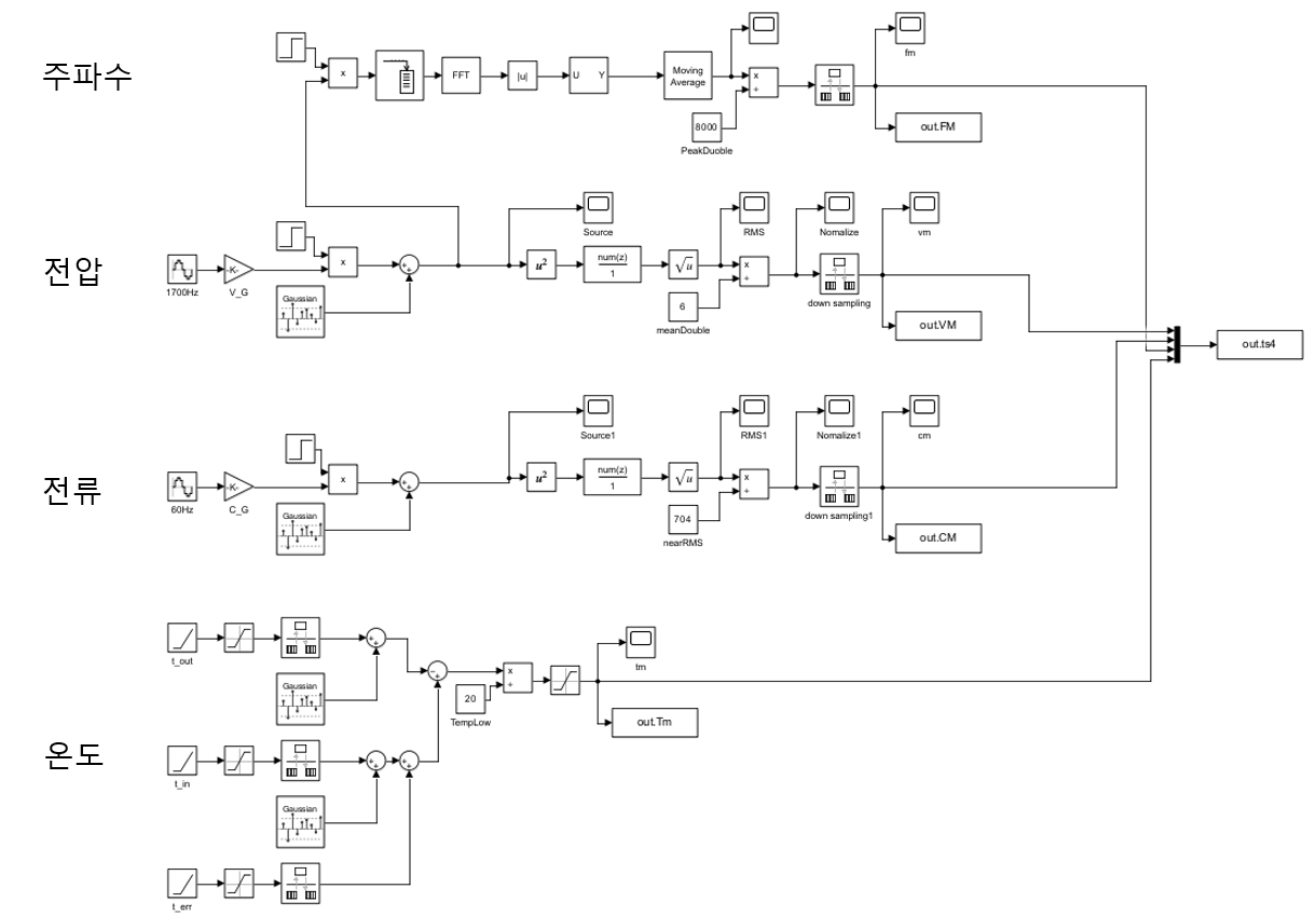
๊ทธ๋ฆผ 3. Simulink ๊ธฐ๋ฐ ์ผ์ฑ ๋ธ๋ก ๋ค์ด์ด๊ทธ๋จ
Fig. 3. Block diagram of sensing model in Simulink
๊ทธ๋ฆผ 4. ์ ์ ์ ์/๋น์ ์
Fig. 4. Voltage waveforms under normal and abnormal conditions
๊ทธ๋ฆผ 5. ์ ๋ฅ ์ ์/๋น์ ์
Fig. 5. Current waveforms under normal and abnormal conditions
๊ทธ๋ฆผ 6. ์ฃผํ์ ์ ์/๋น์ ์
Fig. 6. Frequency spectra under normal and abnormal conditions
๊ทธ๋ฆผ 7. ์จ๋ ์ ์/๋น์ ์
Fig. 7. Temperature difference (ฮT) under normal and abnormal conditions
4.2 ๋ชจ๋ธ๋ณ ํ์ต ๊ฒฐ๊ณผ
์ํผ๋์ค ๋ณธ๋๋ฅผ ๋ชจ์ฌํ ์๋ฎฌ๋ ์ด์
์ผ๋ก ์์ฑ๋ ์ด 400์ธํธ์ ์ ์ยท๋น์ ์ ๋ฐ์ดํฐ๋ฅผ ๋์์ผ๋ก ํ์ต๊ณผ ๊ฒ์ฆ์ ์ํํ๋ค. ์ ์ฒด ๋ฐ์ดํฐ๋ฅผ 10๊ฐ ๊ตฌ๊ฐ์ผ๋ก
๋ถํ ํ๊ณ ๊ฐ ๊ตฌ๊ฐ์ ๊ฒ์ฆ์ฉ์ผ๋ก ์์ฐจ ๊ต์ฒดํ๋ฉฐ ํ์ตํ๋ ๋ฐฉ๋ฒ์ธ 10-fold ๊ต์ฐจ๊ฒ์ฆ ๊ธฐ๋ฒ์ ์ ์ฉํ๋ค[17]. ์ด๋ ๋ฐ์ดํฐ ์์กด์ฑ์ ๊ฐ์์ํค๊ณ ๋ชจ๋ธ์ ์ผ๋ฐํ ์ฑ๋ฅ์ ํฅ์์ํค๊ธฐ ์ํ ๋ฐฉ๋ฒ์ด๋ค. ๋ชจ๋ธ ํ๊ฐ์งํ๋ก ์ ํ๋(Accuracy)์ F1-score, ROC-AUC,
PR-AUC, ํ์ต ์๊ฐ์ ์ ์ ํ๋ค. F1-score๋ ์ ๋ฐ๋(Precision)์ ์ฌํ์จ(Recall)์ ์กฐํ ํ๊ท ์ผ๋ก, ํด๋์ค ๊ฐ ๋ถ๊ท ํ ์ํฉ์์๋
์์ ๋ ํ๊ฐ๊ฐ ๊ฐ๋ฅํ ์งํ์ด๋ค[18]. ROC-AUC๋ ์๊ณ์น ๋ณํ์ ๋ฐ๋ฅธ ์ ์ฒด ๋ถ๋ฅ ์ฑ๋ฅ์ ๋ํ๋ด๋ฉฐ PR-AUC๋ ์์ฑ ํด๋์ค(Positive Class) ๊ฒ์ถ ์ฑ๋ฅ์ ๋ํ๋ธ๋ค[19][20]. ์ฌ๊ธฐ์ ์์ฑ ํด๋์ค๋ ์ํผ๋์ค ๋ณธ๋์ ๋น์ ์ ์ํ๋ฅผ ์๋ฏธํ๋ฉฐ, ํด๋น ์ํ๋ฅผ ์ผ๋ง๋ ์ ํํ ๊ฒ์ถํ๋๊ฐ๋ฅผ ํ๊ฐํ๋ค. ๊ฒ์ฆ ๋จ๊ณ์์ ์ต๋์ F1-score๊ฐ
๋๋๋ก ์๊ณ์น๋ฅผ ์กฐ์ ํ๋ค. ํ์ต ์์ ํ์ ๊ณผ์ ํฉ ๋ฐฉ์ง๋ฅผ ์ํ์ฌ Early Stopping, ReduceLROnPlateau, Class Weight
๊ธฐ๋ฒ์ ๋ณํ ์ ์ฉํ๋ค[15][16][21][22]. Early Stopping์ ๊ฒ์ฆ ์ฑ๋ฅ ํฅ์์ด ์ ์ฒด๋ ๊ฒฝ์ฐ ํ์ต์ ์กฐ๊ธฐ์ ์ข
๋ฃํ๋ฉฐ ReduceLROnPlateau๋ ํ์ต ์ ์ฒด ๊ตฌ๊ฐ์์ ํ์ต๋ฅ ์
์๋์ผ๋ก ๋ฎ์ถ์ด ์๋ ด ์๋๋ฅผ ๊ฐ์ ํ๋ค. Class Weight ๊ธฐ๋ฒ์ ํตํด ๋ฐ์ดํฐ ํด๋์ค ๋ถ๊ท ํ์ ๋ณด์ ํ๊ธฐ ์ํด ์์ค ํจ์์ ๊ฐ์ค์น๋ฅผ ๋ถ์ฌํ์ฌ ๋น์ ์
์ํ์ ๋ํ ํ์ต ๋ฏผ๊ฐ๋๋ฅผ ๋์๋ค.
๋ค ๊ฐ์ง ํ์ต ๊ธฐ๋ฒ ์ค CNN์ด ์ ํ๋์์ ํ๊ท ์ ํ๋ 99%, F1-score 92%๋ก ๊ฐ์ฅ ์ฐ์ํ ์ฑ๋ฅ์ ๋ณด์๋ค. ROC-AUC์ PR-AUC
๋ชจ๋ 0.99์ ๊ทผ์ ํ๋ ๊ฒฐ๊ณผ๊ฐ ๋์๋ค. fold ๊ฐ ์ฑ๋ฅ ํธ์ฐจ๋ ์๊ณ ํ๊ท ํ์ต ์๊ฐ์ด 28.7์ด๋ก ์ฐ์ฐ ํจ์จ์ด ์ฐ์ํ๋ค.
CNN-LSTM ๊ธฐ๋ฒ์ ํ๊ท ์ ํ๋๋ 97%์ด๋ฉฐ F1-score๋ 95% ์ด์์ด๊ณ AUC๊ฐ 0.99์ ๊ทผ์ ํ์ฌ CNN๊ณผ ์ ์ฌํ ์์ค์ ์ฑ๋ฅ์ ๋ณด์๋ค.
๊ทธ๋ฌ๋ ํด๋น ๊ธฐ๋ฒ์ ๊ตฌ์กฐ์ ๋ณต์ก์ฑ์ผ๋ก ํ๊ท ํ์ต ์๊ฐ์ 51์ด๋ก ๋ํ๋ฌ๋ค.
LSTM์ ํ๊ท ์ ํ๋ 97%, F1-score 94%์ด๊ณ ROC-AUC 0.96์ผ๋ก ๋ํ๋ฌ๋ค. ๊ทธ๋ฌ๋ ํ๊ท ํ์ต ์๊ฐ์ด 352์ด๋ก ๊ฐ์ฅ ๊ธธ์๊ณ ,
fold ๊ฐ ์ฑ๋ฅ ๋ถ์ฐ์ด ํฌ๊ฒ ๋ฐ์ํ๋ค.
MLP๋ ๊ฐ์ฅ ๋จ์ํ ๊ตฌ์กฐ์ธ ๋งํผ ํ๊ท ํ์ต ์๊ฐ์ด 14.1์ด ์ ํ ์์ค์ผ๋ก ๋งค์ฐ ์งง์๋ค. ํ์ง๋ง ์ ํ๋๋ 88.5% ์ ๋์ด๊ณ ROC-AUC๋ ์ฝ
0.85์ ๋จธ๋ฌผ๋ ๋ค.
ํ 6. ์ธ๊ณต์ง๋ฅ ๋ชจ๋ธ๋ณ ์ฑ๋ฅ ๋น๊ต
Table 6. AI Model Performance Comparison
|
๋ชจ๋ธ
|
์ ํ๋(%)
|
F1-score(%)
|
AUC(0~1)
|
ํ์ต ์๊ฐ(์ด)
|
|
CNN
|
99
|
92
|
โฅ0.99
|
28.7ยฑ8.3
|
|
LSTM
|
97
|
94
|
0.96
|
352ยฑ280
|
|
MLP
|
88.5
|
86
|
0.85
|
14.1ยฑ3.9
|
|
CNN-LSTM
|
97
|
95
|
โฅ0.99
|
51ยฑ30.6
|
๊ทธ๋ฆผ 8. ์ธ๊ณต์ง๋ฅ ๋ชจ๋ธ๋ณ ์ฑ๋ฅ ๋น๊ต(์ ํ๋, ROC-AUC, PR-AUC, ํ์ต ์๊ฐ)
Fig. 8. Performance Comparison of AI Models (Accuracy, ROC-AUC, PR-AUC, Training Time)
4.3 ์๋ฎฌ๋ ์ด์
๊ฒฐ๊ณผ
๋ค ๊ฐ์ง ์ธ๊ณต์ง๋ฅ ํ์ต ๊ธฐ๋ฒ ๋ชจ๋ ์ ์๊ณผ ๋น์ ์ ์ํ๋ฅผ ์ผ์ ์์ค ์ด์ ๋ถ๋ฅํ ์ ์์์ผ๋ฉฐ, ์ฑ๋ฅ๊ณผ ํจ์จ์ฑ ์ธก๋ฉด์์ ์ฐจ์ด๋ฅผ ๋ณด์๋ค. CNN์ ๋จ์ํ
๊ตฌ์กฐ์์๋ 99%์ ์ ํ๋๋ฅผ ์์ ์ ์ผ๋ก ๊ธฐ๋กํ์์ผ๋ฉฐ, ROC-AUC์ PR-AUC๋ 0.99 ์ด์์ผ๋ก ๋์ ์ ๋ขฐ์ฑ์ ํ๋ณดํ๋ค. ๋ํ ํ์ต ์๊ฐ์ด ์ฝ
28.7์ด๋ก ์งง์ ์ค์๊ฐ ๋ชจ๋ํฐ๋ง ํ๊ฒฝ์ ์ ํฉํ ๊ฒ์ผ๋ก ํ๋จ๋๋ค.
LSTM์ ์๊ณ์ด ์์กด์ฑ์ ๋ฐ์ํ์ฌ ์ฅ๊ธฐ์ ์ด์ ํ์ง์์ ๊ฐ์ ์ ๋ณด์ด๋ ๋งํผ ์ ํ๋๋ 97%, F1-score๋ 94%๋ก ๋ํ๋ฌ๋ค. ๊ทธ๋ฌ๋ ํ๊ท ํ์ต
์๊ฐ์ด 352์ด๋ก ๊ธธ๊ณ fold ๊ฐ ํธ์ฐจ๊ฐ ์ปค ์ค์๊ฐ ๋ชจ๋ํฐ๋ง ์ ์ฉ์๋ ํ๊ณ๊ฐ ์๋ค.
๊ตฌ์กฐ๊ฐ ๊ฐ์ฅ ๋จ์ํ MLP๋ 14.1์ด์ ๊ฐ์ฅ ์งง์ ํ๊ท ํ์ต ์๊ฐ์ด์์ผ๋, ์ ํ๋๋ 88.5%, AUC 0.85์ ๋จธ๋ฌผ๋ฌ ๊ธฐ์ค ํ์ต ๊ธฐ๋ฒ์ผ๋ก์ ์์น๋ฅผ
ํ์ธํ๋ค.
CNN-LSTM ํ์ด๋ธ๋ฆฌ๋ ๊ธฐ๋ฒ์ ๋ ๊ธฐ๋ฒ์ ์ฅ์ ์ ๊ฒฐํฉํ์ฌ ์ ํ๋์์ 97%, F1-score 95%, AUC 0.99 ์ด์์ผ๋ก ์ค์ํ ์ฑ๋ฅ์ ๋ณด์๋ค.
๊ทธ๋ฌ๋ LSTM์ ์ํฅ์ผ๋ก CNN๋ณด๋ค ๊ตฌ์กฐ๊ฐ ๋ณต์กํด์ ธ ํ๊ท ํ์ต ์๊ฐ์ด ์ฝ 51์ด๋ก ๋ค์ ์ฆ๊ฐํ๋ค. CNN์ ๋์ ํ์ฌ ์ค์๊ฐ ๋ชจ๋ํฐ๋ง ํ์ต๋ชจ๋ธ๋ก ์ฌ์ฉํ๊ธฐ
์ํด์๋ ์ถ๊ฐ์ ์ธ ์ต์ ํ๊ฐ ํ์ํ๋ค.
์ข
ํฉ์ ์ผ๋ก CNN์ด ์ฑ๋ฅ๊ณผ ํจ์จ์ฑ์ ๊ท ํ ๋ฉด์์ ๊ฐ์ฅ ์ค์ฉ์ ์ธ ๋ชจ๋ธ๋ก ํ๊ฐ๋๋ฉฐ CNN-LSTM์ ๋ณตํฉ์ ์ธ ์ด์ ์ ํธ ํ์ง์์์ ํ์ฅ ๊ฐ๋ฅ์ฑ์ ํ์ธํ
์ ์์๋ค.
์ด๋ฌํ ๊ฒฐ๊ณผ๋ ๋จ์ํ ์ ์ ๋ฒ์ ๊ธฐ๋ฐ ๊ฐ์๋ฅผ ๋์ด AI ๊ธฐ๋ฐ ๋ฐ์ดํฐ ๋ถ์ ์ ๊ทผ๋ฒ์ด ์ํผ๋์ค ๋ณธ๋ ๋ชจ๋ํฐ๋ง์ ํจ๊ณผ์ ์ผ๋ก ํ์ฉ๋ ์ ์์์ ์์ฌํ๋ค.
5. ๊ฒฐ ๋ก
๋ณธ ์ฐ๊ตฌ์์๋ ์ํผ๋์ค ๋ณธ๋ ์ํ๋ฅผ ๋ชจ๋ํฐ๋งํ๊ธฐ ์ํด ์ ์ยท์ ๋ฅยท์ฃผํ์ยท์จ๋์ฐจ(ฮT)๋ฅผ ์ฃผ์ ํ๋ผ๋ฏธํฐ๋ก ์ ์ํ๊ณ , ์ ์ ๋ฐ ๋น์ ์ ์กฐ๊ฑด์์์ ํ์์
MATLAB Simulink ์๋ฎฌ๋ ์ด์
์ผ๋ก ๋ชจ์ฌํ๋ค. ์ด 400์ธํธ์ ๋ฐ์ดํฐ๋ฅผ ๊ตฌ์ถํ์์ผ๋ฉฐ, CNN, LSTM, MLP, CNN-LSTM ๋ค ๊ฐ์ง
์ธ๊ณต์ง๋ฅ ํ์ต ๊ธฐ๋ฒ์ผ๋ก 10-fold ๊ต์ฐจ๊ฒ์ฆ์ ์ํํ์ฌ ๋น๊ตํ๋ค.
์คํ ๊ฒฐ๊ณผ CNN๊ณผ CNN-LSTM์ด ๋์ ์ ํ๋์ ๋น ๋ฅธ ํ์ต ์๋๋ฅผ ๋์์ ํ๋ณดํ์ฌ ์ฐ์ํ ์ฑ๋ฅ์ ๋ณด์๋ค. ํนํ CNN์ ๋จ์ํ ๊ตฌ์กฐ์๋ ๋ถ๊ตฌํ๊ณ
๋์ ์ ํ๋๋ก ๊ตฌ๋ถํ์ฌ ์งง์ ํ์ต ์๊ฐ์ ๋์์ ํ๋ณดํ์ฌ ์ค์ฉ์ฑ์ด ํ์ธ๋์๋ค. LSTM ์ญ์ ์ ํ๋ ์ธก๋ฉด์์ ๊ฐ์ ์ ๋ณด์์ผ๋, ์ฐ์ฐ ์๊ฐ ์ฆ๊ฐ์ ์ฑ๋ฅ
์์ ์ฑ์์ ํ๊ณ๋ฅผ ๋ณด์๋ค. MLP๋ ์ ํ์ฑ์ด ๋น๊ต์ ๋จ์ด์ ธ์ ๊ธฐ์ค์ ๋ชจ๋ธ๋ก์์ ์๋ฏธ์ ๊ทธ์ณค๋ค.
์ด์ฒ๋ผ AI์ ๊ธฐ๋ฐํ ๊ณ์ธก์ด ๊ธฐ์กด ์ ์ ๋ฒ์ ๊ธฐ๋ฐ ๊ฒ์ฌ ๋ฐฉ์์ ๋ณด์ํ๋ฉฐ, ์ํผ๋์ค ๋ณธ๋ ๋ชจ๋ํฐ๋ง์ ํจ๊ณผ์ ์ผ๋ก ์ ์ฉ๋ ์ ์์์ ํ์ธํ๋ค. ๋ค๋ง ๋ณธ
์ฐ๊ตฌ๋ ์๋ฎฌ๋ ์ด์
๋ฐ์ดํฐ๋ฅผ ๊ธฐ๋ฐํ์ฌ ํ๊ฐํ ๊ฒ์ผ๋ก ํฅํ ์ค์ ํ์ฅ ๋ฐ์ดํฐ๋ฅผ ์ ์ฉํ์ฌ ๊ฒ์ฆ์ด ํ์ํ๋ค. ๋ํ ์ ํธ ์ฃผํ์ ๋์ญ์ ๋ค์ํ์ ์ฅ์ ์กฐ๊ฑด
ํ์ฅํ๊ณ , ํ์ต ๊ธฐ๋ฒ ๊ฒฝ๋ํ ๋ฐ ์ถ๋ก ์ต์ ํ ์ฐ๊ตฌ๋ฅผ ๋ณํํ๋ค๋ฉด ๋จ์ ๋ชจ๋ํฐ๋ง์ ๋์ด ์ค์๊ฐ ์์ธก ์ ๋น ์ฒด๊ณ๋ก ๋ฐ์ ํ ๊ฐ๋ฅ์ฑ์ด ๋์ฑ ์ปค์ง ๊ฒ์ผ๋ก ๊ธฐ๋๋๋ค.
References
M. Andrusca, M. Adam, A. Dragomir, E. Lunca, R. Seeram, O. Postolache, 2020, Condition
Monitoring System and Faults Detection for Impedance Bonds from Railway Infrastructure,
Applied Sciences

H. J. Wilson, 1985, Impedance Bond

S. Kumar, A. Singh, R. Kumar, 2013, Development and Performance Analysis of a Novel
Impedance Bond for Railway Track Circuits, IET Electrical Systems in Transportation,
pp. 50-55

A. Nechifor, A.-M. Dumitrescu, I. Fฤgฤrฤศan, 2022, Transformer Fault Diagnosis Methods
Based on Dissolved Gas Analysis: A Review, Sensors

Z. Faizol, M. N. Othman, A. A. Bakar, N. A. Wahab, 2023, Detection Method of Partial
Discharge on Transformer and Its Locating Technique: A Review, Applied Sciences

J. Zhou, Y. Zhang, Y. Huang, F. Liu, 2021, Fault Diagnosis of Track Circuits Based
on TimeโFrequency Image and CNN, IEEE Sensors Journal, pp. 26928-26939

2003, Railway ApplicationsโEnvironmental Conditions for EquipmentโPart 3: Equipment
for Signalling and Telecommunications

Z. Xing, H. Wu, W. Liang, Q. Chen, 2022, Railway Track Circuit Fault Diagnosis Based
on 1D Convolutional Neural Network, pp. 6828-6833

Y. LeCun, L. Bottou, Y. Bengio, P. Haffner, 1998, Gradient- Based Learning Applied
to Document Recognition, pp. 2278-2324

S. Hochreiter, J. Schmidhuber, 1997, Long Short-Term Memory, Neural Computation, pp.
1735-1780

D. E. Rumelhart, G. E. Hinton, R. J. Williams, 1986, Learning Representations by Back-Propagating
Errors, Nature, pp. 533-536

X. Shi, Z. Chen, H. Wang, D.-Y. Yeung, W.-K. Wong, W.-C. Woo, 2015, Convolutional
LSTM Network: A Machine Learning Approach for Precipitation Nowcasting, arXiv preprint

D. P. Kingma, J. Ba, 2015, Adam: A Method for Stochastic Optimization, arXiv preprint

2025, Simulink (R2025a) โ Product Documentation

L. Prechelt, 2012, Neural Networks: Tricks of the Trade, pp. 53-67

2025, ReduceLROnPlateau โ Callback Documentation

R. Kohavi, 1995, A Study of Cross-Validation and Bootstrap for Accuracy Estimation
and Model Selection, pp. 1137-1145

D. M. W. Powers, 2011, Evaluation: From Precision, Recall and F-Measure to ROC, Informedness,
Markedness & Correlation, Journal of Machine Learning Technologies, pp. 37-63

T. Fawcett, 2006, An Introduction to ROC Analysis, Pattern Recognition Letters, pp.
861-874

T. Saito, M. Rehmsmeier, 2015, The PrecisionโRecall Plot Is More Informative than
the ROC Plot When Evaluating Binary Classifiers on Imbalanced Datasets, PLoS ONE

H. He, E. A. Garcia, 2009, Learning from Imbalanced Data, IEEE Transactions on Knowledge
and Data Engineering, pp. 1263-1284

M. Buda, A. Maki, M. A. Mazurowski, 2018, A Systematic Study of the Class Imbalance
Problem in Convolutional Neural Networks, Neural Networks, pp. 249-259

์ ์์๊ฐ
He received his masterโs degree in Electronic and Electrical Engineering from Dankook
University, Korea. He is currently pursuing his Ph.D. degree in the Graduate School
of Railway (Department of Global Railway Systems) at Seoul National University of
Science and Technology, Korea. His research interests include railway ground signaling
systems and AI-based predictive maintenance technologies. E-mail: ikojino@nate.com
์ต์นํธ (Seung Ho Choi)
He received the B.S. degree in Electronic Engineering from Hanyang University, Seoul,
Korea, in 1991, and the M.S. and Ph.D. degrees in Electrical Engineering from Korea
Advanced Institute of Science and Technology (KAIST), Daejeon, Korea, in 1993 and
1999, respectively. Since August 2002, he has been a Professor in the Department of
Electronic Engineering at Seoul National University of Science and Technology, Seoul,
Korea. E-mail: shchoi@seoultech.ac.kr