고병선
(Byoung-Sun Ko)
1iD
차대석
(Dae-Seak Cha)
1iD
채상헌
(Sang Heon Chae)
1iD
최정식
(Jung-Sik Choi)
†iD
-
(Intelligent LVDC Demonstration Group, Energy Convergence Research Center, Korea Electronics
Technology Institute, Korea)
Copyright © The Korean Institute of Electrical Engineers
Key words
MVDC, Sub-module, Converter station, Test Procedure
1. 서 론
전 세계적으로 에너지 전환과 탄소중립 실현을 위한 정책적, 기술적 노력이 가속화됨에 따라, 태양광 발전, 풍력 발전을 포함한 신재생에너지의 보급이
급격히 확대되고 있다. 하지만, 신재생에너지 등의 분산형 전원의 확대는 기존 교류 기반 배전망의 전력 수용 용량, 전송 손실, 전력 품질 등의 기술적
한계를 드러내고 있다. 이에 따라 높은 에너지 효율성과 분산형 전원 연계에 유리한 직류 배전망에 대한 연구와 실증이 활발히 추진되고 있다.
직류 배전망은 전압 범위에 따라 HVDC(high voltage direct current), MVDC(medium voltage direct current),
LVDC(low voltage direct current)로 구분된다. HVDC는 ±100kV 이상의 전압으로 주로 장거리 고용량 전력 전송에 활용되며,
상용화가 활발하게 이루어지고 있다. 대표적으로, 노르웨이와 네덜란드를 잇는 NorNed 해저 HVDC 링크, 중국의 남서부–동부 간 ±800kV 초고압
DC 프로젝트는 HVDC 기술의 안정성과 경제성을 입증한 사례이다. 국내에서도 대표적인 사례로 ±500kV급으로 동해안과 신가평을 연결하는 HVDC
프로젝트가 추진되고 있다[1]-[2]. LVDC는 1.5kV 이하의 전압으로 마이크로그리드, 데이터센터, 빌딩 내 에너지 관리 등에서 활용되며, 국내에서는 실증을 기반으로 LVDC 핵심기기의
시험방법과 관련된 총 15종의 단체 표준이 제정되어 상용화의 기반이 마련되었다. 또한, IEC systems committee on LVDC에서는
LVDC 시스템과 관련된 국제 표준 개발을 수행하고 있다 [3]-[4].
반면 MVDC는 약 1.5kV에서 수십 kV 범위의 전압으로 분산형 에너지 자원의 통합, 선박이나 전철의 전원 시스템, 산업 단지용 전력 공급 등
다양한 응용 가능성이 제시되고 있으나 아직 기술 개발 초기 단계에 있으며, 시스템 아키텍처, 보호 방식, 제어 전략 등의 기술 확보를 위한 연구개발이
수행되고 있다 [5]-[6].
특히, MVDC에 적용되는 컨버터스테이션은 수십 kV급의 전압을 형성하기 위해 수십~수백의 모듈로 구성된다. 따라서, MVDC 컨버터스테이션의 구축
및 안정적인 운영을 위해서는 각각의 모듈에 대한 정상 동작 확인이 필수적으로 진행되어야 한다. 따라서, 본 논문에서는 MVDC 컨버터 스테이션용 SM(Sub-module)의
동작을 정격 조건에서 장시간 시험함으로써 SM의 PWM 기능, 보호 기능, 통신 기능 및 열 안정성 등의 정상상태에서의 성능을 검증하기 위한 시험평가
시스템을 제시한다. 시험평가 시스템은 SM의 전원 공급을 위한 PSP (power supply part)와 SM의 장시간 동작 확인을 위한 TP(test
part)로 구성되어 있으며, 각각의 구성요소 및 기능을 제시하였다. SM은 공진 전류 제어를 통해 장시간 운전되며, 초기 구동 시 발생할 수 있는
과전압 문제를 분석하였다. 제시한 시스템의 유효성을 실험을 통해 검증하였다.
2. 시스템 구성 및 제어
2.1 Sub-module 및 MVDC 컨버터스테이션
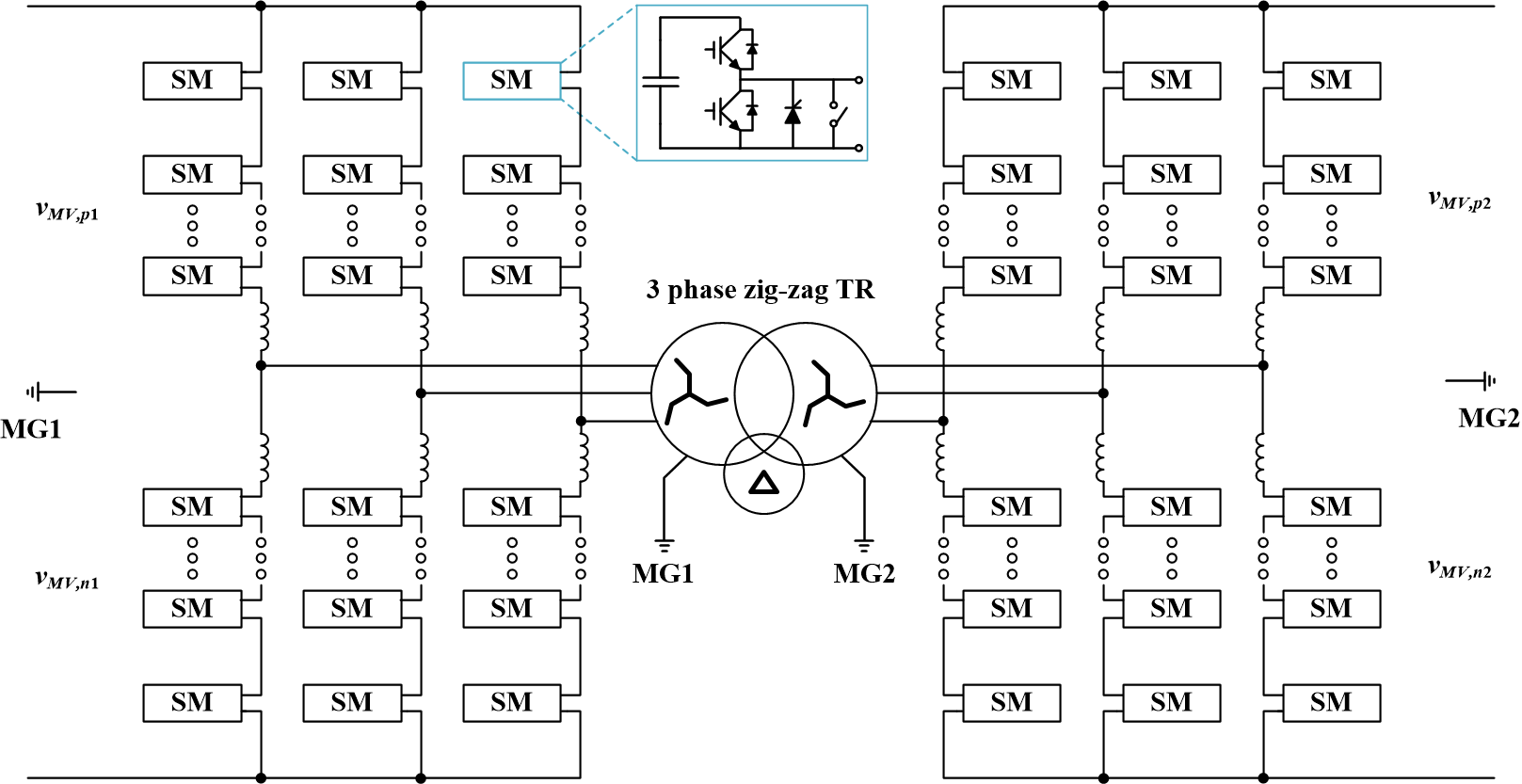
그림 1은 MVDC-MVDC 컨버터스테이션용 SM을 보여준다. SM은 하프브릿지 토폴로지이며, 모듈 보호를 위한 thyristor, by-pass 스위치로
구성된다. 각각의 SM은 SMI(sub-module interface)와 통신하여 능동 소자의 제어 및 자기 보호를 수행한다. 그림 2는 MVDC-MVDC 컨버터 스테이션의 구성을 보여주며, 이의 주요 사양은 표 1과 같다. 그림 3은 3상 zig-zag 변압기의 결선도를 보여준다.
그림 1. 컨버터 스테이션용 Sub-module
Fig. 1. Sub-module for converter station
그림 2. MVDC-MVDC 컨버터스테이션
Fig. 2. MVDC-MVDC converter station
그림 3. 3상 zig-zag 변압기 결선도
Fig. 3. Wiring configuration of 3phase zig-zag TR
표 1. 컨버터스테이션 및 Sub-module 사양
Table 1. Specification of converterstation and sub-module
|
항목
|
값
|
단위
|
|
컨버터 스테이션 정격 용량
|
20
|
MW
|
|
정격 DC 전압
|
±20
|
kV
|
|
정격 DC 전류
|
500
|
A
|
|
sub-module 정격전류
|
397(2.38)
|
A(pu)
|
|
Arm DC 전류
|
166.7(1.00)
|
A(pu)
|
|
Arm AC 전류
|
265(1.59)
|
Arms(pu)
|
|
sub-module DC 캐패시턴스
|
3.20
|
mF
|
|
sub-module DC 전압
|
1.80
|
kV
|
|
1차측, 2차측 선간전압
|
22.9
|
kVrms
|
|
3차측 선간전압
|
1.8
|
kVrms
|
일반적인 하프브릿지 컨버터가 DC to DC 혹은 DC to AC 변환 시 일정한 출력 전압을 유지하는 것과는 달리 SM은 직렬로 연결되어 전체 계단형
위상 전압을 형성한다. 계단형 출력 전압을 형성하기 위해 스위칭 패턴에 따라 SM은 불연속적인 전류가 흐르며, 전류의 방향과 크기가 지속적으로 변한다[7]. 즉, SM의 성능 평가를 위해서는 실제 운전 상황에서와 동일하게 스위치 도통 구간 및 스위칭 시점 전류를 재현하는 것이 필요하다[8]. 따라서, MVDC-MVDC 컨버터스테이션의 SM의 성능 평가를 위한 전력변환시스템의 필요성을 확인할 수 있다[9].
2.2 시험평가 시스템
그림 4는 SM 시험평가 시스템의 구성도를 보여준다. 여기서, 전체 시스템의 하드웨어 구성과 제어기 구성을 확인할 수 있다. 시험평가 시스템은 SM의 DC
전압 형성을 위한 PSP와 SM의 정격전압 상황에서, 이의 장시간 정상 동작을 확인하기 위한 TP로 구분된다.
그림 4. Sub-module 시험평가 시스템의 구성
Fig. 4. Configuration of sub-module evaluation system
2.2.1 하드웨어 구성
PSP는 절연을 위한 3권선 변압기와 직렬 구성된 3-level NPC(neutral-point-clamped) 컨버터, TP의 전원 차단 및 과전류
제한을 위한 buck 컨버터로 구성된다. SM의 DC 1800V를 공급하기 위해 전원 공급부로써 다양한 토폴로지를 검토하였으나, 전력 반도체소자의
정격 전압, 시스템 비용 절감, 효율 향상, 절연 성능 향상, 유지보수의 용이성 등을 고려하여 3-level NPC 컨버터의 직렬 구성으로 선정하였다.
PSP는 입력부의 3권선 절연변압기(Y-D-D)를 통해 2개의 3-level NPC에 절연된 전원을 공급받는다. 변압기의 1차측은 계통 접지가 되어
있으며, 2차측 및 PSP의 외함은 비접지 상태로 운전된다. 두 개의 절연된 컨버터의 직렬연결 시, 동일 외함 접지를 수행하는 경우 다중 접지 형태로
구성되어 각 NPC간에 누설전류가 순환하는 문제가 발생할 수 있기 때문이다[10]. 이에 따라, 각각의 NPC는 비접지 상태로 운전되며, PSP를 제어하기 위한 모든 제어 신호는 절연된 상태로 연결되었다.
각각의 NPC는 3권선 변압기를 통한 입력전원을 통해 각각 독립적인 출력 전압 제어(vnpc1, vnpc2)를 수행하며, 이는 직렬 연결되어 최종적으로
TP의 입력 전압인 vdclink를 형성한다 [11]. 또한 PSP 입력단의 3권선 변압기를 통해 NPC간 순환전류 발생을 방지하게 된다. vnpc1, vnpc2, vdclink는 다음과 같으며, 표 2는 PSP의 전기적 파라미터를 보여준다.
표 2. PSP의 시스템 파라미터
Table 2. System parameter of power supply part
|
항목
|
값
|
단위
|
|
입력 전압(선간전압)
|
380
|
V
|
|
출력 전압
|
1800
|
V
|
|
정격 전력
|
100
|
kW
|
Buck 컨버터의 경우, 정상 상황에서는 전력을 bypass 하는 용도로 사용된다. 그러나, TP에서 큰 과도 상태가 발생하는 경우, buck 컨버터의
인덕터로 인해 과도응답이 직접적으로 NPC의 출력으로 전달되지 않기 때문에 DC link의 버퍼로써의 역할로 활용될 수 있다. 또한, TP에서의 사고
발생 시, 시스템 보호를 위한 전원 차단, 과전류 제한 등의 기능을 수행한다.
TP는 4개의 SM과 1mH의 arm reactor, 그리고 공진 부하로 구성된다. TP는 공진부하와 SM의 PWM 위상차를 통해 공진 전류를 발생시킨다.
즉, 본 논문의 TP에서는 공진 부하에 의해 순수 교류 전류만 발생하게 된다. 본 논문의 시험 평가 시스템의 목적은 TP를 구성하는 SM의 PWM
스위칭, 과전압 및 과전류 보호 기능, 장시간 운전 시 열 안정성 등의 정상 동작을 확인하는 것을 목표로 운전된다.
제안한 시스템에서 PSP는 TP의 전원 공급만을 수행하게 되며, TP의 운전은 SM간의 PWM 위상차를 통해 공진 전류를 발생시킴으로써 수행된다.
그림 4의 제안한 시스템 구성은 다수의 전력변환장치가 직렬, 병렬 연결된 형태이나, 제어 요소를 최소화하여 시스템 운전 복잡성이 최소화 되도록 하였다. 또한,
공진 주파수에 따라 전류의 주파수가 결정되고, SM간 위상차로 인해 전류의 크기가 결정되기 때문에 다양한 주파수 상황에서 SM의 성능을 확인할 수
있다. 표 3은 LC 공진부하의 값을 나타낸다.
표 3. LC 공진부하의 값
Table 3. Value of LC resonance load
|
항목
|
값
|
단위
|
|
Inductance
|
4.8
|
mH
|
|
Capacitance
|
1465
|
uF
|
|
Resonant Frequency
|
59.32
|
Hz
|
2.2.2 제어기의 구성 및 기능
제어기 구성의 경우, 시험평가 시스템을 동작시키기 위한 MC(main controller)와 PSP를 제어하기 위한 PSPC(PSP controller),
SM을 제어하기 위한 SMI가 존재하며, 각각의 제어기의 역할은 표 4와 같다.
표 4. 제어기 별 역할 및 기능
Table 4. Roles and function of each controller
|
제어기
|
역할
|
세부기능
|
|
MC
|
상위 제어 및 명령 송신
|
PSPC 동작/지령값 명령
PSPC/SMI 상태정보 수신
SMI 동작 명령
TP 위상 제어
GUI 연계
|
|
PSPC
|
PSP 출력 전압 제어
|
MC로부터 수신한 지령값에 따른 출력 전압 제어
MC로 상태 정보 송신
|
|
SMI
|
SM 동작 및 보호 제어
|
각 SM의 능동소자 제어
각 SM의 보호 기능
MC로 상태 정보 송신
|
PSP는 PSPC에 의해 제어되며 vdclink를 공급하기 위해 각 NPC 컨버터의 출력 전압(vnpc1, vnpc2)을 독립적으로 제어한다. 3-level
NPC는 DC 전압 제어와, DQ축 전류 제어, 중성점 전압 제어를 위한 제어루프로 구성되어 동작한다.
SMI의 경우, SM과 상위 제어기 간 interface를 수행하는 제어기로, 자체적으로 전압, 전류 등의 제어를 수행하지 않는다. SMI는 상위
제어기의 명령에 따른 능동소자(IGBT, thyristor, bypass switch)의 제어 및 자기 보호기능을 수행한다.
MC는 전체 시스템 동작을 총괄하며, PSPC, SMI로부터 상태 정보를 수신하고 상위 GUI와 연동된다. 특히, SMI가 전압, 전류 제어 기능이
없기 때문에 TP의 공진 전류를 계측하여, 이의 전류 제어를 수행한다. 전류 제어의 결과값인 SM #3, #4의 위상(θarm)을 반영하여 SM의
스위칭 패턴(Q1, Q2, Q1’, Q2’)을 SMI에게 송신함으로써 TP의 위상 제어를 수행한다.
그림 5는 TP의 위상제어의 원리를 보여준다. 각 arm의 SMI는 표 2의 공진주파수에서 50% duty cycle의 PWM으로 동작하여 1800V의 크기를 갖는 square wave 형태의 전압을 출력한다. 두 arm간
위상차 θarm이 0인 경우, 즉 varm1, varm2의 위상 차이가 없는 경우 공진 부하에 전압이 인가 되지 않아 공진 전류가 흐르지 않는다.
하지만 공진 전류 제어에 의해 θarm이 변경되는 경우, 공진 부하 양단에 유효 전압이 인가되어 공진 전류가 형성된다.
그림 5. 시험부 위상 제어 동작 원리
Fig. 5. Operation principle of phase control in TP
그림 6은 시험평가 시스템의 전체 제어 블록도를 보여준다. 표 4의 제어기별 역할 및 기능에서 볼 수 있듯, 제어기별 역할은 계층적으로 구분된다. MC는 상위 GUI에서 지령값을 전달 받아 전체 동작을 관리한다.
PSP의 전압 지령값의 경우 통신을 통해 PSPC로 전달되게 되며, PSPC는 지령값에 따른 출력 전압을 제어한다. 공진 전류의 경우 지령값과 공진
전류의 오차를 PI 제어기를 통해 보상한다. 표 3에서 볼 수 있듯, 공진 전류는 약 60Hz의 주파수를 갖기 때문에 전체적인 시스템 안정도를 확보하기 위해 공진 전류 제어기는 충분히 낮은 대역폭을
갖도록 설계되었다. MC는 공진 전류 제어를 수행함으로써 위상값을 계산하게 되고 이를 반영하여 SM의 능동소자 스위칭을 제어한다.
그림 6. Sub-module 시험평가 시스템의 전체 제어 블록도
Fig. 6. Overall block diagram of sub-module evaluation system
2.2.3 초기구동 시퀀스
그림 7은 제안된 시험평가 시스템이 초기 구동하는 과정에서 발생할 수 있는 과전압 문제를 보여준다. 본 논문에서 SM은 내부에 포함된 커패시터 전압을 통해
제어 전원을 형성한다. 따라서, 커패시터 전압이 충분히 충전되지 않은 상태에서는 SM의 gate drive 및 보호 회로가 정상적으로 동작하지 않는다.
즉, 능동 소자는 의도하지 않은 비정상 상태에 놓일 수 있으며, 이는 전체 시스템의 안전한 기동을 방해하는 주요 원인이 된다. 따라서, 시험평가 시스템에서는
이러한 문제를 예방하기 위해 MC를 통해 PSPC에 제어 및 동작 명령을 전달하여 PSP를 구동한다. PSP가 동작함에 따라 TP는 약 1800V의
직류 전압을 공급받게 되고, TP를 구성하는 SM은 내부 다이오드 정류 동작을 통해 900V까지 충전된다. 이 상태에서 MC의 공진 전류 제어를 수행하는
경우 50%의 duty cycle로 SM이 동작함에 따라 충분히 충전되지 않은 커패시터 전압과 입력 전압 간의 불일치로 인해 큰 과도 전류 및 과도
전압이 발생하게 된다. 이는 단순한 파형 왜곡을 넘어 SM에 심각한 스트레스를 인가하여 시스템 파손을 일으킬 수 있다. 따라서, 시스템 초기 동작
시, SM의 duty cycle을 0~50%로 서서히 증가시켜 SM의 커패시터를 충전시키는 초기 구동 시퀀스가 필수적으로 적용되어야 함을 확인할 수
있다. 초기 구동 시퀀스를 포함한 전체 시스템 운전의 흐름도는 그림 8과 같다.
그림 7. 초기 구동 시 과전압 문제
Fig. 7. Overvoltage problem in initial startup
그림 8. 전체 시스템 운전의 흐름도
Fig. 8. Flowchart of overall evaluation system
3. 실험 검증
3.1 Power supply part 정격 운전
그림 9는 PSP의 하드웨어를 보여준다. 그림 4의 시험평가 시스템 구성에서 볼 수 있듯, 3-level NPC 2기의 직렬 구성과 buck 컨버터로 구성된다.
그림 9. 시험평가 시스템 power supply part
Fig. 9. Power supply part of evaluation system
그림 10은 PSP의 정격 운전 및 정상상태에서의 시험 결과를 보여준다. 그림 10의 시험 결과는 정격전압인 1800V가 아닌 2000V에서의 시험을 진행하였다. 이는 SM의 동작 평가 시, 과전압 보호 등의 보호 동작의 검증에
사용하기 위해 PSP가 2000V의 안정적 전원 공급이 가능한지 확인하기 위함이다. 실험 결과에서 볼 수 있듯, 약 97.9%의 효율을 보이며, 안정적으로
전원을 공급함을 확인할 수 있다.
그림 10. Power supply part의 정격, 정상상태 시험 파형 및 데이터
Fig. 10. Test results of power supply part in rated power and steady state
3.2 시험평가 시스템 성능 검증
3.2.1 초기구동 시퀀스
그림 11은 제안한 시험평가 시스템의 시험 구성을 보여준다. 그림 4에서 볼 수 있듯 전원공급을 위한 PSP, SM 시험평가를 위한 TP로 구성되며, SM의 냉각을 위한 chiller로 구성된다.
그림 11. Sub-module 시험평가 시스템의 시험 구성
Fig. 11. Test configuration of sub-module evaluation system
그림 12는 SM 시험평가 시스템의 초기 구동 시험 결과를 보여준다. 앞선 절에서 언급했듯이, MC의 공진 전류 제어 시, SM은 50%의 duty cycle로
동작함에 따라, SM이 vdclink 만큼 충전되지 않은 경우, 큰 과도 전류 및 과도 전압이 발생하게 된다. 따라서, SM의 capacitor 전압
충전을 위한 초기 구동 시퀀스의 동작을 확인하였다. 그림에서 볼 수 있듯, 초기 구동 전, TP의 입력전압 vdclink는 1800V를 유지한다.
이때, SM의 다이오드의 정류동작을 통해 vcap은 900V로 충전된다. 초기구동 시퀀스가 동작하게 되면, vcap은 vdclink와 동일하게 1800V로
충전됨을 확인할 수 있다. 이때, TP의 입력전류는 PSP의 buck 컨버터의 인덕터에 의해 제한되며, 50A 이내의 초기 충전 전류가 흐르게 됨을
확인하였다.
그림 12. Sub-module 시험평가 시스템의 초기 구동 시험 결과
Fig. 12. Test results of initial startup
3.2.2 공진 전류 제어를 통한 SM 동작
그림 13은 공진 전류 제어 동작 확인을 위한 시험 결과를 보여준다. 앞서 언급했듯, TP를 구성하는 공진 부하를 통한 전류 제어를 수행하기 위해 MC는 TP
내 SM의 위상을 제어한다. 그림 13에서 볼 수 있듯, 각 arm의 출력 전압은 위상차를 갖게 되며 이로 인해 공진전류가 흐르게 됨을 확인할 수 있다.
그림 13. 공진 전류 제어 결과
Fig. 13. Verification of resonant current control
그림 14는 공진 전류 제어 값에 따른 시험 결과를 보여준다. 각각의 전류 지령값에 따라 안정적으로 전류 제어가 수행됨을 확인할 수 있다. 시험평가 시스템의
경우, SM의 빠른 과도 응답 특성이 아닌 정상상태에서의 동작 확인을 목적으로 개발되었기 때문에 공진 전류 제어의 대역폭이 매우 낮다. 따라서 그림 14(d)에서 볼 수 있듯, 전류 지령값이 변하는 경우에도 안정적으로 공진전류가 제어됨을 확인할 수 있다. 또한, 모든 상황에서 TP의 입력 전압인 vdclink
또한 안정적으로 1800V를 유지함을 확인할 수 있다.
그림 14. 공진 전류 제어 시험 결과
Fig. 14. Test results of resonant current control
4. 결 론
본 논문은 MVDC 컨버터 스테이션용 sub-module(SM)의 정상 동작을 정격 조건에서 검증하기 위한 시험평가 시스템을 제안한다. 제안된 시스템은
power supply part(PSP)와 test part(TP)로 구성된다. PSP는 3-level NPC 컨버터의 직렬 구성으로 TP의 입력
전압을 공급하고, TP는 공진 부하를 이용하여 SM의 PWM 스위칭 및 보호기능, 장시간 운전 상황에서의 안정성을 확인할 수 있다. 또한, 시스템
초기 구동 시 발생할 수 있는 과전류 및 과전압 문제를 분석하고, duty cycle을 점차적으로 증가시키는 방식을 제시 및 적용함으로써 이의 유효성을
확인하였다.
시험평가 시스템의 실험 결과에서 볼 수 있듯, 제안된 시스템은 TP의 각 arm 전압의 위상을 제어함으로써 공진 부하를 안정적으로 제어함을 확인하였다.
특히, TP의 공진 부하 파라미터를 변경함으로써 다양한 주파수 조건에서의 시험이 가능하기 때문에 다양한 운전 조건에서의 SM 성능 검증에 활용할 수
있을 것으로 기대한다.
Acknowledgements
This work was supported by the Korea Institute of Energy Technology Evaluation and
Planning(KETEP) and the Ministry of Trade, Industry & Energy(MOTIE) of the Republic
of Korea (No.20225500000130)
References
J. E. Skog, H. van Asten, T. Worzyk, T. Andersrød, 2010, NorNed – World’s longest
power cable

X. Wang, Q. Xu, Y. Lu, G. Tang, J. Yang, 2012, Design and implementation of ±800 kV
UHVDC transmission projects in China, IEEE Trans. Power Del., Vol. 27, No. 3, pp.
1620-1628

T. H. Kim, J. H. Kim, 2019, Technology trends and standardization status of LVDC distribution
systems, The Journal of the Korean Institute of Electrical Engineers, Vol. 68, No.
4, pp. 567-574

2020, IEC LVDC systems standardization roadmap

Y. J. Kim, J. Y. Lee, S. J. Yoon, 2020, Technology trends and prospects of MVDC distribution
systems, The Journal of the Korean Institute of Electrical Engineers, Vol. 69, No.
1, pp. 45-52

2020, Medium voltage DC distribution systems: Technology review and potential applications,
IEEE Transactions on Power Delivery, Vol. 35, No. 3, pp. 2196-2205

C. Y. Oh, K. R. Kim, J. H. Kim, J. P. Lee, T. J. Kim, 2020, Development of 3 kV, 1000
A ratings submodule test equipment for MMC-based VSC-HVDC system, pp. 322-323

Jongwoo Bae, Jae-Hun Jung, Eui-Cheol Nho, Yong-Ho Chung, Seung-Taek Baek, Jin-Hee
Lee, Young-Woo Kim, 2017, New Topology for Valve Performance Test Equipment of MMC
based STATCOM, The transactions of korean institute of power electronics, Vol. 22,
No. 1, pp. 82-88

Y. Tang, L. Ran, O. Alatise, P. Mawby, 2016, A Model Assisted Testing Scheme for Modular
Multilevel Converter, IEEE Transactions on Power Electronics, Vol. 31, No. 1, pp.
165-176

2007, IEEE Recommended Practice for Grounding of Industrial and Commercial Power Systems
(Green Book)

S. -Y. Oh, J. -S. Choi, D. -S. Cha, B. -S. Ko, 2021, Research on the Converter for
Power Supplying and Implementation of Power Quality in Low Voltage DC Distribution
Network, pp. 1-5

저자소개
He received the M.S. and Ph.D degree in the Department of Electrical Engineering,
Hanyang University, Korea, in 2013 and 2019, respectively. Since 2019, he has been
with the Korea Electronics Technology Institute where he is currently a senior researcher.
He received the M.S. degrees from Chonnam University graduate school electrical engineering
departure in February, 2011, and Ph.D degrees from same graduate school in August,
2018. He has been working for Korea Electrical Technology Institute since 2011 and
is currently Senior Researcher.
He received his B.S., M.S. and Ph.D degrees in Electrical Engineering from Jeju National
University, S. Korea, in 2015, 2017 and 2022, respectively, Since 2024, he has been
with the Korea Electronics Technology Institute in S. Korea, where he is currently
a senior researcher.
He received the B.S. degree in electrical control engineering from Sunchon University,
Jeollanam-do, Korea, in 2005, and the M.S. degrees from same graduate school electrical
engineering departure in February, 2007, and Ph.D degrees from same graduate school
in February, 2011. He has been working for Korea Electrical Technology Institute since
2011 and is currently Principal Researcher and LVDC Certification Support Group Leader.