• ๋Œ€ํ•œ์ „๊ธฐํ•™ํšŒ
Mobile QR Code QR CODE : The Transactions of the Korean Institute of Electrical Engineers
  • COPE
  • kcse
  • ํ•œ๊ตญ๊ณผํ•™๊ธฐ์ˆ ๋‹จ์ฒด์ด์—ฐํ•ฉํšŒ
  • ํ•œ๊ตญํ•™์ˆ ์ง€์ธ์šฉ์ƒ‰์ธ
  • Scopus
  • crossref
  • orcid

  1. (Dept. of Electrical Engineering, Mokpo National University, Korea)



Power system oscillation, Barkhausen criterion, Reflection coefficient, Oscillation-vulnerable bus, Impedance-based stability analysis

1. ์„œ ๋ก 

์ตœ๊ทผ ์ „๋ ฅ ๊ณ„ํ†ต์€ ์žฌ์ƒ์—๋„ˆ์ง€์™€ ์ „๋ ฅ์ „์ž ์„ค๋น„์˜ ๊ธ‰๊ฒฉํ•œ ํ™•์‚ฐ์œผ๋กœ ์ธํ•ด ๋™ํŠน์„ฑ์ด ํฌ๊ฒŒ ๋ณ€ํ™”ํ•˜๊ณ  ์žˆ๋‹ค. ๋™๊ธฐ ๋ฐœ์ „๊ธฐ์˜ ๋น„์ค‘์ด ๊ฐ์†Œํ•˜๊ณ  ์ธ๋ฒ„ํ„ฐ ๊ธฐ๋ฐ˜ ์ž์›์ด ์ฆ๊ฐ€ํ•จ์— ๋”ฐ๋ผ, ๊ณ„ํ†ต ๊ด€์„ฑ์˜ ์ €ํ•˜์™€ ๋‹จ๋ฝ์šฉ๋Ÿ‰์˜ ๊ฐ์†Œ๊ฐ€ ๋™์‹œ์— ๋ฐœ์ƒํ•˜๋ฉด์„œ ๊ณ„ํ†ต ์ „๋ฐ˜์˜ ์•ˆ์ •๋„๊ฐ€ ์•ฝํ™”๋˜๊ณ  ์žˆ๋‹ค. ์ด๋Ÿฌํ•œ ์•ฝ ๊ณ„ํ†ต(Weak Grid) ํ™˜๊ฒฝ์—์„œ๋Š” ์ธ๋ฒ„ํ„ฐ, HVDC, STATCOM ์˜ ์ „๋ ฅ์ „์ž ๋ณ€ํ™˜๊ธฐ์˜ ๋น ๋ฅธ ์ œ์–ด ๋ฃจํ”„๊ฐ€ ๋„คํŠธ์›Œํฌ ์ž„ํ”ผ๋˜์Šค์™€ ์ƒํ˜ธ์ž‘์šฉํ•˜์—ฌ, ์ง„๋™์˜ ๋ฐœ์ƒ ๋นˆ๋„์™€ ์ฃผํŒŒ์ˆ˜ ๋Œ€์—ญ์ด ๋™์‹œ์— ํ™•๋Œ€๋˜๋Š” ์ƒˆ๋กœ์šด ์•ˆ์ •๋„ ๋ฌธ์ œ๊ฐ€ ๋‚˜ํƒ€๋‚˜๊ณ  ์žˆ๋‹ค. ๊ทธ ๊ฒฐ๊ณผ ๊ด€์ธก๋˜๋Š” ๊ณ„ํ†ต ์ง„๋™์€ ๋” ์ด์ƒ 0.1-2 Hz ๋Œ€์—ญ์˜ ์ „ํ†ต์ ์ธ ์ €์ฃผํŒŒ ์ง„๋™(LFO) ๋ชจ๋“œ์— ๊ตญํ•œ๋˜์ง€ ์•Š๋Š”๋‹ค. ์ง๋ ฌ๋ณด์ƒ ์ปคํŒจ์‹œํ„ฐ, ์ผ€์ด๋ธ”, ํ•„ํ„ฐ ๋“ฑ์˜ ์ž„ํ”ผ๋˜์Šค๊ฐ€ ๋ณ€ํ™˜๊ธฐ ์ œ์–ด๊ธฐ์™€ ๊ฒฐํ•ฉํ•˜๋ฉด์„œ ์ˆ˜ Hz์—์„œ ์ˆ˜์‹ญ Hz์— ์ด๋ฅด๋Š” ์ค€๋™๊ธฐ/์ดˆ๋™๊ธฐ(sub/super-synchronous) ์ง„๋™(SSO) ๋Œ€์—ญ์œผ๋กœ๊นŒ์ง€ ํ™•์žฅ๋˜๊ณ  ์žˆ๋‹ค. ๋˜ํ•œ, ์™ธ๋ถ€ ์™ธ๋ž€์ด๋‚˜ ์ œ์–ด ์‹œ์Šคํ…œ์˜ ๋น„์„ ํ˜•์„ฑ์œผ๋กœ ์ธํ•ด ์œ ์ž…๋œ ํŠน์ • ์ฃผํŒŒ์ˆ˜ ์„ฑ๋ถ„์ด ๋‚ฎ์€ ๊ฐ์‡ ๋ฅผ ๊ฐ€์ง„ ๊ณ„ํ†ต ๋ชจ๋“œ์™€ ๊ณต์ง„ํ•˜์—ฌ ์ง€์†๋˜๋Š” ๊ฐ•์ œ ์ง„๋™(forced oscillation) ๋˜ํ•œ ๋ณด๊ณ  ๋˜๊ณ  ์žˆ๋‹ค. ์ด๋Ÿฌํ•œ ์ „๋ ฅ์ „์ž ์„ค๋น„์—์„œ ๋ฐœ์ƒํ•˜๋Š” ์ง„๋™์€ ์Šค์œ„์นญ ์ฃผํŒŒ์ˆ˜, ์œ„์ƒ๋™๊ธฐ๋ฃจํ”„(PLL), ์ „๋ฅ˜ ์ œ์–ด ๋Œ€์—ญํญ, ์ธก์ • ๋ฐ ํ†ต์‹  ์ง€์—ฐ ๋“ฑ๊ณผ ๊ฐ™์€ ๋ฏธ์„ธํ•œ ํŒŒ๋ผ๋ฏธํ„ฐ ๋ณ€ํ™”์—๋„ ๊ณ„ํ†ต ์ „๋ฐ˜์˜ ๊ฐ์‡  ํŠน์„ฑ์ด ๋ฏผ๊ฐํ•˜๊ฒŒ ๋ฐ˜์‘ํ•˜๋„๋ก ๋งŒ๋“ ๋‹ค. ๊ทธ ๊ฒฐ๊ณผ, ์ถœ๋ ฅ ๋ฐ ์ „์••์˜ ๊ฐ„ํ—์  ์š”๋™, ๋ณดํ˜ธ๊ณ„์ „๊ธฐ ์˜ค๋™์ž‘, ์„ค๋น„ ์ˆ˜๋ช… ๋‹จ์ถ•๊ณผ ์šด์ „ ์œ ์—ฐ์„ฑ ์ €ํ•˜ ๋“ฑ ์‹ค์งˆ์ ์ธ ์šด์˜์ƒ์˜ ๋ฌธ์ œ๋ฅผ ์ดˆ๋ž˜ํ•  ์ˆ˜ ์žˆ๋‹ค. ์žฌ์ƒ์—๋„ˆ์ง€ ํ™•๋Œ€๋Š” ์ „๋ ฅ ๊ณ„ํ†ต์ด ์–ด๋–ค ์ฃผํŒŒ์ˆ˜์—์„œ ์–ด๋А ๋ฒ”์œ„๊นŒ์ง€ ์–ผ๋งˆ๋‚˜ ์ง€์†์ ์œผ๋กœ ์ง„๋™ํ•  ์ˆ˜ ์žˆ๋Š”์ง€์˜ ๋ฌธ์ œ๋ฅผ ๊ด‘๋Œ€์—ญ์œผ๋กœ ํ™•์žฅํ–ˆ์œผ๋ฉฐ ๊ทธ ์ค‘์‹ฌ์—๋Š” ์ œ์–ดโ€“์ž„ํ”ผ๋˜์Šค ์ƒํ˜ธ์ž‘์šฉ์ด๋ผ๋Š” ํ•ต์‹ฌ ๋ฉ”์ปค๋‹ˆ์ฆ˜์ด ์ž๋ฆฌํ•œ๋‹ค[1]-[4].

์‹ค์ œ ์‚ฌ๊ณ  ์‚ฌ๋ก€๋Š” ์ด๋Ÿฌํ•œ ๋ฌธ์ œ์˜ ์‹ฌ๊ฐ์„ฑ์„ ์ž˜ ๋ณด์—ฌ์ค€๋‹ค. 2009๋…„ ๋ฏธ๊ตญ ERCOT ๊ณ„ํ†ต์—์„œ๋Š” ํ’๋ ฅ๋ฐœ์ „๊ธฐ(ํŠนํžˆ DFIG)์™€ ์ง๋ ฌ ๋ณด์ƒ์„  ๊ฐ„์˜ ์ƒํ˜ธ์ž‘์šฉ์œผ๋กœ ๋ฐœ์ƒํ•œ SSCI(Subsynchronous Control Interaction) ์‚ฌ๊ฑด์ด ๋ณด๊ณ ๋˜์—ˆ์œผ๋ฉฐ, ์ดํ›„ ERCOT์€ ๊ด‘๋ฒ”์œ„ํ•œ ์„ค๋น„ ๋ฆฌ์Šคํฌ ํ‰๊ฐ€์™€ ์šด์ „ ๋Œ€์ฑ…(๋ณด์ƒ ํ•ด์ œ, ์ถœ๋ ฅ ์ œํ•œ ๋“ฑ)์„ ์‹œํ–‰ํ•˜์˜€๋‹ค. ์ค‘๊ตญ์—์„œ๋Š” 2012โ€“2013๋…„ ์‚ฌ์ด ํ—ˆ๋ฒ ์ด์„ฑ Guyuan ํ’๋ ฅ๋‹จ์ง€์—์„œ ๋‹ค์ˆ˜์˜ SSO ์‚ฌ๊ฑด(๋Œ€ํ‘œ์ ์œผ๋กœ 8.6 Hz)์ด ๋ณด๊ณ ๋˜์—ˆ๊ณ , ์‹ ์žฅ Hami ์ง€์—ญ์—์„œ๋„ 2015๋…„ ์ค‘๋Œ€ํ•œ SSO(Synchronous Oscillation)๊ฐ€ ๊ด€์ธก๋˜์—ˆ๋‹ค[5].

์ด๋Ÿฌํ•œ ์‚ฌ๊ฑด๋“ค์€ ๋Œ€๊ทœ๋ชจ ์ถœ๋ ฅ ์ง„๋™, ๋ณดํ˜ธ๊ณ„์ „๊ธฐ ์˜ค๋™์ž‘ ์œ„ํ—˜, ์„ค๋น„ ๋ณดํ˜ธ๋ฅผ ์œ„ํ•œ ๊ธ‰๊ฒฉํ•œ ์ถœ๋ ฅ ์ œํ•œ ๋“ฑ ์šด์˜์ƒ ํ”ผํ•ด๋ฅผ ์ดˆ๋ž˜ํ–ˆ๋‹ค. ์ด๋Ÿฌํ•œ ์‚ฌ๋ก€๋“ค์ด ์ถ•์ ๋˜๋ฉด์„œ ์žฌ์ƒ์—๋„ˆ์ง€ยท์ „๋ ฅ์ „์ž ์ƒํ˜ธ์ž‘์šฉ์ด ๊ณ„ํ†ต ๋™ํŠน์„ฑ์„ ๊ตฌ์กฐ์ ์œผ๋กœ ๋ณ€ํ™”์‹œํ‚จ๋‹ค๋Š” ์ธ์‹์ด ๊ตญ์ œ์ ์œผ๋กœ ๊ณต์œ ๋˜์—ˆ๊ณ  ENTSO-E๋Š” ์ด๋Ÿฐ ๊ตฌ์กฐ์  ๋ณ€ํ™”๊ฐ€ ์ƒˆ๋กœ์šด ์ง„๋™ ํ˜„์ƒ์„ ์œ ๋ฐœํ•œ๋‹ค๊ณ  ์ง€์ ํ•˜์˜€๋‹ค. ์ด์— ๋”ฐ๋ผ 2016๋…„ ์ดํ›„ IEEE/CIGRE๋Š” ์•ˆ์ •๋„ ๋ถ„๋ฅ˜์ฒด๊ณ„๋ฅผ ์žฌ๊ฒ€ํ† ยทํ™•์žฅ(revisited & extended)ํ•˜์—ฌ ๊ธฐ์กด์˜ ๊ฐ๋„ยท์ฃผํŒŒ์ˆ˜ยท์ „์•• ์•ˆ์ •์„ฑ ๋ฒ”์ฃผ์— ๋ณ€ํ™˜๊ธฐ ๊ตฌ๋™ํ˜• ์•ˆ์ •๋„(Converter-Driven stability)์™€ ๊ณต์ง„ ์•ˆ์ •๋„(Resonance Stability)๋ฅผ ๋ช…์‹œ์ ์œผ๋กœ ์ถ”๊ฐ€ํ•˜์˜€๋‹ค. ๋”ฐ๋ผ์„œ ์ง„๋™์— ๋Œ€ํ•œ ์ „๋ ฅ ๊ณ„ํ†ต์˜ ์•ˆ์ •์„ฑ ํ‰๊ฐ€๋Š” ํ•ต์‹ฌ ๋ฒ”์ฃผ์— ์†ํ•˜๋ฉฐ ์ง„๋™์— ๋Œ€ํ•œ ์‚ฌ์ „์  ์ทจ์•ฝ ์ง€์  ํŒŒ์•…๊ณผ ์„ ์ œ ๋Œ€์‘์˜ ํ•„์š”์„ฑ์ด ๋” ์ฃผ๋ชฉ๋ฐ›๊ณ  ์žˆ๋‹ค [6]-[7].

๊ทธ๋ฆผ 1. ์ „๋ ฅ ๊ณ„ํ†ต ์•ˆ์ •๋„์˜ ๊ณ ์ „ ๋ฐ ํ™•์žฅ ๋ถ„๋ฅ˜ ์ฒด๊ณ„

Fig. 1. Classical and Extended Power System Stability

../../Resources/kiee/KIEE.2026.75.3.472/fig1.png

๋ณธ ์—ฐ๊ตฌ๋Š” ์ž„ํ”ผ๋˜์Šค ๊ธฐ๋ฐ˜ ๋ฐ˜์‚ฌ๊ณ„์ˆ˜($\Gamma$)์˜ ํฌ๊ธฐยท์œ„์ƒ ํŠน์„ฑ์„ ํ™œ์šฉํ•˜์—ฌ ๋ชจ์„ ๋ณ„ ์ง„๋™ ์ทจ์•ฝ๋„๋ฅผ ์‚ฌ์ „์— ํ™•๋ฅ ์ ์œผ๋กœ ํ‰๊ฐ€ํ•  ์ˆ˜ ์žˆ๋Š” ์ง€ํ‘œํ™” ๋ฐฉ๋ฒ•์„ ์ œ์•ˆํ•œ๋‹ค. ํŠน์ • ๋ชจ์„ ์—์„œ ๋ฐ”๋ผ๋ณธ ๊ณ„ํ†ต ์ž„ํ”ผ๋˜์Šค์™€ ํ•ด๋‹น ๋ชจ์„ ์˜ ๋ถ€ํ•˜ ๋ชจ์„  ์ž„ํ”ผ๋˜์Šค๋กœ๋ถ€ํ„ฐ ๋ฐ˜์‚ฌ๊ณ„์ˆ˜ $\Gamma$๋ฅผ ์‚ฐ์ถœํ•˜๊ณ , ์šด์ „ ์ (P, Q) ๋ณ€ํ™”๋Ÿ‰์— ๋”ฐ๋ฅธ ๋ฐ˜์‚ฌ๊ณ„์ˆ˜ ํฌ๊ธฐ ์™€ ์œ„์ƒ์„ ๋ถ„์„ํ•จ์œผ๋กœ์จ ์ง„๋™ ์ทจ์•ฝ ๋ชจ์„ ์„ ์‹๋ณ„ํ•œ๋‹ค. ๊ฐ ๊ณ„ํ†ต์— ๋Œ€ํ•ด ๋ชจ์„ ๋ณ„ ๊ณ„ํ†ต์„ ๋ฐ”๋ผ๋ณด๋Š” ํ…Œ๋ธŒ๋‚œ ์ž„ํ”ผ๋˜์Šค์™€ ๊ฐ ๋ชจ์„  ์ž„ํ”ผ๋˜์Šค๋ฅผ ์‚ฐ์ •ํ•˜์—ฌ ๋ฐ˜์‚ฌ๊ณ„์ˆ˜๋ฅผ ๋„์ถœํ•˜๊ณ , ์šด์ „ ์  ๋ณ€ํ™”์— ๋”ฐ๋ฅธ ๋ฐ˜์‚ฌ๊ณ„์ˆ˜ ํŠน์„ฑ์„ ์ฒด๊ณ„์ ์œผ๋กœ ์ˆ˜์ง‘ยท์ •๋ฆฌํ•œ ๋’ค, ์‹œ๋ฎฌ๋ ˆ์ด์…˜์—์„œ ๊ด€์ธก๋˜๋Š” ์ง„๋™ ์ทจ์•ฝ ์ง€์  ๊ฐ„์˜ ์—ฐ๊ด€์„ฑ์„ ๋น„๊ตยท๋ถ„์„ํ•จ์œผ๋กœ์จ ๊ฒ€์ฆํ•œ๋‹ค. ๋ณธ ์—ฐ๊ตฌ๋Š” ์žฌ์ƒ์—๋„ˆ์ง€ ๊ณ  ์นจํˆฌ๋ฅผ ์ง์ ‘ ๊ฐ€์ •ํ•˜์ง€ ์•Š๋Š” ๋™๊ธฐ๊ธฐ ์ค‘์‹ฌ ํ…Œ์ŠคํŠธ ๊ณ„ํ†ต์„ ๋Œ€์ƒ์œผ๋กœ ํ•˜๋˜ ๊ต๋ž€ ์ด์ „ ๋‹จ๊ณ„์—์„œ ๋ชจ์„ ๋ณ„ ์ง„๋™ ์ทจ์•ฝ๋„๋ฅผ ์‚ฌ์ „์— ์‹๋ณ„ํ•˜๋Š” ์ผ๋ฐ˜์  ์ ˆ์ฐจ๋ฅผ ์ œ์‹œํ•œ๋‹ค. ์ œ์•ˆ ์ ˆ์ฐจ์˜ ์œ ํšจ์„ฑ์„ ๊ฒ€์ฆํ•œ ์ดํ›„์—๋Š” ์žฌ์ƒ์—๋„ˆ์ง€ ๊ณ  ์นจํˆฌ ํ…Œ์ŠคํŠธ ๊ณ„ํ†ต์œผ๋กœ ํ™•์žฅํ•˜์—ฌ ๋™์ผํ•œ ๋ฐฉ๋ฒ•๋ก ์˜ ์ ์šฉ ๊ฐ€๋Šฅ์„ฑ๊ณผ ์„ฑ๋Šฅ์„ ์ถ”๊ฐ€๋กœ ํ‰๊ฐ€ํ•  ์˜ˆ์ •์ด๋‹ค.

2. ๊ธฐ์กด ์ „๋ ฅ๊ณ„ํ†ต ์ง„๋™ ๋ถ„์„ ๊ธฐ๋ฒ•

2.1 Modal Analysis

Modal Analysis๋Š” ์ •์ƒ ์šด์ „ ์  ๊ทผ๋ฐฉ์—์„œ ์ „๋ ฅ ๊ณ„ํ†ต์˜ ๋น„์„ ํ˜• ๋™์—ญํ•™์„ ์„ ํ˜• ๊ทผ์‚ฌํ™”ํ•˜์—ฌ, ์‹œ์Šคํ…œ ํ–‰๋ ฌ์˜ ๊ณ ์œ ์น˜์™€ ๊ณ ์œ ๋ฒกํ„ฐ๋ฅผ ํ†ตํ•ด ์ž์—ฐ๋ชจ๋“œ์˜ ์ฃผํŒŒ์ˆ˜, ๊ฐ์‡  ๋น„์œจ, ๊ณต๊ฐ„์  ๋ถ„ํฌ ๋ฐ ์˜ํ–ฅ๋„๋ฅผ ์ •๋Ÿ‰ํ™”ํ•˜๋Š” ์†Œ์‹ ํ˜ธ ์•ˆ์ •๋„ ๋ถ„์„ ๊ธฐ๋ฒ•์ด๋‹ค[8].

์ „๋ ฅ ๊ณ„ํ†ต์„ ๋น„์„ ํ˜• ๋ฏธ๋ถ„-๋Œ€์ˆ˜ ๋ฐฉ์ •์‹์œผ๋กœ ๋ชจ๋ธ๋ง ํ•˜๋ฉด ๋™์  ๊ฑฐ๋™์€ ๋‹ค์Œ ์‹(1)์œผ๋กœ ํ‘œํ˜„๋œ๋‹ค. ์—ฌ๊ธฐ์„œ ๋Š” ์ƒํƒœ๋ณ€์ˆ˜(๋ฐœ์ „๊ธฐ ํšŒ์ „์ž ๊ฐ๋„, ์†๋„, ์ž์† ๋“ฑ), y๋Š” ๋Œ€์ˆ˜ ๋ณ€์ˆ˜(๋ฒ„์Šค ์ „์••, ์œ„์ƒ ๋“ฑ) u๋Š” ์ž…๋ ฅ ๋ณ€์ˆ˜(์ œ์–ด ์‹ ํ˜ธ) ์ด๋‹ค.

(1)
$\dot{x} = f(x,y,u), 0 = g(x,y,u)$

ํ‰ํ˜•์ ($x_0, y_0, u_0$) ์ฃผ๋ณ€์—์„œ ์‹(1)์„ ์„ ํ˜•ํ™”ํ•˜๋ฉด ๋‹ค์Œ ์‹(2)๊ณผ ๊ฐ™์ด ์ƒํƒœ ๊ณต๊ฐ„ ๋ชจ๋ธ์ด ๋„์ถœ๋œ๋‹ค. ์„ ํ˜•ํ™”๋œ ๋ชจ๋ธ์€ ๋น„์„ ํ˜• ์‹œ์Šคํ…œ์˜ ๊ตญ์†Œ์  ์•ˆ์ •๋„ ๋ถ„์„์„ ์œ„ํ•œ ๊ธฐ๋ฐ˜์ด ๋˜๋ฉฐ, ์‹œ์Šคํ…œ์˜ ๋™ํŠน์„ฑ์„ ์„ ํ˜• ํ–‰๋ ฌ ํ˜•ํƒœ๋กœ ํ‘œํ˜„ํ•จ์œผ๋กœ์จ ๊ณ ์œ ์น˜ ํ•ด์„์ด ๊ฐ€๋Šฅํ•ด์ง„๋‹ค. ์—ฌ๊ธฐ์„œ A๋Š” ์‹œ์Šคํ…œ ํ–‰๋ ฌ, B์™€ C๋Š” ์ž…๋ ฅ/์ถœ๋ ฅ ํ–‰๋ ฌ, D๋Š” ํ”ผ๋“œ ํฌ์›Œ๋“œ ํ–‰๋ ฌ์ด๋‹ค.

(2)
$\Delta\dot{x} = A\Delta x + B\Delta u, \Delta z = C\Delta x + D\Delta u$

์†Œ์‹ ํ˜ธ ์•ˆ์ •๋„ ํ•ด์„์—์„œ๋Š” ์ž…๋ ฅ์ด ์—†๋Š” ๊ฒฝ์šฐ๋ฅผ ๊ณ ๋ คํ•˜์—ฌ ์‹(3)๊ณผ ๊ฐ™์ด ํ‘œํ˜„๋œ๋‹ค. ์ด ์‹์€ ์™ธ๋ถ€ ๊ต๋ž€์ด ์‚ฌ๋ผ์ง„ ์ดํ›„์˜ ์ž์œ  ์‘๋‹ต์„ ์˜๋ฏธํ•˜๋ฉฐ, ์‹œ์Šคํ…œ์˜ ๋‚ด์žฌ ๋œ ์ง„๋™๊ณผ ๊ฐ์‡  ํŠน์„ฑ์„ ๊ฒฐ์ •์ง“๋Š” ๊ธฐ๋ณธ ํ˜•ํƒœ์ด๋‹ค. ์ฆ‰, ํ–‰๋ ฌ์˜ ๊ณ ์œ ์น˜๋ฅผ ๋ถ„์„ํ•จ์œผ๋กœ์จ ์‹œ์Šคํ…œ์ด ์•ˆ์ •์ ์œผ๋กœ ๊ฐ์‡  ํ•˜๋Š”์ง€ ํ˜น์€ ์ง„๋™์ด ์ฆํญ๋˜๋Š”์ง€๋ฅผ ํŒ๋ณ„ํ•  ์ˆ˜ ์žˆ๋‹ค.

(3)
$\Delta\dot{x} = A\Delta x$

ํ–‰๋ ฌ A์˜ ๊ณ ์œ ์น˜ยท๊ณ ์œ ๋ฒกํ„ฐ($\lambda_i, \phi_i, \psi_i$)๋Š” ๋‹ค์Œ ์‹(4)์„ ๋งŒ์กฑํ•˜๋ฉฐ $\psi_i^\top \phi_i = 1$๋กœ ์ •๊ทœํ™”ํ•œ๋‹ค. ์ด ๊ด€๊ณ„๋Š” ์‹œ์Šคํ…œ์˜ ๊ณ ์œ ๋ชจ๋“œ ๊ตฌ์„ฑ์„ ์ •์˜ํ•˜๋ฉฐ, ์ขŒยท์šฐ ๊ณ ์œ ๋ฒกํ„ฐ๋Š” ๊ฐ๊ฐ ๋ชจ๋“œ์˜ ๊ณต๊ฐ„์  ๋ถ„ํฌ์™€ ๋ณ€์ˆ˜ ์ฐธ์—ฌ๋„๋ฅผ ํ‘œํ˜„ํ•œ๋‹ค.

(4)
$A\phi_i = \lambda_i \phi_i, \psi_i^\top A = \lambda_i \psi_i^\top$

๋ณต์†Œ ๊ณ ์œ ์น˜ $\lambda_i = \sigma_i + j\omega_i$๋กœ ๋ถ„ํ•ดํ•˜๋ฉด, ๋ชจ๋“œ$i$์˜ ์ฃผํŒŒ์ˆ˜ $f_i$, ๊ฐ์‡ ๋น„ $\zeta_i$, ์‹œ๊ฐ„์ƒ์ˆ˜ $\tau_i$๋Š” ๋‹ค์Œ ์‹(5)๊ณผ ๊ฐ™์ด ์ •์˜๋œ๋‹ค. ์ด ์‹์€ ๊ณ ์œ ์น˜๋กœ๋ถ€ํ„ฐ ์ง์ ‘์ ์œผ๋กœ ๋™ํŠน์„ฑ ์ง€ํ‘œ๋ฅผ ๊ณ„์‚ฐํ•˜๋Š” ํ•ต์‹ฌ ๋‹จ๊ณ„์ด๋‹ค.

(5)
$f_i = \frac{\omega_i}{2\pi} \quad \zeta_i = \frac{-\sigma_i}{\sqrt{\sigma_i^2 + \omega_i^2}} \times 100 \quad \tau_i = \frac{-1}{\sigma_i}$

๊ฐ ์ƒํƒœ๋ณ€์ˆ˜์˜ ๋ชจ๋“œ ์ฐธ์—ฌ๋„๋Š” ๋‹ค์Œ ์‹(6)์œผ๋กœ ์ •์˜๋œ๋‹ค. ์ฐธ์—ฌ๋„๋Š” ๊ฐ ๋ณ€์ˆ˜ $x_j$๊ฐ€ ํŠน์ • ๋ชจ๋“œ $i$์˜ ์ง„๋™์— ์–ผ๋งˆ๋‚˜ ๊ธฐ์—ฌํ•˜๋Š”์ง€๋ฅผ ์ •๋Ÿ‰ํ™”ํ•˜๋ฉฐ, ์ฐธ์—ฌ๋„๊ฐ€ ํฐ ๋ณ€์ˆ˜๋Š” ํ•ด๋‹น ๋ชจ๋“œ ์˜ ์ฃผ์š” ์ง„๋™์› ๋˜๋Š” ์ œ์–ด๋Œ€์ƒ์œผ๋กœ ๊ฐ„์ฃผํ•œ๋‹ค.

(6)
$p_{ki} = \phi_i \psi_{ik}$

ํ‘œ(1)๋Š” ์„ ํ˜•ํ™” ๋ชจ๋ธ์˜ ๊ณ ์œ ์น˜ $\lambda_i = \sigma_i + j\omega_i$ ๊ธฐ์ค€์œผ๋กœ ํ•œ ์•ˆ์ •๋„ ํŒ๋ณ„์ด๋‹ค. ์‹ค์ˆ˜๋ถ€ $\sigma_i$ ๋Š” ์‹œ์Šคํ…œ์˜ ๊ฐ์‡  ํŠน์„ฑ์„ ์ง์ ‘์ ์œผ๋กœ ๋‚˜ํƒ€๋‚ด๋ฉฐ, ๊ทธ ๊ฐ’์— ๋”ฐ๋ผ ๋™์  ์‘๋‹ต์ด ์•ˆ์ •, ๋ถˆ์•ˆ์ •์œผ๋กœ ๋ถ„๋ฅ˜๋œ๋‹ค. $\sigma_i < 0$์ธ ๊ฒฝ์šฐ ์‹œ์Šคํ…œ์€ ์•ˆ์ •์ ์œผ๋กœ ๊ฐ์‡ ๋˜๊ณ  $\sigma_i > 0$์ธ ๊ฒฝ์šฐ ์ง„๋™์ด ์ฆํญ๋˜์–ด ๋ถˆ์•ˆ์ •ํ•˜๊ฒŒ ๋œ๋‹ค. ๊ฐ์‡ ๋น„ $\zeta_i$ ๋Š” ์‹œ์Šคํ…œ์˜ ๊ฐ์‡  ํŠน์„ฑ์„ ์ •๋Ÿ‰ํ™” ํ•˜๋Š” ๋ฌด์ฐจ์› ์ธก์ •๊ฐ’์œผ๋กœ ์‹œ์Šคํ…œ์˜ ์ง„๋™์ด ์–ผ๋งˆ๋‚˜ ๋น ๋ฅด๊ฒŒ ๊ฐ์‡  ํ•˜๋Š”์ง€๋ฅผ ๋‚˜ํƒ€๋‚ธ๋‹ค. $\zeta_i \ge 5\%$๋Š” ์–‘ํ˜ธ, $\zeta_i = 3\sim5\%$ ์ผ์‹œ ์ฃผ์˜, $\zeta_i \le 3\%$ ์ผ๋•Œ๋Š” ์กฐ์น˜๊ฐ€ ํ•„์š”ํ•œ ์ˆ˜์ค€์ด๋ผ๊ณ  ๋ณธ๋‹ค. ์‹œ์ •์ˆ˜ $\tau_i$๋Š” ํ•œ ๋ชจ๋“œ ์˜ ์ง„ํญ์ด ์›๋ž˜ ๊ฐ’์˜ ์•ฝ 37%๋กœ ๊ฐ์‡  ํ•˜๋Š”๋ฐ ๊ฑธ๋ฆฌ๋Š” ์‹œ๊ฐ„์„ ์˜๋ฏธํ•œ๋‹ค. $\tau_i$์˜ ๊ฐ’์ด ์ž‘์„์ˆ˜๋ก ๋นจ๋ฆฌ ๊ฐ์‡  ํ•˜๊ณ , ํด์ˆ˜๋ก ๊ฐ์‡ ๊ฐ€ ๋А๋ ค ์˜ค๋ž˜ ์ง€์†๋œ๋‹ค[9].

ํ‘œ 1. ๊ณ ์œ ์น˜ ์‹ค์ˆ˜๋ถ€ ๋ฐ ๊ฐ์‡ ๋น„์— ๋”ฐ๋ฅธ ์•ˆ์ •๋„ ๋ถ„๋ฅ˜ ๊ธฐ์ค€

Table 1. Stability Classification by Eigenvalue Real Part and Damping Ratio

$\sigma_i$ (๊ณ ์œ ์น˜ ์‹ค์ˆ˜๋ถ€) ํ•ด์„
$\sigma_i < 0$ ์•ˆ์ •(๊ฐ์‡ )
$\sigma_i = 0$ ํ•œ๊ณ„์ (๋น„๊ฐ์‡ )
$\sigma_i > 0$ ๋ถˆ์•ˆ์ •(์ฆํญ)
$\zeta_i$ (๊ฐ์‡ ๋น„) ํ•ด์„
$\zeta_i > 5\%$ ์ถฉ๋ถ„ํ•œ ๊ฐ์‡ 
$\zeta_i = 3\sim5\%$ ๊ฐ์‡  ๋‚ฎ์Œ(์ฃผ์˜)
$\zeta_i = 0\sim3\%$ ๋งค์šฐ ๋‚ฎ์€ ๊ฐ์‡ (์กฐ์น˜ํ•„์š”)

Modal Analysis๋Š” ์ •์ƒ์šด์ „ ์  ๊ทผ๋ฐฉ์—์„œ ์ „๋ ฅ ๊ณ„ํ†ต์˜ ๋น„์„ ํ˜• ๋™์—ญํ•™์„ ์„ ํ˜• ๊ทผ์‚ฌํ™”ํ•˜์—ฌ, ์‹œ์Šคํ…œ ํ–‰๋ ฌ์˜ ๊ณ ์œ ์น˜์™€ ๊ณ ์œ ๋ฒกํ„ฐ๋ฅผ ํ†ตํ•ด ๊ฐ ์ง„๋™ ๋ชจ๋“œ์˜ ์ฃผํŒŒ์ˆ˜, ๊ฐ์‡  ๋น„์œจ, ๊ณต๊ฐ„์  ์˜ํ–ฅ๋„๋ฅผ ์ •๋Ÿ‰ํ™”ํ•˜๋Š” ์†Œ์‹ ํ˜ธ ์•ˆ์ •๋„ ๋ถ„์„ ๊ธฐ๋ฒ•์ด๋‹ค. ์ด ๋ฐฉ๋ฒ•์€ ๊ณ„ํ†ต ๋ชจ๋ธ๊ณผ ์ œ์–ด ํŒŒ๋ผ๋ฏธํ„ฐ๋ฅผ ๊ธฐ๋ฐ˜์œผ๋กœ ์ง„๋™ ํŠน์„ฑ์„ ์‚ฌ์ „์— ์˜ˆ์ธกํ•  ์ˆ˜ ์žˆ์–ด, ์„ค๊ณ„ ๋ฐ ์ œ์–ด ๋‹จ๊ณ„์—์„œ ์˜ˆ๋ฐฉ์  ํŒ๋‹จ๊ณผ ํŒŒ๋ผ๋ฏธํ„ฐ ์กฐ์ •์— ํ™œ์šฉ๋  ์ˆ˜ ์žˆ๋‹ค. ๊ทธ๋Ÿฌ๋‚˜ ์ด ๊ธฐ๋ฒ•์€ ์ •์ƒ์šด์ „ ์  ๊ทผ๋ฐฉ์—์„œ๋งŒ ์œ ํšจํ•˜๋ฉฐ, ๋Œ€๊ทœ๋ชจ ๊ต๋ž€์ด๋‚˜ ๋น„์„ ํ˜• ํ˜„์ƒ์ด ์šฐ์„ธํ•œ ๊ตฌ๊ฐ„์—์„œ๋Š” ์„ ํ˜• ๊ทผ์‚ฌ์˜ ํ•œ๊ณ„๋กœ ์ธํ•ด ์‹ค์ œ ๊ณ„ํ†ต์˜ ๋™ํŠน์„ฑ์„ ์™„์ „ํ•˜๊ฒŒ ๋ฐ˜์˜ํ•˜์ง€ ๋ชปํ•œ๋‹ค. ์ฆ‰, ๋Œ€๊ทœ๋ชจ ์žฌ์ƒ์—๋„ˆ์ง€์˜ ์ถœ๋ ฅ ๋ณ€๋™์ด๋‚˜ ์ œ์–ด๊ธฐ์˜ ํฌํ™”, ์ œํ•œ๊ธฐ ๋™์ž‘ ๋“ฑ ๋น„์„ ํ˜• ์š”์†Œ๊ฐ€ ์šฐ์„ธํ•  ๊ฒฝ์šฐ ๋ถ„์„์˜ ์ •ํ™•๋„๊ฐ€ ์ €ํ•˜๋  ๊ฐ€๋Šฅ์„ฑ์ด ์žˆ๋‹ค. ๋”ฐ๋ผ์„œ ๋ชจ๋“œ ํ•ด์„๋ฒ•์€ ์ฃผ๋กœ ์†Œ์‹ ํ˜ธ ์˜์—ญ์˜ ์•ˆ์ •๋„ ํ‰๊ฐ€ ๋ฐ ๊ณ ์œ ๋ชจ๋“œ ์‹๋ณ„์— ํ™œ์šฉ๋˜๋ฉฐ, ๋น„์„ ํ˜• ์˜์—ญ์˜ ์ง„๋™ ํ•ด์„์—๋Š” ๋ณด์กฐ์ ์ธ ์ˆ˜๋‹จ์œผ๋กœ ์‚ฌ์šฉ๋œ๋‹ค. ๋˜ํ•œ, ๊ณ„ํ†ต ์ „์—ญ์˜ ๊ณ ์œ ๋ชจ๋“œ์™€ ์ฐธ์—ฌ๋„ ๋ถ„์„์„ ํ†ตํ•ด ์ง„๋™์ด ๋ฐœ์ƒํ•˜๊ธฐ ์‰ฌ์šด ๋ฐœ์ „๊ธฐ ์ง‘๋‹จ์ด๋‚˜ ๊ตฌ์—ญ์„ ์ง„๋‹จํ•˜๋Š” ๋ฐ์—๋Š” ์œ ํšจํ•˜์ง€๋งŒ, ์ด๋Ÿฌํ•œ ๋ถ„์„๋งŒ์œผ๋กœ๋Š” ๊ต๋ž€ ์ด์ „ ๋‹จ๊ณ„์—์„œ ๋ชจ์„ ๋ณ„ ์ง„๋™ ์ทจ์•ฝ๋„๋ฅผ ์ง์ ‘ ์‚ฐ์ •ํ•  ์ˆ˜๋Š” ์—†๋‹ค[10].

2.2 Prony Analysis

์ „๋ ฅ ์‹œ์Šคํ…œ์—์„œ๋Š” ๋ถ€ํ•˜, ์ „์••, ์ฃผํŒŒ์ˆ˜ ๋“ฑ ๋‹ค์–‘ํ•œ ์šด์ „ ๋ณ€์ˆ˜๊ฐ€ ์‹œ๊ฐ„์— ๋”ฐ๋ผ ์—ฐ์†์ ์œผ๋กœ ๋ณ€ํ™”ํ•˜๋ฉฐ, ์ด๋Ÿฌํ•œ ์ธก์ • ๋ฐ์ดํ„ฐ๋Š” PMU(Phasor Measurement Unit)๋‚˜ SCADA(Supervisory Control and Data Acquisition) ์‹œ์Šคํ…œ์„ ํ†ตํ•ด ์‹ค์‹œ๊ฐ„์œผ๋กœ ์ˆ˜์ง‘๋œ๋‹ค. ์ด์™€ ๊ฐ™์€ ์‹œ๊ณ„์—ด ๋ฐ์ดํ„ฐ์—๋Š” ๊ณ„ํ†ต์˜ ๋™์  ๊ฑฐ๋™์„ ๋ฐ˜์˜ํ•˜๋Š” ์ง„๋™ ์„ฑ๋ถ„๊ณผ ๊ฐ์‡  ํŠน์„ฑ์ด ํฌํ•จ๋˜์–ด ์žˆ์œผ๋ฉฐ, ์ด๋ฅผ ๋ถ„์„ํ•จ์œผ๋กœ์จ ๊ณ„ํ†ต ๋‚ด์˜ ์ด์ƒ ์ƒํƒœ๋‚˜ ์ž ์žฌ์  ๋ถˆ์•ˆ์ •์„ฑ์„ ์กฐ๊ธฐ์— ํƒ์ง€ํ•  ์ˆ˜ ์žˆ๋‹ค[11].

์ด๋Ÿฌํ•œ ๋™ํŠน์„ฑ ๋ถ„์„ ๊ธฐ๋ฒ•์˜ ํ•˜๋‚˜์ธ Prony ๋ถ„์„์€ ์‹œ๊ณ„์—ด ์‹ ํ˜ธ๋ฅผ ์ง€์ˆ˜ ๊ฐ์‡  ํ•ญ์˜ ์„ ํ˜• ๊ฒฐํ•ฉ์œผ๋กœ ๋ชจ๋ธ๋ง ํ•˜์—ฌ, ๊ฐ ๋ชจ๋“œ์˜ ์ฃผํŒŒ์ˆ˜์™€ ๊ฐ์‡ ์œจ์„ ์ถ”์ •ํ•˜๋Š” ๋Œ€ํ‘œ์ ์ธ ์‹œ๊ฐ„์˜์—ญ ๊ธฐ๋ฐ˜ ์ง„๋™ ๋ถ„์„ ๊ธฐ๋ฒ•์ด๋‹ค. Prony analysis๋Š” ์‹ ํ˜ธ๋ฅผ ์ผ์ • ์ฐจ์ˆ˜์˜ ํšŒ๊ท€๋ชจ๋ธ๋กœ ํ‘œํ˜„ํ•˜๊ณ , ์ถ”์ •๋œ ํšŒ๊ท€๊ณ„์ˆ˜๋กœ๋ถ€ํ„ฐ ๊ณ ์œ ์น˜๋ฅผ ๊ณ„์‚ฐํ•จ์œผ๋กœ์จ ๊ฐ ๋ชจ๋“œ์˜ ์ง„๋™ ํŠน์„ฑ์„ ์‚ฐ์ถœํ•œ๋‹ค. ์ด๋Ÿฌํ•œ ํŠน์„ฑ์œผ๋กœ ์ธํ•ด Prony ๋ถ„์„์€ ์ „๋ ฅ ๊ณ„ํ†ต์˜ ๊ณ ์œ ์ง„๋™ ๋ชจ๋“œ ์ถ”์ •, ๋ฐœ์ „๊ธฐ ๊ฐ์‡  ๋ถ„์„, ์‚ฌ๊ณ  ํ›„ ์ง„๋™ ํ‰๊ฐ€ ๋“ฑ ๋‹ค์–‘ํ•œ ์‘์šฉ ๋ถ„์•ผ์—์„œ ํญ๋„“๊ฒŒ ํ™œ์šฉ๋˜๊ณ  ์žˆ๋‹ค.

ํ•œํŽธ, ์ตœ๊ทผ์—๋Š” ์ž๊ธฐ์ƒ๊ด€ ํ•จ์ˆ˜๋ฅผ ํ™œ์šฉํ•˜์—ฌ Prony ๋ถ„์„์˜ ์•ˆ์ •์„ฑ๊ณผ ๋…ธ์ด์ฆˆ ๋‚ด์„ฑ์„ ํ–ฅ์ƒ ์‹œํ‚ค๋Š” ์ ‘๊ทผ๋ฒ•์ด ์ œ์•ˆ๋˜๊ณ  ์žˆ๋‹ค. ์ž๊ธฐ์ƒ๊ด€ ํ•จ์ˆ˜๋Š” ์‹ ํ˜ธ์˜ ์‹œ๊ฐ„ ์ง€์—ฐ(lag)์— ๋”ฐ๋ฅธ ์ž๊ธฐ์œ ์‚ฌ์„ฑ์„ ๋‚˜ํƒ€๋‚ด๋ฉฐ, ํŠน์ • ์‹œ์ ์˜ ์‹ ํ˜ธ ๊ฐ’๊ณผ ์ผ์ • ์‹œ๊ฐ„ ์ง€์—ฐ๋œ ์‹ ํ˜ธ ๊ฐ’ ๊ฐ„์˜ ์ƒ๊ด€๊ด€๊ณ„๋ฅผ ์ •๋Ÿ‰์ ์œผ๋กœ ํ‘œํ˜„ํ•œ๋‹ค. ์ด๋ฅผ ๋ถ„์„์— ์ ์šฉํ•˜๋ฉด ์‹œ๊ณ„์—ด ๋ฐ์ดํ„ฐ์˜ ์ „์ฒด์  ์ƒ๊ด€ ๊ตฌ์กฐ๋ฅผ ์œ ์ง€ํ•˜๋ฉด์„œ๋„ ์žก์Œ์˜ ์˜ํ–ฅ์„ ์™„ํ™”ํ•  ์ˆ˜ ์žˆ์œผ๋ฉฐ, ๋ชจ๋“œ ํŠน์„ฑ์„ ๋”์šฑ ์•ˆ์ •์ ์œผ๋กœ ์ถ”์ •ํ•  ์ˆ˜ ์žˆ๋‹ค. ์ด๋Ÿฌํ•œ ์ด์œ ๋กœ ์ž๊ธฐ์ƒ๊ด€ ๊ธฐ๋ฐ˜ ๋ถ„์„์€ ์ตœ๊ทผ ์ „๋ ฅ ์‹œ์Šคํ…œ ์ง„๋™ ํ•ด์„ ๋ถ„์•ผ์—์„œ ๊ธฐ์กด Prony ๋ฐฉ๋ฒ•์„ ๋ณด์กฐํ•˜๊ฑฐ๋‚˜ ๊ฐœ์„ ํ•˜๋Š” ๊ธฐ๋ฒ•์œผ๋กœ ๋„๋ฆฌ ํ™œ์šฉ๋˜๊ณ  ์žˆ๋‹ค[12]. ์ด๋Ÿฌํ•œ ๋ถ„์„ ๊ธฐ๋ฒ•์˜ ๊ทผ๊ฐ„์ด ๋˜๋Š” Prony ๋ฐฉ๋ฒ•์˜ ํ•ต์‹ฌ์€ ๊ด€์ธก๋œ ์‹ ํ˜ธ๋ฅผ ๋ณต์†Œ ์ง€์ˆ˜ ํ•จ์ˆ˜์˜ ์„ ํ˜• ๊ฒฐํ•ฉ์œผ๋กœ ํ‘œํ˜„ํ•˜์—ฌ, ๊ฐ ์„ฑ๋ถ„์˜ ์ฃผํŒŒ์ˆ˜์™€ ๊ฐ์‡  ํŠน์„ฑ์„ ๋™์‹œ์— ์ถ”์ •ํ•˜๋Š” ๊ฒƒ์ด๋‹ค.

์ฆ‰, ์‹œ๊ฐ„์— ๋”ฐ๋ผ ๋ณ€ํ™”ํ•˜๋Š” ๊ณ„ํ†ต ์‹ ํ˜ธ๋ฅผ ์—ฌ๋Ÿฌ ๊ฐœ์˜ ๊ฐ์‡  ์ง„๋™ ์„ฑ๋ถ„์œผ๋กœ ๋ถ„ํ•ดํ•˜์—ฌ ๊ฐ ๋ชจ๋“œ์˜ ๋™ํŠน์„ฑ์„ ์‹๋ณ„ํ•˜๋Š” ๋ฐฉ์‹์œผ๋กœ ์ด๋ฃจ์–ด์ง„๋‹ค. ์ด๋ฅผ ์ˆ˜ํ•™์ ์œผ๋กœ ํ‘œํ˜„ํ•˜๋ฉด ๋‹ค์Œ ์‹(7)๊ณผ ๊ฐ™๋‹ค.

(7)
$y(k) = \sum_{i=1}^{M} A_i e^{((\sigma_i + j\omega_i)k\Delta t)}$

๋ณต์†Œ ์ง€์ˆ˜ํ•ญ $z_i = e^{(\sigma_i + j\omega_i)\Delta t}$์„ ์ •์˜ํ•˜๋ฉด, ์‹(7)์€ ๋‹ค์Œ๊ณผ ๊ฐ™์ด ์‹(8)์œผ๋กœ ๋‹จ์ˆœํ™”๋œ๋‹ค. ๊ด€์ธก๋œ ์‹ ํ˜ธ๋ฅผ ๊ตฌ์„ฑํ•˜๋Š” ๋ณตํ•ฉ ์ง„๋™ ์„ฑ๋ถ„์˜ ํ•ฉ์œผ๋กœ ๋‚˜ํƒ€๋‚ธ ๋ชจ๋ธ์ด๋ฉฐ, ์‹ ํ˜ธ์˜ ๊ฐ์‡  ํŠน์„ฑ๊ณผ ์ฃผํŒŒ์ˆ˜ ๋ณ€ํ™”๋ฅผ ์ •๋Ÿ‰์ ์œผ๋กœ ํ‘œํ˜„ํ•  ์ˆ˜ ์žˆ๋‹ค.

(8)
$y(k) = \sum_{i=1}^{M} A_i z_i^k$

Prony ๋ฐฉ๋ฒ•์€ ์‹ ํ˜ธ๋ฅผ ์ž๊ธฐํšŒ๊ท€ ํ˜•ํƒœ๋กœ ๋ชจ๋ธ๋งํ•˜์—ฌ ๋‹ค์Œ ์‹(9)๊ณผ ๊ฐ™์€ ์ฐจ๋ถ„ ๋ฐฉ์ •์‹์œผ๋กœ ํ‘œํ˜„๋œ๋‹ค. ์ด ์‹์€ ์‹œ๊ณ„์—ด์˜ ์ž๊ธฐ์ƒ๊ด€ ๊ด€๊ณ„๋ฅผ ์„ ํ˜• ํšŒ๊ท€๋ชจ๋ธ ํ˜•ํƒœ๋กœ ๋‚˜ํƒ€๋‚ธ ๊ฒƒ์ด๋‹ค. ๊ณ„์ˆ˜๋Š” ์‹ ํ˜ธ์˜ ๋™ํŠน์„ฑ์„ ๋ฐ˜์˜ํ•˜๋ฉฐ, ์ด ํšŒ๊ท€์‹์œผ๋กœ๋ถ€ํ„ฐ ์‹ ํ˜ธ์˜ ์˜ˆ์ธก ๊ฐ€๋Šฅ์„ฑ๊ณผ ์‹œ์Šคํ…œ ๋ชจ๋“œ๋ฅผ ์ถ”์ •ํ•  ์ˆ˜ ์žˆ๋‹ค.

(9)
$y(k) + a_1 y(k-1) + a_2 y(k-2) + \cdots + a_{2M} y(k-2M) = 0$

์œ„ ์‹(9)์˜ ๊ด€๊ณ„๋ฅผ ์ด์šฉํ•˜๋ฉด ๋‹ค์Œ ์‹(10)๊ณผ ๊ฐ™์€ ํ–‰๋ ฌ์‹์„ ๊ตฌ์„ฑํ•  ์ˆ˜ ์žˆ๋‹ค.

(10)
$Ha = -Y$

์—ฌ๊ธฐ์„œ ๊ฐ ํ–‰๋ ฌ์€ ๋‹ค์Œ ์‹(11)๊ณผ ๊ฐ™์ด ์ •์˜๋œ๋‹ค. ์‹œ๊ณ„์—ด ๋ฐ์ดํ„ฐ์˜ ์„ ํ˜• ์ƒ๊ด€ ๊ตฌ์กฐ๋ฅผ ํ‘œํ˜„ํ•˜๋ฉฐ, ํšŒ๊ท€๊ณ„์ˆ˜๋ฅผ ์ถ”์ •ํ•จ์œผ๋กœ์จ ์‹œ์Šคํ…œ์˜ ํŠน์„ฑ๋‹คํ•ญ์‹์„ ๋„์ถœํ•  ์ˆ˜ ์žˆ๋‹ค.

(11)
$Y = \begin{bmatrix} y(2M+1) \\ y(2M+2) \\ \vdots \\ y(N) \end{bmatrix} \quad H = \begin{bmatrix} y(2M) & y(2M-1) & \cdots & y(1) \\ y(2M+1) & y(2M) & \cdots & y(2) \\ \vdots & \vdots & \ddots & \vdots \\ y(N-1) & y(N-2) & \cdots & y(N-2M) \end{bmatrix}$

ํ–‰๋ ฌ์‹(11)์œผ๋กœ๋ถ€ํ„ฐ ํšŒ๊ท€๊ณ„์ˆ˜ ๋ฒกํ„ฐ๋Š” ์ตœ์†Œ์ œ๊ณฑ๋ฒ•์„ ์ด์šฉํ•˜์—ฌ ์‹(12)๊ณผ ๊ฐ™์ด ๊ณ„์‚ฐ๋œ๋‹ค. ์ด ์‹์€ ์žก์Œ์ด ์กด์žฌํ•˜๋Š” ๋ฐ์ดํ„ฐ์—์„œ๋„ ์ž”์ฐจ ์ œ๊ณฑ ํ•ฉ์„ ์ตœ์†Œํ™”ํ•˜์—ฌ ์‹ ํ˜ธ์˜ ํ‰๊ท ์  ํšŒ๊ท€ ํŠน์„ฑ์„ ์ถ”์ •ํ•  ์ˆ˜ ์žˆ๊ฒŒ ํ•œ๋‹ค. ๋”ฐ๋ผ์„œ ๊ณ„์‚ฐ๋œ ๊ณ„์ˆ˜๋Š” ์‹ ํ˜ธ์˜ ๊ณ ์œ ์ง„๋™ ๋ชจ๋“œ๋ฅผ ์ •์˜ํ•˜๋Š” ํŠน์„ฑ๋‹คํ•ญ์‹์˜ ๊ณ„์ˆ˜๋กœ ์‚ฌ์šฉ๋œ๋‹ค.

(12)
$a = -((H^\top H)^{-1})H^\top Y$

์ถ”์ •๋œ ํšŒ๊ท€๊ณ„์ˆ˜๋ฅผ ์ด์šฉํ•˜๋ฉด, ์‹œ์Šคํ…œ์˜ ํŠน์„ฑ๋ฐฉ์ •์‹์€ ๋‹ค์Œ์‹(13)๊ณผ ๊ฐ™์ด ํ‘œํ˜„๋œ๋‹ค. ์ด ๋ฐฉ์ •์‹์€ ์‹œ์Šคํ…œ์˜ ๋™ํŠน์„ฑ์„ ํ‘œํ˜„ํ•˜๋Š” ํŠน์„ฑ๋‹คํ•ญ์‹์œผ๋กœ, ๊ทธ ๊ทผ$z_i$ ๋Š” ์‹ ํ˜ธ์˜ ๊ณ ์œ ๋ชจ๋“œ(Eigenmode)์— ํ•ด๋‹นํ•œ๋‹ค. ๋ณต์†Œํ‰๋ฉด ์ƒ์—์„œ $z_i$์˜ ์œ„์น˜๋ฅผ ํ†ตํ•ด ๋ชจ๋“œ์˜ ์•ˆ์ •์„ฑ(๊ฐ์‡  ๋˜๋Š” ๋ฐœ์‚ฐ)๊ณผ ์ง„๋™ ์ฃผํŒŒ์ˆ˜๋ฅผ ํŒ๋ณ„ํ•  ์ˆ˜ ์žˆ๋‹ค.

(13)
$z^{2M} + a_1 z^{2M-1} + a_2 z^{2M-2} + \cdots + a_{2M} = 0$

ํŠน์„ฑ๋‹คํ•ญ์‹์˜ ๊ทผ $z_i$๋Š” ์‹ ํ˜ธ์˜ ๊ณ ์œ ๋ชจ๋“œ์— ํ•ด๋‹นํ•˜๋ฉฐ, ๊ฐ ๋ชจ๋“œ์˜ ๊ฐ์‡ ์œจ ๋ฐ ์ฃผํŒŒ์ˆ˜๋Š” ๋‹ค์Œ ์‹(14)๊ณผ ๊ฐ™์ด ๊ณ„์‚ฐ๋œ๋‹ค.

(14)
$z_i = e^{(\sigma_i + j\omega_i)\Delta t} \quad \sigma_i = \frac{\ln |z_i|}{\Delta t} \quad \omega_i = \frac{\arg(z_i)}{\Delta t}$

๊ณ ์œ ์น˜ $z_i$๋ฅผ ์ด์šฉํ•˜์—ฌ ์‹ ํ˜ธ์˜ ๋ณต์›์— ์‚ฌ์šฉ๋˜๋Š” Vandermonde ํ–‰๋ ฌ์€ ๋‹ค์Œ ์‹(15)๊ณผ ๊ฐ™์ด ๊ตฌ์„ฑ๋œ๋‹ค. ์ด ํ–‰๋ ฌ์€ ๊ฐ ๊ณ ์œ ์น˜์˜ ์ง€์ˆ˜ ํ•ญ์œผ๋กœ ๊ตฌ์„ฑ๋œ ๊ธฐ์ € ํ–‰๋ ฌ๋กœ, ๊ฐ ๋ชจ๋“œ์˜ ์ง„ํญ ๋ฐ ์œ„์ƒ์„ ๊ณ„์‚ฐํ•˜๊ธฐ ์œ„ํ•œ ์„ ํ˜• ์‹œ์Šคํ…œ์„ ํ˜•์„ฑํ•œ๋‹ค.

(15)
$V = \begin{bmatrix} 1 & 1 & 1 & \cdots & 1 \\ z_1 & z_2 & z_3 & \cdots & z_M \\ z_1^2 & z_2^2 & z_3^2 & \cdots & z_M^2 \\ \vdots & \vdots & \vdots & \ddots & \vdots \\ z_1^{M-1} & z_2^{M-1} & z_3^{M-1} & \cdots & z_M^{M-1} \end{bmatrix}$

๊ฐ ๋ชจ๋“œ์˜ ์ง„ํญ ๋ฒกํ„ฐ A๋Š” ๋‹ค์Œ ์‹(16)์„ ํ†ตํ•ด ๊ณ„์‚ฐ๋œ๋‹ค. ์ด ์‹์€ ๊ด€์ธก๋œ ์‹ ํ˜ธ $y$๋ฅผ ๋ชจ๋ธ ํ–‰๋ ฌ $V$์— ์ ํ•ฉ ์‹œ์ผœ ๊ฐ ๋ชจ๋“œ์˜ ์ง„ํญ์„ ์ถ”์ •ํ•˜๋Š” ๊ณผ์ •์ด๋‹ค. ๋ณต์†Œ ํ–‰๋ ฌ ์—ฐ์‚ฐ์„ ํ†ตํ•ด ๊ฐ ๋ชจ๋“œ๊ฐ€ ์ „์ฒด ์‹ ํ˜ธ์— ๋ฏธ์น˜๋Š” ์—๋„ˆ์ง€ ๊ธฐ์—ฌ๋„์™€ ์œ„์ƒ ์ •๋ณด๋ฅผ ์‚ฐ์ถœํ•˜๋ฉฐ, ์ด๋ฅผ ํ†ตํ•ด ์‹ ํ˜ธ์˜ ๋ณต์› ๋ฐ ์•ˆ์ •๋„ ๋ถ„์„์ด ๊ฐ€๋Šฅํ•˜๋‹ค.

(16)
$y = VA, A = ((V^H V)^{-1})V^H y$

Prony ํ•ด์„๋ฒ•์€ ์‹œ๊ณ„์—ด ๋ฐ์ดํ„ฐ์— ํฌํ•จ๋œ ๊ฐ์‡  ์ง„๋™ ์„ฑ๋ถ„์„ ์‹œ๊ฐ„ ์˜์—ญ์—์„œ ์ง์ ‘ ๋ถ„ํ•ดํ•˜์—ฌ, ๋ชจ๋“œ ์ฃผํŒŒ์ˆ˜, ๊ฐ์‡ ์œจ, ์ง„ํญ ๋“ฑ ๊ณ„ํ†ต์˜ ๋™ํŠน์„ฑ์„ ์ •๋Ÿ‰์ ์œผ๋กœ ์ถ”์ •ํ•˜๋Š” ๊ธฐ๋ฒ•์ด๋‹ค. ๊ต๋ž€ ์ดํ›„ PMU ๋˜๋Š” WAMS ๊ธฐ๋ฐ˜์˜ ์‹œ๊ณ„์—ด ๋ฐ์ดํ„ฐ๋ฅผ ์ด์šฉํ•˜์—ฌ ๋น„์„ ํ˜• ์‹œ์Šคํ…œ์˜ ๋ณต์žกํ•œ ์‘๋‹ต์„ ๋ณต์†Œ ์ง€์ˆ˜ํ•จ์ˆ˜์˜ ์„ ํ˜• ๊ฒฐํ•ฉ ํ˜•ํƒœ๋กœ ๊ทผ์‚ฌํ•จ์œผ๋กœ์จ, ์ฃผํŒŒ์ˆ˜ ์˜์—ญ์œผ๋กœ์˜ ๋ณ€ํ™˜ ์—†์ด๋„ ๋ชจ๋‹ฌ ์ •๋ณด๋ฅผ ์ง์ ‘ ๋„์ถœํ•  ์ˆ˜ ์žˆ๋‹ค๋Š” ์ ์—์„œ ๊ธฐ์กด์˜ ๋ชจ๋“œ ํ•ด์„๋ฒ•๊ณผ ๊ตฌ๋ณ„๋œ๋‹ค. ํŠนํžˆ, Prony ํ•ด์„๋ฒ•์€ ๋น„ ๋ชจ๋ธ ๊ธฐ๋ฐ˜ ์ ‘๊ทผ๋ฒ•์œผ๋กœ์„œ ์‹ค์ œ ๊ณ„์ธก ๋ฐ์ดํ„ฐ๋งŒ์œผ๋กœ ๊ฐ์‡ ์œจ์˜ ๋ณ€ํ™”๋ฅผ ์‹ค์‹œ๊ฐ„์œผ๋กœ ์ถ”์ ํ•  ์ˆ˜ ์žˆ์œผ๋ฉฐ, ์‚ฌ๊ณ  ์ดํ›„์˜ ์ง„๋™ ๋ชจ๋“œ๋ฅผ ์„ธ๋ฐ€ํ•˜๊ฒŒ ๋ถ„์„ํ•˜์—ฌ ์‹œ์Šคํ…œ์˜ ์•ˆ์ •ํ™” ๊ณผ์ •์„ ํ‰๊ฐ€ํ•˜๋Š” ๋ฐ ์œ ์šฉํ•˜๋‹ค.

๊ทธ๋Ÿฌ๋‚˜ Prony ํ•ด์„๋ฒ•์€ ์›์‹œ ์‹œ๊ณ„์—ด ๋ฐ์ดํ„ฐ๋ฅผ ์ง์ ‘ ํšŒ๊ท€๋ชจ๋ธ์˜ ์ž…๋ ฅ์œผ๋กœ ์‚ฌ์šฉํ•˜๋Š” ๊ตฌ์กฐ์  ํŠน์„ฑ์ƒ, ์„ ํƒ๋œ ๋ชจ๋ธ ์ฐจ์ˆ˜์™€ ๋ถ„์„ ๊ตฌ๊ฐ„์— ๋”ฐ๋ผ ์ถ”์ • ๊ฒฐ๊ณผ๊ฐ€ ๋ฏผ๊ฐํ•˜๊ฒŒ ๋ณ€ํ•˜๋Š” ํ•œ๊ณ„๋ฅผ ๊ฐ€์ง„๋‹ค. ๋˜ํ•œ ์ธก์ • ๋ฐ์ดํ„ฐ์— ํฌํ•จ๋œ ์žก์Œ์— ์ทจ์•ฝํ•˜์—ฌ, ๋…ธ์ด์ฆˆ๊ฐ€ ํฐ ์‹ค ๊ณ„ํ†ต ๋ฐ์ดํ„ฐ์—์„œ๋Š” ๋ชจ๋“œ ์ถ”์ •์˜ ์•ˆ์ •์„ฑ์ด ์ €ํ•˜๋  ์ˆ˜ ์žˆ๋‹ค[13]. ๋˜ํ•œ Prony ํ•ด์„๋ฒ•์€ ๊ต๋ž€ ์ดํ›„์˜ ์‹œ๊ณ„์—ด ๋ฐ์ดํ„ฐ๋ฅผ ๊ธฐ๋ฐ˜์œผ๋กœ ๋ถ„์„์ด ์ˆ˜ํ–‰๋˜๋ฏ€๋กœ, ๊ต๋ž€ ์ด์ „ ๋‹จ๊ณ„์—์„œ์˜ ์‚ฌ์ „์  ์ทจ์•ฝ๋„ ํŒ๋ณ„์ด๋‚˜ ์˜ˆ์ธก์  ๋ชจ๋“œ ๋ณ€ํ™” ๋ถ„์„์—๋Š” ๊ทผ๋ณธ์ ์ธ ํ•œ๊ณ„๊ฐ€ ์กด์žฌํ•œ๋‹ค.

2.3 Dissipating Energy Flow Method

Dissipating Energy Flow (DEF) ๋ฐฉ๋ฒ•์€ ์ „๋ ฅ ๊ณ„ํ†ต ๋‚ด์—์„œ ๋ฐœ์ƒํ•˜๋Š” ์ง„๋™ ์—๋„ˆ์ง€์˜ ์ฃผ์ž…๊ณผ ์†Œ์‚ฐ ํ˜„์ƒ์„ ์—๋„ˆ์ง€ ํ๋ฆ„์˜ ๊ด€์ ์—์„œ ํ•ด์„ํ•˜์—ฌ, ๊ฐ ๊ตฌ์„ฑ์š”์†Œ๊ฐ€ ๊ณ„ํ†ต ์ง„๋™์— ๋ฏธ์น˜๋Š” ์˜ํ–ฅ์„ ์ •๋Ÿ‰์ ์œผ๋กœ ํ‰๊ฐ€ํ•˜๋Š” ๊ธฐ๋ฒ•์ด๋‹ค. ์ด ๋ฐฉ๋ฒ•์€ ์‹œ๊ฐ„ ์˜์—ญ์—์„œ์˜ ์ „์••ยท์ „๋ฅ˜ ์œ„์ƒ์ž(phasor) ๋ฐ์ดํ„ฐ๋ฅผ ์ด์šฉํ•˜์—ฌ, ๋ฐœ์ „๊ธฐยท๋ถ€ํ•˜ยท์†ก์ „์„  ๋“ฑ ๊ฐ ๊ตฌ์„ฑ์š”์†Œ๊ฐ€ ์ง„๋™ ์—๋„ˆ์ง€๋ฅผ ๊ณ„ํ†ต์œผ๋กœ ์ฃผ์ž…(negative damping) ํ•˜๋Š”์ง€, ๋˜๋Š” ํก์ˆ˜(positive damping)ํ•˜๋Š”์ง€๋ฅผ ํŒ๋ณ„ํ•จ์œผ๋กœ์จ ์ง„๋™์˜ ๊ทผ์›์„ ์‹๋ณ„ํ•œ๋‹ค[14].

์ „๋ ฅ ๊ณ„ํ†ต์˜ ์†ก์ „์„ ๋กœ์—์„œ ๋”ฐ๋ฅธ ๋ณต์†Œ์ „๋ ฅ์€ ๋‹ค์Œ๊ณผ ๊ฐ™์ด ์ •์˜๋œ๋‹ค. ์ด ์‹์€ ์œ ํšจ์ „๋ ฅ(active power)๊ณผ ๋ฌดํšจ์ „๋ ฅ(reactive power)์„ ๋™์‹œ์— ํ‘œํ˜„ํ•˜๋ฉฐ, DEF ๊ณ„์‚ฐ์˜ ๊ธฐ์ดˆ๊ฐ€ ๋˜๋Š” ์ „๋ ฅ ํ๋ฆ„์˜ ๋ฌผ๋ฆฌ์  ๊ด€๊ณ„๋ฅผ ๋‚˜ํƒ€๋‚ธ๋‹ค.

(17)
$S_{ij}(t) = P_{ij}(t) + jQ_{ij}(t) = V_i(t)I_{ij}^*(t)$

$P_{ij}(t), Q_{ij}(t)$๋Š” ์‹œ๊ฐ„ $t$์—์„œ ๋ฒ„์Šค $i \rightarrow j$ ๋ฐฉํ–ฅ์œผ๋กœ ํ๋ฅด๋Š” ์œ ํšจยท๋ฌดํšจ์ „๋ ฅ์ด๊ณ , $V_i(t), I_{ij}(t)$๋Š” ๊ฐ๊ฐ ๋ฒ„์Šค $i$์ „์••๊ณผ ๊ฐ€์ง€ $ij$์ „๋ฅ˜์˜ ์œ„์ƒ์ž์ด๋‹ค. ๋ณต์†Œ์ „๋ ฅ ํ‘œํ˜„์„ ์‚ฌ์šฉํ•˜๋ฉด ์ „์••ยท์ „๋ฅ˜์˜ ์œ„์ƒ ๊ด€๊ณ„์™€ ์ „๋ ฅ ํ๋ฆ„์„ ํ•œ ์‹์œผ๋กœ ๋ฌถ์–ด ํ‘œํ˜„ํ•  ์ˆ˜ ์žˆ๋‹ค.

์‹ค์ œ ๊ณ„ํ†ต์—์„œ๋Š” ์ด๋“ค ๋ฌผ๋ฆฌ๋Ÿ‰์ด ์ •์ƒ์ƒํƒœ ๊ฐ’ ์ฃผ์œ„์—์„œ ์ง„๋™ํ•˜๋ฏ€๋กœ, ์ •์ƒ์ƒํƒœ ๊ฐ’๊ณผ ๊ทธ๋กœ๋ถ€ํ„ฐ์˜ ํŽธ์ฐจ(deviation)๋ฅผ ๋‹ค์Œ ์‹(18)๊ณผ ๊ฐ™์ด ๋ถ„๋ฆฌํ•˜์—ฌ ์ •์˜ํ•œ๋‹ค.

(18)
$P_{(ij)}(t) = P_{(ij,s)} + \Delta P_{(ij)}(t) \\ Q_{(ij)}(t) = Q_{(ij,s)} + \Delta Q_{(ij)}(t) \\ V_i(t) = V_{(i,s)} + \Delta V_i(t) \\ \theta_i(t) = \theta_{(i,s)} + \Delta \theta_i(t)$
(19)
$\Delta \ln V_i(t) = \ln V_i(t) - \ln V_{(i,s)}$

์—ฌ๊ธฐ์„œ ์•„๋ž˜์ฒจ์ž $s$๋Š” ์ •์ƒ์ƒํƒœ๋ฅผ ๋‚˜ํƒ€๋‚ด๋ฉฐ ์‹(19)์˜$\Delta$๋Š” ์ •์ƒ์ƒํƒœ๋กœ๋ถ€ํ„ฐ์˜ ์ง„๋™ ์„ฑ๋ถ„๋งŒ์„ ๋‚˜ํƒ€๋‚ด๋Š” ํŽธ์ฐจ๋ฅผ ์˜๋ฏธํ•œ๋‹ค. ํŠนํžˆ$\Delta \ln V_i(t)$๋Š” ์ „์•• ํฌ๊ธฐ ๋ณ€ํ™” $\Delta V_i(t)$๋กœ๊ทธ ์˜์—ญ์œผ๋กœ ์˜ฎ๊ธด ๊ฒƒ์œผ๋กœ, ํ›„์† ์—๋„ˆ์ง€ ์‹์—์„œ ์ „์•• ํ•ญ์„ ๋”์šฑ ๊ฐ„๋‹จํ•˜๊ฒŒ ๋‹ค๋ฃจ๊ธฐ ์œ„ํ•ด ๋„์ž…๋œ๋‹ค. ์—๋„ˆ์ง€ ๊ธฐ๋ฐ˜ ๋ฐฉ๋ฒ•์—์„œ๋Š”, ๋ฒ„์Šค $i$์—์„œ ๊ฐ€์ง€ $ij$๋กœ ์ฃผ์ž…๋˜๋Š” ์—๋„ˆ์ง€์˜ ๋ฏธ์†Œ ๋ณ€ํ™”๋ฅผ ์ „๋ ฅ๊ณผ ์ „์•• ์ƒํƒœ์˜ ๋ณ€ํ™”๋กœ ๋‹ค์Œ ์‹(20)๊ณผ ๊ฐ™์ด ํ‘œํ˜„ํ•œ๋‹ค.

(20)
$dW_{(ij)}(t) = P_{(ij)}(t)d\theta_i(t) + Q_{(ij)}(t)d(\ln V_i(t))$

์ฒซ ๋ฒˆ์งธ ํ•ญ $P_{(ij)}d\theta_i$๋Š” ์œ ํšจ์ „๋ ฅ๊ณผ ์œ„์ƒ๊ฐ ๋ณ€ํ™”์— ๋”ฐ๋ฅธ ์—๋„ˆ์ง€ ๊ตํ™˜์œผ๋กœ, ์ฃผ๋กœ ๋ฐœ์ „๊ธฐ ๊ธฐ๊ณ„ ๊ฐ๋„ ๋™์š”์™€ ์—ฐ๊ด€๋œ ์—๋„ˆ์ง€ ๋ณ€ํ™”๋ฅผ ๋‚˜ํƒ€๋‚ธ๋‹ค. ๋‘ ๋ฒˆ์งธ ํ•ญ $Q_{(ij)}d(\ln V_i)$๋ฌดํšจ์ „๋ ฅ๊ณผ ์ „์•• ํฌ๊ธฐ ๋ณ€ํ™”์— ๋”ฐ๋ฅธ ์—๋„ˆ์ง€ ๊ตํ™˜์œผ๋กœ, ์ „์•• ์•ˆ์ •๋„ ๋ฐ ์ „์ž๊ธฐ ์—๋„ˆ์ง€ ๋ณ€ํ™”์™€ ๊ด€๋ จ๋œ๋‹ค. ์‹(20)์— ์ •์ƒ์ƒํƒœ๋กœ๋ถ€ํ„ฐ์˜ ํŽธ์ฐจ๋งŒ์„ ๋Œ€์ž…ํ•˜๋ฉด, ์ง„๋™ ์„ฑ๋ถ„์— ์˜ํ•ด ์ฃผ์ž…๋˜๋Š” dissipating ์—๋„ˆ์ง€์˜ ๋ฏธ์†Œ ์ฆ๋ถ„์€ ๋‹ค์Œ ์‹(21)๊ณผ ๊ฐ™์ด ์“ธ ์ˆ˜ ์žˆ๋‹ค.

(21)
$dW_{(ij)}^D(t) = \Delta P_{(ij)}(t)d(\Delta\theta_i(t)) + \Delta Q_{(ij)}(t)d(\Delta\ln V_i(t))$

์ฆ‰ $dW_{(ij)}^D(t)$๋Š” ์ •์ƒ์ƒํƒœ ์ฃผ์œ„์—์„œ ๋ฐœ์ƒํ•˜๋Š” ์†Œ์‹ ํ˜ธ ์ง„๋™ ์„ฑ๋ถ„์ด ๊ฐ€์ง€ $ij$์— ์ฃผ์ž…ํ•˜๋Š” ์—๋„ˆ์ง€์˜ ๋ฏธ์†Œ๋Ÿ‰์„ ๋‚˜ํƒ€๋‚ธ๋‹ค.

์ผ์ • ์‹œ๊ฐ„ ๊ตฌ๊ฐ„ $[t_o, t]$๋™์•ˆ ๊ฐ€์ง€$ij$๋ฅผ ํ†ตํ•ด ์ฃผ๊ณ ๋ฐ›์€ dissipating energy์˜ ๋ˆ„์ ๊ฐ’์€, ์‹(21)์„ ์‹œ๊ฐ„์— ๋Œ€ํ•ด ์ ๋ถ„ํ•˜์—ฌ ๋‹ค์Œ ์‹(22)๊ณผ ๊ฐ™์ด ์ •์˜ํ•œ๋‹ค.

(22)
$W_{(ij)}^D(t) = \int_{t_0}^{t} [\Delta P_{(ij)}(\tau)d(\Delta\theta_i(\tau)) + \Delta Q_{(ij)}(\tau)d(\Delta\ln V_i(\tau)]$

์—ฌ๊ธฐ์„œ $W_{(ij)}^D(t)$๋Š” ํ•ด๋‹น ๊ตฌ๊ฐ„ ๋™์•ˆ ํŽธ์ฐจ ์„ฑ๋ถ„์— ์˜ํ•ด ๊ฐ€์ง€ $ij$๋กœ ์ˆœ์ˆ˜ํ•˜๊ฒŒ ์ „๋‹ฌยท์†Œ์‚ฐ๋œ ์—๋„ˆ์ง€์˜ ์ด๋Ÿ‰์„ ์˜๋ฏธํ•˜๋ฉฐ, ์ด ๊ฐ’์˜ ์‹œ๊ฐ„ ๋ณ€ํ™” ์ถ”์„ธ๊ฐ€ ๋‚˜์ค‘์— ์ง„๋™์›(source)๊ณผ ์ง„๋™ ์‹ฑํฌ(sink)๋ฅผ ๊ตฌ๋ถ„ํ•˜๋Š” ํ•ต์‹ฌ ์ง€ํ‘œ๊ฐ€ ๋œ๋‹ค. ์ฃผํŒŒ์ˆ˜ ํŽธ์ฐจ๋ฅผ ์ด์šฉํ•œ DEF๋Š” ์ „์•• ์œ„์ƒ๊ฐ์˜ ์‹œ๊ฐ„ ๋ณ€ํ™”์œจ์€ ์ฃผํŒŒ์ˆ˜ ํŽธ์ฐจ์™€ ์ง์ ‘์ ์œผ๋กœ ์—ฐ๊ฒฐ๋˜๋ฏ€๋กœ, ๋ฒ„์Šค $i$์˜ ์ฃผํŒŒ์ˆ˜ ํŽธ์ฐจ๋ฅผ ๋‹ค์Œ ์‹(23)๊ณผ ๊ฐ™์ด ์ •์˜ํ•œ๋‹ค.

(23)
$\Delta f_i(t) = \frac{1}{2\pi} \frac{d(\Delta\theta_i(t))}{dt}$

์ฆ‰ $\Delta\theta_i(t)$์˜ ์‹œ๊ฐ„ ๋ฏธ๋ถ„์€ $2\pi\Delta f_i(t)$์— ํ•ด๋‹นํ•˜๋ฉฐ ์ด๋ฅผ ์‹(22)์— ๋Œ€์ž…ํ•˜๋ฉด dissipating energy๋Š” ์‹œ๊ฐ„ ์ ๋ถ„ ํ˜•ํƒœ๋กœ ๋‹ค์Œ ์‹(24)๊ณผ ๊ฐ™์ด ์“ธ ์ˆ˜ ์žˆ๋‹ค.

(24)
$W_{ij}^D(t) = \int_{t_0}^{t} [2\pi\Delta P_{ij}(\tau)\Delta f_i(\tau)d\tau + \Delta Q_{ij}(\tau)d(\Delta\ln V_i(\tau))]$

์—ฌ๊ธฐ์„œ ์ฒซ ๋ฒˆ์งธ ํ•ญ์€ ์œ ํšจ์ „๋ ฅ ํŽธ์ฐจ์™€ ์ฃผํŒŒ์ˆ˜ ํŽธ์ฐจ์˜ ๊ณฑ์„ ์‹œ๊ฐ„์— ๋Œ€ํ•ด ์ ๋ถ„ํ•œ ํ•ญ์œผ๋กœ, ์ฃผํŒŒ์ˆ˜ ๋™์š”์™€ ๊ด€๋ จ๋œ ๊ธฐ๊ณ„์  ์—๋„ˆ์ง€ ๊ตํ™˜์„ ํ‘œํ˜„ํ•œ๋‹ค. ๋‘ ๋ฒˆ์งธ ํ•ญ์€ ๋ฌดํšจ์ „๋ ฅ ํŽธ์ฐจ์™€ ์ „์•• ๋กœ๊ทธ ํŽธ์ฐจ์˜ ๊ณฑ์„ ์ ๋ถ„ํ•œ ํ•ญ์œผ๋กœ, ์ „์•• ํฌ๊ธฐ ๋™์š”์™€ ๊ด€๋ จ๋œ ์ „์ž๊ธฐ ์—๋„ˆ์ง€ ๊ตํ™˜์„ ๋‚˜ํƒ€๋‚ธ๋‹ค. ๋”ฐ๋ผ์„œ ์‹(24)๋Š” ์—๋„ˆ์ง€ ๊ธฐ๋ฐ˜ DEF ์ •์˜์˜ ์—ฐ์†ํ˜• ์ •์„ ์‹์œผ๋กœ์„œ, ์ดํ›„ ์ ˆ์—์„œ ์ œ์‹œ๋˜๋Š” DE ๊ณ„์ˆ˜์™€ ์ง„๋™์›/์ง„๋™ ์‹ฑํฌ ํŒ๋ณ„์€ $W_{ij}^D(t)$์„ ํ†ตํ•ด ์ด๋ฃจ์–ด์ง€๊ฒŒ ๋˜๋ฉฐ, ๋‹ค์Œ ํ‘œ 2์™€ ๊ฐ™์ด ํŒ๋ณ„ํ•  ์ˆ˜ ์žˆ๋‹ค[15].

ํ‘œ 2. ์ง„๋™์›๊ณผ ์ง„๋™์‹ฑํฌ์˜ ๋ถ„๋ฅ˜ ๊ธฐ์ค€

Table 2. Classification of Oscillation Sources and Sinks

์กฐ๊ฑด ํ•ด์„
$W_{ij}^D(t) > 0$ ์ง„๋™์› (์—๋„ˆ์ง€ ์ฃผ์ž…)
$W_{ij}^D(t) < 0$ ์ง„๋™ ์‹ฑํฌ (์—๋„ˆ์ง€ ํก์ˆ˜/์†Œ์‚ฐ)

DEF ๊ธฐ๋ฒ•์€ PMU ๋˜๋Š” WAMS ๊ธฐ๋ฐ˜ ์‹œ๊ณ„์—ด ๋ฐ์ดํ„ฐ์—์„œ ํŠน์ • ์ฃผํŒŒ์ˆ˜ ๋Œ€์—ญ์˜ ์ „์••, ์œ„์ƒ, ์œ ํšจยท๋ฌดํšจ์ „๋ ฅ ์ง„๋™ ์„ฑ๋ถ„์„ ์ถ”์ถœํ•˜์—ฌ, ๋ˆ„์  ์†Œ์‚ฐ ์—๋„ˆ์ง€ ํ๋ฆ„์„ ๊ณ„์‚ฐํ•จ์œผ๋กœ์จ ์‚ฌ๊ณ  ๋ฐœ์ƒ ์ดํ›„ ๋ฒ„์Šค ๋˜๋Š” ์„ ๋กœ ๋‹จ์œ„์˜ ์—๋„ˆ์ง€ ์ฃผ ์ž…์›(์ง„๋™์›)๊ณผ ํก์ˆ˜์›(์ง„๋™ ์‹ฑํฌ)์„ ์‹ค๋ฌด์ ์œผ๋กœ ์‹๋ณ„ํ•  ์ˆ˜ ์žˆ๋Š” ์žฅ์ ์ด ์žˆ๋‹ค.

๊ทธ๋Ÿฌ๋‚˜ DEF ๊ธฐ๋ฒ•์€ ์ฃผํŒŒ์ˆ˜ ์„ ํƒ์„ฑ(ํŠน์ • ๋ชจ๋“œ ํ•„ํ„ฐ๋ง) ๋ฐ PMU์˜ ์ธก์ • ๋Œ€์—ญํญ์— ๋”ฐ๋ผ ๊ฒฐ๊ณผ๊ฐ€ ๋‹ฌ๋ผ์งˆ ์ˆ˜ ์žˆ์œผ๋ฉฐ, ์ธก์ • ์žก์Œ, ๊ด€์ธก ์„ฑ, ๋Œ€์—ญ ์„ ํƒ์— ๋ฏผ๊ฐํ•˜๋‹ค. ๋”ฐ๋ผ์„œ ์‹ค์ œ ์ง„๋™์ด ๊ด€์ธก๋œ ์ƒํ™ฉ์—์„œ๋งŒ ์œ ํšจํ•œ ๊ฒฐ๊ณผ๋ฅผ ์ œ๊ณตํ•˜๋ฉฐ, ๊ต๋ž€ ์ด์ „ ๋‹จ๊ณ„์—์„œ์˜ ์‚ฌ์ „์  ์ทจ์•ฝ๋„ ํ‰๊ฐ€์—๋Š” ํ•œ๊ณ„๊ฐ€ ์กด์žฌํ•œ๋‹ค[16].

3. ์ž„ํ”ผ๋˜์Šค ๊ธฐ๋ฐ˜ ์ง„๋™ ์ทจ์•ฝ ๋ชจ์„  ์‹๋ณ„ ๊ธฐ๋ฒ•

๊ทธ๋ฆผ 2. ๋ฐ”ํฌํ•˜์šฐ์   ์กฐ๊ฑด

Fig. 2. Barkhausen criterion

../../Resources/kiee/KIEE.2026.75.3.472/fig2.png

๋ณธ ์—ฐ๊ตฌ๋Š” ๋ฐœ์ง„๊ธฐ์˜ ๊ธฐ๋ณธ ์›๋ฆฌ์ธ Barkhausen ์กฐ๊ฑด์„ ์ „๋ ฅ ๊ณ„ํ†ต์˜ ์ง„๋™ ํ˜„์ƒ ๋ถ„์„์— ์ ์šฉํ•œ๋‹ค. ์–‘(+) ํ”ผ๋“œ๋ฐฑ ๊ตฌ์กฐ์—์„œ ํ•ฉ์„ฑ์ ๊ณผ ์ฆํญ๊ธฐ์˜ ์ฃผํŒŒ์ˆ˜ ์˜์กด ๊ด€๊ณ„๋Š” ๋‹ค์Œ ์‹(25)๊ณผ ๊ฐ™๋‹ค

(25)
$V_i = V_s + \beta(j\omega)V_o \quad V_o = A(j\omega)V_i$

์‹(25)์„ ์ด์šฉํ•˜๋ฉด ์ถœ๋ ฅ-์ž…๋ ฅ์˜ ๋ฃจํ”„ ๋ฐฉ์ •์‹์€ ๋‹ค์Œ ์‹(26)๊ณผ ๊ฐ™์ด ์ „๊ฐœ๋œ๋‹ค.

(26)
$V_o = A(j\omega)(V_s + \beta(j\omega)V_o) = A(j\omega)V_s + A(j\omega)\beta(j\omega)V_o$

์ด๋ฅผ ์ •๋ฆฌํ•˜๋ฉด ๋‹ค์Œ ์‹(27)๊ณผ ๊ฐ™์ด ํ ๋ฃจํ”„ ํŠน์„ฑ ์‹(๋ถ„๋ชจ)์ด ๋„์ถœ๋œ๋‹ค.

(27)
$V_o(1 - A(j\omega)\beta(j\omega)) = A(j\omega)V_s$

๋”ฐ๋ผ์„œ ํ ๋ฃจํ”„ ์ด๋“์€ ๋‹ค์Œ ์‹(28)๊ณผ ๊ฐ™๋‹ค.

(28)
$A_f(j\omega) = \frac{V_o}{V_s} = \frac{A(j\omega)}{1 - A(j\omega)\beta(j\omega)}$

๋ฐœ์ง„์€ ์™ธ๋ถ€ ์ž…๋ ฅ์ด ์—†๋Š” ์ž์œจ ์กฐ๊ฑด์—์„œ ์ •์˜๋˜๋ฏ€๋กœ ์œ„ ์‹(28)์— ํ ๋ฃจํ”„ ๋ฐฉ์ •์‹์— $V_s = 0$์„ ๋Œ€์ž…ํ•˜๋ฉด ์ถœ๋ ฅ์ด 0์œผ๋กœ ($V_o \neq 0$) ์†Œ๋ฉธํ•˜์ง€ ์•Š๊ธฐ ์œ„ํ•œ ํ•„์š”์กฐ๊ฑด์€ ๋‹ค์Œ ์‹(29)๊ณผ ๊ฐ™๋‹ค.

(29)
$V_s = 0, \quad 1 - A(j\omega)\beta(j\omega) = 0$

์‹ (29)๋ฅผ ๋ฃจํ”„ ์ด๋“ $A(j\omega)\beta(j\omega)$๊ด€์ ์—์„œ ๋ถ„ํ•ดํ•˜๋ฉด ํฌ๊ธฐยท์œ„์ƒ ์กฐ๊ฑด์ด ์–ป์–ด์ง„๋‹ค. ์ด๋•Œ ๊ธฐ๋™ ๊ด€์ ์—์„œ ์ง„ํญ์ด ์ฆ๊ฐ€ํ•˜๋Š” ํ•„์š”์กฐ๊ฑด์€ ๋‹ค์Œ ์‹(30)๊ณผ ๊ฐ™๋‹ค[17].

(30)
$|A(j\omega)\beta(j\omega)| > 1 \\ \angle A(j\omega)\beta(j\omega) = 2\pi n \quad (n \in \mathbb{Z})$

ํ‘œ 3. ๋ฃจํ”„ ์ด๋“ ํฌ๊ธฐ์— ๋”ฐ๋ฅธ ๋ฐœ์ง„ยท๊ฐ์‡  ํŒ๋ณ„ ๊ธฐ์ค€

Table 3. Criteria for Oscillation and Damping Based on Loop Gain Magnitude

$|A(j\omega)\beta(j\omega)|$ ํ•ด์„
$|A(j\omega)\beta(j\omega)| < 1$ ๊ฐ์‡ 
$|A(j\omega)\beta(j\omega)| = 1$ ๋ฐœ์ง„(์œ ์ง€)
$|A(j\omega)\beta(j\omega)| > 1$ ๋ฐœ์ง„(์ฆํญ)

ํ‘œ 3์€ Barkhausen ์ฒซ ๋ฒˆ์งธ ์กฐ๊ฑด์— ํ•ด๋‹นํ•˜๋Š” ๋ฃจํ”„ ์ด๋“์— ๊ด€ํ•œ ๋ฐœ์ง„ํ•ด์„์„ ๋‚˜ํƒ€๋‚ธ ๊ฒƒ์ด๋‹ค. ๋ฃจํ”„์ด๋“์˜ ํฌ๊ธฐ ์กฐ๊ฑด์€ ์žฌ์ƒ์—๋„ˆ์ง€ ๋ฐœ์ „๋Ÿ‰ ๋ณ€๋™์— ๋”ฐ๋ผ ์šด์ „์ ์ด ์ง€์†์ ์œผ๋กœ ๋ณ€ํ™”ํ•˜๋ฏ€๋กœ, ๋ฃจํ”„์ด๋“์˜ ํฌ๊ธฐ๋ฅผ ์ •ํ™•ํžˆ ์˜ˆ์ธกํ•˜๊ธฐ ์–ด๋ ต๋‹ค๊ณ  ํŒ๋‹จ๋œ๋‹ค. ๋”ฐ๋ผ์„œ Barkhausen ์กฐ๊ฑด ์ค‘ ๋‘ ๋ฒˆ์งธ ์กฐ๊ฑด์ธ ์œ„์ƒ ์กฐ๊ฑด์„ ์ค‘์‹ฌ ์ง€ํ‘œ๋กœ ์ง„๋™ ์œ„ํ—˜์„ ํŒ๋‹จํ•œ๋‹ค.

๊ทธ๋ฆผ 3. ์ „๋ ฅ ๊ณ„ํ†ต โ€“ ๋ถ€ํ•˜ ๊ฒฝ๊ณ„๋ฉด์˜ ๋ฐ˜์‚ฌ๊ณ„์ˆ˜

Fig. 3. Reflection Coefficient at the Power System โ€“ Load Interface

../../Resources/kiee/KIEE.2026.75.3.472/fig3.png

๋ฐ˜์‚ฌ๊ณ„์ˆ˜๋Š” ์‹œ์Šคํ…œ์˜ ์ž…๋ ฅ ๊ฒฝ๊ณ„๋ฉด์—์„œ ์ž…์‚ฌ๋œ ํŒŒ ๋Œ€๋น„ ๋ฐ˜์‚ฌ๋œ ํŒŒ์˜ ๋น„์œจ์„ ๋‚˜ํƒ€๋‚ด๋Š” ๋ณต์†Œ์ˆ˜๋กœ ์ •์˜๋˜๋ฉฐ ๋‹ค์Œ ์‹(31)๊ณผ ๊ฐ™๋‹ค[18].

(31)
$\Gamma = \frac{Z_L - Z_{th}}{Z_L + Z_{th}}$

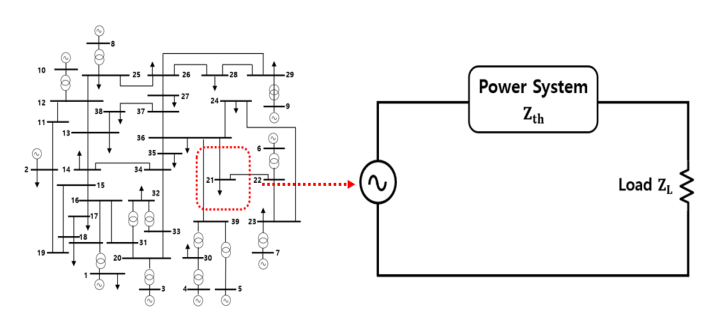
PSS/E ํˆด์„ ์ด์šฉํ•˜์—ฌ ๋ณต์žกํ•œ ์ „๋ ฅ๊ณ„ํ†ต ๋„คํŠธ์›Œํฌ์—์„œ ๊ด€์‹ฌ ๋ชจ์„ ์„ ์„ ์ •ํ•˜๊ณ , ํ•ด๋‹น ๋ชจ์„  ๊ด€์ ์—์„œ ๊ณ„ํ†ต์„ ๋“ฑ๊ฐ€ํ™”ํ•˜๋ฉด ๊ทธ๋ฆผ 4์™€ ๊ฐ™์ด ๊ณ„ํ†ต์„ Thevenin ๋“ฑ๊ฐ€ ์ž„ํ”ผ๋˜์Šค์™€ ๋ถ€ํ•˜ ์ž„ํ”ผ๋˜์Šค๋กœ ํ‘œํ˜„ํ•  ์ˆ˜ ์žˆ๋‹ค. ์ด๋•Œ ๊ด€์‹ฌ ๋ชจ์„ ์—์„œ ๋ฐ”๋ผ๋ณธ ์ „๋ ฅ๊ณ„ํ†ต์˜ Thevenin ์ž„ํ”ผ๋˜์Šค๋ฅผ ๋„์ถœํ•  ์ˆ˜ ์žˆ๋‹ค.

๊ทธ๋ฆผ 4. ๊ด€์‹ฌ ๋ชจ์„ ์—์„œ ๋ฐ”๋ผ๋ณธ ์ „๋ ฅ๊ณ„ํ†ต์˜ ํ…Œ๋ธŒ๋‚œ ๋“ฑ๊ฐ€ ๋ชจ๋ธ

Fig. 4. Thevenin-Equivalent Model Seen from the Bus of Interest

../../Resources/kiee/KIEE.2026.75.3.472/fig4.png

๋ถ€ํ•˜ ์ž„ํ”ผ๋˜์Šค๋Š” ๋‹ค์Œ ์‹(32)๊ณผ ๊ฐ™์ด ๋„์ถœํ•  ์ˆ˜ ์žˆ๋‹ค.

(32)
$S = \frac{V^2}{Z} \rightarrow Z \rightarrow \frac{V^2}{S^*} \rightarrow \frac{V^2}{P - jQ} \rightarrow \frac{V^2(P + jQ)}{(P - jQ)(P + jQ)} \\ Z = \frac{V^2(P + jQ)}{P^2 + Q^2}$

์ด์™€ ๊ฐ™์ด ์šด์ „์  ๋ณ€ํ™”์— ๋”ฐ๋ฅธ ํ…Œ๋ธŒ๋‚œ ์ž„ํ”ผ๋˜์Šค์™€ ๋ถ€ํ•˜ ์ž„ํ”ผ๋˜์Šค๋ฅผ ์ธก์ •ํ•˜์—ฌ ๋ฐ˜์‚ฌ๊ณ„์ˆ˜๋ฅผ ์‚ฐ์ถœํ•˜๊ณ  ๋ชจ์„ ๋ณ„ Shape ๋ณ€ํ™”๋ฅผ ์ง€ํ‘œํ™”ํ•œ๋‹ค. ๋ณธ ์—ฐ๊ตฌ๋Š” ๊ต๋ž€ ๋ฐœ์ƒ ์‹œ ๋ฐ˜์‚ฌ๋œ ํŒŒํ˜•์ด ์ž…์‚ฌํŒŒ์™€ ์œ„์ƒ์ด ์ •ํ•ฉํ•˜๊ณ  ๋ฐ˜์‚ฌ๊ณ„์ˆ˜์˜ ํฌ๊ธฐ๊ฐ€ ์ถฉ๋ถ„ํžˆ ํด ๊ฒฝ์šฐ Barkhausen ์กฐ๊ฑด์— ๊ทผ์ ‘ํ•˜์—ฌ ์ง„๋™์— ์ทจ์•ฝํ•ด์งˆ ์ˆ˜ ์žˆ์Œ์„ ์ œ์•ˆํ•œ๋‹ค. ์ด๋Ÿฌํ•œ ์กฐ๊ฑด์€ ๋ฃจํ”„ ๋‚ด ์—๋„ˆ์ง€๊ฐ€ ๊ฐ์‡ ํ•˜์ง€ ์•Š๊ณ  ์‚ฌ์ดํด๋งˆ๋‹ค ๋ˆ„์ ๋˜์–ด ์‹ ํ˜ธ๊ฐ€ ์ง€์†๋˜๊ฑฐ๋‚˜ ์ฆํญ๋˜๋ฉฐ, ์ด๋Š” ๊ณง ๋ฐœ์ง„์˜ ์‹œ์ž‘ ์กฐ๊ฑด์ด ๋œ๋‹ค. ์ด๋Ÿฌํ•œ ๋ฉ”์ปค๋‹ˆ์ฆ˜์€ RF ๋ฐ˜์‚ฌํ˜• ๋ฐœ์ง„๊ธฐ์˜ ๋™์ž‘ ์›๋ฆฌ์™€ ๋™์ผํ•˜๋ฉฐ ๋ณธ ์—ฐ๊ตฌ์—์„œ๋Š” ์ด๋ฅผ ์ „๋ ฅ ๊ณ„ํ†ต์˜ ์ž„ํ”ผ๋˜์Šค ๊ธฐ๋ฐ˜ ์ง„๋™ ํ•ด์„์— ์ ์šฉํ•˜์—ฌ ๋ถ„์„ํ•˜์˜€๋‹ค. ๋”ฐ๋ผ์„œ ์šด์ „์  ๋ณ€ํ™”๋ฅผ ํ†ตํ•ด ๋ณ€๋™๋˜๋Š” ๋ชจ์„ ๋ณ„ ํ…Œ๋ธŒ๋‚œ ์ž„ํ”ผ๋˜์Šค์™€ ๋ถ€ํ•˜ ์ž„ํ”ผ๋˜์Šค๋ฅผ ํ™œ์šฉํ•˜์—ฌ ๋ฐ˜์‚ฌ๊ณ„์ˆ˜ ์œ„์ƒ์„ ์‚ฐ์ถœํ•˜๊ณ  ๊ฐ ๋ชจ์„ ์˜ ์ „์•• ๊ตฌ๊ฐ„๋ณ„ ๋ฐ˜์‚ฌ๊ณ„์ˆ˜ ์œ„์ƒ์˜ Shape ๋ณ€ํ™”๋ฅผ ์ง€ํ‘œํ™”ํ•œ๋‹ค. ํŠนํžˆ ๋ฐ˜์‚ฌ๊ณ„์ˆ˜์˜ ์œ„์ƒ์ด ์šด์ „์  ๋ณ€ํ™”์— ๋”ฐ๋ผ ๊ธ‰๊ฒฉํžˆ ๋ณ€ํ•˜๊ฑฐ๋‚˜ ๋ถˆ์—ฐ์†์ ์ธ ๊ฑฐ๋™์„ ๋ณด์ด๋Š” ๊ฒฝ์šฐ, ํ•ด๋‹น ๋ชจ์„ ์€ ์™ธ๋ž€ ๋ฐœ์ƒ ์‹œ ๊ธ‰๊ฒฉํ•œ ์œ„์ƒ ๋ณ€ํ™”๋กœ ์ธํ•ด ๋ฃจํ”„ ์œ„์ƒ ์ •ํ•ฉ์ด ํ˜•์„ฑ๋  ๊ฐ€๋Šฅ์„ฑ์ด ๋†’์•„ ์ง„๋™์— ์ทจ์•ฝํ•œ ๋ชจ์„ ์œผ๋กœ ํŒ๋‹จํ•  ์ˆ˜ ์žˆ๋‹ค. ์ด๋Š” ์‚ฌ์ „์  ์ง„๋™ ์ทจ์•ฝ ๋ชจ์„  ํ‰๊ฐ€๋ฅผ ์œ„ํ•œ ํ™•๋ฅ ์  ์ง€ํ‘œ๋กœ ํ™œ์šฉ๋  ์ˆ˜ ์žˆ๋‹ค.

4. PSS/E ์‹œ๋ฎฌ๋ ˆ์ด์…˜ ๊ฒฐ๊ณผ

๋ณธ ์—ฐ๊ตฌ์—์„œ๋Š” PSS/E๋ฅผ ์ด์šฉํ•ด IEEE ํ‘œ์ค€ ํ…Œ์ŠคํŠธ ๊ณ„ํ†ต IEEE 39-Bus์—์„œ ์‹œ๋ฎฌ๋ ˆ์ด์…˜์„ ์ˆ˜ํ–‰ํ•˜์˜€๋‹ค. ์ œ์•ˆ ๊ธฐ๋ฒ•์˜ ์œ ํšจ์„ฑ์„ ๊ฒ€์ฆํ•˜๊ธฐ ์œ„ํ•ด ๊ฐ ๋ถ€ํ•˜์˜ ๊ฐœ๋ณ„ ํŠธ๋ฆฝ ์‹œ๋‚˜๋ฆฌ์˜ค๋ฅผ ์ ์šฉํ•˜๊ณ , ๊ต๋ž€ ๋ฐœ์ƒ ์งํ›„์˜ ํŒŒํ˜• ๋ฐ์ดํ„ฐ๋ฅผ ๋ถ„์„ํ•˜์—ฌ ์•ˆ์ • ๋ชจ์„  ๋ฐ ์ง„๋™ ์ทจ์•ฝ ๋ชจ์„ ์„ ์‹๋ณ„ํ•˜์˜€๋‹ค. IEEE 39-Bus ์‹œ์Šคํ…œ์—์„œ ๊ฐ ๋ถ€ํ•˜๋ฅผ ๊ฐœ๋ณ„์ ์œผ๋กœ ํŠธ๋ฆฝ์‹œํ‚ค๋Š” ์‹œ๋‚˜๋ฆฌ์˜ค๋ฅผ ์ ์šฉํ•˜์—ฌ, ๊ทธ๋ฆผ 6 ๋ฐ 7๊ณผ ๊ฐ™์ด ์•ˆ์ • ๋ชจ์„ ๊ณผ ์ง„๋™ ์ทจ์•ฝ ๋ชจ์„ ์„ ์‹๋ณ„ํ•˜๊ณ  ๋ถ„๋ฅ˜ํ•˜์˜€๋‹ค.

๊ทธ๋ฆผ 5. IEEE 39-Bus ๊ณ„ํ†ต์˜ ๊ฐœ๋ณ„ ๋ถ€ํ•˜ ํŠธ๋ฆฝ ์‹œ๋‚˜๋ฆฌ์˜ค

Fig. 5. Individual Load-Trip Scenarios in the IEEE 39-Bus System

../../Resources/kiee/KIEE.2026.75.3.472/fig5.png

๊ทธ๋ฆผ 6. IEEE 39-Bus ๊ณ„ํ†ต์˜ ์•ˆ์ • ๋ชจ์„ 

Fig. 6. Stable Buses in the IEEE 39-Bus System

../../Resources/kiee/KIEE.2026.75.3.472/fig6.png

๊ทธ๋ฆผ 7. IEEE 39-Bus ๊ณ„ํ†ต์˜ ์ง„๋™ ์ทจ์•ฝ ๋ชจ์„ 

Fig. 7. Oscillation-Vulnerable Buses in the IEEE 39-Bus System

../../Resources/kiee/KIEE.2026.75.3.472/fig7.png

์ดํ›„ ์šด์ „ ์  (P, Q)๋ฅผ ์ฆ๊ฐ์‹œํ‚ค๋ฉฐ ๊ฐ ๋ชจ์„ ์—์„œ ๋ณ€ํ™”๋˜๋Š” ์ž„ํ”ผ๋˜์Šค๋ฅผ ํ†ตํ•ด ๋ฐ˜์‚ฌ๊ณ„์ˆ˜๋ฅผ ์‚ฐ์ถœํ•˜๊ณ  ์ „์•• ๊ตฌ๊ฐ„๋ณ„ ๋ฐ˜์‚ฌ๊ณ„์ˆ˜ ์œ„์ƒ ๋ณ€ํ™”๋ฅผ ๋‹ค์Œ ๊ทธ๋ฆผ 8๊ณผ ๊ฐ™์ด ๊ตฌ์„ฑํ•˜์˜€๋‹ค.

๊ทธ๋ฆผ 8. IEEE 39-Bus ๋ฐ˜์‚ฌ๊ณ„์ˆ˜ ์œ„์ƒ์˜ ์ „์•• ๊ตฌ๊ฐ„๋ณ„ ๋ณ€ํ™”

Fig. 8. Voltage-Band Variation of Reflection-Coefficient Phase in the IEEE 39-Bus System

../../Resources/kiee/KIEE.2026.75.3.472/fig8.png

๋‹ค์Œ ๊ทธ๋ฆผ 8์˜ ๋ถ„์„ ๊ฒฐ๊ณผ ์•ˆ์ • ๋ชจ์„ ์—์„œ๋Š” $\angle\Gamma$ ์˜ ๊ธฐ์šธ๊ธฐ๊ฐ€ ์™„๋งŒํ•œ ๋ฐ˜๋ฉด, ์ทจ์•ฝ ๋ชจ์„ ์—์„œ๋Š” ์ „์•• ๋ณ€ํ™”์— ๋”ฐ๋ผ $\angle\Gamma$ ๊ฐ€ ๊ธ‰๊ฒฉํ•˜๊ฒŒ ๋ณ€ํ•˜๋Š” ๊ฒฝํ–ฅ์ด ํ™•์ธ๋œ๋‹ค. ๋ฐ˜์‚ฌ๊ณ„์ˆ˜ ์œ„์ƒ์˜ ๊ธฐ์šธ๊ธฐ๊ฐ€ ํฌ๋‹ค๋Š” ๊ฒƒ์€ ์ „์•• ๋ณ€ํ™”์— ๋Œ€ํ•œ ์œ„์ƒ ๋ณ€ํ™”๊ฐ€ ๊ธ‰๊ฒฉํ•˜๊ฒŒ ์ด๋ฃจ์–ด ์ง„๋‹ค๋Š” ์˜๋ฏธ๋กœ, ๋™์ผํ•œ ์šด์ „์กฐ๊ฑด ๋ณ€๋™์‹œ์—๋„ ์ƒ๋Œ€์ ์œผ๋กœ ๋ฃจํ”„ ์œ„์ƒ ๋ณ€ํ™” ํญ์ด ์ปค์ง์„ ๋œปํ•œ๋‹ค. ๋”ฐ๋ผ์„œ ๊ต๋ž€์œผ๋กœ ์ธํ•ด ์šด์ „์ ์ด ํ”๋“ค๋ฆด ๊ฒฝ์šฐ, ๋ฃจํ”„ ์œ„์ƒ์ด ๋” ๋„“์€ ๋ฒ”์œ„๋ฅผ ๊ฑฐ์น˜๊ฒŒ ๋˜์–ด Barkhausen ์œ„์ƒ์กฐ๊ฑด ๊ทผ์ฒ˜์— ์‰ฝ๊ฒŒ ์ ‘๊ทผํ•˜๊ฑฐ๋‚˜ ์ด๋ฅผ ๊ต์ฐจํ•  ๊ฐ€๋Šฅ์„ฑ์ด ๋†’์•„์ ธ ํ•ด๋‹น ๋ชจ์„ ์€ ์ง„๋™์— ์ทจ์•ฝํ•ด์งˆ ์ˆ˜ ์žˆ์Œ์„ ๋ณด์—ฌ์ค€๋‹ค.

5. ๊ฒฐ ๋ก 

๋ณธ ๋…ผ๋ฌธ์€ ํŠน์ • ๋ชจ์„ ์—์„œ ๋ฐ”๋ผ๋ณธ ๊ณ„ํ†ต ์ž„ํ”ผ๋˜์Šค $Z_{th}$์™€ ๋ชจ์„ ์˜ ์ž„ํ”ผ๋˜์Šค $Z_L$๋ฅผ ํ™œ์šฉํ•˜์—ฌ ๋ฐ˜์‚ฌ๊ณ„์ˆ˜์˜ ํฌ๊ธฐยท์œ„์ƒ์„ ๋„์ถœํ•˜๊ณ  ์šด์ „์ (P, Q) ๋ณ€ํ™”์— ๋”ฐ๋ฅธ $\Gamma$ ์˜ Shape์˜ ํŠน์„ฑ์„ ํ™œ์šฉํ•˜์—ฌ ์‚ฌ์ „ ์ง„๋™ ์ทจ์•ฝ ๋ชจ์„ ์„ ํ™•๋ฅ ์ ์œผ๋กœ ์‹๋ณ„ํ•˜๋Š” ๋ฐฉ๋ฒ•์„ ์ œ์•ˆํ•œ๋‹ค.

PSS/E ๊ธฐ๋ฐ˜ IEEE ํ‘œ์ค€ ํ…Œ์ŠคํŠธ ๊ณ„ํ†ต์ธ IEEE 39-Bus๋ฅผ ๋Œ€์ƒ์œผ๋กœ ์‹œ๋ฎฌ๋ ˆ์ด์…˜์„ ์ˆ˜ํ–‰ํ•˜์˜€์œผ๋ฉฐ, ์ œ์•ˆ ๊ธฐ๋ฒ•์˜ ์œ ํšจ์„ฑ์„ ํ™•์ธํ•˜๊ธฐ ์œ„ํ•ด, ๊ฐ ๋ถ€ํ•˜์˜ ๊ฐœ๋ณ„ ํŠธ๋ฆฝ ์‹œ๋‚˜๋ฆฌ์˜ค๋ฅผ ์ ์šฉํ•˜๊ณ , ๊ต๋ž€ ๋ฐœ์ƒ ์งํ›„์˜ ํŒŒํ˜• ๋ฐ์ดํ„ฐ๋ฅผ ๋ถ„์„ํ•˜์—ฌ ์•ˆ์ • ๋ชจ์„  ๋ฐ ์ง„๋™ ์ทจ์•ฝ ๋ชจ์„ ์„ ์‹๋ณ„ํ•˜์˜€๋‹ค. ์ดํ›„ ๊ฐ ์ง„๋™ ์ทจ์•ฝ ๋ชจ์„  ๊ณผ ์•ˆ์ • ๋ชจ์„ ์˜ ์ „์•• ๊ตฌ๊ฐ„๋ณ„ $\angle\Gamma$ ์ง€์ˆ˜๋ฅผ ๊ตฌ์„ฑํ•˜์—ฌ ๋น„๊ตํ•œ ๊ฒฐ๊ณผ, ์•ˆ์ • ๋ชจ์„ ์€ $\angle\Gamma$ ์˜ ๋ณ€ํ™”๊ฐ€ ์™„๋งŒํ•œ ๋ฐ˜๋ฉด, ์ง„๋™ ์ทจ์•ฝ ๋ชจ์„ ์€ ์ „์•• ๋ณ€ํ™”์— ๋Œ€ํ•ด $\angle\Gamma$ ๊ฐ€ ๊ธ‰๊ฒฉํžˆ ๋ณ€ํ•˜๋Š” ์–‘์ƒ์„ ๋ณด์˜€๋‹ค. ๊ฐ์‡ ๊ฐ€ ๋ถˆ์ถฉ๋ถ„ํ•˜๊ณ  ์œ„์ƒ์ด ๊ธ‰๋ณ€ํ•˜๋Š” ๊ฒฝ์šฐ ํ•ด๋‹น ๋ชจ์„ ์€ ๋‹ค๋ฅธ ๋ชจ์„ ๊ณผ ๋‹ฌ๋ฆฌ ์ƒ๋Œ€์ ์œผ๋กœ ์ „์•• ๋ณ€ํ™”์— ๋Œ€ํ•ด ๋” ๋„“์€ ์œ„์ƒ ๋ฒ”์œ„๋ฅผ ๊ฐ€์ง„๋‹ค๋Š” ์˜๋ฏธ๋กœ, Barkhausen ์กฐ๊ฑด์— ์‰ฝ๊ฒŒ ์ ‘๊ทผํ•˜๊ฑฐ๋‚˜ ์ด๋ฅผ ๊ต์ฐจํ•  ๊ฐ€๋Šฅ์„ฑ์ด ๋†’์•„์ ธ ํ•ด๋‹น ๋ชจ์„ ์€ ์ง„๋™์— ์ทจ์•ฝํ•ด์งˆ ์ˆ˜ ์žˆ์Œ์„ ๋ณด์—ฌ์ค€๋‹ค. ์ด๋Ÿฌํ•œ ๊ฒฐ๊ณผ๋Š” ์ œ์•ˆํ•œ ์ ‘๊ทผ๋ฒ•์ด ๊ต๋ž€ ์ด์ „ ๋‹จ๊ณ„์—์„œ ๋ชจ์„ ๋ณ„ ์ทจ์•ฝ๋„ ์„ ๋ณ„์— ์œ ํšจํ•จ์„ ๋’ท๋ฐ›์นจํ•œ๋‹ค. ๋˜ํ•œ ๋ณธ ์—ฐ๊ตฌ๋Š” ๊ธฐ์กด ์ง„๋™ ๋ถ„์„ ๊ธฐ๋ฒ•์˜ ํ•œ๊ณ„๋ฅผ ๋ณด์™„ํ•˜๊ธฐ ์œ„ํ•ด, ์ž„ํ”ผ๋˜์Šค ๊ธฐ๋ฐ˜ ๋ฐ˜์‚ฌ๊ณ„์ˆ˜๋ฅผ ์ด์šฉํ•œ ๋ชจ์„  ์ทจ์•ฝ๋„ ์‚ฌ์ „ ์ง„๋‹จ ๋ฐฉ๋ฒ•์„ ์ œ์‹œํ•˜์˜€๋‹ค. ์ œ์•ˆ๋œ ๊ธฐ๋ฒ•์€ ๊ณ„ํ†ต ์ž„ํ”ผ๋˜์Šค ํŠน์„ฑ์„ ๋ฐ˜์˜ํ•˜์—ฌ ๊ต๋ž€ ์ด์ „ ๋‹จ๊ณ„์—์„œ๋„ ์ง„๋™ ์ทจ์•ฝ ๋ชจ์„ ์„ ํšจ๊ณผ์ ์œผ๋กœ ์‹๋ณ„ํ•  ์ˆ˜ ์žˆ์Œ์„ ํ™•์ธํ•˜์˜€๋‹ค. ํ–ฅํ›„ ์—ฐ๊ตฌ์—์„œ๋Š” ์žฌ์ƒ์—๋„ˆ์ง€์˜ ๊ณ  ์นจํˆฌ ๊ณ„ํ†ต์— ์ ์šฉํ•˜์—ฌ ๊ทธ ํ™•์žฅ์„ฑ๊ณผ ์œ ํšจ์„ฑ์„ ๊ฒ€์ฆํ•  ์˜ˆ์ •์ด๋‹ค.

Acknowledgements

๋ณธ ์—ฐ๊ตฌ๋Š” ๊ธฐํ›„์—๋„ˆ์ง€ํ™˜๊ฒฝ๋ถ€(MCEE)์™€ ํ•œ๊ตญ์—๋„ˆ์ง€๊ธฐ์ˆ ํ‰๊ฐ€์›(KETEP)์˜ ์ง€์›์„ ๋ฐ›์•„ ์ˆ˜ํ–‰ํ•œ ์—ฐ๊ตฌ๊ณผ์ œ์ž…๋‹ˆ๋‹ค. (No. RS-2025-07852969) ๋ณธ ๊ณผ์ œ(๊ฒฐ๊ณผ๋ฌผ)๋Š” 2025๋…„๋„ ๊ต์œก๋ถ€ ๋ฐ ์ „๋ผ๋‚จ๋„์˜ ์žฌ์›์œผ๋กœ ์ „๋ผ๋‚จ๋„RISE์„ผํ„ฐ์˜ ์ง€์›์„ ๋ฐ›์•„ ์ˆ˜ํ–‰๋œ ์ง€์—ญํ˜์‹ ์ค‘์‹ฌ ๋Œ€ํ•™์ง€์›์ฒด๊ณ„(RISE)์˜ ๊ฒฐ๊ณผ์ž…๋‹ˆ๋‹ค.(2025-RISE-14-001)

References

1 
S. Impram, S. Nese, B. Oral, 2020, Challenges of renewable energy penetration on power system flexibility: A survey, Energy Strategy Reviews, Vol. 32, pp. 100539DOI
2 
G. Hughes, J. Oโ€™Sullivan, 2022, Dynamic grid stability in low carbon power systems with minimum inertia, Energy Reports, Vol. 8, pp. 190-198Google Search
3 
Y. Liu, M. Shahidehpour, Z. Li, H. Zhang, 2021, Analysis and dynamic stabilization of a high-voltage VSC-MTDC grid with DC power flow controller connected to extremely weak AC systems, IEEE Transactions on Power Systems, Vol. 36, No. 5, pp. 4829-4841Google Search
4 
A. Q. Al-Shetwi, M. Hannan, K. P. Jern, M. Mansur, 2020, Emerging power quality challenges due to integration of renewable energy sources, Energies, Vol. 13, No. 12, pp. 3375Google Search
5 
Y. Li, S. Wang, F. Blaabjerg, 2021, Subsynchronous oscillation and advanced analysis: A review, IEEE Access, Vol. 9, pp. 16413-16428Google Search
6 
N. Hatziargyriou, 2021, Definition and classification of power system stability โ€“ revisited and extended, IEEE Transactions on Power Systems, Vol. 36, No. 4, pp. 3271-3281DOI
7 
M. Lindner, 2025, Suitable classification of power system stability phenomena, CIGRE Science & Engineering Journal, No. 37, pp. 47-58DOI
8 
G. Tzounas, 2021, Small-signal stability techniques for power system modal analysis, control, and numerical integration, Ph.D. dissertationGoogle Search
9 
A. Pathak, R. Gupta, 2019, Small signal stability of a power system, International Journal of Recent Technology and Engineering, Vol. 8, No. 3, pp. 3970-3975DOI
10 
F. Milano, 2020, A Systematic Method for Small-Signal Stability Analysis Including Nonlinear Control Effects, Electric Power Systems Research, Vol. 189, pp. 106734Google Search
11 
D. F. Dakhlan, J. Muslim, I. Kurniawan, K. M. Banjar-Nahor, B. A. Soedjarno, N. Hariyanto, 2025, Comparing Fast Fourier Transform and Prony Method for Analysing Frequency Oscillation in Real Power System Interconnection, Energies, Vol. 18, No. 9, pp. 2377DOI
12 
M. Khodadadi Arpanahi, M. Kordi, R. Torkzadeh, H. Haes Alhelou, P. Siano, 2019, An augmented Prony method for power system oscillation analysis using synchrophasor data, Energies, Vol. 12, No. 7, pp. 1267DOI
13 
T. Xia, Z. Yu, K. Sun, D. Shi, Z. Wang, 2020, Extended Prony analysis on power system oscillation under a near-resonance condition, arXiv preprintGoogle Search
14 
L. Chen, Y. Min, W. Hu, 2013, An energy-based method for location of power system oscillation source, IEEE Transactions on Power Systems, Vol. 28, No. 2, pp. 828-836DOI
15 
S. Maslennikov, B. Wang, E. Litvinov, 2017, Dissipating energy flow method for locating the source of sustained oscillations, International Journal of Electrical Power & Energy Systems, Vol. 88, pp. 55-62DOI
16 
S. Maslennikov, B. Wang, 2017, Locating the Source of Sustained Oscillations by Using PMU Measurements, pp. 1-5Google Search
17 
E. Lindberg, 2010, The Barkhausen Criterion (Observation?), pp. 15-18Google Search
18 
S. F. Chou, X. Wang, F. Blaabjerg, 2020, Reflection coefficient stability criterion for multi-bus multi-VSC power systems, IEEE Access, Vol. 8, pp. 100973-100985DOI

์ €์ž์†Œ๊ฐœ

์ตœํƒœ์™„ (Taewan Choi)
../../Resources/kiee/KIEE.2026.75.3.472/au1.png

He received the B.S. degree in electrical engineering from Mokpo National University, Muan, Korea, in 2024. He is currently pursuing the M.S. degree in electrical engineering at the same university. His research interests include oscillation-vulnerable bus identification methods and simulation techniques in power systems.

์ตœ์œค์„ฑ (Yoon-Seong Choi)
../../Resources/kiee/KIEE.2026.75.3.472/au2.png

He received the B.S. and M.S. degrees in electrical engineering from Mokpo National University, Muan, South Korea, in 2023 and 2025, respectively. He is currently pursuing the Ph.D. degree in electrical engineering with Mokpo National University. His research interests include oscillation detection methods and simulation techniques in power systems.

์ž„์ฒ ํ›ˆ (CheolHun Im)
../../Resources/kiee/KIEE.2026.75.3.472/au3.png

He received the B.S. degrees in Electrical Engineering from Mokpo National University, Muan, South Korea in 2022 and working toward the M.S. degree. His research interest include Power System Oscillation Detection method and simulation technique in the Power Systems.

์†Œ์ˆœ์—ด (Soon-Youl So)
../../Resources/kiee/KIEE.2026.75.3.472/au4.png

He received Ph.D. degrees in electronic and information engineering from Hokkaido University, Japan. He is currently a professor at the Department of electrical engineering, Mokpo National University, Korea. His current research interests in wireless power transfer and plasma science.

์ด๋™ํ˜ธ (Dongho Lee)
../../Resources/kiee/KIEE.2026.75.3.472/au5.png

He received B.S. and Ph.D. degrees in electrical engineering from Korea University, Korea. He is currently an Associate professor at the Department of electrical engineering, Mokpo National University, Muan, Korea. His current research interests include power system, smart energy system, and wireless power transfer.