김동현
(Dong-Hyeon Kim)
1iD
오승미
(Seung-Mi Oh)
1iD
송수진
(Su-Jin Song)
1iD
유광현
(Gwang-Hyeon Ryu)
2iD
이호준
(Ho-Joon Lee)
†iD
-
(Dept. of Electronics and Electrical Engineering Engineering, Dankook University, Republic
of Korea.)
-
(Power & industrial Systems R&D Center, Hyosung Co., Ltd. Republic of Korea.)
Copyright © The Korean Institute of Electrical Engineers
Key Words
Electromagnetic Brake, Current Density, Finite Element Analysis
1. 서 론
최근 산업용 로봇, 물류 이송장치 및 전동화 시스템의 발전에 따라 구동계의 정밀 제어뿐만 아니라 비상 상황에서의 안전 확보가 중요한 설계가 요구되고
있다. 특히 협동 로봇이나 고하중 물류 이송 장치의 경우 전원에 이상이 발생하였을 때 즉각적으로 시스템을 정지시켜야 하므로 높은 신뢰성과 반복 동작
안정성을 갖춘 제동 시스템이 필수적으로 요구된다[1]. 전통적으로 이러한 제동 시스템에는 유압식 브레이크가 널리 사용되어 왔다. 유압식 브레이크는 높은 제동 토크를 안정적으로 생성할 수 있으며 구조적으로
단순하여 오랜 기간 신뢰성이 검증된 방식이다. 그러나 작동 유체의 점성과 압축성으로 인해 필연적인 응답 지연이 발생한다. 또한 누유 가능성과 주기적인
유지보수가 요구되어 자동화 시스템의 운용 효율을 저하시킨다는 단점이 존재한다[2]. 이러한 한계를 극복하기 위한 대안으로 액츄에이터 구조의 전자식 브레이크(Electromagnetic brake)가 주목받고 있다. 전자식 브레이크는
전기적 신호를 통해 직접 제어되므로 유압식 시스템 대비 응답 속도가 빠르고 구조가 단순한 장점이 있다[3]. 전자식 브레이크는 작동 방식에 따라 여자 작동형과 무여자 작동형으로 구분되며 산업용 로봇과 같이 전원 차단 시에도 제동 상태를 유지해야 하는 응용
분야에서는 무여자 작동형 브레이크가 주로 사용된다[4-
5]. 무여자 작동형 전자식 브레이크는 전원 차단 시 스프링의 복원력에 의해 제동이 체결되는 구조를 가진다. 최근에는 시스템의 응답 속도 향상과 운전
신뢰성을 극대화하기 위한 구조 최적화 및 메커니즘 개선 연구가 지속적으로 이루어지고 있다 [6-
7]. 무여자 작동형 구조는 연속 운전 조건에서 권선 내부의 줄 발열(Joule heating)의 영향으로 내부 온도 상승을 유발한다. 온도 상승에 따른
저항 증가는 정전압 구동 환경에서 전류 감소를 초래한다. 이는 공극 자속 밀도 저하로 이어져 전자기 흡인력을 약화시킨다. 결과적으로 제동 해제 실패와
같은 시스템 오작동을 유발할 수 있으므로 설계 단계에서 전류 밀도와 온도 특성에 대한 정밀한 고려가 필수적이다 [8].
본 논문에서는 전자식 브레이크의 성능개선과 신뢰성 향상을 위해 온도 상승에 따른 전자기적 특성 변화를 반영한 전자기-열 연성 해석 기반의 설계 프로세스를
제안한다.
2. 전자식 브레이크 모델링 및 설계 이론
2.1 전자식 브레이크 구조 및 동작원리
본 논문에서 제안하는 전자식 브레이크는 전원 차단 시 스프링의 복원력에 의해 제동이 체결(Brake ON)되고 전원 인가 시 전자석의 흡력으로 제동을
해제(Brake OFF)되는 방식을 따른다. 전체 시스템은 고정자(Stator), 권선(Coil), 아마추어(Armature), 그리고 브레이크 패드(Brake
pad), 스프링(Spring)으로 이루어진다. 이를 그림 1에 동작 원리와 함께 나타내었다. 그림 1(a)는 전원 미인가 상태로 스프링과 브레이크 패드로 인해 브레이크가 체결되어 있는 상태이고 (b)는 전원 인가 상태로 고정자의 흡인력으로 인해 아마추어가
이동하여 브레이크가 해제된 상태를 나타낸다.
그림 1. 브레이크 구조 및 동작 원리
Fig. 1. Structure and operating principle of the brake
브레이크의 요구 제동력은 스프링의 복원력과 마찰계수에 의하여 결정된다. 스프링에 의한 정지력 계산식은 식 (1)과 같다.
여기서 $F_{brake}$는 브레이크의 제동력, $\mu_s$는 브레이크의 마찰계수, $n$은 스프링의 수, $k_{spring}$은 스프링계수,
$\Delta x$는 스프링의 압축 길이이다. 이때 본 논문에서 선정한 $k$는 81.63 N/mm, $\Delta x$는 제동 상태와 비제동 상태의
경우 각각 4.5 mm와 5 mm, $n$은 8개이다. 이를 통해 계산한 결과 제동 상태와 비제동 상태의 필요 흡인력은 각각 2.94 kN과 3.27
kN이상의 값을 가지면 된다.
2.2 전자식 브레이크 흡인력 방정식
전자식 브레이크의 흡인력은 맥스웰 응력 텐서(Maxwell stress tensor)에 의해 계산된다. 공극에서의 자기장 에너지가 평형 상태에 있다고
가정하였을 때 단위 면적당 작용하는 전자기력($F_m$)은 식 (2)와 같다.
여기서 $\mu_0$는 진공의 투자율, $n$은 해석 평면의 법선 벡터이다. $T_{nm}$은 각 성분을 좌표계의 자속밀도 성분으로 나타내며 $B_r$과
$B_z$는 각각 자속밀도의 반경방향과 축방향 성분이다. 브레이크에서 작용하는 식 (2)를 정리하면 식 (3)과 같다.
본 논문의 대상이 되는 전자식 브레이크는 원통형 대칭 구조를 가지고 주된 자기력의 법선 방향이 축방향과 일치하므로 반경 방향의 자속밀도 성분을 $B_r
\approx 0$이라 가정할 수 있다. 이를 기반으로 제동 해제에 직접적인 영향을 미치는 z-축 방향 전자기력 $F_{mz}$를 산출하기 위해 식(2)를 정리하면 식(4)와 같다.
여기서 $S_g$는 브레이크 공극의 면적, $B_g$는 공극의 자속밀도이다. 식 (4)를 통해 브레이크의 흡인력을 산정할 수 있다. 전자식 브레이크를 해제 상태로 전환하기 위해서는 브레이크 권선에 전류를 인가하여 자속을 형성하고 이
자속에 의해 발생하는 흡인력이 아마추어를 끌어당겨야 한다. 흡인력은 공극 자속밀도와 공극 면적에 의해 결정된다. 충분한 흡인력과 안정성을 위해서는
고정자의 자속 포화도와 온도를 고려해야 한다.
2.3 전자식 브레이크 발열
전자식 브레이크는 제동 해제 상태를 유지하기 위해 코일에 지속적인 전원을 인가해야 한다. 이 과정에서 코일 내부의 저항 성분에 의한 줄 발열(Joule
Heating)이 발생한다. 이때 발생하는 전력손실($P_{copper loss}$)은 열에너지로 변환되어 권선의 온도를 상승시키며 이는 식 (5)와 같다.
여기서 $l$은 권선의 총길이, $S$은 권선의 단면적 그리고 $\sigma$는 도전율이다. 코일의 저항은 도체의 단면적, 길이, 비저항에 의해 계산된다.
기준 온도에서의 저항($R$)은 비저항과 권선의 총 길이에 비례하고 단면적에 반비례한다. 권선의 저항을 비저항을 이용하여 표현하면 식(6)과 같이 표현한다.
여기서 $\rho$는 구리의 비저항으로 그 값은 $1.72 \times 10^{-8} \Omega \cdot \text{m}$이다. 일반적인 금속
도체와 마찬가지로 구리 또한 온도가 상승함에 따라 비저항이 증가하는 특성을 가진다. 기준 온도에 대해 코일 온도가 상승하면 저항이 상승하게 되고 이를
식 (7)과 같이 표현한다.
여기서 $R(T)$는 코일의 현재온도에서 저항을 나타내며 $R_{ref}$은 기준 온도 저항, $\alpha_{cu}$는 구리의 온도 저항계수를 나타낸다.
여기서 구리의 온도 저항계수는 0.00393/℃이다. $T$는 현재온도, $T_{ref}$는 기준온도 20 ℃를 의미한다. 온도가 상승하면 구리의
온도계수에 비례하여 저항이 상승하며 10 ℃마다 3.9 %씩 증가한다. 이로인해 온도가 과도하게 상승 할 경우 정전압 구동 환경에서 전류 제한을 발생시킨다.
이로 인해 제동 해제 실패를 유발한다. 따라서 전자기-열 연성 해석을 통해 코일의 온도 분포를 예측하여 열적 안정성을 검증하는 과정이 필수적이다.
3. 전자기-열 연성 설계 프로세스
3.1 설계 프로세스 정립
본 논문에서는 무여자 작동형 전자식 브레이크의 전자기적 성능과 열적 안정성을 동시에 확보하기 위해 전자기 및 열 해석을 통합한 설계 프로세스를 정립하였다.
전자식 브레이크는 제동 해제 시 요구되는 흡인력을 만족함과 동시에 장기간 구동 시 발생하는 줄 발열에 의한 저항 증가와 이에 따른 전류 감소 현상을
반드시 고려해야 한다. 따라서 그림 2와 같은 설계 및 해석 프로세스를 기반으로 성능 개선 설계를 진행하였다.
1) Requirements & Targets : 요구 제동력과 목표 흡인력 선정
2) 2D Parametric Analysis : 2D FEA를 이용한 자속밀도 포화도 검토 및 전자기 흡인력 검증
3) Optimal Model Selection : 파라메트릭 해석 결과 최적 모델 선정
4) 3D FEA & Loss Calculation : 최적 모델 3D 유한요소해석 진행 및 모델 손실값 계산
5) Thermal Analysis : 계산된 손실값을 입력하여 정적 열 해석 진행 및 권선 내부 온도와 절연 등급에 따른 허용 온도 검토(결과에
따라 Yes/No loop 반복)
6) Finish : 전자기적 성능과 열적 안정성을 만족하면 최종모델로 도출
그림 2. 전자식 브레이크 설계 및 해석 프로세스
Fig. 2. Design and analysis procedure of the electromagnetic brake
3.2 설계 모델 및 파라미터 정의
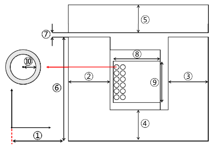
제안된 프로세스를 적용하기 위해 전자식 브레이크의 주요 설계 변수와 명칭을 표 1과 그림 3에 나타내었다. 전자식 브레이크는 기하학적으로 z축 기준의 축 대칭 구조를 가지므로 연산 효율성을 위해 다수의 케이스를 검토하는 단계에서는 2D 단면
해석을 수행하였다. 이러한 축 대칭 구조의 경우 2D 해석 결과는 3D 해석 결과와 근사한 값을 가지므로 설계 초기 단계에서의 유효성이 보장된다.
표 1. 전자식 브레이크의 파라미터
Table 1. Parameters of the electromagnetic brake
|
Number
|
Item
|
Value[mm]
|
|
①
|
브레이크 내경
|
25
|
|
②
|
고정자 내측 두께
|
15
|
|
③
|
고정자 외측 두께
|
17.5
|
|
④
|
고정자 하단 두께
|
15
|
|
⑤
|
아마추어 두께
|
15
|
|
⑥
|
고정자 높이
|
45
|
|
⑦
|
공극
|
0.5
|
|
⑧
|
보빈 내측 길이
|
21
|
|
⑨
|
보빈 내측 높이
|
10.5
|
|
⑩
|
도체 반지름
|
0.3
|
그림 3. 전자식 브레이크 단면도
Fig. 3. Cross-sectional view of the electromagnetic brake
4. 시뮬레이션
4.1 기초모델 해석 및 문제점 분석
본 장에서는 제3장에서 정립한 설계 프로세스에 따라 기존 전자식 브레이크를 기초모델로 설정하고 시뮬레이션을 수행하였다. 기초모델의 파라미터는 표 1과 같으며 재질은 S45C를 적용하였다. S45C 재질의 B-H 곡선은 그림 4와 같으며 자속밀도 1.2 T를 목표로 설계를 진행하였다.
그림 4. S45C 재질의 B-H 곡선
Fig. 4. B–H curve of S45C steel
그림 5는 상용 시뮬레이션 소프트웨어인 Ansys Maxwell을 사용하여 기초모델에 전류 2 A를 인가하여 전자계 해석을 진행한 결과이다. 공극 0.5
mm 조건에서 흡인력은 2.60 kN으로 산출되어 제동 해제 필요 흡인력인 2.94 kN에 미치지 못하였다. 또한, 고정자 내측 자속밀도가 1.4
T에 도달하여 목표치를 초과하는 포화 현상이 발생함을 확인하였다.
그림 5. 기초모델 전자계 해석 결과
Fig. 5. Electromagnetic analysis results of the baseline model
4.2 2D 파라미터 해석
기초모델의 흡인력 부족과 자기 포화 문제를 해결하기 위해 설계 프로세스의 2단계인 2D Parametric Analysis를 수행하였다. 목표 흡인력은
2.94 kN에 10%의 마진을 고려하여 3.2 kN으로 설정하였다. 개선 설계를 위해 고정자의 내·외측 두께 및 높이, 권선 직경을 주요 파라미터로
선정하여 해석을 진행하였으며 그 결과를 표 2에 수록하였다.
표 2. 전자식 브레이크 해석 결과
Table 2. Analysis results of the electromagnetic brake
|
전류
|
두께[mm]
|
자속밀도[T]
|
흡인력[kN]
|
|
내측
|
외측
|
|
2
|
17.5
|
17.0
|
1.32
|
3.04
|
|
18.0
|
16.5
|
1.30
|
3.11
|
|
18.5
|
16.0
|
1.28
|
3.17
|
|
19.0
|
15.5
|
1.26
|
3.23
|
|
19.5
|
15.0
|
1.23
|
3.28
|
|
20.0
|
14.5
|
1.21
|
3.33
|
|
20.5
|
14.0
|
1.19
|
3.38
|
|
21.0
|
13.5
|
1.16
|
3.43
|
|
21.5
|
13.0
|
1.14
|
3.47
|
|
22.0
|
12.5
|
1.11
|
3.51
|
4.3 최종모델 선정
연속 운전 시 열적 안정성을 확보하기 위해 전류밀도를 검토하였다. 밀폐형 구조임을 고려하여 공랭식 권장치보다 낮은 1.27 A/mm²의 전류밀도를
최종 선정하였으며 이에 따른 권선 직경 및 전류밀도 계산 결과는 표 3과 같다. 최종 선정된 파라미터를 적용한 개선모델의 해석 결과 공극 0.5 mm 및 인가 전류 2 A 조건에서 흡인력 3.45 kN, 자속밀도 1.14
T를 달성하여 설계 목표를 모두 만족하였다.
표 3. 전류밀도 계산표
Table 3. Current density calculation table
|
전류[A]
|
권선 직경[mm]
|
전류밀도[mm²]
|
|
1
|
0.7
|
2.60
|
|
0.8
|
1.99
|
|
0.9
|
1.57
|
|
1.0
|
1.27
|
그림 6. 개선모델 전자계 해석 결과
Fig. 6. Electromagnetic analysis results of the improved model
4.4 3D 유한요소해석 및 열해석
본 절에서는 4.3절의 전자계 해석 결과를 기반으로 도출된 최종 설계 형상에 대하여 3D 정자계 및 열 유한요소해석을 수행하였다. 3D 정자계 해석
시 브레이크의 해제 및 홀딩 조건을 모사하기 위해 각각 직류 2 A와 1 A를 인가하였다. 직류 전원 환경에서는 자계의 시간적 변화가 없으므로 철손(Core
loss)은 발생하지 않는다. 이에 따라 권선에서 발생하는 저항 손실(Ohmic loss)만을 주요 열원으로 고려하였다. 브레이크 해제를 위한 초기
여자 전류인 2 A는 동작 초기 수 ms 이내의 짧은 시간 동안만 인가되므로 시스템의 열적 시정수를 고려할 때 정상상태 온도 분포에 미치는 영향은
무시할 수 있다. 따라서 본 해석에서는 연속 운전 시 열적 포화 상태를 결정짓는 지배적인 열원인 홀딩 전류 1 A를 기준으로 열해석을 진행하였다.
해석 소프트웨어는 Ansys Maxwell과 Icepak을 연성하여 사용하였으며 정자계 해석을 통해 도출된 손실값을 CFD 기반 열해석의 입력 조건으로
적용하였다. 개선모델의 정상상태 온도 분포 단면도를 그림 7에 나타내었다. 브레이크의 권선 내부의 최대 온도는 30.97 °C이다. 이는 홀딩 전류가 장시간 인가되는 연속 운전 조건에서 온도가 열적 평형 상태에
완전히 수렴했음을 의미한다. 이때 온도 상승에 따른 권선 저항 증가량은 상온 대비 약 0.16 $\Omega$ 수준으로 산출되었으며 이는 브레이크의
해제 및 유지 동작을 저해하지 않는 안정적인 범위 내에 있음을 확인하였다.
그림 7. 개선모델 열 해석 결과
Fig. 7. Thermal analysis results of the improved model
5. Conclusion
본 논문에서는 무여자 작동형 전자식 브레이크를 대상으로 전자기-열 연성 해석을 기반으로 한 설계 프로세스를 제안하였다. 전자기 흡인력 확보를 위한
형상 설계와 밀폐 구조 내 연속 운전 시 열적 한계를 결정하는 전류 밀도를 설계 제약 조건으로 도입하여 권선 및 고정자 형상을 재설계하였다. 제안된
개선모델은 전류 2 A 인가 조건에서 기초모델 대비 흡인력을 25.1% 향상시켜 제동 해제 성능을 확보하였다. 해당 모델에 1 A를 인가한 정상 상태
열 해석 결과 권선의 최종 온도는 30.97 °C로 수렴하여 연속 전원인가 조건에서도 열적 안정성을 유지함을 확인하였다. 이를 통해 연속 운전 조건에서
전자기 성능 저하를 유발하는 온도 상승을 완화하고 제동 시스템의 운전 신뢰성을 향상시킬 수 있음을 검증하였다.
본 논문의 결과는 무여자 작동형 전자식 브레이크 설계 시 전자기적 성능뿐만 아니라 열적 요인을 설계 초기 단계에서 통합적으로 고려하였다는 점에 의의가
있다. 향후 연구에서는 본 논문의 설계 결과를 바탕으로 시제품을 제작하여 실험을 수행할 예정이며 시뮬레이션 해석 결과와 실험 데이터 간의 비교 분석을
통해 제안된 설계 프로세스의 타당성을 정밀하게 검증할 계획이다.
Acknowledgements
본 연구는 2026년도 정부(산업통상자원부)의 재원으로 한국산업기술기획평가원(KEIT)-소재부품기술개발사업의 지원(RS-2024-00432477)을
받아 수행된 연구임.
References
K. Kim, S. Lee, L. Kang, T. Kang, 2025, Electromagnetic Design of a Spring-Actuated
Brake, pp. 1384-1385

C. Li, G. Zhuo, C. Tang, L. Xiong, W. Tian, L. Qiao, Y. Cheng, Y. Duan, 2023, A Review
of Electro-Mechanical Brake (EMB) System: Structure, Control and Application, Sustainability,
Vol. 15, No. 5, pp. 4514

H. C. Liu, H. J. Lee, J. Lee, 2019, Design of a Double-Path Magnetic Circuit Structure
Hybrid Fuel Injector Considering Demagnetization Characteristics, Journal of Electronic
Materials, Vol. 48, pp. 1421-1428

Y. J. Park, J. K. Lee, K. D. Lee, D. H. Jung, 2025, A Study on the Design of a Variable
Power Electromagnetic Brake for Industrial Applications, Machines, Vol. 13, No. 3,
pp. 181

D. Lee, S. Cho, Y. Shin, W. Kim, 2025, A Study on Electro-Mechanical Modeling and
Simulation for Air-Gap Estimation in a Non-Excitation Spring-applied Electromagnetic
Brake, pp. 1643-1644

K. Wang, H. Ju, Y. Yang, Z. Guo, 2021, An Optimized Permanent Magnet Brake Mechanism
in Robot Joints, IEEE Access, Vol. 9, pp. 18278-18286

D. H. Kim, C. H. Kim, H. J. Park, H. J. Lee, 2025, A Study on the Improvement in Response
Characteristics of an Electromagnetic Brake Through Electromagnetic Balance-Based
Structural Design and Shim Plate Application, Actuators, Vol. 14, No. 12, pp. 578

C. Jin, 2020, Analysis of Temperature Characteristics of Interior Permanent Magnet
Synchronous Motor according to Current Density, Journal of the Korean Society for
Railway, Vol. 23, No. 1, pp. 56-63

저자소개
He received the B.S. degree in Electrical and Control Engineering from Cheongju University,
Cheongju, South Korea, in 2022, and the M.S. degree in Electronic Engineering from
the same university in 2024. In 2025, he transferred to Dankook University, Yongin,
South Korea, where he is currently pursuing the Ph.D. degree in Electronic Engineering.
His research interests include the design, analysis, testing, and control of motor/generator
and applications of electric machinery.
She received the B.S. degree in Electrical and Control Engineering from Cheongju University,
Cheongju, South Korea, in 2024. She transferred to Dankook University, Yongin, South
Korea, in 2025, where she is currently pursuing the M.S. degree in Electronic Engineering.
Her research interests include the design, analysis, testing, and control of motors/generators
and applications of electric machinery.
She received the B.S. degree in Electrical and Control Engineering from Cheongju University,
Cheongju, South Korea, in 2024. She is currently pursuing the M.S. degree in Electrical
and Electronic Engineering at Dankook University, Yongin, South Korea. Her research
interests include the design, analysis, testing, and control of motors and generators,
and applications of electric machines.
He received the Ph.D. degrees in Electrical Engineering from Hanyang University, Seoul,
Korea, in 2016. He is currently a principle researcher at Hyosung Power & industrial
Systems R&D Center since 2015. His research interests include the design, analysis,
testing, and control of motors/generators; power conversion systems; and applications
of electric machinery.
He received his M.S. and Ph.D. degrees in Electrical Engineering from Hanyang University,
Seoul, Korea, in 2011 and 2015, respectively. He was an assistant professor at Cheongju
University (CJU) from 2020 to 2025. He is currently an associate professor of Electronics
and Electrical Engineering at Dankook University (DKU) since 2025. His research interests
include the design, analysis, testing, and control of motors/generators; power conversion
systems; and applications of electric machinery.